+7 (701) 588 50 05 Телефон для связи
RU

WhatsApp

Позвонить

ПОГРУЗЧИК в Алматы

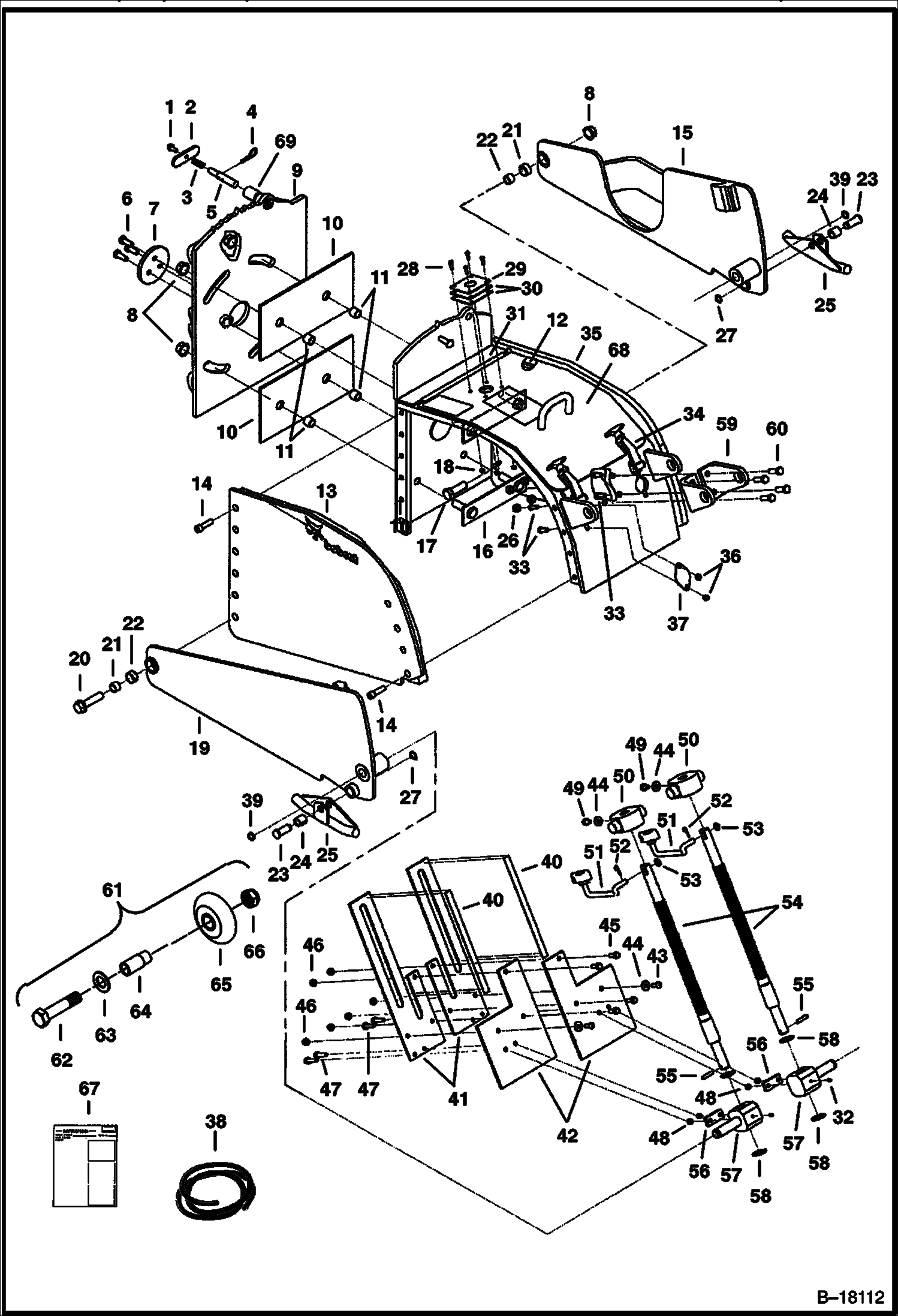
ПЛАНИРОВЩИК (БОКОВОЙ ЦИЛИНДР МЕХАНИЗМА ПЕРЕКЛЮЧЕНИЯ) (40-- 991400101 - 01035)

ПЛАНИРОВЩИК (БОКОВОЙ ЦИЛИНДР МЕХАНИЗМА ПЕРЕКЛЮЧЕНИЯ) (40-- 991400101 - 01035)

1Артикул: 6676827, CYLINDER W/Ref. 2-12
2Артикул: 6676817, SEAL
3Артикул: 6676818, HEAD
Подробнее >
ПЛАНИРОВЩИК (ДВИГАТЕЛЬ) (ВСПОМОГАТЕЛЬНЫЙ) (R921811659) (18PLA AKS2) (24PLA AJN7)

ПЛАНИРОВЩИК (ДВИГАТЕЛЬ) (ВСПОМОГАТЕЛЬНЫЙ) (R921811659) (18PLA AKS2) (24PLA AJN7)

1Артикул: 7261337, MOTOR, DRIVE HYD Ref. 2-28
2Артикул: 7261720, HOUSING
3Артикул: 6687081, SCREW
Подробнее >
ПЛАНИРОВЩИК (ДВИГАТЕЛЬ) (ФРЕЗА ДЛЯ ОБРАБОТКИ БОРДЮРА) (R921805375) (15-- 234000101 И ВЫШЕ)

ПЛАНИРОВЩИК (ДВИГАТЕЛЬ) (ФРЕЗА ДЛЯ ОБРАБОТКИ БОРДЮРА) (R921805375) (15-- 234000101 И ВЫШЕ)

1Артикул: MOTOR, MOTOR ASSEMBLY See Illustration PLANER/ NA12766A - NLA - Ref. 2-27 - Was 6677178 - A
2Артикул: 6690158, ROTOR GROUP W/Ref. 3 & 4 - Was 6675222 - D
3Артикул: 6690158, ROTOR GROUP Was 6675222 - D
Подробнее >
ПЛАНИРОВЩИК (КОРПУС) (40-- 991400101 - 01035)

ПЛАНИРОВЩИК (КОРПУС) (40-- 991400101 - 01035)

1Артикул: 6676875, BOBTACH FRAME
2Артикул: 6676733, NUT
3Артикул: 6676876, PIN
Подробнее >
ПЛАНИРОВЩИК (ГИДРОСИСТЕМЫ) (303600101 И ВЫШЕ)

ПЛАНИРОВЩИК (ГИДРОСИСТЕМЫ) (303600101 И ВЫШЕ)

1Артикул: 6648627, HARNESS
2Артикул: 6662289, HARNESS W/6-pin connector
3Артикул: 6665119, HARNESS W/14-pin connector - For Multi Switch Handles - W/Ref. 25
Подробнее >
ПЛАНИРОВЩИК (КЛАПАН ПЕРЕКЛЮЧЕНИЯ) (СТАНДАРТНЫЙ РАСХОД ПЛАНИРОВЩИК) (14-- AKS3)

ПЛАНИРОВЩИК (КЛАПАН ПЕРЕКЛЮЧЕНИЯ) (СТАНДАРТНЫЙ РАСХОД ПЛАНИРОВЩИК) (14-- AKS3)

1Артикул: 6905874, VALVE, SELECTOR W/Ref. 2 - 23
2Артикул: BLOCK, BLOCK NSS - Order Ref. 1 - Was 6675962 - A
3Артикул: 6675961, SPOOL
Подробнее >
ПЛАНИРОВЩИК (ЦИЛИНДР УСТРОЙСТВА КОНТРОЛЯ ГЛУБИНЫ) (ФРЕЗА ДЛЯ ОБРАБОТКИ БОРДЮРА) (15-- 234000101 И ВЫШЕ)

ПЛАНИРОВЩИК (ЦИЛИНДР УСТРОЙСТВА КОНТРОЛЯ ГЛУБИНЫ) (ФРЕЗА ДЛЯ ОБРАБОТКИ БОРДЮРА) (15-- 234000101 И ВЫШЕ)

1Артикул: 6801313, CYLINDER Ref. 2-15
2Артикул: 6801318, CASE
3Артикул: 6661694, PISTON W/Ref. 9 & 10 - with non - replaceable wear sleeves
Подробнее >
ПЛАНИРОВЩИК (ДВИГАТЕЛЬ В СБОРЕ) (40-- 991401036 - )

ПЛАНИРОВЩИК (ДВИГАТЕЛЬ В СБОРЕ) (40-- 991401036 - )

1Артикул: 6676792, MOTOR ASSY Ref. 2-24
2Артикул: 6676793, NUT
3Артикул: 6676794, BOLT
Подробнее >
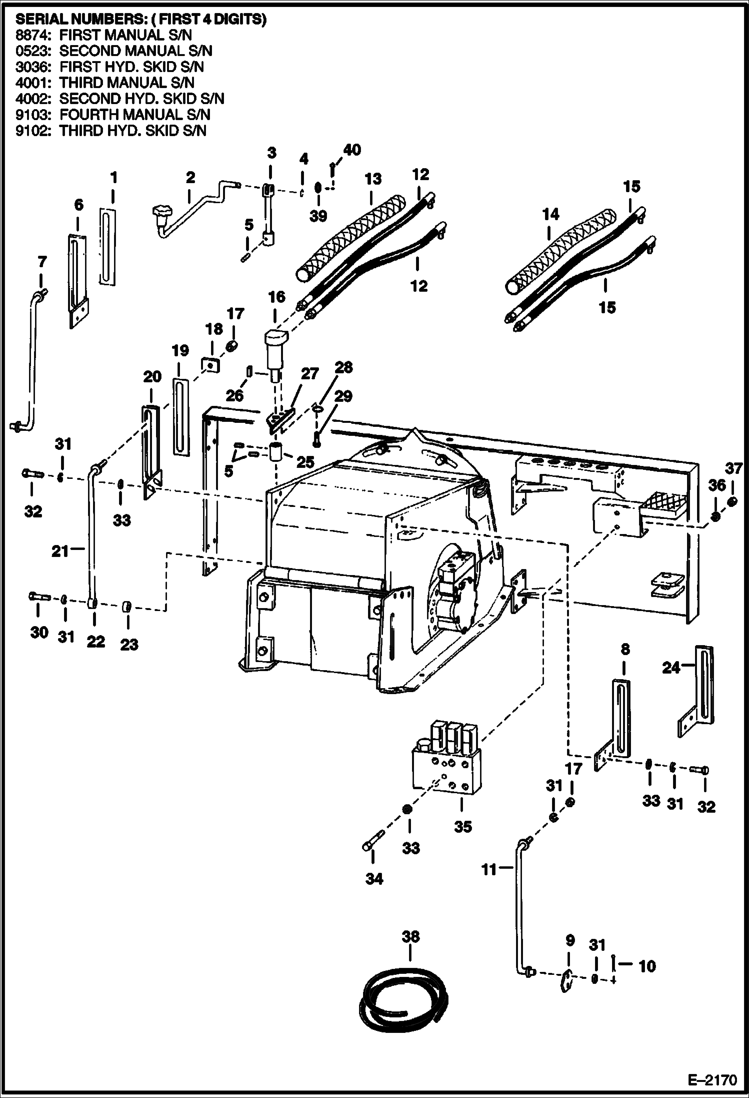
ПЛАНИРОВЩИК (РАМА ШАССИ) (052300101 - 00699) (303600100)

ПЛАНИРОВЩИК (РАМА ШАССИ) (052300101 - 00699) (303600100)

1Артикул: 6650159, FRAME Bob-Tach
2Артикул: PIN, PIN NLA - Was 6650160 - A
3Артикул: 6650161, ROD SLIDE
Подробнее >
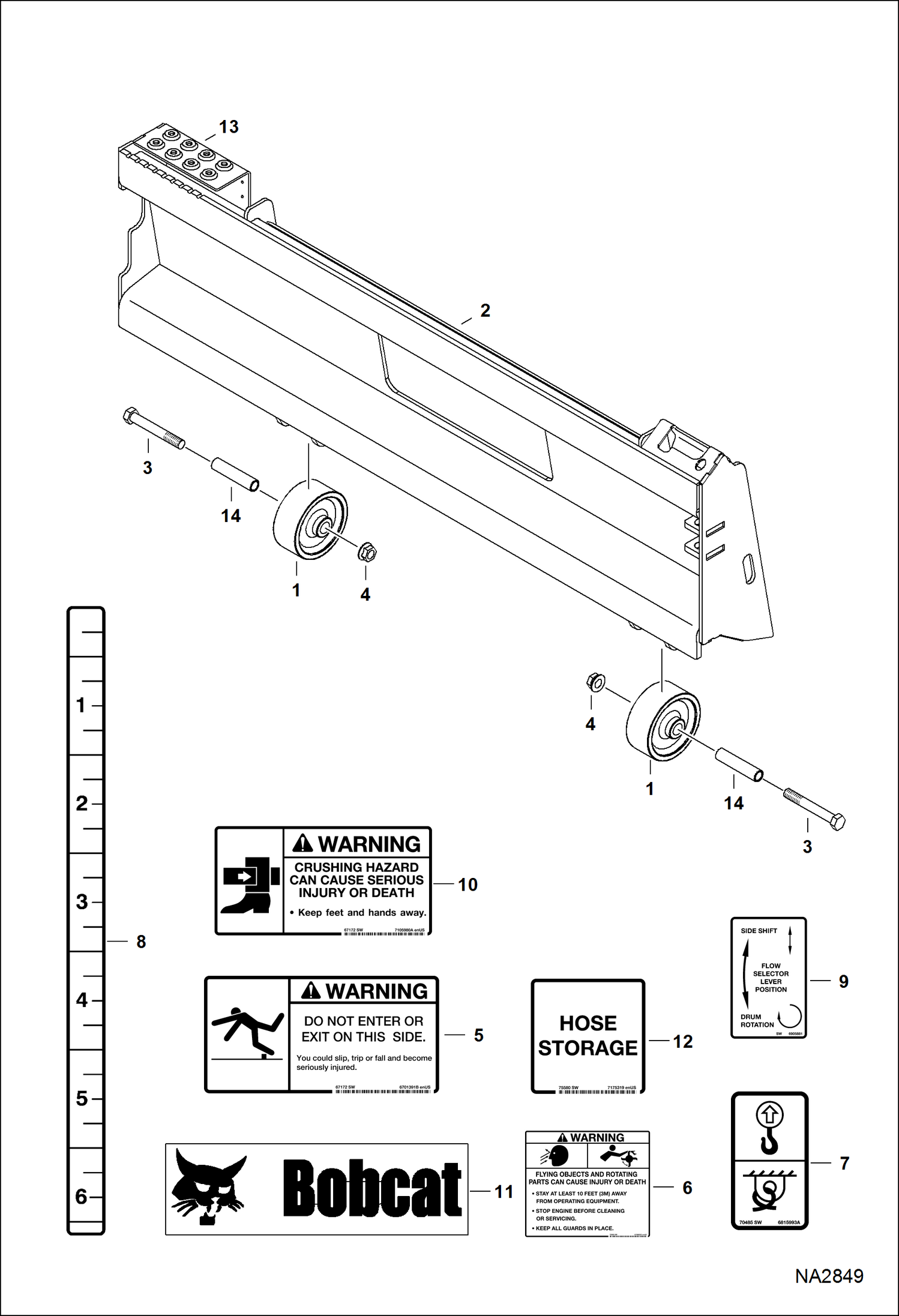
ПЛАНИРОВЩИК (КОМПЛЕКТ НАПРАВЛЯЮЩИХ ТЯГ) (ФУГОВАЛЬНЫЙ СТАНОК) (16-- 231100101 И ВЫШЕ)

ПЛАНИРОВЩИК (КОМПЛЕКТ НАПРАВЛЯЮЩИХ ТЯГ) (ФУГОВАЛЬНЫЙ СТАНОК) (16-- 231100101 И ВЫШЕ)

1Артикул: 6716451, KIT, GUIDE ROD Ref. 2-10 - Was SALES #6905975 - D
2Артикул: 6905198, INDICATOR
3Артикул: 31C616, SCREW
Подробнее >
ПЛАНИРОВЩИК (ЦИЛИНДР УСТРОЙСТВА КОНТРОЛЯ ГЛУБИНЫ) (18PLA AKS2) (24PLA AJN7)

ПЛАНИРОВЩИК (ЦИЛИНДР УСТРОЙСТВА КОНТРОЛЯ ГЛУБИНЫ) (18PLA AKS2) (24PLA AJN7)

1Артикул: 6680632, CYLINDER Ref. 2-16 - Columbus Hydraulics
2Артикул: 6684462, CASE
3Артикул: 6684459, PISTON
Подробнее >
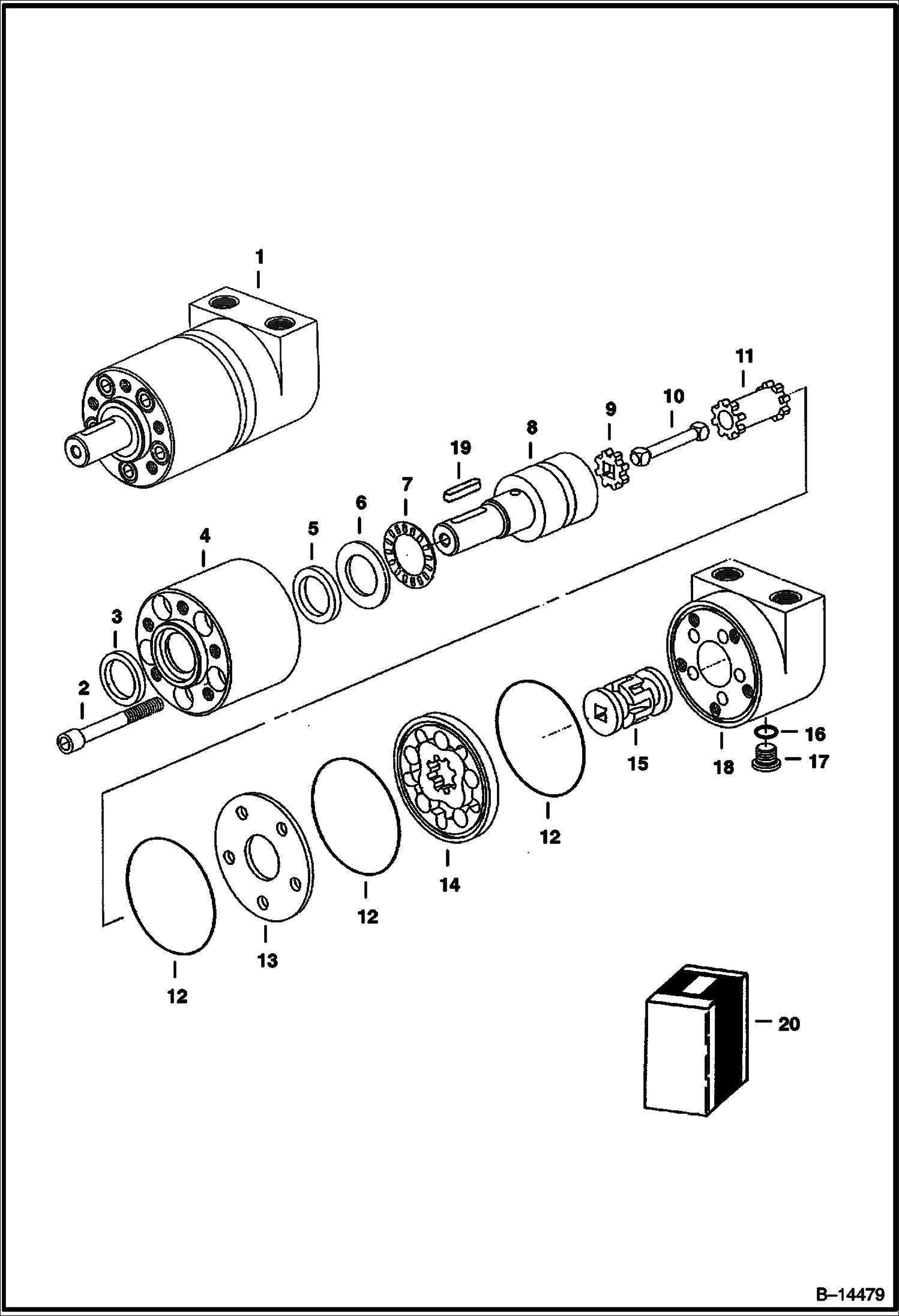
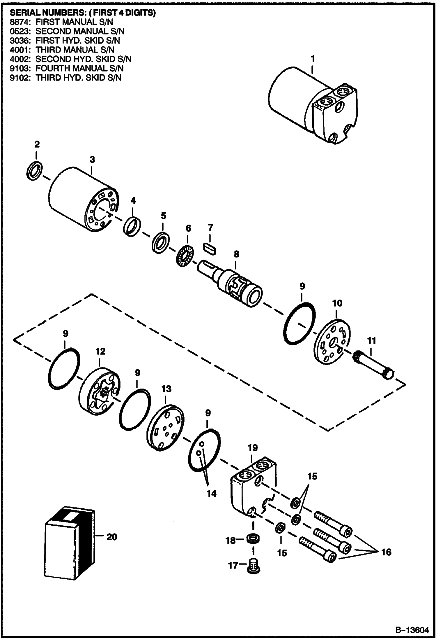
ПЛАНИРОВЩИК (ГИДРОСТАТИЧЕСКИЙ ДВИГАТЕЛЬ) (СТАНДАРТНЫЙ РАСХОД ПЛАНИРОВЩИК) (178100101 И ВЫШЕ)

ПЛАНИРОВЩИК (ГИДРОСТАТИЧЕСКИЙ ДВИГАТЕЛЬ) (СТАНДАРТНЫЙ РАСХОД ПЛАНИРОВЩИК) (178100101 И ВЫШЕ)

1Артикул: 6669422, MOTOR W/Ref. 2 - 32
2Артикул: 1992107, PLUG W/Ref. 3
3Артикул: 1992109, O RING
Подробнее >
ПЛАНИРОВЩИК (БОКОВОЙ ЦИЛИНДР МЕХАНИЗМА ПЕРЕКЛЮЧЕНИЯ) (ФРЕЗА ДЛЯ ОБРАБОТКИ БОРДЮРА) (15-- 234000101 И ВЫШЕ)

ПЛАНИРОВЩИК (БОКОВОЙ ЦИЛИНДР МЕХАНИЗМА ПЕРЕКЛЮЧЕНИЯ) (ФРЕЗА ДЛЯ ОБРАБОТКИ БОРДЮРА) (15-- 234000101 И ВЫШЕ)

1Артикул: 7108418, CYLINDER W/Ref. 2 - 16 - Was 6587878 - A
2Артикул: 7108419, CASE Was 6587883 - A
3Артикул: 92D10, NUT
Подробнее >
ПЛАНИРОВЩИК (ДВИГАТЕЛЬ) (R921805375) (18-- 341000655 И ВЫШЕ, 231611101 И ВЫШЕ)(24-- 721700342 И ВЫШЕ, 231711101 И ВЫШЕ)

ПЛАНИРОВЩИК (ДВИГАТЕЛЬ) (R921805375) (18-- 341000655 И ВЫШЕ, 231611101 И ВЫШЕ)(24-- 721700342 И ВЫШЕ, 231711101 И ВЫШЕ)

1Артикул: MOTOR, MOTOR ASSEMBLY See Illustration PLANER/ NA12766 - NLA - Ref. 2-27 - Rexroth 5830-003-144 - Was 6677178 - A
2Артикул: 6690158, ROTOR GROUP W/Ref. 3 & 4 - Was 6675222 - D
3Артикул: 6690158, ROTOR GROUP Was 6675222 - D
Подробнее >
ПЛАНИРОВЩИК (КОРПУС) (ФУГОВАЛЬНЫЙ СТАНОК) (16-- 231100101 И ВЫШЕ)

ПЛАНИРОВЩИК (КОРПУС) (ФУГОВАЛЬНЫЙ СТАНОК) (16-- 231100101 И ВЫШЕ)

1Артикул: 35C612, BOLT
2Артикул: 6905043, HANDLE
3Артикул: 6714639, SPRING
Подробнее >
ПЛАНИРОВЩИК (ЦИЛИНДРЫ И САЙЛЕНТ-БЛОКИ) (40-- 991401036 И ВЫШЕ)

ПЛАНИРОВЩИК (ЦИЛИНДРЫ И САЙЛЕНТ-БЛОКИ) (40-- 991401036 И ВЫШЕ)

1Артикул: 6676810, RING,RETAINING
2Артикул: 6676811, PIN
3Артикул: 6676812, BUSHING
Подробнее >
ПЛАНИРОВЩИК (РАМА ШАССИ) (052300701 И ВЫШЕ) (303600101 И ВЫШЕ) (910200101 И ВЫШЕ) (910300101 И AB

ПЛАНИРОВЩИК (РАМА ШАССИ) (052300701 И ВЫШЕ) (303600101 И ВЫШЕ) (910200101 И ВЫШЕ) (910300101 И AB

1Артикул: 6650159, FRAME
2Артикул: 61D5, NUT
3Артикул: 4E5, WASHER
Подробнее >
ПЛАНИРОВЩИК (НАПРАВЛЯЮЩАЯ ТЯГА)

ПЛАНИРОВЩИК (НАПРАВЛЯЮЩАЯ ТЯГА)

1Артикул: 6662780, GUIDE ROD
2Артикул: 6662782, DECAL
3Артикул: 6662783, CHAIN Was NLA - D
Подробнее >
ПЛАНИРОВЩИК (СХЕМА ГИДРАВЛИЧЕСКОЙ СИСТЕМЫ ДВИГАТЕЛЯ) (853H)

ПЛАНИРОВЩИК (СХЕМА ГИДРАВЛИЧЕСКОЙ СИСТЕМЫ ДВИГАТЕЛЯ) (853H)

1Артикул: 6660547, HOSE
2Артикул: 6515597, QUICK COUPLER male - pipe threads
3Артикул: 7246777, COUPLER, FF MALE See BTI433att - Was 6674688 - A
Подробнее >
ПЛАНИРОВЩИК (СТУПИЦА АВТОТРАНСПОРТЕРА) (СТАНДАРТНЫЙ РАСХОД ПЛАНИРОВЩИК) (14-- AKS3)

ПЛАНИРОВЩИК (СТУПИЦА АВТОТРАНСПОРТЕРА) (СТАНДАРТНЫЙ РАСХОД ПЛАНИРОВЩИК) (14-- AKS3)

1Артикул: 6905613, CARRIER ASSY W/Ref. 2-12
2Артикул: 6988438, OIL, BOBCAT GEAR AND BEARING, 16OZ
3Артикул: 7176088, RING, RETAINER
Подробнее >
ПЛАНИРОВЩИК (УСТРОЙСТВО КОНТРОЛЯ ГЛУБИНЫ ДВИГАТЕЛЯ)

ПЛАНИРОВЩИК (УСТРОЙСТВО КОНТРОЛЯ ГЛУБИНЫ ДВИГАТЕЛЯ)

1Артикул: 6667954, MOTOR Ref. 2-19 - Eaton
2Артикул: 6667936, BOLT
3Артикул: 6667940, SEAL exclusion
Подробнее >
ПЛАНИРОВЩИК (ГИДРОЦИЛИНДР ПОДЪЕМА КУЗОВА) (18-- 2316) (18PLA AKS2) (24-- 2317) (24PLA AJN7)

ПЛАНИРОВЩИК (ГИДРОЦИЛИНДР ПОДЪЕМА КУЗОВА) (18-- 2316) (18PLA AKS2) (24-- 2317) (24PLA AJN7)

1Артикул: 6815562, CYLINDER Ref. 2-16
2Артикул: 6815568, CASE
3Артикул: 6815563, SHAFT
Подробнее >
ПЛАНИРОВЩИК (РЕГУЛИРУЮЩИЙ КЛАПАН) (ФРЕЗА ДЛЯ ОБРАБОТКИ БОРДЮРА) (15-- 234000101 И ВЫШЕ)

ПЛАНИРОВЩИК (РЕГУЛИРУЮЩИЙ КЛАПАН) (ФРЕЗА ДЛЯ ОБРАБОТКИ БОРДЮРА) (15-- 234000101 И ВЫШЕ)

1Артикул: 6669981, VALVE, CONTROL W/Ref. 2 - 26
2Артикул: 6671025, COIL
3Артикул: 6673986, SPOOL, VALVE
Подробнее >
ПЛАНИРОВЩИК (КОМПЛЕКТ ДВОЙНОГО ЖГУТА ПРОВОДОВ) (18-- 2316) (18PLA AKS2) (24-- 2317) (24PLA AJN7)

ПЛАНИРОВЩИК (КОМПЛЕКТ ДВОЙНОГО ЖГУТА ПРОВОДОВ) (18-- 2316) (18PLA AKS2) (24-- 2317) (24PLA AJN7)

1Артикул: 6725383, KIT Ref. 2-6 - Was 7164095 - D
2Артикул: 6719697, HARNESS Was 7162167 - B,D
3Артикул: 6664036, NUT
Подробнее >
ПЛАНИРОВЩИК (ДВИГАТЕЛЬ) (СТАНДАРТНЫЙ РАСХОД ПЛАНИРОВЩИК)(R921805367) (14-- 231200101 И ВЫШЕ)

ПЛАНИРОВЩИК (ДВИГАТЕЛЬ) (СТАНДАРТНЫЙ РАСХОД ПЛАНИРОВЩИК)(R921805367) (14-- 231200101 И ВЫШЕ)

1Артикул: MOTOR,14, MOTOR,14 STD PLNR See Illustration PLANER/ NA12765A - NLA - Ref. 2-27 - Order 7261335 motor - Was 6675290 - A
2Артикул: ROTARY, ROTARY GROUP NLA - Ref. 3-4 - Order 6677850 cam & 6686719 block - Was 6674390 - A
3Артикул: 6676953, CYLINDER BLOCK
Подробнее >
ПЛАНИРОВЩИК (СТУПИЦА АВТОТРАНСПОРТЕРА) (ФРЕЗА ДЛЯ ОБРАБОТКИ БОРДЮРА) (15-- 234000101 И ВЫШЕ)

ПЛАНИРОВЩИК (СТУПИЦА АВТОТРАНСПОРТЕРА) (ФРЕЗА ДЛЯ ОБРАБОТКИ БОРДЮРА) (15-- 234000101 И ВЫШЕ)

1Артикул: 6905613, CARRIER ASSY W/Ref. 2-12
2Артикул: 6988438, OIL, BOBCAT GEAR AND BEARING, 16OZ
3Артикул: 6672822, RING, RETAINER W/pin holes
Подробнее >
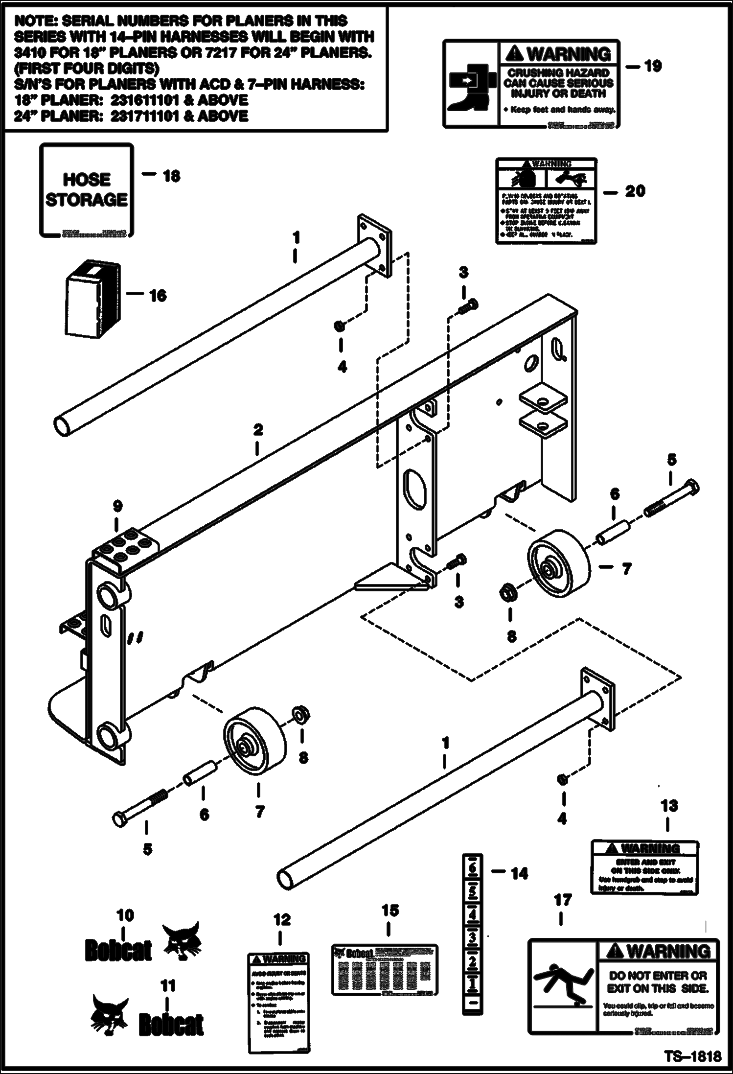
ПЛАНИРОВЩИК (РАМА ШАССИ) (18-- 3410 И 2316) (24-- 7217 И 2317)

ПЛАНИРОВЩИК (РАМА ШАССИ) (18-- 3410 И 2316) (24-- 7217 И 2317)

1Артикул: 6713473, SLIDE BAR
2Артикул: 6713465, MAIN FRAME
3Артикул: 17C824, BOLT 5
Подробнее >
ПЛАНИРОВЩИК (ДВИГАТЕЛЬ В СБОРЕ) (40-- 991400101 - 01035)

ПЛАНИРОВЩИК (ДВИГАТЕЛЬ В СБОРЕ) (40-- 991400101 - 01035)

1Артикул: 6676792, MOTOR ASSY WRef. 2-20
2Артикул: 6676793, NUT
3Артикул: 6676794, BOLT
Подробнее >
ПЛАНИРОВЩИК (ЦИЛИНДР НАКЛОНА) (40-- 991400101 - 01035)

ПЛАНИРОВЩИК (ЦИЛИНДР НАКЛОНА) (40-- 991400101 - 01035)

1Артикул: 6676843, CYLINDER, TILT Ref. 2-13
2Артикул: 6676840, ROD
3Артикул: 6676817, SEAL
Подробнее >
ПЛАНИРОВЩИК (УСТРОЙСТВО КОНТРОЛЯ ГЛУБИНЫ ЦИЛИНДРА) (40-- 991401036 И ВЫШЕ)

ПЛАНИРОВЩИК (УСТРОЙСТВО КОНТРОЛЯ ГЛУБИНЫ ЦИЛИНДРА) (40-- 991401036 И ВЫШЕ)

1Артикул: 6676838, CYLINDER, DEPTH CONTROL Ref. 2-14
2Артикул: 6676775, FITTING, GREASE
3Артикул: 6676829, ROD
Подробнее >
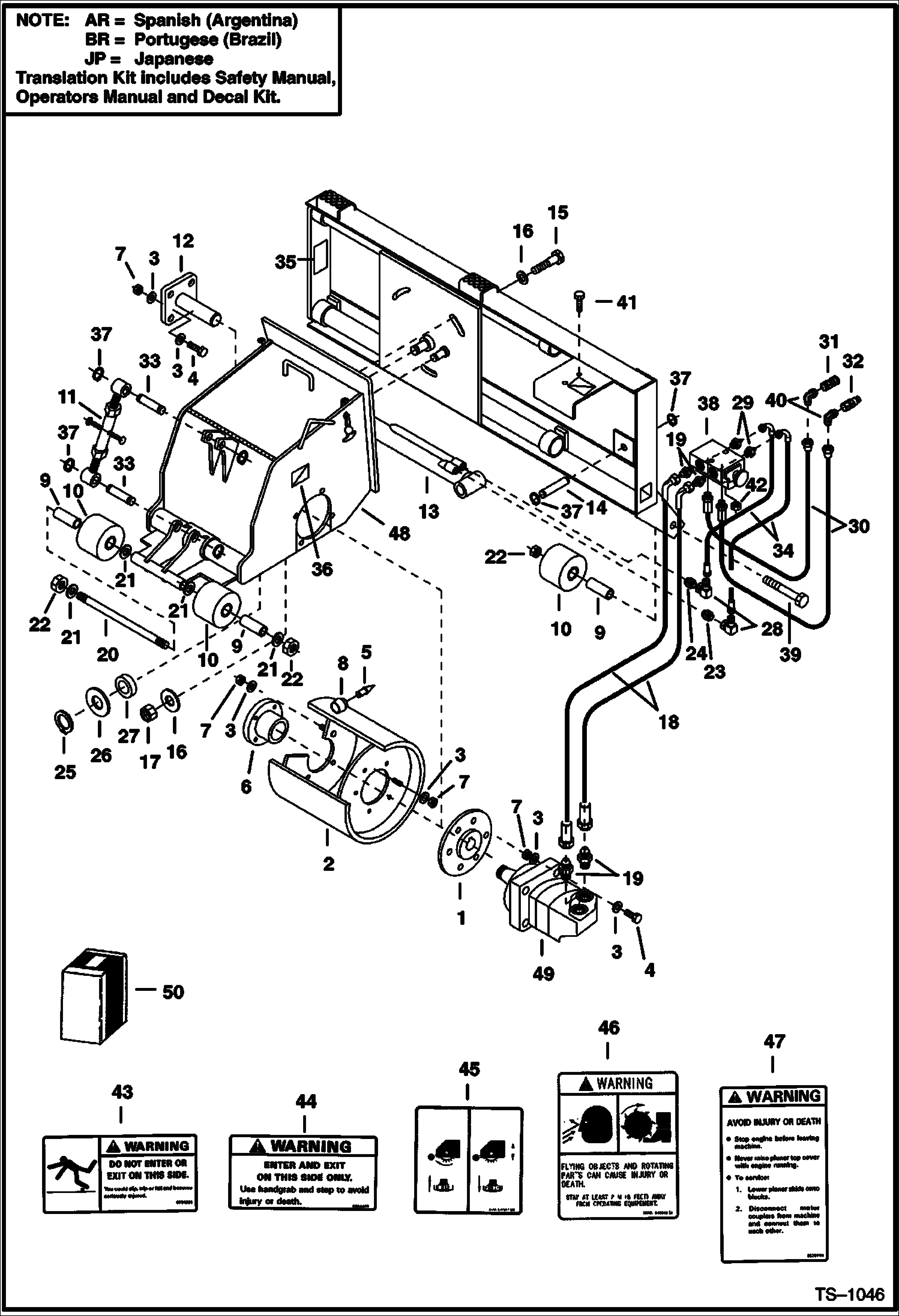
ПЛАНИРОВЩИК (ДВИГАТЕЛЬ) (052300101 - 00719) (303600101 - 00115)

ПЛАНИРОВЩИК (ДВИГАТЕЛЬ) (052300101 - 00719) (303600101 - 00115)

1Артикул: MOTOR, MOTOR See Illustration PLANER/ E2157 NLA - Poclain - ER 6662315 - Was 6651222 - A
2Артикул: BOLT, BOLT NLA - Used with .1875-- (4,76mm) - Was 6650206 - A
3Артикул: COVER, COVER NLA - W/Ref. 2 - .1875--(4,76mm) - Order Ref. 5, 31 & 33 - Was 6650205 - A
Подробнее >
ПЛАНИРОВЩИК (РАМА ШАССИ) (ФУГОВАЛЬНЫЙ СТАНОК) (16-- 231100101 И ВЫШЕ)

ПЛАНИРОВЩИК (РАМА ШАССИ) (ФУГОВАЛЬНЫЙ СТАНОК) (16-- 231100101 И ВЫШЕ)

1Артикул: 6713473, SLIDE BAR
2Артикул: 6713465, MAIN FRAME
3Артикул: 17C824, BOLT 5
Подробнее >
ПЛАНИРОВЩИК (КЛАПАН) (СТАНДАРТНЫЙ РАСХОД ПЛАНИРОВЩИК) (178100101 И ВЫШЕ)

ПЛАНИРОВЩИК (КЛАПАН) (СТАНДАРТНЫЙ РАСХОД ПЛАНИРОВЩИК) (178100101 И ВЫШЕ)

1Артикул: 6662062, VALVE W/Ref. 2 - 7
2Артикул: 6658541, KNOB
3Артикул: 6662980, RETAINING RING
Подробнее >
ПЛАНИРОВЩИК (КОМПЛЕКТ ДЕТАЛЕЙ РАСПЫЛИТЕЛЯ ФОРСУНКИ) (40-- 9914)

ПЛАНИРОВЩИК (КОМПЛЕКТ ДЕТАЛЕЙ РАСПЫЛИТЕЛЯ ФОРСУНКИ) (40-- 9914)

1Артикул: 7113092, KIT, NOZZLE SPRAY Ref. 2-28 - Was SALES - D
2Артикул: HOSE, HOSE NSS - 470 mm (18.5--) long - Order Ref. 20
3Артикул: HOSE, HOSE NSS - 178 mm (7--) long - Order Ref. 20
Подробнее >
ПЛАНИРОВЩИК (ПРЕДУПРЕЖДАЮЩИЕ ТАБЛИЧКИ) (40-- 991401036 И ВЫШЕ)

ПЛАНИРОВЩИК (ПРЕДУПРЕЖДАЮЩИЕ ТАБЛИЧКИ) (40-- 991401036 И ВЫШЕ)

1Артикул: 6726637, DECAL valve
2Артикул: 6726638, SAFETY TREAD 102mm (4--) x 851mm (33.5--)
3Артикул: 6726639, DECAL depth
Подробнее >
ПЛАНИРОВЩИК (ДВИГАТЕЛЬ) (ФУГОВАЛЬНЫЙ СТАНОК) (R921805368) (16-- 231100101 И ВЫШЕ)

ПЛАНИРОВЩИК (ДВИГАТЕЛЬ) (ФУГОВАЛЬНЫЙ СТАНОК) (R921805368) (16-- 231100101 И ВЫШЕ)

1Артикул: MOTOR,16, MOTOR,16 SF PLNR See Illustration PLANER/ NA12765 - NLA - Ref. 2-27 - Was 6675325 - A
2Артикул: 6676954, ROTARY GROUP W/Ref. 3 - 4
3Артикул: 6676953, CYLINDER BLOCK
Подробнее >
ПЛАНИРОВЩИК (ДВИГАТЕЛЬ) (18-- 341000329 - 00654) (24-- 721700161 - 00341)

ПЛАНИРОВЩИК (ДВИГАТЕЛЬ) (18-- 341000329 - 00654) (24-- 721700161 - 00341)

1Артикул: MOTOR, MOTOR See Illustration PLANER/ B15807 - NLA - Ref. 2-35 - Rexroth 5830-003-137 - Was 6675032 - A
2Артикул: 6690158, ROTOR GROUP Was 6675222 W/Ref 3, 4, 5, 6, &7 does not include Ref 8 - D
3Артикул: 6674036, RING
Подробнее >
ПЛАНИРОВЩИК (ГИДРАВЛИЧЕСКИЙ ТОРМОЗНОЙ КЛАПАН)

ПЛАНИРОВЩИК (ГИДРАВЛИЧЕСКИЙ ТОРМОЗНОЙ КЛАПАН)

1Артикул: 6649030, VALVE W/Ref. 2
2Артикул: 6649034, RELIEF VALVE 1500 PSI
3Артикул: 6649035, SEAL KIT
Подробнее >
ПЛАНИРОВЩИК (РАМА ШАССИ) (СТАНДАРТНЫЙ РАСХОД ПЛАНИРОВЩИК) (14-- AKS3)

ПЛАНИРОВЩИК (РАМА ШАССИ) (СТАНДАРТНЫЙ РАСХОД ПЛАНИРОВЩИК) (14-- AKS3)

1Артикул: 6670683, WHEEL W/Ref. 14
2Артикул: 7184316, MOUNT, BRACKET
3Артикул: 17C1288, BOLT
Подробнее >
ПЛАНИРОВЩИК (ЦИЛИНДР НАКЛОНА) (40-- 991401036 И ВЫШЕ)

ПЛАНИРОВЩИК (ЦИЛИНДР НАКЛОНА) (40-- 991401036 И ВЫШЕ)

1Артикул: 6676843, CYLINDER, TILT Ref. 2-13
2Артикул: 6676840, ROD
3Артикул: 6676817, SEAL
Подробнее >
ПЛАНИРОВЩИК (СХЕМА ГИДРАВЛИЧЕСКОЙ СИСТЕМЫ) (СТАНДАРТНЫЙ РАСХОД ПЛАНИРОВЩИК) (14-- AKS3)

ПЛАНИРОВЩИК (СХЕМА ГИДРАВЛИЧЕСКОЙ СИСТЕМЫ) (СТАНДАРТНЫЙ РАСХОД ПЛАНИРОВЩИК) (14-- AKS3)

1Артикул: 7246776, COUPLER, FF FEMALE See BTI433att - straight - Was 6687636 - A
2Артикул: 7246791, COUPLER, FF MALE See BTI433att - straight - Was 6688454 - A
3Артикул: 7192388, HOSE, HYD
Подробнее >
ПЛАНИРОВЩИК (КОРПУС) (СТАНДАРТНЫЙ РАСХОД ПЛАНИРОВЩИК) (14-- 231200101 И ВЫШЕ)

ПЛАНИРОВЩИК (КОРПУС) (СТАНДАРТНЫЙ РАСХОД ПЛАНИРОВЩИК) (14-- 231200101 И ВЫШЕ)

1Артикул: 35C612, BOLT
2Артикул: 6905043, HANDLE
3Артикул: 6714639, SPRING
Подробнее >
ПЛАНИРОВЩИК (ЦИЛИНДР ВЫНОСА) (ФУГОВАЛЬНЫЙ СТАНОК) (16-- 231100101 И ВЫШЕ)

ПЛАНИРОВЩИК (ЦИЛИНДР ВЫНОСА) (ФУГОВАЛЬНЫЙ СТАНОК) (16-- 231100101 И ВЫШЕ)

1Артикул: 7108418, CYLINDER W/Ref. 2 - 16 - Was 6587878 - A
2Артикул: 7108419, CASE Was 6587883 - A
3Артикул: 92D10, NUT
Подробнее >
ПЛАНИРОВЩИК (ДВИГАТЕЛЬ) (СТАНДАРТНЫЙ РАСХОД ПЛАНИРОВЩИК) (ВСПОМОГАТЕЛЬНЫЙ) (R921811658) (14-- 231200101 И ВЫШЕ)

ПЛАНИРОВЩИК (ДВИГАТЕЛЬ) (СТАНДАРТНЫЙ РАСХОД ПЛАНИРОВЩИК) (ВСПОМОГАТЕЛЬНЫЙ) (R921811658) (14-- 231200101 И ВЫШЕ)

1Артикул: 7261335, MOTOR, HYD Ref. 2-26
2Артикул: 7261720, HOUSING
3Артикул: 6687081, SCREW
Подробнее >
ПЛАНИРОВЩИК (ЭЛЕКТРИЧЕСКАЯ СИСТЕМА) (40-- 991401036 И ВЫШЕ)

ПЛАНИРОВЩИК (ЭЛЕКТРИЧЕСКАЯ СИСТЕМА) (40-- 991401036 И ВЫШЕ)

1Артикул: 7194131, HARNESS, INPUT 7-PIN
2Артикул: 6697951, CONTROLLER, ACD
3Артикул: 7177288, HARNESS, PLANER
Подробнее >
ПЛАНИРОВЩИК (СХЕМА ГИДРАВЛИЧЕСКОЙ СИСТЕМЫ ДВИГАТЕЛЯ) (843H)

ПЛАНИРОВЩИК (СХЕМА ГИДРАВЛИЧЕСКОЙ СИСТЕМЫ ДВИГАТЕЛЯ) (843H)

1Артикул: 79K12, O RING 10
2Артикул: 79K8, O RING 10
3Артикул: 6641358, COUPLER male - O-ring threads
Подробнее >
ПЛАНИРОВЩИК (РАМА ШАССИ) (СТАНДАРТНЫЙ РАСХОД ПЛАНИРОВЩИК) (14-- 231200101 И ВЫШЕ)

ПЛАНИРОВЩИК (РАМА ШАССИ) (СТАНДАРТНЫЙ РАСХОД ПЛАНИРОВЩИК) (14-- 231200101 И ВЫШЕ)

1Артикул: 6713473, SLIDE BAR
2Артикул: 6713465, MAIN FRAME
3Артикул: 17C824, BOLT 5
Подробнее >
ПЛАНИРОВЩИК (РЕГУЛИРУЮЩИЙ КЛАПАН) (18PLA AKS2) (24PLA AJN7)

ПЛАНИРОВЩИК (РЕГУЛИРУЮЩИЙ КЛАПАН) (18PLA AKS2) (24PLA AJN7)

1Артикул: 7011126, VALVE, CONTROL Ref. 2-31
2Артикул: 7020596, BLOCK, PORT
3Артикул: PLUG, PLUG NSS - Was 7008559 - A
Подробнее >
ПЛАНИРОВЩИК (КОНТУР ГИДРАВЛИЧЕСКОЙ СИСТЕМЫ БОКОВОГО ЦИЛИНДРА МЕХАНИЗМА ПЕРЕКЛЮЧЕНИЯ) (ДЛЯ РУКОВОДСТВА ПО ЭКСПЛУАТАЦИИ САЛАЗОК) (910300101 И ВЫШЕ)

ПЛАНИРОВЩИК (КОНТУР ГИДРАВЛИЧЕСКОЙ СИСТЕМЫ БОКОВОГО ЦИЛИНДРА МЕХАНИЗМА ПЕРЕКЛЮЧЕНИЯ) (ДЛЯ РУКОВОДСТВА ПО ЭКСПЛУАТАЦИИ САЛАЗОК) (910300101 И ВЫШЕ)

1Артикул: 6648969, QUICK COUPLER male
2Артикул: 7246787, COUPLER, FF MALE See BTI433att - Was 6667804 - A
3Артикул: 6669657, SEAL KIT
Подробнее >
ПЛАНИРОВЩИК (КОРПУС) (40-- 991401036 И ВЫШЕ)

ПЛАНИРОВЩИК (КОРПУС) (40-- 991401036 И ВЫШЕ)

1Артикул: 6676875, BOBTACH FRAME
2Артикул: 7108147, CONTAINER, MANUAL
3Артикул: 7267343, SPACER
Подробнее >
ПЛАНИРОВЩИК (БОКОВОЙ ЦИЛИНДР МЕХАНИЗМА ПЕРЕКЛЮЧЕНИЯ) (СТАНДАРТНЫЙ РАСХОД ПЛАНИРОВЩИК) (14-- 231200101 И ВЫШЕ)

ПЛАНИРОВЩИК (БОКОВОЙ ЦИЛИНДР МЕХАНИЗМА ПЕРЕКЛЮЧЕНИЯ) (СТАНДАРТНЫЙ РАСХОД ПЛАНИРОВЩИК) (14-- 231200101 И ВЫШЕ)

1Артикул: 7108418, CYLINDER W/Ref. 2 - 16 - Was 6587878 - A
2Артикул: 7108419, CASE Was 6587883 - A
3Артикул: 92D10, NUT
Подробнее >
ПЛАНИРОВЩИК (ПЕРЕДЕЛКА ШЛАНГА) (843H TO 853H)

ПЛАНИРОВЩИК (ПЕРЕДЕЛКА ШЛАНГА) (843H TO 853H)

1Артикул: 6515596, QUICK COUPLER
2Артикул: 6661099, HOSE
3Артикул: 6655148, ELBOW
Подробнее >
ПЛАНИРОВЩИК (РЕГУЛИРУЮЩИЙ КЛАПАН) (18-- 3410 И 2316) (24-- 7217 И 2317)

ПЛАНИРОВЩИК (РЕГУЛИРУЮЩИЙ КЛАПАН) (18-- 3410 И 2316) (24-- 7217 И 2317)

1Артикул: 6669981, VALVE, CONTROL W/Ref. 2 - 26
2Артикул: 6671025, COIL
3Артикул: 6673986, SPOOL, VALVE
Подробнее >
ПЛАНИРОВЩИК (ЦИЛИНДР) (СТАНДАРТНЫЙ РАСХОД ПЛАНИРОВЩИК) (178100101 И ВЫШЕ)

ПЛАНИРОВЩИК (ЦИЛИНДР) (СТАНДАРТНЫЙ РАСХОД ПЛАНИРОВЩИК) (178100101 И ВЫШЕ)

1Артикул: 6664253, CYLINDER W/Ref. 2 - 13
2Артикул: 6664327, CASE
3Артикул: 6673617, NUT Was 6664323 - A
Подробнее >
ПЛАНИРОВЩИК (ПРЕДУПРЕЖДАЮЩИЕ ТАБЛИЧКИ) (БЕЗ ТЕКСТА) (18-- 3410 И 2316) (24-- 7217 И 2317) (18PLA AKS2) (24PLA AJN7) (14-- AKS3)

ПЛАНИРОВЩИК (ПРЕДУПРЕЖДАЮЩИЕ ТАБЛИЧКИ) (БЕЗ ТЕКСТА) (18-- 3410 И 2316) (24-- 7217 И 2317) (18PLA AKS2) (24PLA AJN7) (14-- AKS3)

1Артикул: KIT,, KIT, DECAL NO-TEXT NLA - Ref. 3, 5, 7, 9 & 11 - Order components - Was 7196890 - A
2Артикул: 6701391, DECAL, EXIT
3Артикул: 7130141, DECAL, EXIT no-text
Подробнее >
ПЛАНИРОВЩИК (СХЕМА ГИДРАВЛИЧЕСКОЙ СИСТЕМЫ) (ФУГОВАЛЬНЫЙ СТАНОК) (16-- 231100101 И ВЫШЕ)

ПЛАНИРОВЩИК (СХЕМА ГИДРАВЛИЧЕСКОЙ СИСТЕМЫ) (ФУГОВАЛЬНЫЙ СТАНОК) (16-- 231100101 И ВЫШЕ)

1Артикул: 7246777, COUPLER, FF MALE See BTI433att - straight - Was 6674688 - A
2Артикул: 7246791, COUPLER, FF MALE See BTI433att - straight - high flow - 83,56 mm (3.29--) long - Was 6688454 - A
3Артикул: 7246790, COUPLER, FF FEMALE See BTI433att - straight - Faster #2FF112-34SAE-FL - Was 6672960 - A
Подробнее >
ПЛАНИРОВЩИК (ДВИГАТЕЛЬ) (СТАНДАРТНЫЙ РАСХОД ПЛАНИРОВЩИК) (ВСПОМОГАТЕЛЬНЫЙ) (R921811658) (14-- AKS3)

ПЛАНИРОВЩИК (ДВИГАТЕЛЬ) (СТАНДАРТНЫЙ РАСХОД ПЛАНИРОВЩИК) (ВСПОМОГАТЕЛЬНЫЙ) (R921811658) (14-- AKS3)

1Артикул: 7261335, MOTOR, HYD Ref. 2-26
2Артикул: 7261720, HOUSING
3Артикул: 6687081, SCREW
Подробнее >
ПЛАНИРОВЩИК (ДВИГАТЕЛЬ) (СТАНДАРТНЫЙ РАСХОД ПЛАНИРОВЩИК)(R921805367) (14-- AKS3)

ПЛАНИРОВЩИК (ДВИГАТЕЛЬ) (СТАНДАРТНЫЙ РАСХОД ПЛАНИРОВЩИК)(R921805367) (14-- AKS3)

1Артикул: MOTOR,14, MOTOR,14 STD PLNR See Illustration PLANER/ NA12765B - NLA - Ref. 2-27 - Order 7261335 motor - Was 6675290 - A
2Артикул: ROTOR, ROTOR GROUP NLA - Ref. 3 & 4 - Order 6677850 cam & 6686719 block - Was 6674390 - A
3Артикул: 6676953, CYLINDER BLOCK Was 6690158 - B,D
Подробнее >
ПЛАНИРОВЩИК (ДВИГАТЕЛЬ) (ФРЕЗА ДЛЯ ОБРАБОТКИ БОРДЮРА) (ВСПОМОГАТЕЛЬНЫЙ) (R921811694) (15-- 234000101 И ВЫШЕ)

ПЛАНИРОВЩИК (ДВИГАТЕЛЬ) (ФРЕЗА ДЛЯ ОБРАБОТКИ БОРДЮРА) (ВСПОМОГАТЕЛЬНЫЙ) (R921811694) (15-- 234000101 И ВЫШЕ)

1Артикул: 7261338, MOTOR, DRIVE HYD Ref. 2-28
2Артикул: 7261720, HOUSING
3Артикул: 6687081, SCREW
Подробнее >
ПЛАНИРОВЩИК (КОМПЛЕКТ ПРОТИВОВЕСОВ) (18-- 2316) (18PLA AKS2) (24-- 2317) (24PLA AJN7)

ПЛАНИРОВЩИК (КОМПЛЕКТ ПРОТИВОВЕСОВ) (18-- 2316) (18PLA AKS2) (24-- 2317) (24PLA AJN7)

1Артикул: 7189709, KIT, COUNTERWEIGHT Ref. 2-9 - 91 kg (200 lb)
2Артикул: 7129173, COUNTERWEIGHT 23 kg (50 lb)
3Артикул: 7189711, PLATE, THREADED
Подробнее >
ПЛАНИРОВЩИК (КЛАПАН ПЕРЕКЛЮЧЕНИЯ) (СТАНДАРТНЫЙ РАСХОД ПЛАНИРОВЩИК) (14-- 231200101 И ВЫШЕ)

ПЛАНИРОВЩИК (КЛАПАН ПЕРЕКЛЮЧЕНИЯ) (СТАНДАРТНЫЙ РАСХОД ПЛАНИРОВЩИК) (14-- 231200101 И ВЫШЕ)

1Артикул: 6905874, VALVE, SELECTOR W/Ref. 2 - 23
2Артикул: BLOCK, BLOCK NSS - Order Ref. 1 - Was 6675962 - A
3Артикул: 6675961, SPOOL
Подробнее >
ПЛАНИРОВЩИК (РАМА ШАССИ) (СТАНДАРТНЫЙ РАСХОД ПЛАНИРОВЩИК) (178100101 И ВЫШЕ)

ПЛАНИРОВЩИК (РАМА ШАССИ) (СТАНДАРТНЫЙ РАСХОД ПЛАНИРОВЩИК) (178100101 И ВЫШЕ)

1Артикул: 6669231, HUB
2Артикул: 6669232, DRUM
3Артикул: 25E21, WASHER 5
Подробнее >
ПЛАНИРОВЩИК (РАМА ШАССИ) (ФРЕЗА ДЛЯ ОБРАБОТКИ БОРДЮРА) (15-- 234000101 И ВЫШЕ)

ПЛАНИРОВЩИК (РАМА ШАССИ) (ФРЕЗА ДЛЯ ОБРАБОТКИ БОРДЮРА) (15-- 234000101 И ВЫШЕ)

1Артикул: 6714997, PIN
2Артикул: 22J16, SNAP RING Was 1320431
3Артикул: 6906958, PIN
Подробнее >
ПЛАНИРОВЩИК (КОРПУС) (СТАНДАРТНЫЙ РАСХОД ПЛАНИРОВЩИК) (14-- AKS3)

ПЛАНИРОВЩИК (КОРПУС) (СТАНДАРТНЫЙ РАСХОД ПЛАНИРОВЩИК) (14-- AKS3)

1Артикул: 6544654, BUSHING
2Артикул: 6713574, MOUNT
3Артикул: 6713575, MOUNT, SKI
Подробнее >
ПЛАНИРОВЩИК (ЦИЛИНДР УСТРОЙСТВА КОНТРОЛЯ ГЛУБИНЫ) (18--) (24--)

ПЛАНИРОВЩИК (ЦИЛИНДР УСТРОЙСТВА КОНТРОЛЯ ГЛУБИНЫ) (18--) (24--)

1Артикул: 6680632, CYLINDER Ref. 2-16 - Columbus Hydraulics
2Артикул: 6684462, CASE
3Артикул: 6684459, PISTON
Подробнее >
ПЛАНИРОВЩИК (ГИДРОСИСТЕМЫ) (910200102 И ВЫШЕ)

ПЛАНИРОВЩИК (ГИДРОСИСТЕМЫ) (910200102 И ВЫШЕ)

1Артикул: 1519324, PLUG
2Артикул: 1513549, CAP
3Артикул: 6648967, QUICK COUPLER female - poppet
Подробнее >
ПЛАНИРОВЩИК (ПОВОРОТНЫЙ ЦИЛИНДР) (ФРЕЗА ДЛЯ ОБРАБОТКИ БОРДЮРА) (15-- 234000101 И ВЫШЕ)

ПЛАНИРОВЩИК (ПОВОРОТНЫЙ ЦИЛИНДР) (ФРЕЗА ДЛЯ ОБРАБОТКИ БОРДЮРА) (15-- 234000101 И ВЫШЕ)

1Артикул: 6538415, CYLINDER W/Ref. 2 - 15
2Артикул: 6538419, CASE
3Артикул: 92D12, NUT
Подробнее >
ПЛАНИРОВЩИК (СХЕМА ГИДРАВЛИЧЕСКОЙ СИСТЕМЫ) (18PLA AKS2) (24PLA AJN7)

ПЛАНИРОВЩИК (СХЕМА ГИДРАВЛИЧЕСКОЙ СИСТЕМЫ) (18PLA AKS2) (24PLA AJN7)

1Артикул: 7248556, CLAMP, HOSE Was 6595353 - A
2Артикул: 6595356, PLATE
3Артикул: 6624289, STRAP, TIE
Подробнее >
ПЛАНИРОВЩИК (ПРЕДУПРЕЖДАЮЩИЕ ТАБЛИЧКИ)

ПЛАНИРОВЩИК (ПРЕДУПРЕЖДАЮЩИЕ ТАБЛИЧКИ)

1Артикул: 6594488, DECAL, WARNING Enter/Exit
2Артикул: 6701391, DECAL, EXIT
3Артикул: 6657349, DECAL Clean Hyd.
Подробнее >
ПЛАНИРОВЩИК (СХЕМА ГИДРАВЛИЧЕСКОЙ СИСТЕМЫ) (40-- 991401036 И ВЫШЕ)

ПЛАНИРОВЩИК (СХЕМА ГИДРАВЛИЧЕСКОЙ СИСТЕМЫ) (40-- 991401036 И ВЫШЕ)

1Артикул: 6676899, ADAPTER
2Артикул: 6678526, ADAPTER
3Артикул: 6676900, ADAPTER
Подробнее >
ПЛАНИРОВЩИК (РЕГУЛИРУЮЩИЙ КЛАПАН) (40-- 991401036 И ВЫШЕ)

ПЛАНИРОВЩИК (РЕГУЛИРУЮЩИЙ КЛАПАН) (40-- 991401036 И ВЫШЕ)

1Артикул: 7011126, VALVE, CONTROL Ref. 2-31
2Артикул: 7020596, BLOCK, PORT
3Артикул: PLUG, PLUG NSS - Was 7008559 - A
Подробнее >
ПЛАНИРОВЩИК (СХЕМА ГИДРАВЛИЧЕСКОЙ СИСТЕМЫ) (СТАНДАРТНЫЙ РАСХОД ПЛАНИРОВЩИК) (14-- 231200101 И ВЫШЕ)

ПЛАНИРОВЩИК (СХЕМА ГИДРАВЛИЧЕСКОЙ СИСТЕМЫ) (СТАНДАРТНЫЙ РАСХОД ПЛАНИРОВЩИК) (14-- 231200101 И ВЫШЕ)

1Артикул: 7246791, COUPLER, FF MALE See BTI433att - straight - Was 6688454 - A
2Артикул: 7246776, COUPLER, FF FEMALE See BTI433att - straight - Was 6687636 - A
3Артикул: 17KB1212, FITTING, HYD ELBOW 90 degree elbow (shown) - Was 17KV00008B - A
Подробнее >
ПЛАНИРОВЩИК (БОКОВОЙ ЦИЛИНДР МЕХАНИЗМА ПЕРЕКЛЮЧЕНИЯ) (18PLA AKS2) (24PLA AJN7)

ПЛАНИРОВЩИК (БОКОВОЙ ЦИЛИНДР МЕХАНИЗМА ПЕРЕКЛЮЧЕНИЯ) (18PLA AKS2) (24PLA AJN7)

1Артикул: 7176030, CYLINDER HYDRAULIC Ref. 2-14
2Артикул: 6516231, SEAL
3Артикул: 6538595, HEAD, CYL HYD
Подробнее >
ПЛАНИРОВЩИК (ЦИЛИНДР УСТРОЙСТВА КОНТРОЛЯ ГЛУБИНЫ) (40-- 991400101 - 01035)

ПЛАНИРОВЩИК (ЦИЛИНДР УСТРОЙСТВА КОНТРОЛЯ ГЛУБИНЫ) (40-- 991400101 - 01035)

1Артикул: 6676838, CYLINDER, DEPTH CONTROL Ref. 2-13
2Артикул: 6676829, ROD
3Артикул: 6676817, SEAL
Подробнее >
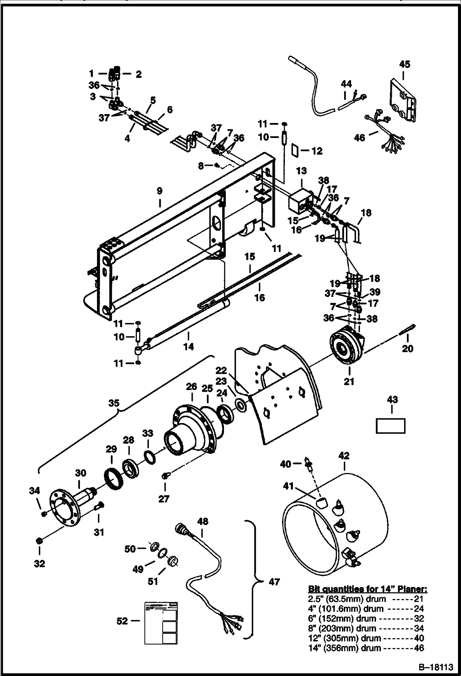
ПЛАНИРОВЩИК (БАРАБАН) (18PLA AKS2) (24PLA AJN7) (14-- AKS3)

ПЛАНИРОВЩИК (БАРАБАН) (18PLA AKS2) (24PLA AJN7) (14-- AKS3)

1Артикул: DRUM, DRUM SALES #6661408 - 152,4 mm (6--) wide - 34 bits
2Артикул: DRUM, DRUM SALES #7165473 - 203,2 mm (8--) wide - 34 bits
3Артикул: DRUM, DRUM SALES #7165485 - 304, 8 mm (12--) wide - 40 bits
Подробнее >
ПЛАНИРОВЩИК (БОКОВОЙ ЦИЛИНДР МЕХАНИЗМА ПЕРЕКЛЮЧЕНИЯ) (18--) (24--)

ПЛАНИРОВЩИК (БОКОВОЙ ЦИЛИНДР МЕХАНИЗМА ПЕРЕКЛЮЧЕНИЯ) (18--) (24--)

1Артикул: 7108418, CYLINDER W/Ref. 2 - 15 - Was 6587878 - A
2Артикул: 7108419, CASE Was 6587883 - A
3Артикул: 92D10, NUT
Подробнее >
ПЛАНИРОВЩИК (СХЕМА ГИДРАВЛИЧЕСКОЙ СИСТЕМЫ) (40-- 991400101 - 01035)

ПЛАНИРОВЩИК (СХЕМА ГИДРАВЛИЧЕСКОЙ СИСТЕМЫ) (40-- 991400101 - 01035)

1Артикул: 6676899, ADAPTER
2Артикул: 6676880, O-RING
3Артикул: 6676900, ADAPTER
Подробнее >
ПЛАНИРОВЩИК (ЦИЛИНДР УСТРОЙСТВА КОНТРОЛЯ ГЛУБИНЫ) (СТАНДАРТНЫЙ РАСХОД ПЛАНИРОВЩИК) (14-- 231200101 И ВЫШЕ)

ПЛАНИРОВЩИК (ЦИЛИНДР УСТРОЙСТВА КОНТРОЛЯ ГЛУБИНЫ) (СТАНДАРТНЫЙ РАСХОД ПЛАНИРОВЩИК) (14-- 231200101 И ВЫШЕ)

1Артикул: 6680632, CYLINDER Ref. 2-16 - Columbus Hydraulics
2Артикул: 6684462, CASE
3Артикул: 6684459, PISTON
Подробнее >
ПЛАНИРОВЩИК (ЦИЛИНДРЫ И САЙЛЕНТ-БЛОКИ) (40-- 991400101 - 01035)

ПЛАНИРОВЩИК (ЦИЛИНДРЫ И САЙЛЕНТ-БЛОКИ) (40-- 991400101 - 01035)

1Артикул: 6676810, RING,RETAINING
2Артикул: 6676811, PIN
3Артикул: 6676812, BUSHING
Подробнее >
ПЛАНИРОВЩИК (УСТРОЙСТВО КОНТРОЛЯ ГЛУБИНЫ ДВИГАТЕЛЯ) (052300720 И ВЫШЕ) (303600116 И ВЫШЕ)

ПЛАНИРОВЩИК (УСТРОЙСТВО КОНТРОЛЯ ГЛУБИНЫ ДВИГАТЕЛЯ) (052300720 И ВЫШЕ) (303600116 И ВЫШЕ)

1Артикул: MOTOR, MOTOR NLA - DanFoss - Order 6667954 - Was 6659882 - A
2Артикул: SEAL, SEAL NLA - Order 6660103 - Was 6660102 - A
3Артикул: HOUSING, HOUSING NSS
Подробнее >
ПЛАНИРОВЩИК (БОКОВОЙ ЦИЛИНДР МЕХАНИЗМА ПЕРЕКЛЮЧЕНИЯ) (СТАНДАРТНЫЙ РАСХОД ПЛАНИРОВЩИК) (14-- AKS3)

ПЛАНИРОВЩИК (БОКОВОЙ ЦИЛИНДР МЕХАНИЗМА ПЕРЕКЛЮЧЕНИЯ) (СТАНДАРТНЫЙ РАСХОД ПЛАНИРОВЩИК) (14-- AKS3)

1Артикул: 7176030, CYLINDER HYDRAULIC Ref. 2-14
2Артикул: 6516231, SEAL
3Артикул: 6538595, HEAD, CYL HYD
Подробнее >
ПЛАНИРОВЩИК (КОМПЛЕКТ НАПРАВЛЯЮЩИХ ТЯГ) (СТАНДАРТНЫЙ РАСХОД ПЛАНИРОВЩИК) (14-- 231200101 И ВЫШЕ)

ПЛАНИРОВЩИК (КОМПЛЕКТ НАПРАВЛЯЮЩИХ ТЯГ) (СТАНДАРТНЫЙ РАСХОД ПЛАНИРОВЩИК) (14-- 231200101 И ВЫШЕ)

1Артикул: 6905975, KIT, GUIDE ROD Ref. 2-10 - Was SALES - D
2Артикул: 6905198, INDICATOR
3Артикул: 31C616, SCREW
Подробнее >
ПЛАНИРОВЩИК (РУКОВОДСТВО ПОЛЬЗОВАТЕЛЯ И ГИДРАВЛИЧЕСКИЕ ПРИСПОСОБЛЕНИЯ ДЛЯ УСТАНОВКИ ПОЛОЗКОВ) (052300701 И ВЫШЕ) (303600101 И ВЫШЕ)

ПЛАНИРОВЩИК (РУКОВОДСТВО ПОЛЬЗОВАТЕЛЯ И ГИДРАВЛИЧЕСКИЕ ПРИСПОСОБЛЕНИЯ ДЛЯ УСТАНОВКИ ПОЛОЗКОВ) (052300701 И ВЫШЕ) (303600101 И ВЫШЕ)

1Артикул: 6650153, DECAL Use W/Ref. 2
2Артикул: 6905797, CRANK Was 6650169 - A
3Артикул: 6659868, ADAPTER See Illustration PLANER/ E2165 FOR SCREW ADJUSTERS DOES NOT INCLUDE REF. 5
Подробнее >
ПЛАНИРОВЩИК (СТУПИЦА АВТОТРАНСПОРТЕРА) (18PLA AKS2) (24PLA AJN7)

ПЛАНИРОВЩИК (СТУПИЦА АВТОТРАНСПОРТЕРА) (18PLA AKS2) (24PLA AJN7)

1Артикул: 6905613, CARRIER ASSY W/Ref. 2-12
2Артикул: 6988438, OIL, BOBCAT GEAR AND BEARING, 16OZ
3Артикул: 7176088, RING, RETAINER
Подробнее >
ПЛАНИРОВЩИК (КОРПУС) (18PLA AKS2) (24PLA AJN7)

ПЛАНИРОВЩИК (КОРПУС) (18PLA AKS2) (24PLA AJN7)

1Артикул: 6713574, MOUNT
2Артикул: 6713575, MOUNT, SKI
3Артикул: 6713578, SKID BAR
Подробнее >
ПЛАНИРОВЩИК (СХЕМА ГИДРАВЛИЧЕСКОЙ СИСТЕМЫ) (18-- 3410 И 2316) (24-- 7217 И 2317)

ПЛАНИРОВЩИК (СХЕМА ГИДРАВЛИЧЕСКОЙ СИСТЕМЫ) (18-- 3410 И 2316) (24-- 7217 И 2317)

1Артикул: 7246777, COUPLER, FF MALE See BTI433att - straight - Was 6674688 - A
2Артикул: 7246791, COUPLER, FF MALE See BTI433att - straight - high flow - 83,56 mm (3.29--) long - Was 6688454 - A
3Артикул: 7246790, COUPLER, FF FEMALE See BTI433att - straight - Faster #2FF112-34SAE-FL - Was 6672960 - A
Подробнее >
ПЛАНИРОВЩИК (КОМПЛЕКТ ГИДРОУСТРОЙСТВ ПОДЪЕМА) (18-- 2316) (18PLA AKS2) (24-- 2317) (24PLA AJN7)

ПЛАНИРОВЩИК (КОМПЛЕКТ ГИДРОУСТРОЙСТВ ПОДЪЕМА) (18-- 2316) (18PLA AKS2) (24-- 2317) (24PLA AJN7)

1Артикул: 7195012, KIT, TILT HYD Ref. 2-20
2Артикул: 6815562, CYLINDER See Illustration PLANER/ PE2507
3Артикул: 7015396, VALVE, DIVERTER See Illustration PLANER/ NA6414
Подробнее >
ПЛАНИРОВЩИК (СХЕМА ГИДРАВЛИЧЕСКОЙ СИСТЕМЫ) (ФРЕЗА ДЛЯ ОБРАБОТКИ БОРДЮРА) (15-- 234000101 И ВЫШЕ)

ПЛАНИРОВЩИК (СХЕМА ГИДРАВЛИЧЕСКОЙ СИСТЕМЫ) (ФРЕЗА ДЛЯ ОБРАБОТКИ БОРДЮРА) (15-- 234000101 И ВЫШЕ)

1Артикул: 7246777, COUPLER, FF MALE See BTI433att - straight - Was 6674688 - A
2Артикул: 7246791, COUPLER, FF MALE See BTI433att - straight - high flow - 83,56 mm (3.29--) long - Was 6688454 - A
3Артикул: 7246790, COUPLER, FF FEMALE See BTI433att - straight - Faster #2FF112-34SAE-FL - Was 6672960 - A
Подробнее >
ПЛАНИРОВЩИК (ЦИЛИНДР УСТРОЙСТВА КОНТРОЛЯ ГЛУБИНЫ) (ФУГОВАЛЬНЫЙ СТАНОК) (16-- 231100101 И ВЫШЕ)

ПЛАНИРОВЩИК (ЦИЛИНДР УСТРОЙСТВА КОНТРОЛЯ ГЛУБИНЫ) (ФУГОВАЛЬНЫЙ СТАНОК) (16-- 231100101 И ВЫШЕ)

1Артикул: 6680632, CYLINDER Ref. 2-16 - Columbus Hydraulics
2Артикул: 6684462, CASE
3Артикул: 6684459, PISTON
Подробнее >
ПЛАНИРОВЩИК (КОМПЛЕКТ НАПРАВЛЯЮЩИХ ТЯГ) (18--) (24--)

ПЛАНИРОВЩИК (КОМПЛЕКТ НАПРАВЛЯЮЩИХ ТЯГ) (18--) (24--)

1Артикул: 7255036, KIT, GUIDE ROD 24-- Planer - Ref. 2-10 - Was SALES #6905199 - D
2Артикул: 6716451, KIT, GUIDE ROD 18-- planer - Ref. 2-10 - Was SALES - D
3Артикул: 6905198, INDICATOR
Подробнее >
ПЛАНИРОВЩИК (РАСПРЕДЕЛИТЕЛЬНЫЙ КЛАПАН) (18-- 2316) (18PLA AKS2) (24-- 2317) (24PLA AJN7)

ПЛАНИРОВЩИК (РАСПРЕДЕЛИТЕЛЬНЫЙ КЛАПАН) (18-- 2316) (18PLA AKS2) (24-- 2317) (24PLA AJN7)

1Артикул: 7015396, VALVE, DIVERTER Ref. 1-5
2Артикул: BLOCK, BLOCK NSS
3Артикул: SOLENOID, SOLENOID NLA - Order Ref. 1 - Was 7024426 - A
Подробнее >
ПЛАНИРОВЩИК (ДВИГАТЕЛЬ В СБОРЕ) (40-- 9914 И ВЫШЕ)

ПЛАНИРОВЩИК (ДВИГАТЕЛЬ В СБОРЕ) (40-- 9914 И ВЫШЕ)

1Артикул: 7265294, MOTOR, DRIVE HYD Ref. 2-27
2Артикул: 6676793, NUT
3Артикул: 6676794, BOLT
Подробнее >
ПЛАНИРОВЩИК (КОРПУС) (18-- 3410 И 2316) (24-- 7217 И 2317)

ПЛАНИРОВЩИК (КОРПУС) (18-- 3410 И 2316) (24-- 7217 И 2317)

1Артикул: 35C612, BOLT
2Артикул: 6905043, HANDLE
3Артикул: 6714639, SPRING
Подробнее >
ПЛАНИРОВЩИК (РЕГУЛИРУЮЩИЙ КЛАПАН) (ФУГОВАЛЬНЫЙ СТАНОК) (16-- 231100101 И ВЫШЕ)

ПЛАНИРОВЩИК (РЕГУЛИРУЮЩИЙ КЛАПАН) (ФУГОВАЛЬНЫЙ СТАНОК) (16-- 231100101 И ВЫШЕ)

1Артикул: 6669981, VALVE, CONTROL W/Ref. 2 - 26
2Артикул: 6671025, COIL
3Артикул: 6673986, SPOOL, VALVE
Подробнее >
ПЛАНИРОВЩИК (ДВИГАТЕЛЬ)

ПЛАНИРОВЩИК (ДВИГАТЕЛЬ)

1Артикул: 6674098, MOTOR Rexroth 5840-003-016
2Артикул: 6674051, BOLT Was 6674052 - D
3Артикул: 6660042, COVER
Подробнее >
ПЛАНИРОВЩИК (РЕГУЛИРУЮЩИЙ КЛАПАН) (40-- 991400101 - 01035)

ПЛАНИРОВЩИК (РЕГУЛИРУЮЩИЙ КЛАПАН) (40-- 991400101 - 01035)

1Артикул: 6669981, VALVE, CONTROL W/Ref. 2 - 27
2Артикул: 6671025, COIL
3Артикул: 6673986, SPOOL, VALVE
Подробнее >
ПЛАНИРОВЩИК (ГИДРАВЛИЧЕСКИЙ КЛАПАН) (303600101 И ВЫШЕ)

ПЛАНИРОВЩИК (ГИДРАВЛИЧЕСКИЙ КЛАПАН) (303600101 И ВЫШЕ)

1Артикул: VALVE, VALVE NLA - Order 6661385 & 6661363
2Артикул: 6661385, VALVE Ref. 2 - 18 - 2 GPM -
3Артикул: 6661385, VALVE W/Weather Pack Connectors
Подробнее >
ПЛАНИРОВЩИК (СХЕМА ГИДРАВЛИЧЕСКОЙ СИСТЕМЫ ДВИГАТЕЛЯ) (843H) (910300101 И ВЫШЕ) (910200101 И ВЫШЕ)

ПЛАНИРОВЩИК (СХЕМА ГИДРАВЛИЧЕСКОЙ СИСТЕМЫ ДВИГАТЕЛЯ) (843H) (910300101 И ВЫШЕ) (910200101 И ВЫШЕ)

1Артикул: 6667542, HOSE
2Артикул: 6648970, QUICK COUPLER male - poppet
3Артикул: 7246777, COUPLER, FF MALE See BTI433att - Was 6674688 - A
Подробнее >
ПЛАНИРОВЩИК (ДВИГАТЕЛЬ) (ФУГОВАЛЬНЫЙ СТАНОК) (ВСПОМОГАТЕЛЬНЫЙ) (R921811695) (16-- 231100101 И ВЫШЕ)

ПЛАНИРОВЩИК (ДВИГАТЕЛЬ) (ФУГОВАЛЬНЫЙ СТАНОК) (ВСПОМОГАТЕЛЬНЫЙ) (R921811695) (16-- 231100101 И ВЫШЕ)

1Артикул: 7261336, MOTOR, HYD Ref. 2-26
2Артикул: 7261720, HOUSING
3Артикул: 6687081, SCREW
Подробнее >
ПЛАНИРОВЩИК (КОМПЛЕКТ ДЕТАЛЕЙ РАСПЫЛИТЕЛЯ ФОРСУНКИ)

ПЛАНИРОВЩИК (КОМПЛЕКТ ДЕТАЛЕЙ РАСПЫЛИТЕЛЯ ФОРСУНКИ)

1Артикул: 7113709, KIT, NOZZLE SPRAY Ref. 2-16 - Was SALES - D
2Артикул: 6655687, FITTING, TEE W/Nut
3Артикул: 6655688, FITTING, ELBOW W/Nut
Подробнее >
ПЛАНИРОВЩИК (КОМПЛЕКТ НАПРАВЛЯЮЩИХ ТЯГ) (СТАНДАРТНЫЙ РАСХОД ПЛАНИРОВЩИК) (14-- AKS3)

ПЛАНИРОВЩИК (КОМПЛЕКТ НАПРАВЛЯЮЩИХ ТЯГ) (СТАНДАРТНЫЙ РАСХОД ПЛАНИРОВЩИК) (14-- AKS3)

1Артикул: 6905975, KIT, GUIDE ROD Ref. 2-10 - Was SALES - D
2Артикул: 6905198, INDICATOR
3Артикул: 31C616, SCREW
Подробнее >
ПЛАНИРОВЩИК (ДВИГАТЕЛЬ) (18-- 341000101 - 00328) (24-- 721700101 - 00160)

ПЛАНИРОВЩИК (ДВИГАТЕЛЬ) (18-- 341000101 - 00328) (24-- 721700101 - 00160)

1Артикул: MOTOR, MOTOR See Illustration PLANER/ B15807 - NLA - Rexroth 5830-003-092 - Was 6672852 - A
2Артикул: 6674028, ROTARY GROUP W/Ref. 3 - 8
3Артикул: 6674036, RING
Подробнее >
ПЛАНИРОВЩИК (КОМПЛЕКТ ОБРАТНЫХ КЛАПАНОВ) (40-- 9914)

ПЛАНИРОВЩИК (КОМПЛЕКТ ОБРАТНЫХ КЛАПАНОВ) (40-- 9914)

1Артикул: KIT,, KIT, VALVE CHECK NLA - Order Ref. 2 & 3 - Was 7276339
2Артикул: 7276340, VALVE, CHECK
3Артикул: 7276364ENUS, INSTRUCTIONS Was 7276364 - D
Подробнее >
ПЛАНИРОВЩИК (ДВИГАТЕЛЬ) (ВСПОМОГАТЕЛЬНЫЙ) (R921811694)

ПЛАНИРОВЩИК (ДВИГАТЕЛЬ) (ВСПОМОГАТЕЛЬНЫЙ) (R921811694)

1Артикул: 7261338, MOTOR, DRIVE HYD Ref. 2-28
2Артикул: 7261720, HOUSING
3Артикул: 6687081, SCREW
Подробнее >
ПЛАНИРОВЩИК (БОКОВОЙ ЦИЛИНДР МЕХАНИЗМА ПЕРЕКЛЮЧЕНИЯ) (40-- 991401036 И ВЫШЕ)

ПЛАНИРОВЩИК (БОКОВОЙ ЦИЛИНДР МЕХАНИЗМА ПЕРЕКЛЮЧЕНИЯ) (40-- 991401036 И ВЫШЕ)

1Артикул: 7020841, CYLINDER, SHIFT SIDE Ref. 2-14
2Артикул: 6676817, SEAL
3Артикул: 6676818, HEAD
Подробнее >
ПЛАНИРОВЩИК (РАМА ШАССИ) (18PLA AKS2) (24PLA AJN7)

ПЛАНИРОВЩИК (РАМА ШАССИ) (18PLA AKS2) (24PLA AJN7)

1Артикул: 7184316, MOUNT, BRACKET
2Артикул: 6670683, WHEEL W/Ref. 14
3Артикул: 17C1288, BOLT
Подробнее >
ПЛАНИРОВЩИК (РЕГУЛИРУЮЩИЙ КЛАПАН) (СТАНДАРТНЫЙ РАСХОД ПЛАНИРОВЩИК) (14-- 231200101 И ВЫШЕ)

ПЛАНИРОВЩИК (РЕГУЛИРУЮЩИЙ КЛАПАН) (СТАНДАРТНЫЙ РАСХОД ПЛАНИРОВЩИК) (14-- 231200101 И ВЫШЕ)

1Артикул: 6669981, VALVE, CONTROL W/Ref. 2 - 26
2Артикул: 6671025, COIL
3Артикул: 6673986, SPOOL, VALVE
Подробнее >
ПЛАНИРОВЩИК (ДВИГАТЕЛЬ) (R921805381) (18PLA AKS2) (24PLA AJN7)

ПЛАНИРОВЩИК (ДВИГАТЕЛЬ) (R921805381) (18PLA AKS2) (24PLA AJN7)

1Артикул: MOTOR, MOTOR ASSY See Illustration PLANER/ NA12766B - NLA - Ref. 2-24 - Order 7261337 motor - Was 6676485 - A
2Артикул: 6690158, ROTOR GROUP
3Артикул: 7020785, HOUSING, REAR Ref. 7 & 13-24
Подробнее >
ПЛАНИРОВЩИК (БОКОВОЙ ЦИЛИНДР МЕХАНИЗМА ПЕРЕКЛЮЧЕНИЯ)

ПЛАНИРОВЩИК (БОКОВОЙ ЦИЛИНДР МЕХАНИЗМА ПЕРЕКЛЮЧЕНИЯ)

1Артикул: 6532198, CYLINDER W/Ref. 2 - 13
2Артикул: 6532201, ROD
3Артикул: 6532204, HEAD
Подробнее >