+7 (701) 588 50 05 Телефон для связи
RU

WhatsApp

Позвонить

ПОГРУЗЧИК в Алматы

ВИБРАЦИОННЫЙ ПЛУГ - VP12 ПРИВОДНОЙ ЭЛЕКТРОДВИГАТЕЛЬ

ВИБРАЦИОННЫЙ ПЛУГ - VP12 ПРИВОДНОЙ ЭЛЕКТРОДВИГАТЕЛЬ

1Артикул: 6685989, MOTOR W/Ref. 2 - 19
2Артикул: HOUSING, HOUSING NSS
3Артикул: 6686375, COVER
Подробнее >
ВИБРАЦИОННЫЙ ПЛУГ - VP12 ОТВАЛ

ВИБРАЦИОННЫЙ ПЛУГ - VP12 ОТВАЛ

1Артикул: BLADE, BLADE NLA - 20 degrees - 6-- to 12-- depth - Was SALES #7100490 - D
2Артикул: BLADE, BLADE SALES #7100491 - 30 degrees - 6-- to 12-- depth
3Артикул: BLADE, BLADE NLA - 20 degrees - 12-- to 18-- depth - Was SALES #7100492 - D
Подробнее >
ВИБРАЦИОННЫЙ ПЛУГ ВИБРАТОР В СБОРЕ

ВИБРАЦИОННЫЙ ПЛУГ ВИБРАТОР В СБОРЕ

1Артикул: 6686032, VIBRATOR Ref. 2 - 14
2Артикул: 6674787, HOUSING top
3Артикул: 6674788, HOUSING bottom
Подробнее >
ВИБРАЦИОННЫЙ ПЛУГ - VP12 УСТАНОВКА КАБЕЛЬНОГО БАРАБАНА

ВИБРАЦИОННЫЙ ПЛУГ - VP12 УСТАНОВКА КАБЕЛЬНОГО БАРАБАНА

1Артикул: 7100501, KIT, REEL MOUNT Ref. 2-10
2Артикул: 6686027, WASHER
3Артикул: 6686028, MOUNT cable reel
Подробнее >
ВИБРАЦИОННЫЙ ПЛУГ - VP12 ПОДЪЕМНОЕ ОБОРУДОВАНИЕ

ВИБРАЦИОННЫЙ ПЛУГ - VP12 ПОДЪЕМНОЕ ОБОРУДОВАНИЕ

1Артикул: 7102514, CABLE PULL for cable dia. 0.50-- - 0.99--
2Артикул: 7100498, CABLE PULL for cable dia. 1.00-- - 1.24--
3Артикул: 7102515, CABLE PULL for cable dia. 1.25-- - 1.49--
Подробнее >
ВИБРАЦИОННЫЙ ПЛУГ - VP12 ОТВАЛ С ЖЕЛОБОМ

ВИБРАЦИОННЫЙ ПЛУГ - VP12 ОТВАЛ С ЖЕЛОБОМ

1Артикул: BLADE, BLADE W/CHUTE NLA - 20 degrees - 6-- to 12-- depth - W/Ref. 5 & 6 - Was SALES #7100494 - D
2Артикул: BLADE, BLADE W/CHUTE SALES #7100495 - 30 degrees - 6-- to 12-- depth - W/Ref. 5 & 6
3Артикул: BLADE, BLADE W/CHUTE NLA - 20 degrees - 12-- to 18-- depth - W/Ref. 5 & 7 - Was SALES #7100496 - D
Подробнее >
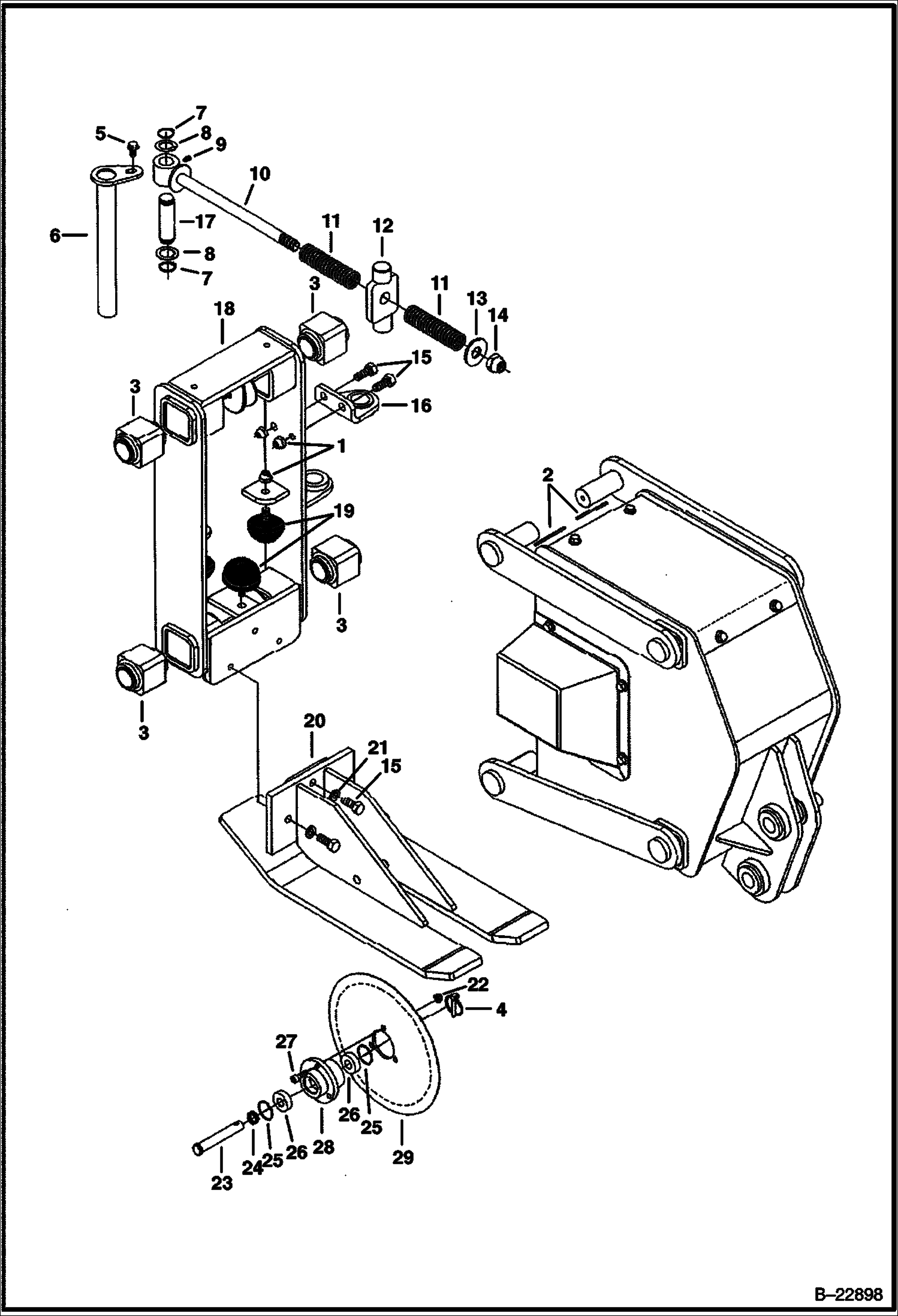
ВИБРАЦИОННЫЙ ПЛУГ - VP12 РАМА ШАССИ

ВИБРАЦИОННЫЙ ПЛУГ - VP12 РАМА ШАССИ

1Артикул: 85D8, NUT, 5
2Артикул: 6685993, KEY
3Артикул: 6685997, BUSHING
Подробнее >
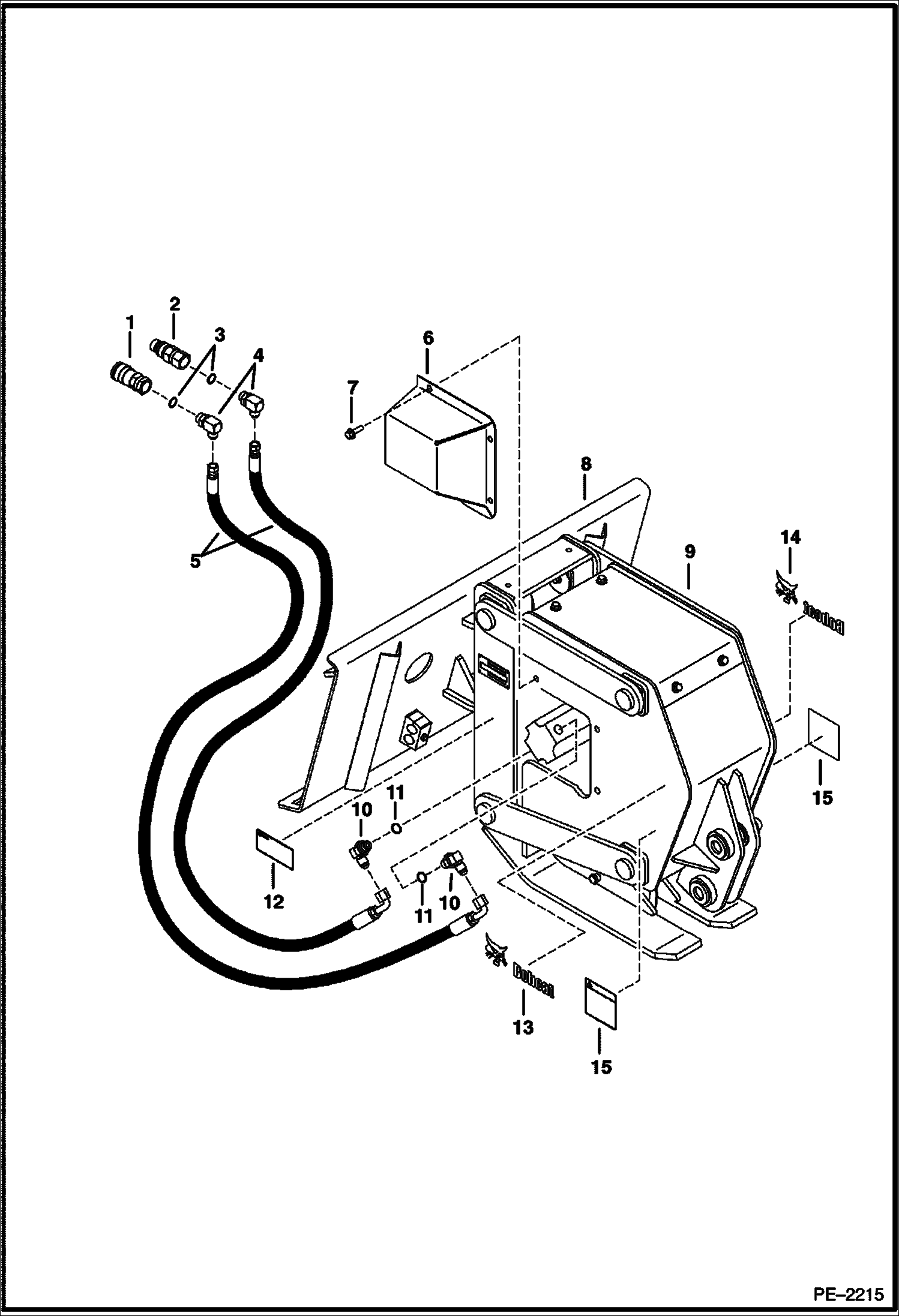
ВИБРАЦИОННЫЙ ПЛУГ - VP12 ГИДРОСИСТЕМЫ

ВИБРАЦИОННЫЙ ПЛУГ - VP12 ГИДРОСИСТЕМЫ

1Артикул: 7246790, COUPLER, FF FEMALE See BTI433att - straight - Was 6672960 - A
2Артикул: 7246777, COUPLER, FF MALE See BTI433att - straight - Was 6674688 - A
3Артикул: 79K12, O RING 10
Подробнее >
ПРИКАТЫВАЮЩИЙ КАТОК ВИБРАЦИОННОГО ПЛУГА

ПРИКАТЫВАЮЩИЙ КАТОК ВИБРАЦИОННОГО ПЛУГА

1Артикул: 6676959, BEARING, WHEEL PACKER
2Артикул: 6806645, BASE
3Артикул: 6806654, WHEEL
Подробнее >