+7 (701) 588 50 05 Телефон для связи
RU

WhatsApp

Позвонить

ПОГРУЗЧИК в Алматы

РАЗБРОСНАЯ СЕЯЛКА (КОНТРОЛЛЕР И ПРОВОДКА) (0064)

РАЗБРОСНАЯ СЕЯЛКА (КОНТРОЛЛЕР И ПРОВОДКА) (0064)

1Артикул: 6679535, HARNESS For Truck Mount
2Артикул: 6683284, HARNESS For Loader Mount
3Артикул: 6679536, CONTROLLER
Подробнее >
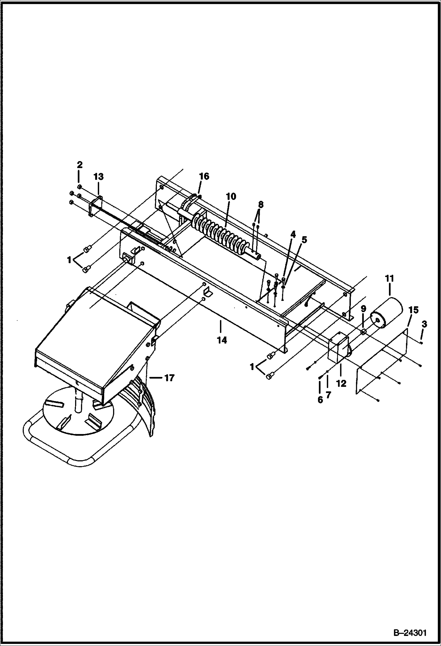
РАЗБРОСНАЯ СЕЯЛКА (ПРИВОД В СБОРЕ) (0064)

РАЗБРОСНАЯ СЕЯЛКА (ПРИВОД В СБОРЕ) (0064)

1Артикул: 6683286, DRIVE ASSY W/Ref. 2-17
2Артикул: 6679525, TRANSMISSION std ratio = 8 to 1
3Артикул: 7018030, TRANSMISSION, COMPLETE ASSY slow speed ratio = 14.5 to 1
Подробнее >
УСТРОЙСТВО ДЛЯ ОЧИСТКИ ПЕСКА (КОМПЛЕКТ ЗАДНИХ ФОНАРЕЙ) (SP12) (0066)

УСТРОЙСТВО ДЛЯ ОЧИСТКИ ПЕСКА (КОМПЛЕКТ ЗАДНИХ ФОНАРЕЙ) (SP12) (0066)

1Артикул: 7164478, KIT, LIGHTS ROAD
2Артикул: LIGHT,, LIGHT, ASSY REAR NLA - whole red/amber light assembly - Order RH or LH light assembly PN 7104670 or 7104671 - Was 7101384 - A
3Артикул: 7164312, HARNESS, KIT ROAD
Подробнее >
УСТРОЙСТВО ДЛЯ ОЧИСТКИ ПЕСКА (ЭЛЕКТРИЧЕСКАЯ СИСТЕМА) (SP12) (0066)

УСТРОЙСТВО ДЛЯ ОЧИСТКИ ПЕСКА (ЭЛЕКТРИЧЕСКАЯ СИСТЕМА) (SP12) (0066)

1Артикул: 6679528, CABLE power - 24-- long
2Артикул: 6679524, MOTOR fan - Was 6686110 - A
3Артикул: 6686111, MOTOR auger
Подробнее >
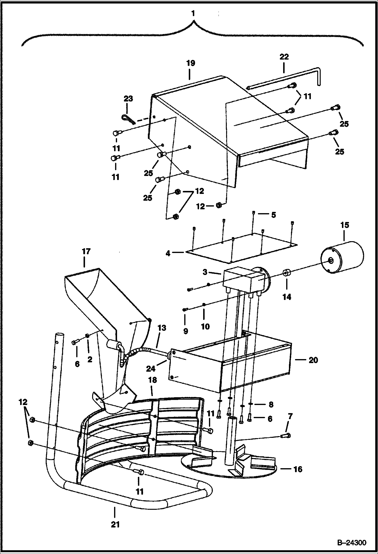
РАЗБРОСНАЯ СЕЯЛКА (БУНКЕР ДЛЯ ЗАГРУЗКИ И РАМА ШАССИ) (0064)

РАЗБРОСНАЯ СЕЯЛКА (БУНКЕР ДЛЯ ЗАГРУЗКИ И РАМА ШАССИ) (0064)

1Артикул: 17C824, BOLT 5
2Артикул: 85D8, NUT, 5
3Артикул: 17C616, BOLT 5
Подробнее >
УСТРОЙСТВО ДЛЯ ОЧИСТКИ ПЕСКА (СТЯЖНЫЕ РЕМНИ) (SP12) (0066)

УСТРОЙСТВО ДЛЯ ОЧИСТКИ ПЕСКА (СТЯЖНЫЕ РЕМНИ) (SP12) (0066)

1Артикул: 6686113, STRAP
2Артикул: 6686131, BRACKET R.H. adjustment stop
3Артикул: 6686136, BRACKET L.H. adjustment stop
Подробнее >
РАЗБРОСНАЯ СЕЯЛКА (ЦИЛИНДР СИСТЕМЫ ВПУСКА) (0064)

РАЗБРОСНАЯ СЕЯЛКА (ЦИЛИНДР СИСТЕМЫ ВПУСКА) (0064)

1Артикул: KIT,, KIT, ASSEMBLY GATE NLA - Ref. 2-17 - Order components - Was SALES #6731703 - D
2Артикул: 85D5, NUT 5
3Артикул: BOLT, BOLT NLA - Was 15G000508B - A
Подробнее >
УСТРОЙСТВО ДЛЯ ОЧИСТКИ ПЕСКА (ПРИВОД БУРА) (SP12) (0066)

УСТРОЙСТВО ДЛЯ ОЧИСТКИ ПЕСКА (ПРИВОД БУРА) (SP12) (0066)

1Артикул: 17C816, BOLT
2Артикул: 85D6, NUT, 5
3Артикул: 6679531, 6 RIVET
Подробнее >
УСТРОЙСТВО ДЛЯ ОЧИСТКИ ПЕСКА (ЦЕНТРОБЕЖНЫЙ ПРИВОД) (SP12) (0066)

УСТРОЙСТВО ДЛЯ ОЧИСТКИ ПЕСКА (ЦЕНТРОБЕЖНЫЙ ПРИВОД) (SP12) (0066)

1Артикул: 6690155, TRANSMISSION ASSY W/Ref. 2 - 25
2Артикул: 85D4, NUT 5
3Артикул: 6679525, TRANSMISSION
Подробнее >
РАЗБРОСНАЯ СЕЯЛКА (КОМПЛЕКТ ДЛЯ РАБОТЫ НА ТРОТУАРЕ) (HS8 AC1N)

РАЗБРОСНАЯ СЕЯЛКА (КОМПЛЕКТ ДЛЯ РАБОТЫ НА ТРОТУАРЕ) (HS8 AC1N)

1Артикул: 7157412, KIT, SPREADER SIDEWALK 8 Ref. 2-6
2Артикул: 6698653, DEFLECTOR, RH
3Артикул: 6698654, DEFLECTOR, LH
Подробнее >
УСТРОЙСТВО ДЛЯ ОЧИСТКИ ПЕСКА (РАМА И БУНКЕР ДЛЯ ЗАГРУЗКИ) (SP12) (0066)

УСТРОЙСТВО ДЛЯ ОЧИСТКИ ПЕСКА (РАМА И БУНКЕР ДЛЯ ЗАГРУЗКИ) (SP12) (0066)

1Артикул: 17C816, BOLT
2Артикул: 17C824, BOLT 5
3Артикул: 25E21, WASHER 5
Подробнее >
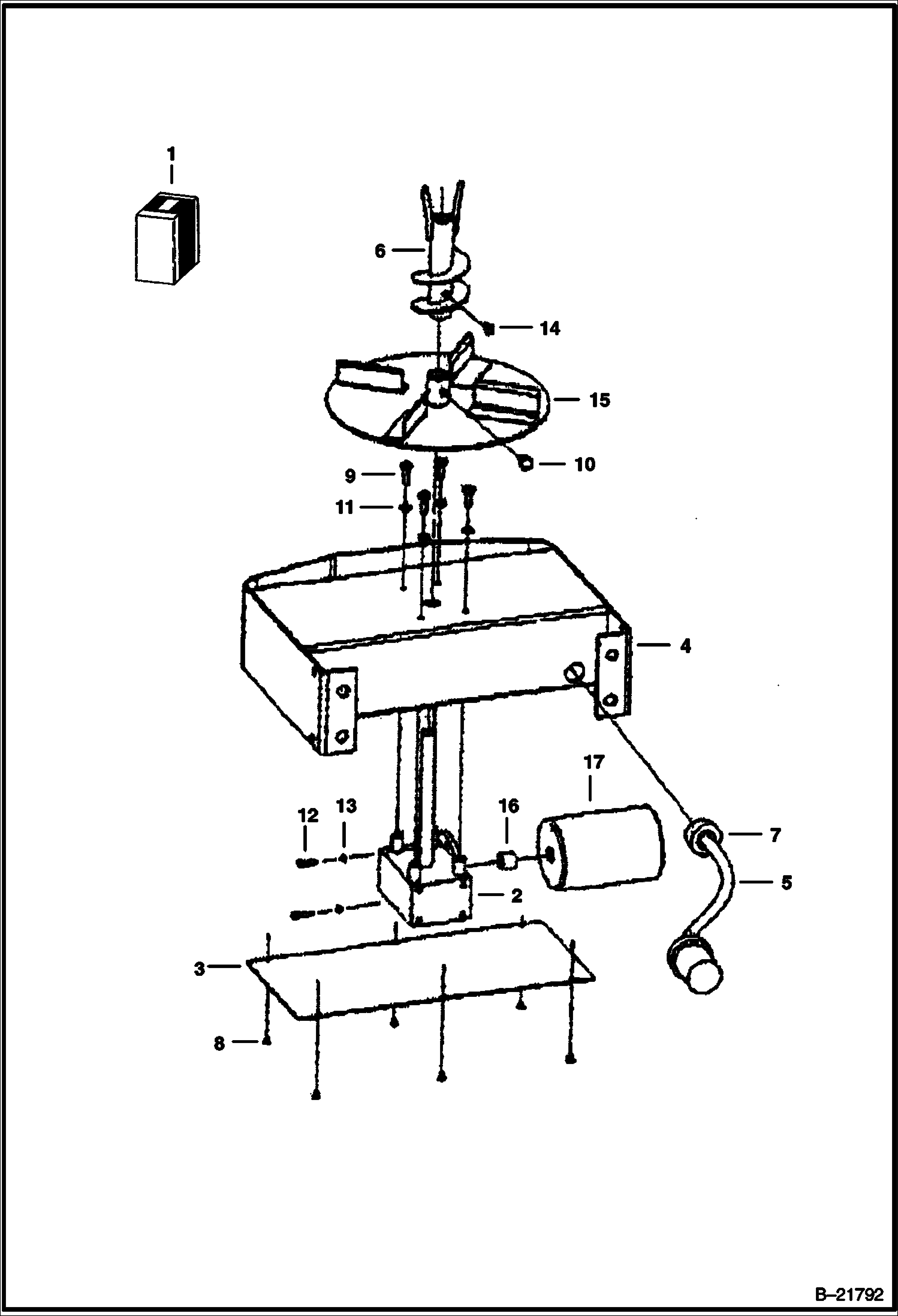
РАЗБРОСНАЯ СЕЯЛКА (КОМПЛЕКТ ВИБРАТОРА) (0064)

РАЗБРОСНАЯ СЕЯЛКА (КОМПЛЕКТ ВИБРАТОРА) (0064)

1Артикул: KIT,, KIT, VIBRATOR NLA - Ref. 2-13 - Order components - Was SALES #6731705 - D
2Артикул: 17C632, BOLT 5
3Артикул: 6683311, WASHER
Подробнее >
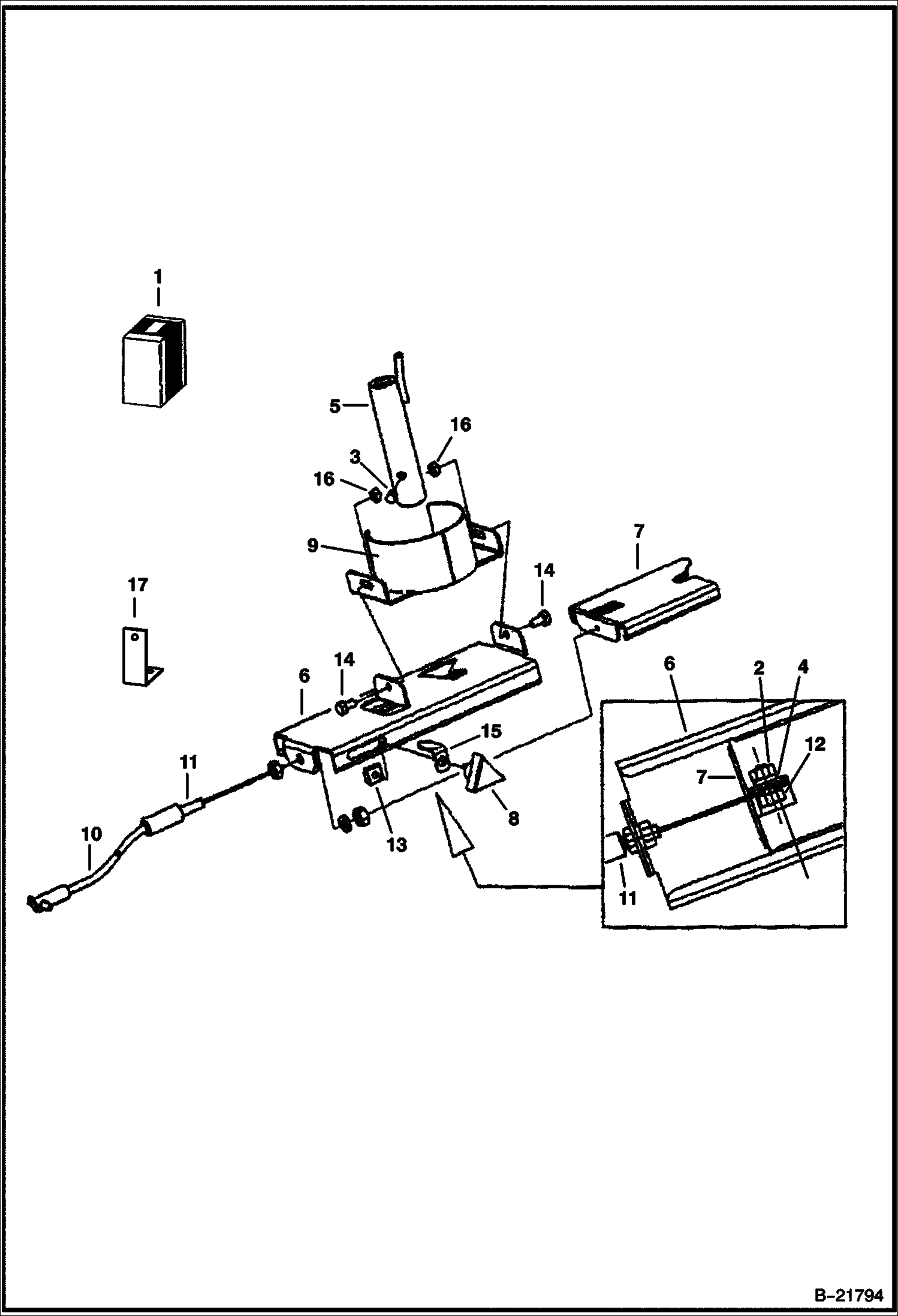
РАЗБРОСНАЯ СЕЯЛКА (РЕГУЛИРУЕМЫЙ КОМПЛЕКТ ДЛЯ УСТАНОВКИ ОБТЕКАТЕЛЯ) (0064)

РАЗБРОСНАЯ СЕЯЛКА (РЕГУЛИРУЕМЫЙ КОМПЛЕКТ ДЛЯ УСТАНОВКИ ОБТЕКАТЕЛЯ) (0064)

1Артикул: KIT,, KIT, DEFLECTOR ADJUSTABLE NLA - Ref. 2-10 - Order components - Was SALES #6731702 - D
2Артикул: 85D6, NUT, 5
3Артикул: 25E17, WASHER 5
Подробнее >
РАЗБРОСНАЯ СЕЯЛКА (БУНКЕР ДЛЯ ЗАГРУЗКИ И РАМА ШАССИ) (HS8 AC1N)

РАЗБРОСНАЯ СЕЯЛКА (БУНКЕР ДЛЯ ЗАГРУЗКИ И РАМА ШАССИ) (HS8 AC1N)

1Артикул: SPREADER, SPREADER SALES #7157284 - Ref. 2-43
2Артикул: 6698659, BOLT
3Артикул: 6698660, NUT
Подробнее >
УСТРОЙСТВО ДЛЯ ОЧИСТКИ ПЕСКА (ПРЕДУПРЕЖДАЮЩИЕ ТАБЛИЧКИ) (SP12) (0066)

УСТРОЙСТВО ДЛЯ ОЧИСТКИ ПЕСКА (ПРЕДУПРЕЖДАЮЩИЕ ТАБЛИЧКИ) (SP12) (0066)

1Артикул: 7102141, DECAL warning overload
2Артикул: 6685666, DECAL warning strapping
3Артикул: 6685664, DECAL warning rotating parts
Подробнее >
РАЗБРОСНАЯ СЕЯЛКА (ДВИГАТЕЛЬ) (HS8 AC1N)

РАЗБРОСНАЯ СЕЯЛКА (ДВИГАТЕЛЬ) (HS8 AC1N)

1Артикул: 7000567, MOTOR, SPREADER
2Артикул: SEAL, SEAL NSS - shaft - Order Ref. 18 seal kit
3Артикул: WASHER, WASHER NSS - thrust - Order Ref. 18 seal kit
Подробнее >