+7 (701) 588 50 05 Телефон для связи
RU

WhatsApp

Позвонить

ПОГРУЗЧИК в Алматы

УСТРОЙСТВО КОНТРОЛЯ ГЛУБИНЫ ЦИЛИНДРА (60--) (72--) (84--)

УСТРОЙСТВО КОНТРОЛЯ ГЛУБИНЫ ЦИЛИНДРА (60--) (72--) (84--)

1Артикул: 6678153, CYLINDER Ref. 2-13
2Артикул: 6679447, CASE
3Артикул: 6679452, NUT
Подробнее >
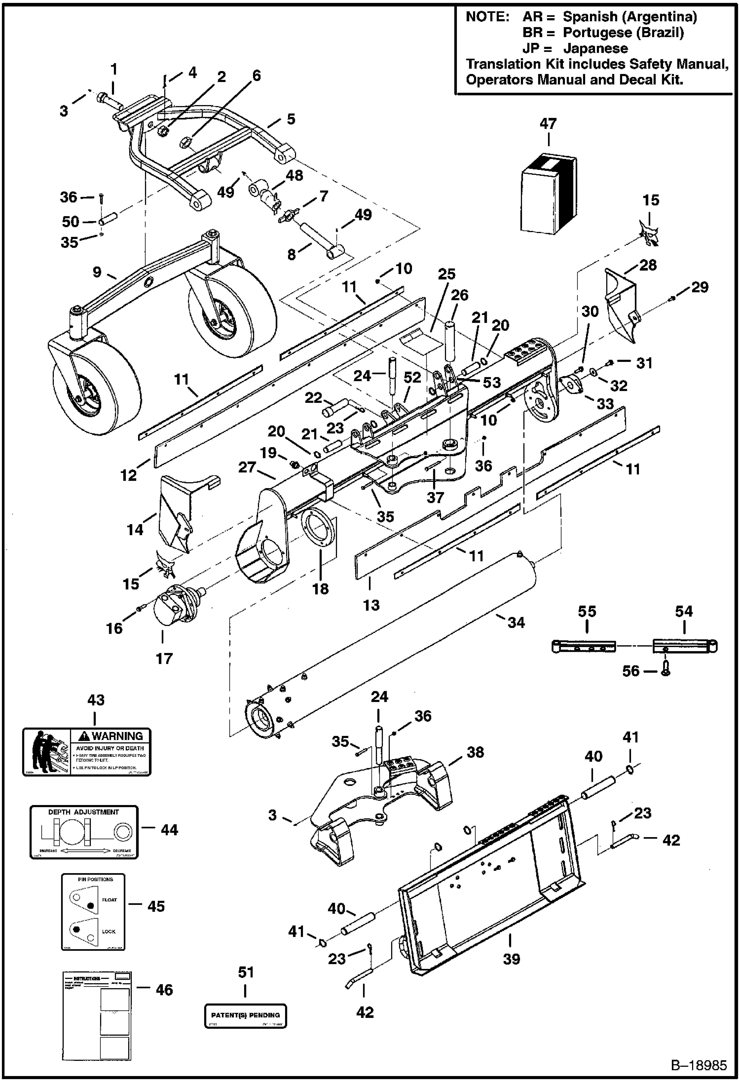
РАМА И ПОДШИПНИК (48-- 651500101 - )

РАМА И ПОДШИПНИК (48-- 651500101 - )

1Артикул: 6958175, RETAINER
2Артикул: 6958177, DEFLECTOR
3Артикул: 55D6, NUT
Подробнее >
РАМА ШАССИ - МАКСИМАЛЬНЫЙ РАСХОД (84-- A6TH00101 - 00486)

РАМА ШАССИ - МАКСИМАЛЬНЫЙ РАСХОД (84-- A6TH00101 - 00486)

1Артикул: 6905722, FRAME Bob-Tach
2Артикул: PIVOT,, PIVOT, WEDGE See Illustration MAIN FRAME - HIGH FLOW/ NA6554 - NLA - W/step - Order 6906135 pivot - Was 6906135 - A
3Артикул: 7102382, PIN
Подробнее >
РАМА ШАССИ (48-- 651500101 - 00825)

РАМА ШАССИ (48-- 651500101 - 00825)

1Артикул: 7246790, COUPLER, FF FEMALE See BTI433att - straight - Was 6672960 - A
2Артикул: 7246777, COUPLER, FF MALE See BTI433att - straight - Was 6674688 - A
3Артикул: 17KB1212, FITTING, HYD ELBOW
Подробнее >
РАМА ШАССИ - ГИДРАВЛИЧЕСКИЙ (60-- A86R00429 И ВЫШЕ) (72-- S6TE01005 И ВЫШЕ, A6TD00555 И ВЫШЕ) (84-- A6TG00735 И ВЫШЕ)

РАМА ШАССИ - ГИДРАВЛИЧЕСКИЙ (60-- A86R00429 И ВЫШЕ) (72-- S6TE01005 И ВЫШЕ, A6TD00555 И ВЫШЕ) (84-- A6TG00735 И ВЫШЕ)

1Артикул: SOIL, SOIL CONDITIONER SALES #7140848 - 60--
2Артикул: SOIL, SOIL CONDITIONER SALES #7135945 - 72--
3Артикул: SOIL, SOIL CONDITIONER SALES #7135944 - 72--
Подробнее >
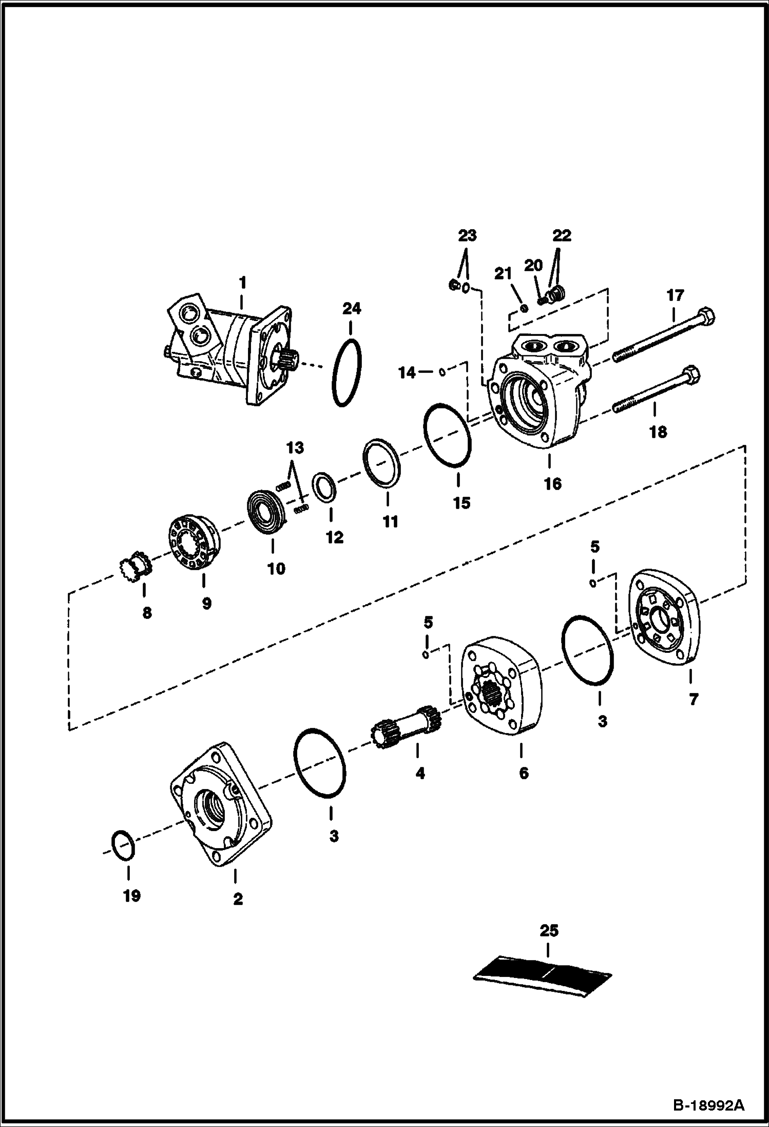
ДВИГАТЕЛЬ (84-- 651400720 И ВЫШЕ)

ДВИГАТЕЛЬ (84-- 651400720 И ВЫШЕ)

1Артикул: 7120123, MOTOR Ref. 2-23 - Eaton 114-1113-006 or 114-1112-006
2Артикул: 6679819, FLANGE mounting
3Артикул: 6513524, SEAL,O-RING Was 6679818 - A
Подробнее >
ДВИГАТЕЛЬ (72-- A6TD) (84-- A6TG)

ДВИГАТЕЛЬ (72-- A6TD) (84-- A6TG)

1Артикул: 6689968, MOTOR W/Ref. 2-32 - Eaton 113-1148-006
2Артикул: 6664809, SCREW
3Артикул: 6664810, SEAL
Подробнее >
ДВИГАТЕЛЬ (84-- A6TH)

ДВИГАТЕЛЬ (84-- A6TH)

1Артикул: 7224862, MOTOR, HYD Model 180-0105-005
2Артикул: 6689697, HOUSING, MOTOR
3Артикул: 6668079, PLUG, MOTOR
Подробнее >
РЕГУЛИРУЮЩИЙ КЛАПАН (72-- 2320) (84-- 6514)

РЕГУЛИРУЮЩИЙ КЛАПАН (72-- 2320) (84-- 6514)

1Артикул: 6676592, VALVE, CONTROL Ref. 2-19
2Артикул: 7D8, NUT 5
3Артикул: 6671025, COIL
Подробнее >
КОМПЛЕКТ ДЛЯ УСТАНОВКИ ШИНЫ В СБОРЕ (60--) (72--) (84--)

КОМПЛЕКТ ДЛЯ УСТАНОВКИ ШИНЫ В СБОРЕ (60--) (72--) (84--)

1Артикул: 6905746, MOUNT W/bushings
2Артикул: 31C1224, BOLT Was 35C001224B - A
3Артикул: 6905689, WASHER
Подробнее >
ДВИГАТЕЛЬ (48-- 6515 И ВЫШЕ) (60-- A5PS) (60-- A86R) (72-- S6TE) (72-- 6513 И ВЫШЕ)

ДВИГАТЕЛЬ (48-- 6515 И ВЫШЕ) (60-- A5PS) (60-- A86R) (72-- S6TE) (72-- 6513 И ВЫШЕ)

1Артикул: MOTOR, MOTOR See BTI431 - Ref. 2-32 - Eaton 113-1147-006 - Was 6689967 - A
2Артикул: 6664809, SCREW
3Артикул: 6664810, SEAL
Подробнее >
РУКОЯТЬ И ШИНА В СБОРЕ(48-- 6515)

РУКОЯТЬ И ШИНА В СБОРЕ(48-- 6515)

1Артикул: 31C1224, BOLT Was 35C001224B - A
2Артикул: 6905689, WASHER
3Артикул: 6905677, BUSHING
Подробнее >
ГИДРОСИСТЕМА (72-- 2320) (84-- 6514)

ГИДРОСИСТЕМА (72-- 2320) (84-- 6514)

1Артикул: 6905722, FRAME Bob-Tach
2Артикул: 35C612, BOLT
3Артикул: 25G616, SCREW
Подробнее >
РАМА ШАССИ (72-- 2320) (72-- 651300101 - 01555)

РАМА ШАССИ (72-- 2320) (72-- 651300101 - 01555)

1Артикул: 6906130, BOLT
2Артикул: 4D20, NUT
3Артикул: 10H35, FITTING, GREASE 10
Подробнее >
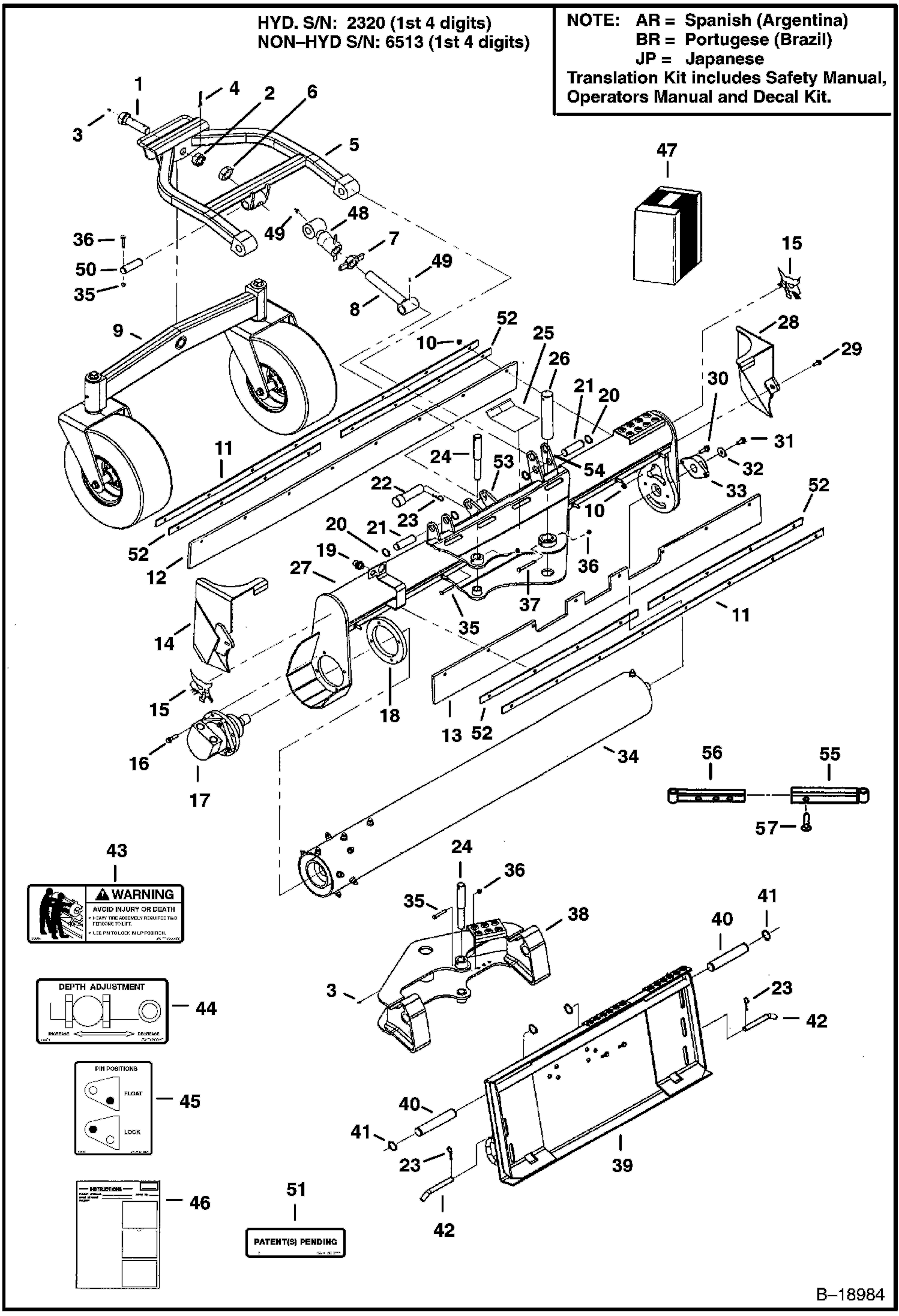
РАМА ШАССИ (48-- 651500826 И ВЫШЕ)

РАМА ШАССИ (48-- 651500826 И ВЫШЕ)

1Артикул: SOIL, SOIL CONDITIONER SALES #6958310
2Артикул: 7246777, COUPLER, FF MALE See BTI433att - straight - Was 6674688 - A
3Артикул: 17KB1212, FITTING, HYD ELBOW
Подробнее >
УСТРОЙСТВО УПРАВЛЕНИЯ ПОВОРОТОМ

УСТРОЙСТВО УПРАВЛЕНИЯ ПОВОРОТОМ

1Артикул: 6809501, CYLINDER Ref. 2 - 13
2Артикул: 6807379, CASE
3Артикул: 92D14, NUT
Подробнее >
ДВИГАТЕЛЬ (72-- 232000101 - 00399) (72-- 651300101 - 00324)

ДВИГАТЕЛЬ (72-- 232000101 - 00399) (72-- 651300101 - 00324)

1Артикул: MOTOR, MOTOR NLA - Eaton 161-0060-002 - Order 7120123 motor & (2) 6800566 adapters - Was 6676593 - A
2Артикул: MOTOR, MOTOR ASMBLY NLA - Eaton 161-0082-002 - Order 7120123 motor & (2) 6800566 adapters - Was 6678846 - A
3Артикул: HOUSING, HOUSING NLA - Was 6669442 - A
Подробнее >
ГИДРОСИСТЕМА (72-- 651300101 - 01555)

ГИДРОСИСТЕМА (72-- 651300101 - 01555)

1Артикул: 6905722, FRAME Bob-Tach
2Артикул: 17KB1212, FITTING, HYD ELBOW Was 17KN00008B - A
3Артикул: 15KB1212, FITTING, HYD CONNECTOR W/1.06-- motor ports - Was 15KN00008B - A
Подробнее >
РАМА ШАССИ (84-- 6514)

РАМА ШАССИ (84-- 6514)

1Артикул: 6906130, BOLT
2Артикул: 4D20, NUT
3Артикул: 10H35, FITTING, GREASE 10
Подробнее >
РАМА ШАССИ - ГИДРАВЛИЧЕСКИЙ (60-- A86R00101 - 00428) (72-- S6TE00101 - 01004, A6TD00101 - 00554) (84-- A6TG00101 - 00734)

РАМА ШАССИ - ГИДРАВЛИЧЕСКИЙ (60-- A86R00101 - 00428) (72-- S6TE00101 - 01004, A6TD00101 - 00554) (84-- A6TG00101 - 00734)

1Артикул: 6905722, FRAME bob-tach
2Артикул: PIVOT,, PIVOT, WEDGE See Illustration MAIN FRAME - HYD/ NA6555 - NLA - W/step - Order 6906135 pivot - Was 6906135 - A
3Артикул: 7102382, PIN
Подробнее >
РАМА ШАССИ - НЕГИДРАВЛИЧЕСКИЙ(60-- A5PS00101 - 00377) (72-- 651301556 - 02049)

РАМА ШАССИ - НЕГИДРАВЛИЧЕСКИЙ(60-- A5PS00101 - 00377) (72-- 651301556 - 02049)

1Артикул: 6905722, FRAME Bob-Tach
2Артикул: PIVOT,, PIVOT, WEDGE See Illustration MAIN FRAME - NON-HYD/ NA6553 - NLA - W/step - Order 6906135 pivot - Was 6906135 - A
3Артикул: 7125325, ARM
Подробнее >
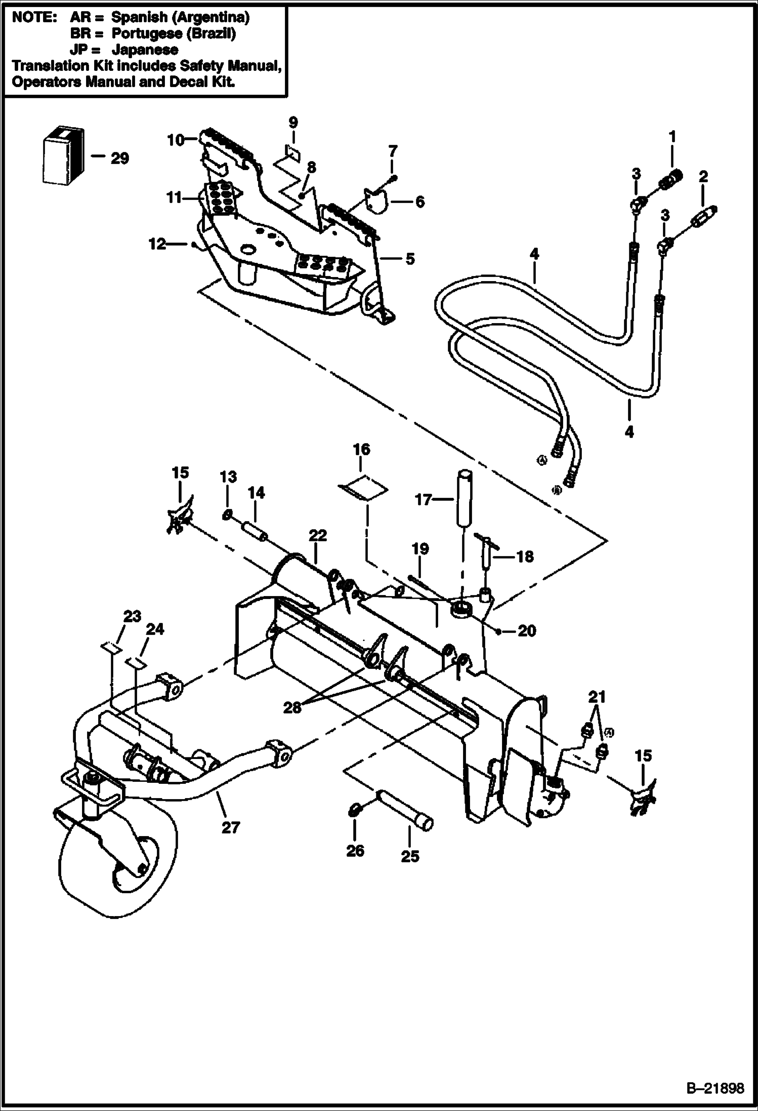
ПРЕДУПРЕЖДАЮЩИЕ ТАБЛИЧКИ (БЕЗ ТЕКСТА)

ПРЕДУПРЕЖДАЮЩИЕ ТАБЛИЧКИ (БЕЗ ТЕКСТА)

1Артикул: 7213049, KIT, DECAL NO-TEXT Ref. 5, 7, 9 & 13
2Артикул: KIT,, KIT, DECAL NO-TEXT NLA - Order components - Ref. 5, 7 & 11 - Was 7213050 - A
3Артикул: 7213051, KIT, DECAL NO-TEXT Ref. 5, 7, 9 & 11
Подробнее >
РАМА ШАССИ - МАКСИМАЛЬНЫЙ РАСХОД (84-- A6TH00487 И ВЫШЕ)

РАМА ШАССИ - МАКСИМАЛЬНЫЙ РАСХОД (84-- A6TH00487 И ВЫШЕ)

1Артикул: SOIL, SOIL CONDITIONER SALES #7135947
2Артикул: 6906135, PIVOT, WEDGE
3Артикул: 7102382, PIN
Подробнее >
РАМА И ПОДШИПНИК (48-- 6515 И ВЫШЕ)

РАМА И ПОДШИПНИК (48-- 6515 И ВЫШЕ)

1Артикул: 6958175, RETAINER
2Артикул: 6958177, DEFLECTOR
3Артикул: 55D6, NUT
Подробнее >
ДВИГАТЕЛЬ (84-- 651400101 - 00719)

ДВИГАТЕЛЬ (84-- 651400101 - 00719)

1Артикул: MOTOR, MOTOR ASSY NLA - Eaton 161-0061-002 or 161-0082-002 - Order 7120123 motor & (2) 6800566 adapters - Was 6678846 - A
2Артикул: HOUSING, HOUSING NLA - Was 6669442 - A
3Артикул: 6669452, O-RING
Подробнее >
РАМА ШАССИ - НЕГИДРАВЛИЧЕСКИЙ(60-- A5PS00378 И ВЫШЕ) (72-- 651302050 И ВЫШЕ)

РАМА ШАССИ - НЕГИДРАВЛИЧЕСКИЙ(60-- A5PS00378 И ВЫШЕ) (72-- 651302050 И ВЫШЕ)

1Артикул: SOIL, SOIL CONDITIONER SALES #7132966 - 60--
2Артикул: SOIL, SOIL CONDITIONER SALES #6906513 - 72--
3Артикул: 6906135, PIVOT, WEDGE
Подробнее >
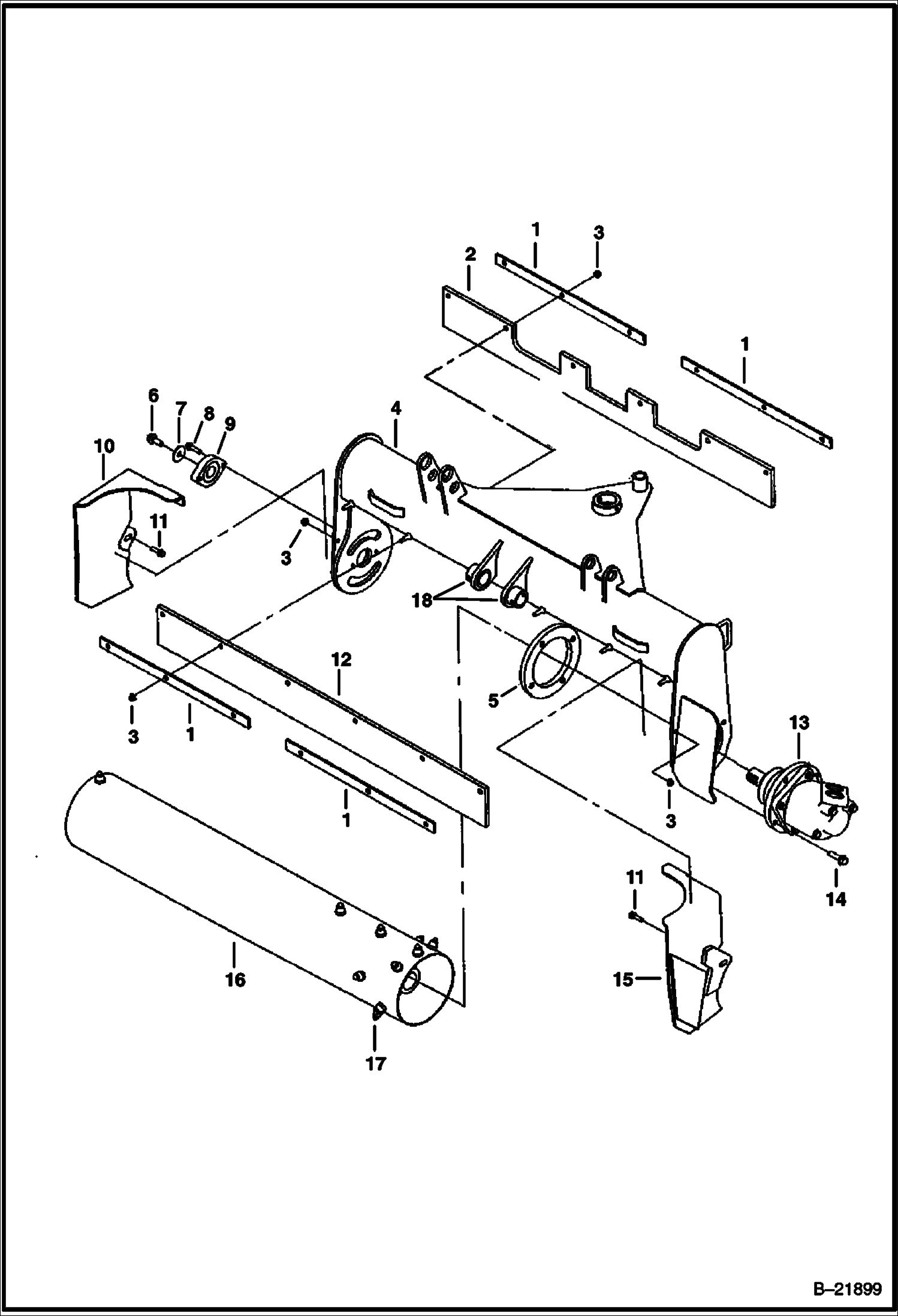
ПОДШИПНИК С РОЛИКАМИ БЕЗ КОЛЕЦ (72-- 2320) (72-- 651300101 - 01555) (84-- 6514)

ПОДШИПНИК С РОЛИКАМИ БЕЗ КОЛЕЦ (72-- 2320) (72-- 651300101 - 01555) (84-- 6514)

1Артикул: 6906516, ROLLER 72-- - Was 6906250 - A
2Артикул: 6958108, ROLLER, SOIL CONDITIONER 84--
3Артикул: 6905725, SHAFT, DRIVE 72--
Подробнее >
ДВИГАТЕЛЬ (48-- 651500101 - ) (72-- 232000400 И ВЫШЕ) (72-- 651300325 - 01555)

ДВИГАТЕЛЬ (48-- 651500101 - ) (72-- 232000400 И ВЫШЕ) (72-- 651300325 - 01555)

1Артикул: MOTOR, MOTOR See BTI431 - Ref. 2-23 - Eaton 114-1100-006 or 114-1114-006 - Was 6679763 - A
2Артикул: 6679819, FLANGE mounting
3Артикул: 6513524, SEAL,O-RING Was 6679818 - A
Подробнее >
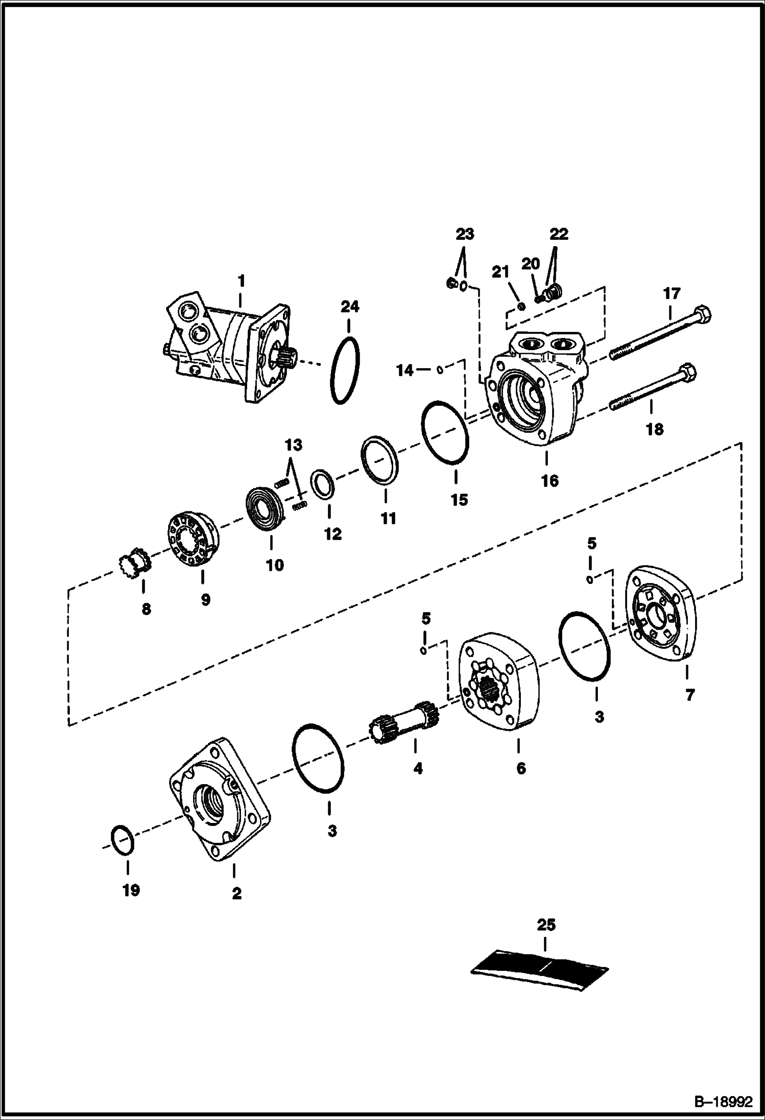
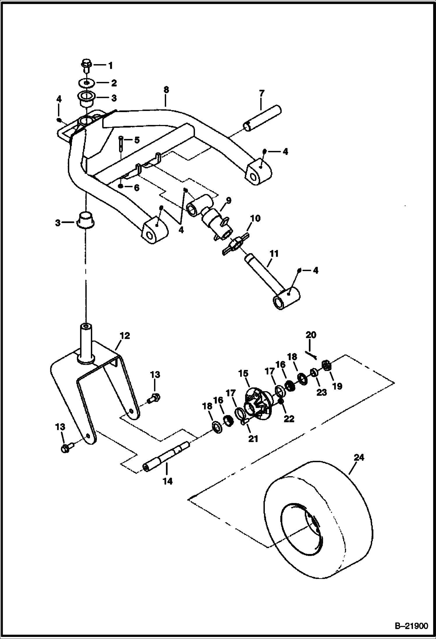
АВТОТРАНСПОРТЕР В СБОРЕ (48-- 6515) (72-- 2320) (72-- 651300101 - 01555) (84-- 6514)

АВТОТРАНСПОРТЕР В СБОРЕ (48-- 6515) (72-- 2320) (72-- 651300101 - 01555) (84-- 6514)

1Артикул: 93G824, BOLT
2Артикул: MOTOR, MOTOR ASSY See Illustration MOTOR/ B18991B See Illustration MOTOR/ B18991
3Артикул: 58K160, O-RING 10 Was 25K030508B - B
Подробнее >
РЕГУЛИРУЮЩИЙ КЛАПАН (60-- A86R) (72-- S6TE) (72-- A6TD) (84-- A6TG) (84-- A6TH)

РЕГУЛИРУЮЩИЙ КЛАПАН (60-- A86R) (72-- S6TE) (72-- A6TD) (84-- A6TG) (84-- A6TH)

1Артикул: 6692411, VALVE W/Ref. 2-39
2Артикул: BLOCK, BLOCK NSS - Order Ref. 1
3Артикул: 6665719, PLUG W/Ref. 35
Подробнее >