+7 (701) 588 50 05 Телефон для связи
RU

WhatsApp

Позвонить

ПОГРУЗЧИК в Алматы

ГРЕЙДЕР (ECONO)

ГРЕЙДЕР (ECONO)

1Артикул: 6598758, COUPLER, POPPET FEMALE straight
2Артикул: 7246790, COUPLER, FF FEMALE See BTI433att - straight - Was 6672960 - A
3Артикул: 6598757, COUPLER, POPPET MALE straight
Подробнее >
ГРЕЙДЕР (КОМПЛЕКТ ДВОЙНОГО ЖГУТА ПРОВОДОВ) (84--) (96--) (108--)

ГРЕЙДЕР (КОМПЛЕКТ ДВОЙНОГО ЖГУТА ПРОВОДОВ) (84--) (96--) (108--)

1Артикул: 7164095, KIT, HARNESS DUAL Ref. 2-6
2Артикул: 7162167, HARNESS, DUAL
3Артикул: 6664036, NUT
Подробнее >
ГРЕЙДЕР (ГИДРОЦИЛИНДР) (СОВРЕМЕННЫЙ СТАБИЛИЗАТОР)

ГРЕЙДЕР (ГИДРОЦИЛИНДР) (СОВРЕМЕННЫЙ СТАБИЛИЗАТОР)

1Артикул: CYLINDER, CYLINDER See Illustration GRADER/ C3112A - NLA - Ref. 2-16 - Order 6531681 cylinder - Was 6501108 - A
2Артикул: CASE, CASE NLA - Order 6531682
3Артикул: 92D12, NUT See BTI126 Was 86D000012B - B
Подробнее >
ГРЕЙДЕР HD (ЦИЛИНДР ПОВОРОТА) (96-- ACW9) (108-- AJ2E)

ГРЕЙДЕР HD (ЦИЛИНДР ПОВОРОТА) (96-- ACW9) (108-- AJ2E)

1Артикул: 7157422, CYLINDER angle - W/Ref. 2 - 17
2Артикул: 7010632, TUBE, CASE CYL
3Артикул: 7010633, ROD, CYL ASSY
Подробнее >
ГРЕЙДЕР (РАМА ШАССИ)

ГРЕЙДЕР (РАМА ШАССИ)

1Артикул: MAIN, MAIN FRAME NLA - Was 6508634 - A
2Артикул: 10H35, FITTING, GREASE 10
3Артикул: GUIDE, GUIDE NLA - tube - Was 6508609 - A
Подробнее >
ГРЕЙДЕР HD (КОЛЕСА И ОПОРНО-СЦЕПНОЕ УСТРОЙСТВО) (96-- ACW9) (108-- AJ2E)

ГРЕЙДЕР HD (КОЛЕСА И ОПОРНО-СЦЕПНОЕ УСТРОЙСТВО) (96-- ACW9) (108-- AJ2E)

1Артикул: 7163055, MOUNT, WHEEL ARM
2Артикул: 31C1224, BOLT
3Артикул: 6905689, WASHER
Подробнее >
ГРЕЙДЕР (НАКЛОН И ЦИЛИНДР ПОВОРОТА) (84-- 6480)

ГРЕЙДЕР (НАКЛОН И ЦИЛИНДР ПОВОРОТА) (84-- 6480)

1Артикул: 6674426, CYLINDER Ref. 2-13
2Артикул: 6674436, CASE
3Артикул: 6673617, NUT Was 6673328 - A
Подробнее >
ГРЕЙДЕР HD (ГИДРОСИСТЕМЫ) (96-- ACW9) (108-- AJ2E)

ГРЕЙДЕР HD (ГИДРОСИСТЕМЫ) (96-- ACW9) (108-- AJ2E)

1Артикул: VALVE,, VALVE, CONTROL GRADER See Illustration GRADER HD/ NA2378
2Артикул: 7192284, BOLT Was 17C680 - B
3Артикул: 83D6, NUT 5
Подробнее >
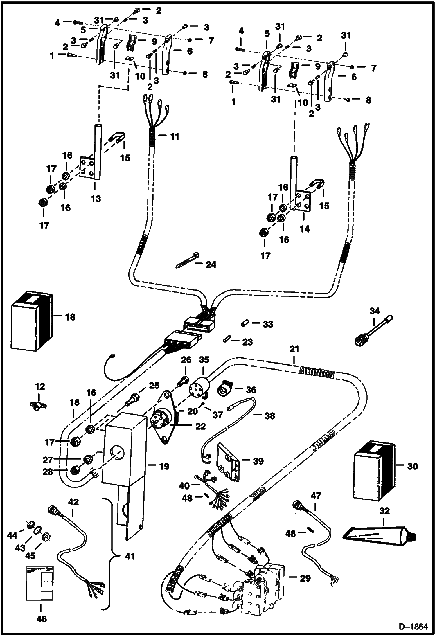
ГРЕЙДЕР (ЭЛЕКТРИКА И КОМПЛЕКТ ЛАЗЕРНЫХ УСТАНОВОК) (84-- 648000101 - 00987)

ГРЕЙДЕР (ЭЛЕКТРИКА И КОМПЛЕКТ ЛАЗЕРНЫХ УСТАНОВОК) (84-- 648000101 - 00987)

1Артикул: 6905670, COVER
2Артикул: 6678675, CONTROLLER, ACD 3 connector
3Артикул: 6725385, HARNESS 7-pin
Подробнее >
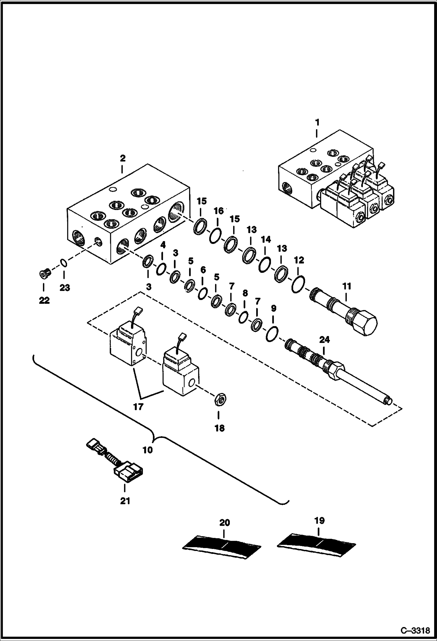
ГРЕЙДЕР (ГИДРАВЛИЧЕСКИЙ КЛАПАН)

ГРЕЙДЕР (ГИДРАВЛИЧЕСКИЙ КЛАПАН)

1Артикул: 6515790, VALVE Ref. 2 - 18
2Артикул: 6515030, CAP rubber
3Артикул: 1318338, RING
Подробнее >
ГРЕЙДЕР (ГИДРОЦИЛИНДР) (СТАРАЯ ВЕРСИЯ СТАЛИБИЛИЗАТОРА)

ГРЕЙДЕР (ГИДРОЦИЛИНДР) (СТАРАЯ ВЕРСИЯ СТАЛИБИЛИЗАТОРА)

1Артикул: CYLINDER, CYLINDER See Illustration GRADER/ C3112A - NLA - Ref. 2-14 - Order 6531681 cylinder
2Артикул: CASE, CASE NSS
3Артикул: 3D12, NUT castle - 3/4-- NF
Подробнее >
ГРЕЙДЕР (ЦИЛИНДР НАКЛОНА) (802700312 - 00334)

ГРЕЙДЕР (ЦИЛИНДР НАКЛОНА) (802700312 - 00334)

1Артикул: 6531681, CYLINDER Ref. 2 - 21
2Артикул: 6531682, CASE
3Артикул: 92D12, NUT Was 86D000012B - B
Подробнее >
ГРЕЙДЕР (ГИДРАВЛИЧЕСКИЙ КЛАПАН) (802700334 И НИЖЕ)

ГРЕЙДЕР (ГИДРАВЛИЧЕСКИЙ КЛАПАН) (802700334 И НИЖЕ)

1Артикул: 6587411, VALVE Ref. 2 - 30 - Was 6593360 - A
2Артикул: 17C440, BOLT
3Артикул: BLOCK, BLOCK NLA - Was 6593361 - A
Подробнее >
ГРЕЙДЕР (ЦИЛИНДР НАКЛОНА) (802700335 И ВЫШЕ) (231511101 И ВЫШЕ)

ГРЕЙДЕР (ЦИЛИНДР НАКЛОНА) (802700335 И ВЫШЕ) (231511101 И ВЫШЕ)

1Артикул: 6657212, CYLINDER Ref. 2-6
2Артикул: 6657753, ROD
3Артикул: 6657751, HEAD
Подробнее >
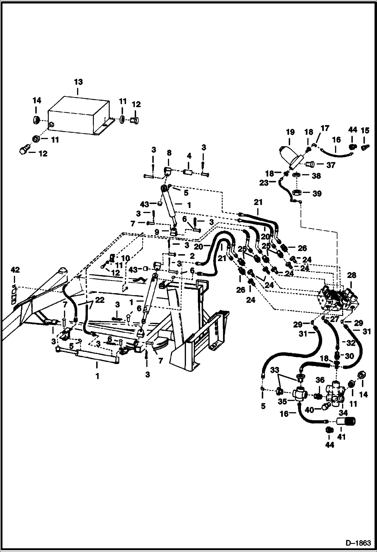
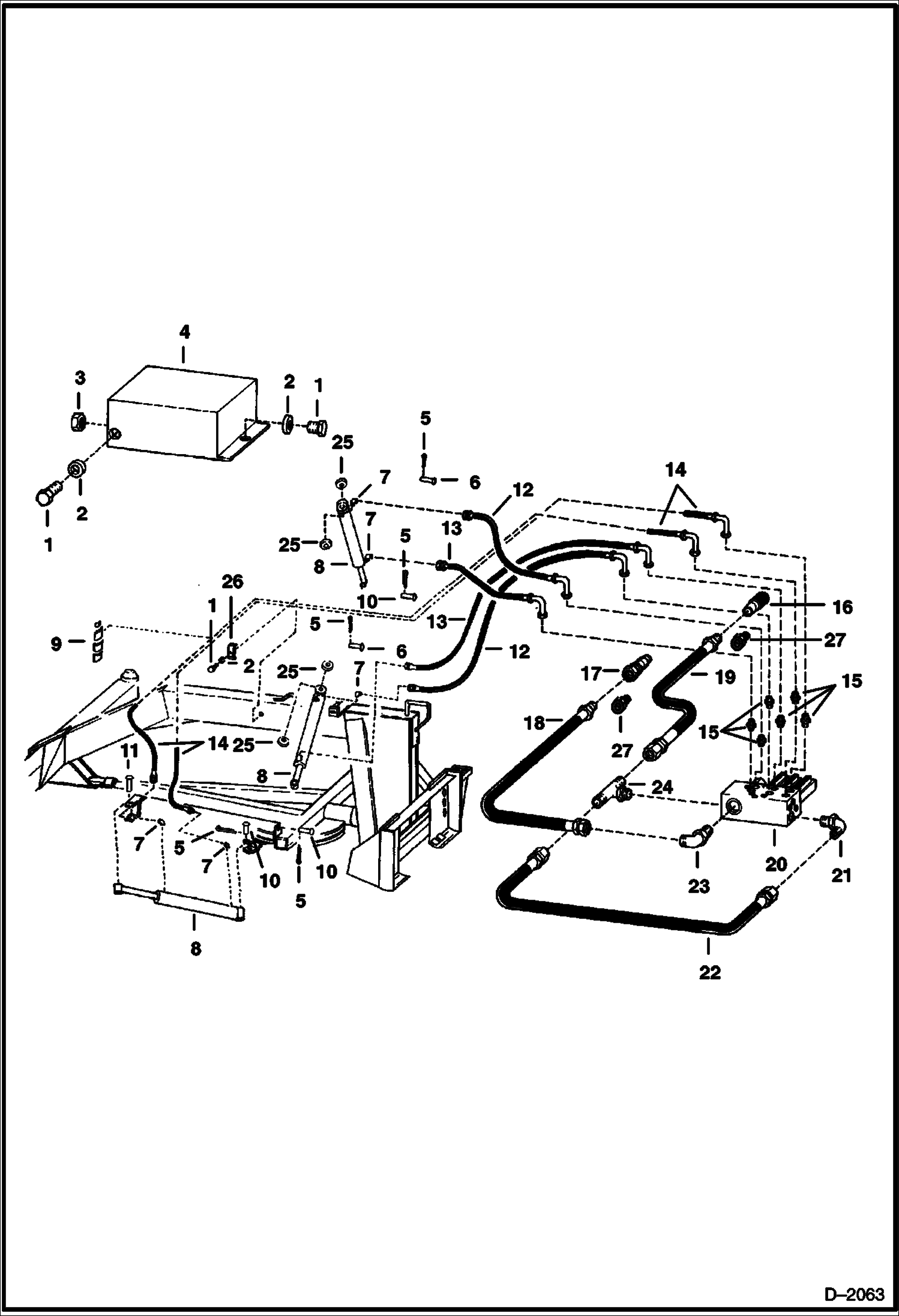
ГРЕЙДЕР (СХЕМА ГИДРАВЛИЧЕСКОЙ СИСТЕМЫ)

ГРЕЙДЕР (СХЕМА ГИДРАВЛИЧЕСКОЙ СИСТЕМЫ)

1Артикул: CYLINDER, CYLINDER See Illustration GRADER/ B18057 See Illustration GRADER/ B18056 BLADE TILT
2Артикул: 6508620, HINGE PIN
3Артикул: 1F620, PIN COTTE
Подробнее >
ГРЕЙДЕР HD (РАМА ШАССИ) (96-- ACW9) (108-- AJ2E)

ГРЕЙДЕР HD (РАМА ШАССИ) (96-- ACW9) (108-- AJ2E)

1Артикул: GRADER, GRADER 96 SALES #7160005
2Артикул: GRADER, GRADER 108 SALES #7182060
3Артикул: 7165028, CLEVIS
Подробнее >
ГРЕЙДЕР (РЕГУЛИРУЮЩИЙ КЛАПАН) (84-- 648000101 - 01630)

ГРЕЙДЕР (РЕГУЛИРУЮЩИЙ КЛАПАН) (84-- 648000101 - 01630)

1Артикул: 6677501, VALVE ASSY Ref. 2 - 19
2Артикул: 6678565, VALVE
3Артикул: 6678566, SEAL KIT
Подробнее >
ГРЕЙДЕР HD (БОКОВОЙ ЦИЛИНДР МЕХАНИЗМА ПЕРЕКЛЮЧЕНИЯ) (96-- ACW9) (108-- AJ2E)

ГРЕЙДЕР HD (БОКОВОЙ ЦИЛИНДР МЕХАНИЗМА ПЕРЕКЛЮЧЕНИЯ) (96-- ACW9) (108-- AJ2E)

1Артикул: 7108418, CYLINDER W/Ref. 2 - 15
2Артикул: 7108419, CASE
3Артикул: 92D10, NUT
Подробнее >
ГРЕЙДЕР HD (ЦИЛИНДР ПОДЪЕМА) (96-- ACW9) (108-- AJ2E)

ГРЕЙДЕР HD (ЦИЛИНДР ПОДЪЕМА) (96-- ACW9) (108-- AJ2E)

1Артикул: 7157423, CYLINDER elevation - W/Ref. 2 - 15
2Артикул: 7010640, TUBE, CASE CYL
3Артикул: 7010641, ROD, CYL ASSY
Подробнее >
ГРЕЙДЕР (РЕГУЛИРУЮЩИЙ КЛАПАН) (84-- 648001631 И ВЫШЕ)

ГРЕЙДЕР (РЕГУЛИРУЮЩИЙ КЛАПАН) (84-- 648001631 И ВЫШЕ)

1Артикул: 7001469, VALVE, GRADER W/Ref. 2 - 15
2Артикул: 6680330, SPOOL, PILOT
3Артикул: 7008932, VALVE, SOLENOID
Подробнее >
ГРЕЙДЕР (СХЕМА ГИДРАВЛИЧЕСКОЙ СИСТЕМЫ) (84-- 6480)

ГРЕЙДЕР (СХЕМА ГИДРАВЛИЧЕСКОЙ СИСТЕМЫ) (84-- 6480)

1Артикул: 7246777, COUPLER, FF MALE See BTI433att - straight - Was 6674688 - A
2Артикул: 7246790, COUPLER, FF FEMALE See BTI433att - straight - Was 6672960 - A
3Артикул: 15KB1212, FITTING, HYD CONNECTOR Was 15KN00008B - A
Подробнее >
ГРЕЙДЕР HD (SONIC КОМПЛЕКТ ДАТЧИКОВ) (DELUXE) (96-- ACW9) (108-- AJ2E)

ГРЕЙДЕР HD (SONIC КОМПЛЕКТ ДАТЧИКОВ) (DELUXE) (96-- ACW9) (108-- AJ2E)

1Артикул: KIT,, KIT, SENSOR SONIC SALES #7211624 - Ref. 2-21 & 30 - Also Order Ref. 22 & 29
2Артикул: KIT,, KIT, SENSOR SONIC SALES #7211624 - Ref. 2-21 & 30 - Also Order Ref. 22
3Артикул: KIT,, KIT, SENSOR SONIC SALES #7211624 - Ref. 2, 5, 7-10, 12-19, 21 & 30-34 - Also Order Ref. 22
Подробнее >
ГРЕЙДЕР HD (ПРЕДУПРЕЖДАЮЩИЕ ТАБЛИЧКИ) (БЕЗ ТЕКСТА) (96-- ACW9) (108-- AJ2E)

ГРЕЙДЕР HD (ПРЕДУПРЕЖДАЮЩИЕ ТАБЛИЧКИ) (БЕЗ ТЕКСТА) (96-- ACW9) (108-- AJ2E)

1Артикул: 6583862, DECAL, WARNING
2Артикул: 7130132, DECAL, WARNING no-text
3Артикул: 6701391, DECAL, EXIT
Подробнее >
ГРЕЙДЕР (3D КОМПЛЕКТ ДАТЧИКОВ) (96-- ACW9) (108-- AJ2E)

ГРЕЙДЕР (3D КОМПЛЕКТ ДАТЧИКОВ) (96-- ACW9) (108-- AJ2E)

1Артикул: KIT,, KIT, 3D SENSOR NLA - Order SALES #7276540 kit & SALES #7276541 kit - Was SALES #7276540 - Was SALES #7270817 - A
2Артикул: KIT,, KIT, 3D SENSOR SALES #7276540 - Ref. 2 & 3
3Артикул: KIT,, KIT, 3D SENSOR SALES #7276541 - Ref. 4 & 5
Подробнее >
ГРЕЙДЕР (ЭЛЕКТРИКА И КОМПЛЕКТ ЛАЗЕРНЫХ УСТАНОВОК) (84-- 648001631 И ВЫШЕ)

ГРЕЙДЕР (ЭЛЕКТРИКА И КОМПЛЕКТ ЛАЗЕРНЫХ УСТАНОВОК) (84-- 648001631 И ВЫШЕ)

1Артикул: 6697951, CONTROLLER, ACD
2Артикул: 7150497, HARNESS, INPUT 7-PIN
3Артикул: 7163241, HARNESS, GRADER 14 ACD to valve
Подробнее >
ГРЕЙДЕР (РАМА ШАССИ) (802700101 И ВЫШЕ) (231511101 И ВЫШЕ)

ГРЕЙДЕР (РАМА ШАССИ) (802700101 И ВЫШЕ) (231511101 И ВЫШЕ)

1Артикул: MAIN, MAIN FRAME NLA - Was 6648564 - A
2Артикул: 10H35, FITTING, GREASE 10
3Артикул: 6648565, A-FRAME
Подробнее >
ГРЕЙДЕР HD (РЕГУЛИРУЮЩИЙ КЛАПАН) (96-- ACW9) (108-- AJ2E)

ГРЕЙДЕР HD (РЕГУЛИРУЮЩИЙ КЛАПАН) (96-- ACW9) (108-- AJ2E)

1Артикул: 7157417, VALVE, CONTROL GRADER W/Ref. 2 - 18
2Артикул: 6680330, SPOOL, PILOT
3Артикул: 6686947, CONTROL VALVE
Подробнее >
ГРЕЙДЕР (СХЕМА ГИДРАВЛИЧЕСКОЙ СИСТЕМЫ) (802700335 И ВЫШЕ) (231511101 И ВЫШЕ)

ГРЕЙДЕР (СХЕМА ГИДРАВЛИЧЕСКОЙ СИСТЕМЫ) (802700335 И ВЫШЕ) (231511101 И ВЫШЕ)

1Артикул: 17C412, BOLT 5
2Артикул: 4E4, WASHER
3Артикул: 61D4, NUT 5
Подробнее >
ГРЕЙДЕР (ЦИЛИНДР ПЕРЕКОСА ОТВАЛА) (A-1051 И ВЫШЕ)

ГРЕЙДЕР (ЦИЛИНДР ПЕРЕКОСА ОТВАЛА) (A-1051 И ВЫШЕ)

1Артикул: 6508641, CYLINDER Ref. 2 - 7 & 9 - 10
2Артикул: 1310275, BUSHING self centering
3Артикул: CASE, CASE NSS
Подробнее >
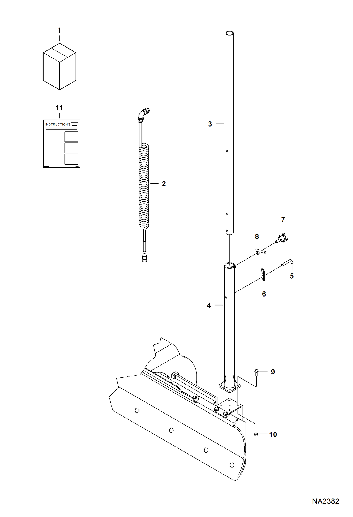
ГРЕЙДЕР HD (КОМПЛЕКТ УСТАНОВКИ РЕСИВЕРА) (96-- ACW9) (108-- AJ2E)

ГРЕЙДЕР HD (КОМПЛЕКТ УСТАНОВКИ РЕСИВЕРА) (96-- ACW9) (108-- AJ2E)

1Артикул: KIT,, KIT, RECIEVER MOUNT SALES #7177685 - Ref. 2-11
2Артикул: 7144375, CABLE, RECEIVER BLR2
3Артикул: 6688806, STAND, TRIPOD not in kit
Подробнее >
ГРЕЙДЕР (ПРЕДОХРАНИТЕЛЬНЫЙ КЛАПАН) (802700334 И НИЖЕ)

ГРЕЙДЕР (ПРЕДОХРАНИТЕЛЬНЫЙ КЛАПАН) (802700334 И НИЖЕ)

1Артикул: 6648617, RELIEF VALVE Ref. 2 - 12
2Артикул: 6648725, PLUG
3Артикул: 6648729, PLUG
Подробнее >
ГРЕЙДЕР (КОМПЛЕКТ ДЛЯ УСТАНОВКИ ШИНЫ В СБОРЕ) (84-- 6480)

ГРЕЙДЕР (КОМПЛЕКТ ДЛЯ УСТАНОВКИ ШИНЫ В СБОРЕ) (84-- 6480)

1Артикул: 6905746, MOUNT W/bushings
2Артикул: 31C1224, BOLT Was 35C001224B - A
3Артикул: 6905689, WASHER
Подробнее >
ГРЕЙДЕР (ГИДРАВЛИЧЕСКИЙ КЛАПАН) (802700423 И ВЫШЕ) (231511101 И ВЫШЕ)

ГРЕЙДЕР (ГИДРАВЛИЧЕСКИЙ КЛАПАН) (802700423 И ВЫШЕ) (231511101 И ВЫШЕ)

1Артикул: VALVE, VALVE NLA - Order 6669208 & 6661586
2Артикул: 6669208, VALVE W/Weather Pack Connectors - Was 6661384 - A
3Артикул: 6669207, VALVE BODY Was 6661442 - A
Подробнее >
ГРЕЙДЕР (ЭЛЕКТРИКА) (ДЛЯ РУЧКИ COBRA)

ГРЕЙДЕР (ЭЛЕКТРИКА) (ДЛЯ РУЧКИ COBRA)

1Артикул: 6704454, HANDLE ASSY. Was 6703845 - A
2Артикул: 6702621, GRIP
3Артикул: 6661186, LEVER
Подробнее >
ГРЕЙДЕР (ЭЛЕКТРИКА И КОМПЛЕКТ ЛАЗЕРНЫХ УСТАНОВОК) (84-- 648000988 - 01630)

ГРЕЙДЕР (ЭЛЕКТРИКА И КОМПЛЕКТ ЛАЗЕРНЫХ УСТАНОВОК) (84-- 648000988 - 01630)

1Артикул: 6905670, COVER
2Артикул: 6678675, CONTROLLER, ACD 3 connector
3Артикул: 6725385, HARNESS 7-Pin
Подробнее >
ГРЕЙДЕР (ЭЛЕКТРИЧЕСКИЕ УСТРОЙСТВА УПРАВЛЕНИЯ)

ГРЕЙДЕР (ЭЛЕКТРИЧЕСКИЕ УСТРОЙСТВА УПРАВЛЕНИЯ)

1Артикул: 85G820, SCREW
2Артикул: 6700356, SWITCH See BTI248 Push - Was 6569446 - A
3Артикул: 6571977, SPRING
Подробнее >
ГРЕЙДЕР (РАМА ШАССИ) (84-- 6480)

ГРЕЙДЕР (РАМА ШАССИ) (84-- 6480)

1Артикул: 17KB0606, FITTING Was 17KV00005B - A
2Артикул: 6648596, PIN
3Артикул: 1F624, PIN cotter
Подробнее >
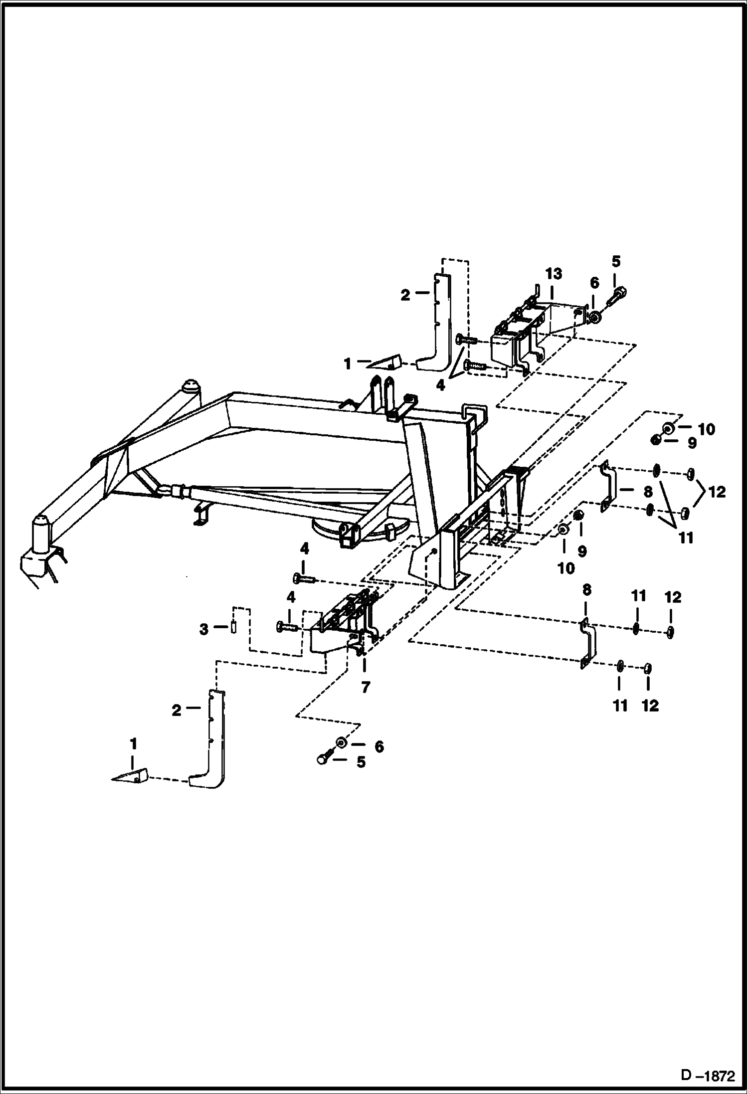
ГРЕЙДЕР (КИРКОВЩИК)

ГРЕЙДЕР (КИРКОВЩИК)

1Артикул: 6649027, POINT
2Артикул: 6649026, TOOTH W/Ref. 1
3Артикул: GRIP, GRIP NLA - rubber - Was 6649022 - A
Подробнее >
ГРЕЙДЕР (РОЛИК)

ГРЕЙДЕР (РОЛИК)

1Артикул: TIRE, TIRE & RIM NLA - assy - Ref. 2-9 - Was 6518412 - A
2Артикул: BUSHING, BUSHING NLA - Was 6508652 - A
3Артикул: SEAL, SEAL NLA - Was 6518410 - A
Подробнее >
ГРЕЙДЕР (ЦИЛИНДР ПЕРЕКОСА ОТВАЛА) (A-1050 И НИЖЕ)

ГРЕЙДЕР (ЦИЛИНДР ПЕРЕКОСА ОТВАЛА) (A-1050 И НИЖЕ)

1Артикул: 6504893, CYLINDER Ref. 2-6, 8 & 9
2Артикул: 6592026, CASE
3Артикул: 92D12, NUT See BTI126 Was 86D000012B - B
Подробнее >
ГРЕЙДЕР HD (ОТВАЛ И РАМЫ) (96-- ACW9) (108-- AJ2E)

ГРЕЙДЕР HD (ОТВАЛ И РАМЫ) (96-- ACW9) (108-- AJ2E)

1Артикул: 7157426, DECAL mark
2Артикул: 7157422, CYLINDER angle
3Артикул: 7165193, PIN
Подробнее >
ГРЕЙДЕР (ЭЛЕКТРИЧЕСКИЕ УСТРОЙСТВА УПРАВЛЕНИЯ) (1600) (2000)

ГРЕЙДЕР (ЭЛЕКТРИЧЕСКИЕ УСТРОЙСТВА УПРАВЛЕНИЯ) (1600) (2000)

1Артикул: SWITCH, SWITCH NLA - Was 6649323 - A
2Артикул: 61D4, NUT 5
3Артикул: 23E4, WASHER
Подробнее >
ГРЕЙДЕР HD (КОМПЛЕКТ ТОРЦЕВЫХ КРЫЛЬЕВ) (96-- ACW9) (108-- AJ2E)

ГРЕЙДЕР HD (КОМПЛЕКТ ТОРЦЕВЫХ КРЫЛЬЕВ) (96-- ACW9) (108-- AJ2E)

1Артикул: KIT,, KIT, END WING SALES - W/Ref. 2-8 - Sales #7177684
2Артикул: 7109473, DECAL, LOGO BOBCAT AND HEAD
3Артикул: 7167344, WING, END RH
Подробнее >
ГРЕЙДЕР (ГИДРАВЛИЧЕСКИЙ КЛАПАН) (802700335 - 00422)

ГРЕЙДЕР (ГИДРАВЛИЧЕСКИЙ КЛАПАН) (802700335 - 00422)

1Артикул: VALVE, VALVE NLA - Order 6669208 & 6661586 - Was 6657216 - A
2Артикул: VALVE, VALVE BODY NSS
3Артикул: 79K12, O RING 10
Подробнее >
ГРЕЙДЕР (СХЕМА ГИДРАВЛИЧЕСКОЙ СИСТЕМЫ) (802700334 И НИЖЕ)

ГРЕЙДЕР (СХЕМА ГИДРАВЛИЧЕСКОЙ СИСТЕМЫ) (802700334 И НИЖЕ)

1Артикул: CYLINDER, CYLINDER See Illustration GRADER/ C3112A See Illustration GRADER/ B18060 NLA - Order 6531681 , 6651649 & 6561659 - WAS 6531601 - A
2Артикул: 6531681, CYLINDER
3Артикул: 6657212, CYLINDER
Подробнее >
ГРЕЙДЕР (ЦИЛИНДР НАКЛОНА) (802700311 И НИЖЕ)

ГРЕЙДЕР (ЦИЛИНДР НАКЛОНА) (802700311 И НИЖЕ)

1Артикул: CYLINDER, CYLINDER See Illustration GRADER/ C3112A NLA - ORDER 6531681 - WAS 6501108 - A
2Артикул: CASE, CASE See Illustration GRADER/ C3112A NLA - ORDER 6531682 - WAS 6592029 - A
3Артикул: 92D12, NUT See BTI126 Was 86D000012B - A
Подробнее >