+7 (701) 588 50 05 Телефон для связи
RU

WhatsApp

Позвонить

ПОВОРОТНЫЙ КОРПУС в Алматы

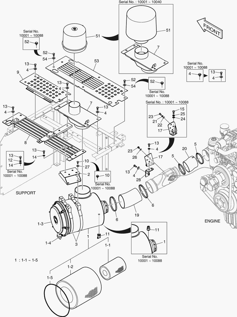
1721 BAFFLE [10071~]

1721 BAFFLE [10071~]

1Артикул: 110958-02883, SUPPORT & BAFFLE ASSY
2Артикул: 110502-00658C, COVER,BAFFLE
3Артикул: 110502-00660B, COVER,BAFFLE
Подробнее >
ОБТЕКАЕМАЯ ПОДКУЗОВНАЯ ПАНЕЛЬ

ОБТЕКАЕМАЯ ПОДКУЗОВНАЯ ПАНЕЛЬ

1Артикул: 110513-01633, COVER,UNDER
2Артикул: 110513-01643, COVER,UNDER
3Артикул: 110513-01643A, COVER,UNDER
Подробнее >
1410 PILOT PIPING(4) - BUCKET

1410 PILOT PIPING(4) - BUCKET

1Артикул: 420212-12972, PIPING,PILOT
2Артикул: DS2121240, HOSE
3Артикул: DS2121371, HOSE
Подробнее >
1430 PILOT PIPING(6) - TRAVEL

1430 PILOT PIPING(6) - TRAVEL

1Артикул: 420212-12972, PIPING,PILOT
2Артикул: DS2121212, HOSE
3Артикул: 120202-00055, CLAMP
Подробнее >
ТУБОПРОВОД МАСЛЯНОГО РАДИАТОРА(3)

ТУБОПРОВОД МАСЛЯНОГО РАДИАТОРА(3)

1Артикул: 420212-12989, PIPING,OIL COOLER
2Артикул: DS20111521, HOSE
3Артикул: DS2012825, HOSE
Подробнее >
1350 MAIN PIPING(6) - TWO PUMP

1350 MAIN PIPING(6) - TWO PUMP

1Артикул: 420212-12154, PIPING,MAIN
2Артикул: 410111-00005A, VALVE,STOP
3Артикул: 110425-00291, BRACKET,TWO PUMP VALVE
Подробнее >
ЭЛЕКТРИЧЕСКИЕ ЗАПЧАСТИ - КАБИНА

ЭЛЕКТРИЧЕСКИЕ ЗАПЧАСТИ - КАБИНА

1Артикул: 300619-03005B, ELECTRIC ASSY;CABIN
2Артикул: 300619-03005C, ELECTRIC ASSY;CABIN
3Артикул: 300619-03005G, ELECTRIC ASSY;CABIN
Подробнее >
1200 AIR CLEANER

1200 AIR CLEANER

1Артикул: 400414-00459, CLEANER ASSY,AIR
2Артикул: 204-00066, AIR CLEANER
3Артикул: 400414-00585, CLEANER,AIR
Подробнее >
1190 OIL COOLER [10001~10056]

1190 OIL COOLER [10001~10056]

1Артикул: 150109-01423, ENGINE ASSY
2Артикул: 400206-00393B, COOLER,OIL
3Артикул: 400206-00310, . COOLER,OIL
Подробнее >
1440 PILOT PIPING(7) - OTHERS

1440 PILOT PIPING(7) - OTHERS

1Артикул: 420212-12972, PIPING,PILOT
2Артикул: DS2119049, HOSE
3Артикул: DS2120149, HOSE
Подробнее >
ПУЛЬТ УПРАВЛЕНИЯ - ПРАВОСТОРОННИЙ

ПУЛЬТ УПРАВЛЕНИЯ - ПРАВОСТОРОННИЙ

1Артикул: 220111-00110, STAND ASSY,CONTROL
2Артикул: 220111-00110A, STAND ASSY,CONTROL
3Артикул: 220111-00110B, STAND ASSY,CONTROL
Подробнее >
СКОЛЬЗЯЩАЯ ПЛИТА СИДЕНИЯ

СКОЛЬЗЯЩАЯ ПЛИТА СИДЕНИЯ

1Артикул: 250110-00054H, PLATE ASSY,SEAT
2Артикул: 250110-00054K, PLATE ASSY,SEAT
3Артикул: 250110-00054L, PLATE ASSY,SEAT
Подробнее >
ЭЛЕКТРИЧЕСКИЕ ЗАПЧАСТИ - ПУЛЬТ УПРАВЛЕНИЯ

ЭЛЕКТРИЧЕСКИЕ ЗАПЧАСТИ - ПУЛЬТ УПРАВЛЕНИЯ

1Артикул: 300619-03073A, ELECTRIC ASSY
2Артикул: 300619-03073B, ELECTRIC ASSY;STAND
3Артикул: 301419-00229, SWITCH,STARTER
Подробнее >
1711 SUPPORT [10071~]

1711 SUPPORT [10071~]

1Артикул: 110958-02883, SUPPORT & BAFFLE ASSY
2Артикул: 110958-02887E, SUPPORT
3Артикул: 110958-02886, SUPPORT
Подробнее >
КАМЕРА ЗАДНЕГО ВИДА

КАМЕРА ЗАДНЕГО ВИДА

1Артикул: 300619-03098, ELECTRIC ASSY
2Артикул: 310207-04048A, HARNESS,JOINT
3Артикул: K1001029, BOLT
Подробнее >
1941 TMS(NA) - CELLULAR & SATELLITE & FOGS(V1.5) [10081~]

1941 TMS(NA) - CELLULAR & SATELLITE & FOGS(V1.5) [10081~]

1Артикул: 300619-03341A, ELECTRIC ASSY
2Артикул: 300619-04004, ELECTRIC ASSY
3Артикул: 300611-01140, . CONTROLLER,TMS
Подробнее >
1360 MAIN PIPING(7) - ROTATING

1360 MAIN PIPING(7) - ROTATING

1Артикул: 420212-12983, PIPING,MAIN;ROTATING
2Артикул: 401-00434, PUMP,GEAR
3Артикул: 426-00284B, VALVE,ONE SPOOL
Подробнее >
ТУБОПРОВОД МАСЛЯНОГО РАДИАТОРА(1)

ТУБОПРОВОД МАСЛЯНОГО РАДИАТОРА(1)

1Артикул: 420212-12989, PIPING,OIL COOLER
2Артикул: 420218-00364A, PIPE,OIL SUCTION
3Артикул: 420218-00364C, PIPE,SUCTION
Подробнее >
ГЛАВНАЯ МАГИСТРАЛЬ(2) - СТРЕЛА

ГЛАВНАЯ МАГИСТРАЛЬ(2) - СТРЕЛА

1Артикул: 420212-12985, PIPING,MAIN
2Артикул: 110436-00266, BRACKET,PIPE
3Артикул: 420207-03228, PIPE,BOOM DOWN
Подробнее >
НАКЛОН ТРУБОПРОВОДА

НАКЛОН ТРУБОПРОВОДА

1Артикул: 420212-12968, PIPING,TILTING
2Артикул: 2440-9308, CYLINDER,TILT
3Артикул: 2401-9281, TILT PUMP
Подробнее >
ЭЛЕКТРИЧЕСКИЕ ЗАПЧАСТИ - АНАЛОГИ

ЭЛЕКТРИЧЕСКИЕ ЗАПЧАСТИ - АНАЛОГИ

1Артикул: 300619-03002, ELECTRIC ASSY
2Артикул: 300101-00327, BATTERY
3Артикул: K1003427, BOLT
Подробнее >
1891 ELECTRIC WIRING [10048~]

1891 ELECTRIC WIRING [10048~]

1Артикул: 300619-02997, ELECTRIC ASSY
2Артикул: 2553-1275D39, CABLE,EARTH
3Артикул: S5102603, WASHER
Подробнее >
1110 COUNTER WEIGHT INSTALL

1110 COUNTER WEIGHT INSTALL

1Артикул: 160702-01087, WEIGHT ASSY,COUNTER
2Артикул: 120106-00575, BOLT
3Артикул: 114-00055, WASHER
Подробнее >
ПРОТИВОВЕС - 6.3ТОНН

ПРОТИВОВЕС - 6.3ТОНН

1Артикул: 160702-00978B, WEIGHT ASSY,COUNTER;6.3T
2Артикул: 160702-00978E, WEIGHT ASSY,COUNTER;6.3T
3Артикул: -, WEIGHT,COUNTER;6.3TON
Подробнее >
ЧЕХОЛ КРЫШКИ

ЧЕХОЛ КРЫШКИ

1Артикул: 220204-00047B, COVER ASSY,CABIN
2Артикул: 220204-00270, COVER,ROOF
3Артикул: 110927-00014, HINGE,ROOF COVER
Подробнее >
РУКОЯТКА - КАБИНА

РУКОЯТКА - КАБИНА

1Артикул: 110925-00382, HANDLE ASSY
2Артикул: 110925-00382B, HANDLE ASSY
3Артикул: 110925-00385, HANDLE,OUTER
Подробнее >
1960 CABLE - OPERATION MANUAL

1960 CABLE - OPERATION MANUAL

1Артикул: 310401-02027, CABLE ASSY;MANUAL
2Артикул: 310401-02027A, CABLE ASSY
3Артикул: 310401-02028, CABLE;MANUAL
Подробнее >
1950 TMS - CELLULAR & SATELLITE & FOGS(V1.5) [10001~10080]

1950 TMS - CELLULAR & SATELLITE & FOGS(V1.5) [10001~10080]

1Артикул: 300619-03342, ELECTRIC ASSY,TMS1.5
2Артикул: 300619-03139, ELECTRIC ASSY;TMS1.5
3Артикул: 300611-00902, . CONTROLLER;TMS1.5
Подробнее >
КОВРИК НА ПОЛУ КУЗОВА

КОВРИК НА ПОЛУ КУЗОВА

1Артикул: 110955-00049, STEP ASSY
2Артикул: 110955-00048, STEP,CABIN DOOR
3Артикул: S2004366, BOLT,HEX FLANGE
Подробнее >
БОКОВАЯ ДВЕРЬ - ПРАВОСТОРОННИЙ

БОКОВАЯ ДВЕРЬ - ПРАВОСТОРОННИЙ

1Артикул: 110508-21162, COVER ASSY
2Артикул: 110982-00945, DOOR ASSY,SIDE;RH
3Артикул: 110982-00945A, DOOR ASSY,SIDE;RH
Подробнее >
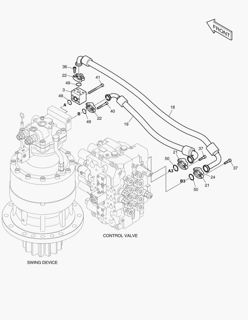
ГИДРОМОТОР ПОВОРОТА ПЛАТФОРМЫ

ГИДРОМОТОР ПОВОРОТА ПЛАТФОРМЫ

1Артикул: 170301-00273, DEVICE ASSY,SWING
2Артикул: 170301-00274, DEVICE ASSY,SWING
3Артикул: 170301-00274A, DEVICE ASSY,SWING
Подробнее >
1590 CABIN RISER

1590 CABIN RISER

1Артикул: 110944-00009, RISER ASSY,CABIN
2Артикул: 110944-00010B, RISER ASSY,CABIN
3Артикул: 110944-00010C, RISER ASSY,CABIN
Подробнее >
1860 AUDIO [10001~10056]

1860 AUDIO [10001~10056]

1Артикул: 300637-00021, PLAYER,CD(24V HANDS)
2Артикул: 300637-00014, PLAYER,CD(24V)
Подробнее >
ТУБОПРОВОД МАСЛЯНОГО РАДИАТОРА(2)

ТУБОПРОВОД МАСЛЯНОГО РАДИАТОРА(2)

1Артикул: 420212-12989, PIPING,OIL COOLER
2Артикул: 410128-00005A, VALVE,BYPASS
3Артикул: 410128-00053, VALVE,BYPASS
Подробнее >
1240 FUEL TANK

1240 FUEL TANK

1Артикул: 450103-00598, TANK ASSY,FUEL
2Артикул: 450103-00543, TANK,FUEL
3Артикул: 450103-00543A, TANK,FUEL
Подробнее >
1560 SEAT

1560 SEAT

1Артикул: 220110-00029C, SEAT,OPERATOR
2Артикул: 220110-00029E, SEAT,OPERATOR
3Артикул: 220108-00003, REST,HEAD
Подробнее >
1630 CABIN(2)

1630 CABIN(2)

1Артикул: 220101-01317A, CABIN ASSY
2Артикул: 220101-01317B, CABIN ASSY
3Артикул: 220101-01317G, CABIN ASSY;NONROPS ND
Подробнее >
ПУЛЬТ УПРАВЛЕНИЯ - ЛЕВОСТОРОННИЙ

ПУЛЬТ УПРАВЛЕНИЯ - ЛЕВОСТОРОННИЙ

1Артикул: 220111-00047H, STAND ASSY,CONTROL(L.H)
2Артикул: 220111-00047K, STAND ASSY,CONTROL(L.H)
3Артикул: 220111-00047L, STAND ASSY,CONTROL
Подробнее >
АКУСТИЧЕСКАЯ НОПЛАСТОВАЯ ИЗОЛЯЦИЯ

АКУСТИЧЕСКАЯ НОПЛАСТОВАЯ ИЗОЛЯЦИЯ

1Артикул: 180102-00642, FOAM ASSY,ACOUSTIC
2Артикул: K1057172, FOAM
3Артикул: K1057173, FOAM
Подробнее >
1710 SUPPORT [10001~10070]

1710 SUPPORT [10001~10070]

1Артикул: 110958-02883, SUPPORT & BAFFLE ASSY
2Артикул: 110958-02887C, SUPPORT
3Артикул: 110958-02886, SUPPORT
Подробнее >
1420 PILOT PIPING(5) - SWING

1420 PILOT PIPING(5) - SWING

1Артикул: 420212-12972, PIPING,PILOT
2Артикул: DS2120021, HOSE ASSY,HYDRAULIC
3Артикул: DS2121035, HOSE ASSY,HYDRAULIC
Подробнее >
1620 CABIN(1)

1620 CABIN(1)

1Артикул: 220101-01317A, CABIN ASSY
2Артикул: 220101-01317B, CABIN ASSY
3Артикул: 220101-01317G, CABIN ASSY;NONROPS ND
Подробнее >
ТОПЛИВНЫЕ ТРУБОПРОВОДЫ

ТОПЛИВНЫЕ ТРУБОПРОВОДЫ

1Артикул: 420212-12988, PIPING,FUEL
2Артикул: 410202-00011A, COCK,VALVE
3Артикул: 410202-00064, COCK,VALVE
Подробнее >
1400 PILOT PIPING(3) - ARM

1400 PILOT PIPING(3) - ARM

1Артикул: 420212-12972, PIPING,PILOT
2Артикул: DS2119039, HOSE
3Артикул: DS2119239, HOSE
Подробнее >
МОНТАЖ ДВИГАТЕЛЯ(1)

МОНТАЖ ДВИГАТЕЛЯ(1)

1Артикул: 150109-01423, ENGINE ASSY
2Артикул: 420203-00257C, PIPE,EXHAUST
3Артикул: 420203-00684B, PIPE,EXHAUST
Подробнее >
КРЫШКА В СБОРЕ

КРЫШКА В СБОРЕ

1Артикул: 110506-00162, COVER ASSY,ENGINE
2Артикул: 110506-00335, COVER ASSY,ENGINE
3Артикул: 110501-00186G, BONNET,ENGINE
Подробнее >
ПОРУЧЕНЬ

ПОРУЧЕНЬ

1Артикул: 101582-00532, RAIL,GUARD
2Артикул: 101582-00262, RAIL,GUARD
3Артикул: 101582-00262A, RAIL,GUARD
Подробнее >
КРЫШКА ОБОГРЕВАТЕЛЯ

КРЫШКА ОБОГРЕВАТЕЛЯ

1Артикул: 220204-00189G, COVER ASSY;REAR
2Артикул: 220204-00189K, COVER ASSY
3Артикул: 220204-00189L, COVER ASSY(REAR)
Подробнее >
ЛИСТ НАСТИЛА

ЛИСТ НАСТИЛА

1Артикул: 250106-00399E, PLATE ASSY,FLOOR
2Артикул: 250106-00399G, PLATE ASSY,FLOOR
3Артикул: 250106-00399H, PLATE ASSY,FLOOR
Подробнее >
КОНДИЦИОНЕР(2)

КОНДИЦИОНЕР(2)

1Артикул: 440213-00643, VENTILATION ASSY,CABIN
2Артикул: 440213-00643A, VENTILATION ASSY,CABIN;COMMON
3Артикул: 440213-00643B, VENTILATION ASSY,CABIN;COMMON
Подробнее >
1625 ANTENNA [10048~]

1625 ANTENNA [10048~]

1Артикул: 300619-03783, ELECTRIC ASSY
2Артикул: 300619-03782, ELECTRIC ASSY
3Артикул: 300703-00009A, ANTENNA ASSY
Подробнее >
1340 MAIN PIPING(5) - FRONT PIPING

1340 MAIN PIPING(5) - FRONT PIPING

1Артикул: 420212-12985, PIPING,MAIN
2Артикул: 423-00199, BLOCK,SPACER
3Артикул: 2423-1407, BLOCK
Подробнее >
1650 CABIN(4)

1650 CABIN(4)

1Артикул: 220101-01317A, CABIN ASSY
2Артикул: 220101-01317B, CABIN ASSY
3Артикул: 220101-01317G, CABIN ASSY;NONROPS ND
Подробнее >
1390 PILOT PIPING(2) - BOOM

1390 PILOT PIPING(2) - BOOM

1Артикул: 420212-12972, PIPING,PILOT
2Артикул: 430216-00020A, JOINT SUB ASSY
3Артикул: 250122-00080, . PLATE,SUPPORT
Подробнее >
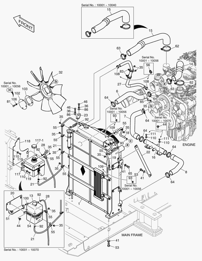
1180 RADIATOR

1180 RADIATOR

1Артикул: 440211-00396E, RADIATOR ASSY
2Артикул: 440211-00396G, RADIATOR ASSY
3Артикул: 440211-00674, RADIATOR
Подробнее >
ДВИГАТЕЛЬ (США)

ДВИГАТЕЛЬ (США)

1Артикул: 150109-01546, ENGINE ASSY;TIER4 DC09
2Артикул: 150109-00812A, ENGINE ASSY
3Артикул: 150109-00812C, ENGINE ASSY
Подробнее >
1890 ELECTRIC WIRING [10001~10047]

1890 ELECTRIC WIRING [10001~10047]

1Артикул: 300619-02997, ELECTRIC ASSY
2Артикул: 2553-1275D39, CABLE,EARTH
3Артикул: S5102603, WASHER
Подробнее >
1770 UREA TANK COVER

1770 UREA TANK COVER

1Артикул: 110508-11765, COVER ASSY;UREA TANK
2Артикул: 110516-00081H, COVER,SUPPORT;UREA TANK
3Артикул: 110516-00081K, COVER,SUPPORT;UREA TANK
Подробнее >
1191 OIL COOLER [10057~]

1191 OIL COOLER [10057~]

1Артикул: 150109-01423, ENGINE ASSY
2Артикул: 400206-00753, COOLER,OIL
3Артикул: 400206-00819, . COOLER,OIL
Подробнее >
ОПОРА НАСОСА

ОПОРА НАСОСА

1Артикул: 400914-00551, PUMP INSTALLATION ASSY
2Артикул: 400914-00395A, PUMP,MAIN
3Артикул: 400914-00395B, PUMP,MAIN
Подробнее >
ТРУБОПРОВОД СМАЗОЧНОЙ СИСТЕМЫ

ТРУБОПРОВОД СМАЗОЧНОЙ СИСТЕМЫ

1Артикул: 420212-08353, PIPING,LUBRICATION
2Артикул: K1006979A, PIPE,GREASE
3Артикул: K1006980A, PIPE,GREASE
Подробнее >
1951 TMS - CELLULAR & SATELLITE & FOGS(V1.5) [10081~]

1951 TMS - CELLULAR & SATELLITE & FOGS(V1.5) [10081~]

1Артикул: 300619-03342, ELECTRIC ASSY,TMS1.5
2Артикул: 300619-03139, ELECTRIC ASSY;TMS1.5
3Артикул: 300611-00902, . CONTROLLER;TMS1.5
Подробнее >
1100 MAIN FRAME

1100 MAIN FRAME

1Артикул: 160620-00591, FRAME ASSY,MAIN
2Артикул: S0571866, BOLT M20X2.5X170
3Артикул: S4013133, NUT
Подробнее >
ПЛАСТИНА СИДЕНЬЯ

ПЛАСТИНА СИДЕНЬЯ

1Артикул: 160102-00030, BASE ASSY,SEAT
2Артикул: 220204-00198, COVER ASSY
3Артикул: 2120-2166D52, BOLT
Подробнее >
ГЛАВНАЯ МАГИСТРАЛЬ(1) - НАСОС

ГЛАВНАЯ МАГИСТРАЛЬ(1) - НАСОС

1Артикул: 420212-12985, PIPING,MAIN
2Артикул: 110406-03285, BRACKET,CLAMP
3Артикул: 250201-03123, PLATE,CLAMP
Подробнее >
1540 SUSPENSION

1540 SUSPENSION

1Артикул: 190112-00001C, SUSPENSION ASSY
2Артикул: 190112-00009B, SUSPENSION,SEAT
3Артикул: 430205-00011, . BELLOWS
Подробнее >
1760 STORAGE BOX

1760 STORAGE BOX

1Артикул: 110503-00330, COVER ASSY
2Артикул: 110503-00331, COVER ASSY
3Артикул: 110503-00331A, COVER ASSY,BATTERY
Подробнее >
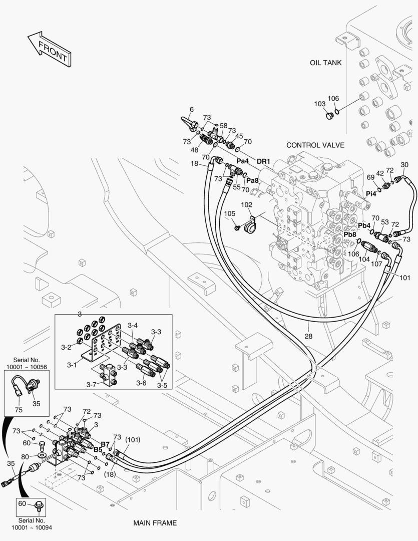
1261 OIL TANK [10057~]

1261 OIL TANK [10057~]

1Артикул: 450105-00442, TANK ASSY,OIL
2Артикул: -, TANK ASSY,OIL
3Артикул: 450105-00443E, . TANK,OIL
Подробнее >
1640 CABIN(3)

1640 CABIN(3)

1Артикул: 220101-01317A, CABIN ASSY
2Артикул: 220101-01317B, CABIN ASSY
3Артикул: 220101-01317G, CABIN ASSY;NONROPS ND
Подробнее >
БЛОК КОНДИЦИОНЕРА

БЛОК КОНДИЦИОНЕРА

1Артикул: 440205-00033, CONDITIONER,AIR
2Артикул: 440205-00110A, CONDITIONER,AIR
3Артикул: 440205-00110C, CONDITIONER,AIR
Подробнее >
ОПОРТНЫЙ УЗЕЛ РАДИАТОРА

ОПОРТНЫЙ УЗЕЛ РАДИАТОРА

1Артикул: 150109-01423, ENGINE ASSY
2Артикул: 440211-00396E, RADIATOR ASSY
3Артикул: 440211-00396G, RADIATOR ASSY
Подробнее >
1750 COVER

1750 COVER

1Артикул: 110508-21162, COVER ASSY
2Артикул: 110508-21168A, COVER;RADI ROOM
3Артикул: 110508-21168B, COVER;RADI ROOM
Подробнее >
УСТАНОВКА КАБИНЫ

УСТАНОВКА КАБИНЫ

1Артикул: 180204-00154, RUBBER,CABIN MOUNT
2Артикул: 161-00010, RUBBER,MOUNT
3Артикул: 161-00011, RUBBER,MOUNT
Подробнее >
1800 BONNET

1800 BONNET

1Артикул: 110501-00186G, BONNET,ENGINE
2Артикул: 110501-00186H, BONNET,ENGINE
3Артикул: 110501-00186K, BONNET,ENGINE
Подробнее >
1330 MAIN PIPING(4) - CENTER JOINT

1330 MAIN PIPING(4) - CENTER JOINT

1Артикул: 420212-12985, PIPING,MAIN
2Артикул: DS2026248, HOSE
3Артикул: DS2026296, HOSE
Подробнее >
1320 MAIN PIPING(3) - SWING

1320 MAIN PIPING(3) - SWING

1Артикул: 420212-12985, PIPING,MAIN
2Артикул: 100201-00907A, BLOCK
3Артикул: DS2045729, HOSE
Подробнее >
ТРУБОПРОВОД СЕРВОУПРАВЛЕНИЯ(12)

ТРУБОПРОВОД СЕРВОУПРАВЛЕНИЯ(12)

1Артикул: 420212-12974A, PIPING,PILOT
2Артикул: 420212-12974B, PIPING,PILOT
3Артикул: 420212-12974E, PIPING,PILOT
Подробнее >
МОНТАЖ ДВИГАТЕЛЯ(2)

МОНТАЖ ДВИГАТЕЛЯ(2)

1Артикул: 150109-01423, ENGINE ASSY
2Артикул: DS2081168, HOSE,WATER
3Артикул: 110406-02158A, BRACKET
Подробнее >
БОКОВАЯ ДВЕРЬ - ЛЕВОСТОРОННИЙ

БОКОВАЯ ДВЕРЬ - ЛЕВОСТОРОННИЙ

1Артикул: 110508-21162, COVER ASSY
2Артикул: 110982-00946, DOOR ASSY,SIDE;LH
3Артикул: 110982-00946A, DOOR ASSY,SIDE;LH
Подробнее >
КОНДИЦИОНЕР(1)

КОНДИЦИОНЕР(1)

1Артикул: 440213-00641, VENTILATION ASSY
2Артикул: 547-00024A, SENSOR
3Артикул: DS2228010, ADAPTER
Подробнее >
ПОДСТАВКА ДЛЯ НОГ - ПРАВОСТОРОННИЙ

ПОДСТАВКА ДЛЯ НОГ - ПРАВОСТОРОННИЙ

1Артикул: 220107-00043, REST,FOOT(R.H)
2Артикул: 220107-00043A, REST,FOOT(R.H)
3Артикул: 220107-00041, REST,FOOT
Подробнее >
ТРУБОПРОВОД СЕРВОУПРАВЛЕНИЯ(10)

ТРУБОПРОВОД СЕРВОУПРАВЛЕНИЯ(10)

1Артикул: 420212-12974A, PIPING,PILOT
2Артикул: 420212-12974B, PIPING,PILOT
3Артикул: 420212-12974E, PIPING,PILOT
Подробнее >
1940 TMS(NA) - CELLULAR & SATELLITE & FOGS(V1.5) [10001~10080]

1940 TMS(NA) - CELLULAR & SATELLITE & FOGS(V1.5) [10001~10080]

1Артикул: 300619-03341, ELECTRIC ASSY,TMS1.5
2Артикул: 300619-03138, ELECTRIC ASSY
3Артикул: 300611-00901, . CONTROLLER
Подробнее >
ТРУБОПРОВОД СЕРВОУПРАВЛЕНИЯ(8)

ТРУБОПРОВОД СЕРВОУПРАВЛЕНИЯ(8)

1Артикул: 420212-12967, PIPING,PILOT
2Артикул: 430216-00419, JOINT SUB ASSY
3Артикул: 430216-00419A, JOINT SUB ASSY
Подробнее >
ГЛАВНАЯ МАГИСТРАЛЬ(7) - ПРИВОД ВЕНТИЛЯТОРА

ГЛАВНАЯ МАГИСТРАЛЬ(7) - ПРИВОД ВЕНТИЛЯТОРА

1Артикул: 420212-08585, PIPING,FAN DRIVE
2Артикул: 400911-00103, PUMP,FAN DRIVE
3Артикул: K1057295, MOTOR,FAN
Подробнее >
ТРУБОПРОВОД СЕРВОУПРАВЛЕНИЯ(11)

ТРУБОПРОВОД СЕРВОУПРАВЛЕНИЯ(11)

1Артикул: 420212-12974A, PIPING,PILOT
2Артикул: 420212-12974B, PIPING,PILOT
3Артикул: 420212-12974E, PIPING,PILOT
Подробнее >
1380 PILOT PIPING(1) - PUMP

1380 PILOT PIPING(1) - PUMP

1Артикул: 420212-12972, PIPING,PILOT
2Артикул: 400407-00006, FILTER,PILOT
3Артикул: 400407-00008, FILTER,PILOT
Подробнее >
1880 ELECTRIC PARTS - WORKING LAMP(HALOGEN)

1880 ELECTRIC PARTS - WORKING LAMP(HALOGEN)

1Артикул: 300619-03004, ELECTRIC ASSY
2Артикул: 301005-00132, LAMP,WORKING(HALOGEN)
3Артикул: 2515-1016D4, . BULB,HALOGEN
Подробнее >
ДВИГАТЕЛЬ (EU)

ДВИГАТЕЛЬ (EU)

1Артикул: 150109-01545, ENGINE ASSY;TIER4 DC09
2Артикул: 150109-00811B, ENGINE ASSY
3Артикул: 150109-00811E, ENGINE ASSY
Подробнее >
ПРИВОД ВЕНТИЛЯТОРА

ПРИВОД ВЕНТИЛЯТОРА

1Артикул: 210101-00251, FAN DRIVE INSTALLAION
2Артикул: 110412-00009A, BRACKET,FAN MOUNTING
3Артикул: 210101-00257, FAN
Подробнее >
1260 OIL TANK [10001~10056]

1260 OIL TANK [10001~10056]

1Артикул: 450105-00442, TANK ASSY,OIL
2Артикул: 450105-00443B, TANK,OIL
3Артикул: S0565466, BOLT M16X2.0X60
Подробнее >
ТРУБОПРОВОД СЕРВОУПРАВЛЕНИЯ(9)

ТРУБОПРОВОД СЕРВОУПРАВЛЕНИЯ(9)

1Артикул: 420212-12982, PIPING,PILOT
2Артикул: DS2119084, HOSE ASSY,HYDRAULIC
3Артикул: DS2119104, HOSE
Подробнее >
КРЫШКА ТРУБОПРОВОДА

КРЫШКА ТРУБОПРОВОДА

1Артикул: 110517-00363G, COVER ASSY,SIDE
2Артикул: 110517-00363H, COVER ASSY,SIDE
3Артикул: 110517-00363K, COVER ASSY,SIDE
Подробнее >
1720 BAFFLE [10001~10070]

1720 BAFFLE [10001~10070]

1Артикул: 110958-02883, SUPPORT & BAFFLE ASSY
2Артикул: 110502-00658C, COVER,BAFFLE
3Артикул: 110502-00660B, COVER,BAFFLE
Подробнее >
УСТАНОВКА СИДЕНЬЯ

УСТАНОВКА СИДЕНЬЯ

1Артикул: 220110-00016C, SEAT ASSY,OPERATER
2Артикул: 220110-00016E, SEAT ASSY,OPERATER
3Артикул: 220110-00029C, SEAT,OPERATOR
Подробнее >