+7 (701) 588 50 05 Телефон для связи
RU

WhatsApp

Позвонить

ПОВОРОТНЫЙ КОРПУС в Алматы

1780 COVER

1780 COVER

1Артикул: 110508-16160, COVER ASSY
2Артикул: 110508-17045, COVER,UPPER
3Артикул: 110508-17045A, COVER,UPPER;MCV
Подробнее >
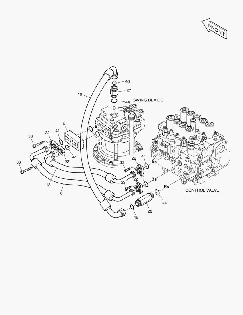
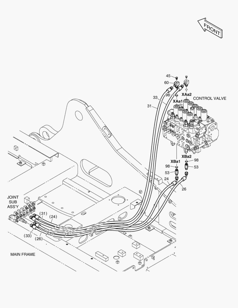
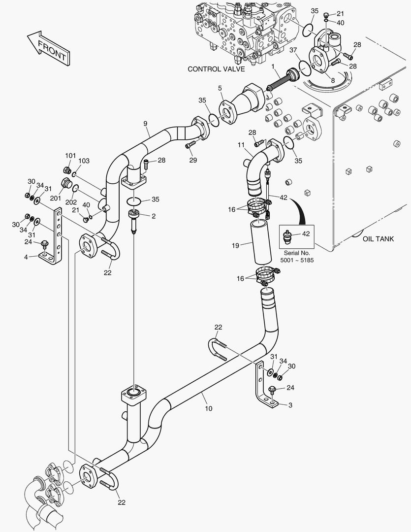
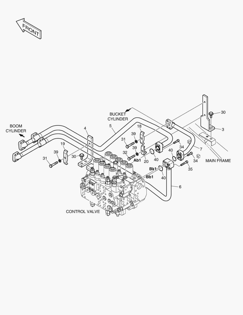
ГЛАВНАЯ МАГИСТРАЛЬ(3) - РУКОЯТЬ, КОВШ

ГЛАВНАЯ МАГИСТРАЛЬ(3) - РУКОЯТЬ, КОВШ

1Артикул: 420212-10880, MAIN PIPING
2Артикул: DS2038500, HOSE ASSY,HYDRAULIC
3Артикул: DS2038246, HOSE
Подробнее >
CAC ТРУБОПРОВОД

CAC ТРУБОПРОВОД

1Артикул: 420212-11037, PIPING,CAC
2Артикул: K1012144, PIPE
3Артикул: K1038559, HOSE
Подробнее >
1430 PILOT PIPING(10) - DOZER

1430 PILOT PIPING(10) - DOZER

1Артикул: 420212-10830B, PIPING,PILOT
2Артикул: 420212-10830C, PIPING,PILOT
3Артикул: 420212-10830E, PIPING,PILOT
Подробнее >
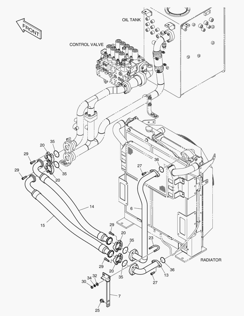
ТУБОПРОВОД МАСЛЯНОГО РАДИАТОРА(1)

ТУБОПРОВОД МАСЛЯНОГО РАДИАТОРА(1)

1Артикул: 420212-10926, PIPING,OIL COOLER
2Артикул: K1011757A, PIPE;SUCTION
3Артикул: 420218-00542, PIPE,SUCTION
Подробнее >
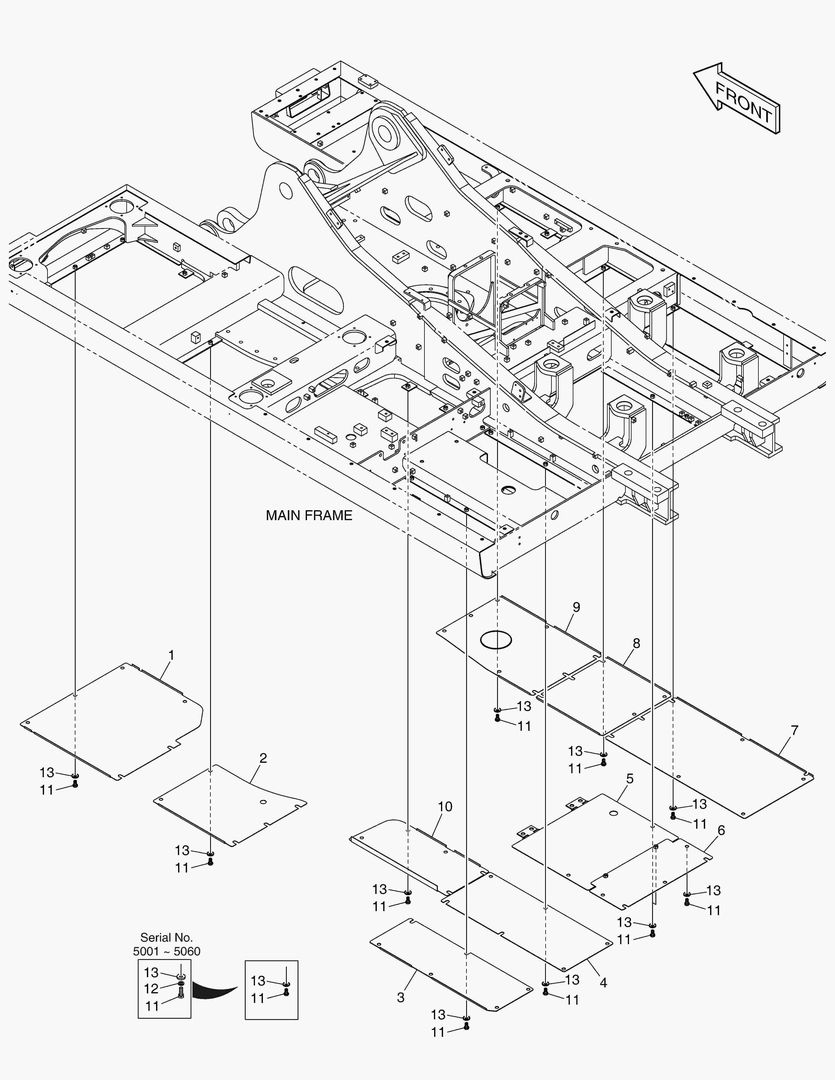
1100 MAIN FRAME

1100 MAIN FRAME

1Артикул: 160620-00479, FRAME ASSY,MAIN
2Артикул: 160620-00480B, FRAME,MAIN
3Артикул: 160620-00480C, FRAME,MAIN
Подробнее >
1340 PILOT PIPING(1) - PUMP

1340 PILOT PIPING(1) - PUMP

1Артикул: 420212-11016, PIPING,PILOT
2Артикул: K1052402, VALVE;SOLENOID
3Артикул: 400407-00006, FILTER,PILOT
Подробнее >
ЭЛЕКТРИЧЕСКИЕ ЗАПЧАСТИ - ДВИГАТЕЛЬ

ЭЛЕКТРИЧЕСКИЕ ЗАПЧАСТИ - ДВИГАТЕЛЬ

1Артикул: 300619-02553, ELECTRIC ASSY,ENGINE
2Артикул: 301202-00067, RELAY,PRE HEATER
3Артикул: DS0025033, BOLT
Подробнее >
ЭЛЕКТРИЧЕСКИЕ ЗАПЧАСТИ - РАБОЧАЯ ЛАМПА

ЭЛЕКТРИЧЕСКИЕ ЗАПЧАСТИ - РАБОЧАЯ ЛАМПА

1Артикул: K1010314A, ELECTRIC PARTS-WORK LAMP
2Артикул: 301005-01347, LAMP ASSY,WORKING
3Артикул: 301005-00132, LAMP,WORKING(HALOGEN)
Подробнее >
СКОЛЬЗЯЩАЯ ПЛИТА СИДЕНИЯ

СКОЛЬЗЯЩАЯ ПЛИТА СИДЕНИЯ

1Артикул: K1002164E, SEAT SLIDING PLATE
2Артикул: 621-03055E, SEAT PLATE ASM
3Артикул: 621-03069C, . PLATE;SEAT MOUNT
Подробнее >
1420 PILOT PIPING(9) - JOYSTICK(R.H)

1420 PILOT PIPING(9) - JOYSTICK(R.H)

1Артикул: 420212-10830B, PIPING,PILOT
2Артикул: 420212-10830C, PIPING,PILOT
3Артикул: 420212-10830E, PIPING,PILOT
Подробнее >
ЗЕРКАЛО ПОМЕЩЕНИЯ

ЗЕРКАЛО ПОМЕЩЕНИЯ

1Артикул: 903-00077, ROOM MIRROR ASS`Y
2Артикул: 195-03340B, BRACKET
3Артикул: 2903-6006, MIRROR;ROOM
Подробнее >
ПУЛЬТ УПРАВЛЕНИЯ - ПРАВОСТОРОННИЙ

ПУЛЬТ УПРАВЛЕНИЯ - ПРАВОСТОРОННИЙ

1Артикул: 220111-00077, STAND ASSY,CONTROL;RH
2Артикул: 220111-00077A, STAND ASSY,CONTROL;RH
3Артикул: 110431-00130, BRACKET,STAND(R.H)
Подробнее >
ВКЛЮЧАТЕЛЬ - ЗАДНИЙ БУЛЬДОЗЕР

ВКЛЮЧАТЕЛЬ - ЗАДНИЙ БУЛЬДОЗЕР

1Артикул: K1023315A, SWITCH ASS`Y
2Артикул: 549-00101, SWITCH
3Артикул: K1002406D20, ACTUATOR;SWITCH
Подробнее >
1801 UNDER COVER [5190~]

1801 UNDER COVER [5190~]

1Артикул: 110513-01280, COVER,UNDER
2Артикул: 110513-02203, COVER,UNDER
3Артикул: 110513-02204, COVER,UNDER
Подробнее >
ПУЛЬТ УПРАВЛЕНИЯ - ЛЕВОСТОРОННИЙ

ПУЛЬТ УПРАВЛЕНИЯ - ЛЕВОСТОРОННИЙ

1Артикул: 110953-00001H, STAND ASSY
2Артикул: 110431-00026A, BRACKET,STAND
3Артикул: 220204-00279, COVER,STAND
Подробнее >
1440 PILOT PIPING(11) - ACCELERATOR

1440 PILOT PIPING(11) - ACCELERATOR

1Артикул: 420212-10830B, PIPING,PILOT
2Артикул: 420212-10830C, PIPING,PILOT
3Артикул: 420212-10830E, PIPING,PILOT
Подробнее >
1410 PILOT PIPING(8) - JOYSTICK(L.H)

1410 PILOT PIPING(8) - JOYSTICK(L.H)

1Артикул: 420212-10830B, PIPING,PILOT
2Артикул: 420212-10830C, PIPING,PILOT
3Артикул: 420212-10830E, PIPING,PILOT
Подробнее >
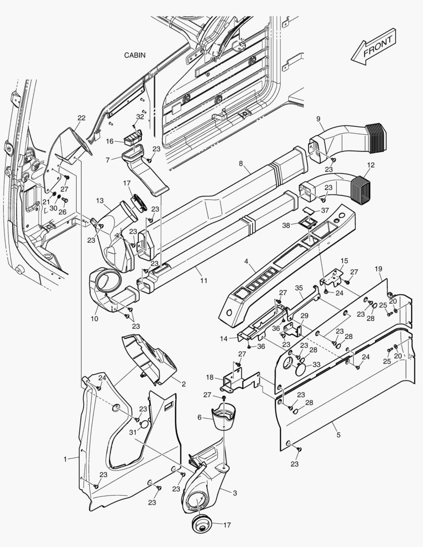
1620 CABIN(1) - GLASS

1620 CABIN(1) - GLASS

1Артикул: 220101-01245A, CABIN ASSY
2Артикул: 220101-01245B, CABIN ASSY
3Артикул: 220101-01245C, CABIN ASSY
Подробнее >
1580 SEAT

1580 SEAT

1Артикул: 901-00045, SEAT ASS`Y
2Артикул: K9001695, UPPER ASS`Y
3Артикул: K9001201, BACK COVER
Подробнее >
ТРУБОПРОВОД СМАЗОЧНОЙ СИСТЕМЫ

ТРУБОПРОВОД СМАЗОЧНОЙ СИСТЕМЫ

1Артикул: 420212-11354, PIPING,LUBRICATION
2Артикул: K1007665B, PIPE,GREASE
3Артикул: DS2058336, HOSE
Подробнее >
КРЫШКА ЛЮКА

КРЫШКА ЛЮКА

1Артикул: 110508-15918, SUN ROOF COVER
2Артикул: 110508-15919, COVER,SUN ROOF
3Артикул: 621-02872, COVER,ROOF HINGE
Подробнее >
1831 ELECTRIC BOX ASS`Y [5061~]

1831 ELECTRIC BOX ASS`Y [5061~]

1Артикул: 300619-03376, ELECTRIC ASSY;EBOX
2Артикул: 300619-03376A, ELECTRIC ASSY;EBOX
3Артикул: 300619-03376B, ELECTRIC ASSY;EBOX
Подробнее >
1800 UNDER COVER [5001~5189]

1800 UNDER COVER [5001~5189]

1Артикул: 110513-01280, COVER,UNDER
2Артикул: K1008912A, COVER;UNDER
3Артикул: K1008913, COVER;UNDER
Подробнее >
1370 PILOT PIPING(4) - BUCKET

1370 PILOT PIPING(4) - BUCKET

1Артикул: 420212-11016, PIPING,PILOT
2Артикул: DS2093103, HOSE
3Артикул: DS2093460, HOSE PF3/8-2070L
Подробнее >
1360 PILOT PIPING(3) - ARM

1360 PILOT PIPING(3) - ARM

1Артикул: 420212-11016, PIPING,PILOT
2Артикул: DS2093323, HOSE
3Артикул: DS2093460, HOSE PF3/8-2070L
Подробнее >
КОНДИЦИОНЕР(2)

КОНДИЦИОНЕР(2)

1Артикул: 440213-00454, VENTILATION ASSY,CABIN
2Артикул: 440205-00070, COMPRESSOR
3Артикул: S0557166, BOLT
Подробнее >
ПЛАСТИНА СИДЕНЬЯ

ПЛАСТИНА СИДЕНЬЯ

1Артикул: K1002228A, SEAT PLATE
2Артикул: 195-02754B, BRACKET,SEAT LOWER
3Артикул: 159-00281B, PLATE,COVER
Подробнее >
РУЛЕВАЯ КОЛОНКА В СБОРЕ

РУЛЕВАЯ КОЛОНКА В СБОРЕ

1Артикул: 190109-00032C, COLUMN,STEERING
2Артикул: 190109-00032E, COLUMN,STEERING
3Артикул: 190109-00032G, COLUMN,STEERING
Подробнее >
ПОДСТАВКА ДЛЯ НОГ - ЛЕВОСТОРОННИЙ

ПОДСТАВКА ДЛЯ НОГ - ЛЕВОСТОРОННИЙ

1Артикул: 220107-00040, REST,FOOT;LH
2Артикул: 220107-00004, REST,FOOT;BRACKET(LH)
3Артикул: 2120-2166D1, BOLT
Подробнее >
КОНДИЦИОНЕР(1)

КОНДИЦИОНЕР(1)

1Артикул: 440213-00453, VENTILATION ASSY;CHASSIS
2Артикул: DS2228012, ADAPTER
3Артикул: DS2807026, CLIP;HOSE
Подробнее >
УСТАНОВКА КАБИНЫ

УСТАНОВКА КАБИНЫ

1Артикул: 160626-00058, MOUNT ASSY,CABIN
2Артикул: 161-00010, RUBBER,MOUNT
3Артикул: 161-00011, RUBBER,MOUNT
Подробнее >
МОНТАЖ ДВИГАТЕЛЯ

МОНТАЖ ДВИГАТЕЛЯ

1Артикул: 150109-01105, ENGINE ASSY
2Артикул: 195-02548A, BRACKET
3Артикул: 2114-1929, WASHER
Подробнее >
1670 HANDLE - OUTER (CABIN)

1670 HANDLE - OUTER (CABIN)

1Артикул: 110925-00007, HANDLE ASSY,OUTER
2Артикул: 172-00053B, . HANDLE,OUTER
3Артикул: 2120-2166D2, . BOLT
Подробнее >
1160 MUFFLER

1160 MUFFLER

1Артикул: 150109-01105, ENGINE ASSY
2Артикул: 420203-00559, PIPE,EXHAUST
3Артикул: K1016430, COVER
Подробнее >
1871 ELECTRIC PARTS - WIRING HARNESS [5061~]

1871 ELECTRIC PARTS - WIRING HARNESS [5061~]

1Артикул: 300619-02325, WIRING GROUP,ELECTRIC;WIRING
2Артикул: 310207-02928G, HARNESS,MAIN;NON_ROPS
3Артикул: 310207-02928H, HARNESS,MAIN;NON_ROPS
Подробнее >
ЭЛЕКТРИЧЕСКИЕ ЗАПЧАСТИ - ПУЛЬТ УПРАВЛЕНИЯ

ЭЛЕКТРИЧЕСКИЕ ЗАПЧАСТИ - ПУЛЬТ УПРАВЛЕНИЯ

1Артикул: 300619-00818, ELECTRIC ASSY,STAND
2Артикул: 300619-00818A, ELECTRIC ASSY,STAND
3Артикул: 300619-00818B, ELECTRIC ASSY,STAND
Подробнее >
1220 FUEL TANK

1220 FUEL TANK

1Артикул: 450103-00516, TANK ASSY,FUEL
2Артикул: 450103-00629, TANK,FUEL
3Артикул: 450103-00629A, TANK,FUEL
Подробнее >
1640 CABIN(3) - ROOF

1640 CABIN(3) - ROOF

1Артикул: 220101-01245A, CABIN ASSY
2Артикул: 220101-01245B, CABIN ASSY
3Артикул: 220101-01245C, CABIN ASSY
Подробнее >
1840 ELECTRIC PARTS - CABIN [5001~5060]

1840 ELECTRIC PARTS - CABIN [5001~5060]

1Артикул: 300619-02651G, ELECTRIC ASSY;CABIN
2Артикул: 300619-02651N, ELECTRIC ASSY;CABIN
3Артикул: DS0025056, BOLT
Подробнее >
1870 ELECTRIC PARTS - WIRING HARNESS [5001~5060]

1870 ELECTRIC PARTS - WIRING HARNESS [5001~5060]

1Артикул: 300619-02325, WIRING GROUP,ELECTRIC;WIRING
2Артикул: 310207-02928B, HARNESS,MAIN(MECH/NON_ROPS)
3Артикул: 310207-02928G, HARNESS,MAIN;NON_ROPS
Подробнее >
УСТАНОВКА СИДЕНЬЯ

УСТАНОВКА СИДЕНЬЯ

1Артикул: K1002084A, SEAT MOUNTING
2Артикул: 901-00045, SEAT ASS`Y
3Артикул: S2208866, BOLT,SOCKET M8X1.25X20
Подробнее >
1630 CABIN(2) - SLIDE DOOR

1630 CABIN(2) - SLIDE DOOR

1Артикул: 220101-01245A, CABIN ASSY
2Артикул: 220101-01245B, CABIN ASSY
3Артикул: 220101-01245C, CABIN ASSY
Подробнее >
КОВРИК НА ПОЛУ КУЗОВА

КОВРИК НА ПОЛУ КУЗОВА

1Артикул: 110935-00087B, MAT,FLOOR
Подробнее >
ВКЛЮЧАТЕЛЬ - ПЕРЕДНИЙ АУТРИГЕР

ВКЛЮЧАТЕЛЬ - ПЕРЕДНИЙ АУТРИГЕР

1Артикул: K1023314A, ELECTRIC ASS`Y;OUTRIGGER(INDI)
2Артикул: 549-00101, SWITCH
3Артикул: K1002406D23, ACTUATOR;SWITCH
Подробнее >
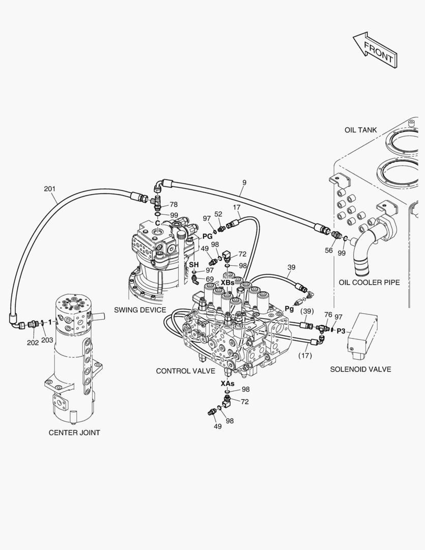
1250 SWING DEVICE

1250 SWING DEVICE

1Артикул: 170301-00253, DEVICE ASSY,SWING
2Артикул: 170301-00254, DEVICE,SWING;SUB ASS`Y
3Артикул: -, . DEVICE,SWING
Подробнее >
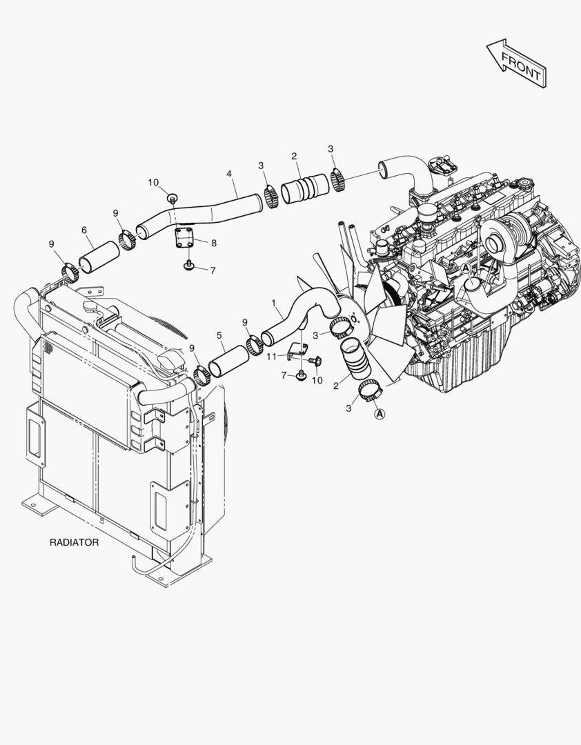
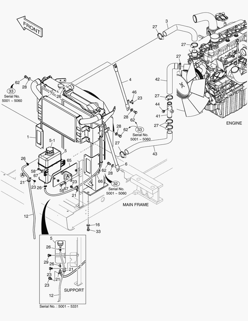
ОПОРТНЫЙ УЗЕЛ РАДИАТОРА

ОПОРТНЫЙ УЗЕЛ РАДИАТОРА

1Артикул: 150109-01105, ENGINE ASSY
2Артикул: 440211-00584, RADIATOR ASSY
3Артикул: 440211-00584C, RADIATOR ASSY
Подробнее >
РУЛЬ В СБОРЕ

РУЛЬ В СБОРЕ

1Артикул: 190203-00060, WHEEL ASSY,STEERING;LS TYPE
2Артикул: 190203-00060A, WHEEL ASSY,STEERING
3Артикул: 190203-00060B, WHEEL ASSY,STEERING
Подробнее >
КРЫШКА ДВИГАТЕЛЯ

КРЫШКА ДВИГАТЕЛЯ

1Артикул: 110508-16160, COVER ASSY
2Артикул: 110506-00203, COVER,ENGINE
3Артикул: K1008658A, BRACKET
Подробнее >
УСТРОЙСТВО УПРАВЛЕНИЯ РЫЧАГОМ ДВИГАТЕЛЯ В СБОРЕ

УСТРОЙСТВО УПРАВЛЕНИЯ РЫЧАГОМ ДВИГАТЕЛЯ В СБОРЕ

1Артикул: 101101-00295, LEVER ASSY
2Артикул: 195-03022C, BRACKET
3Артикул: 2124-1288A, CLAMP
Подробнее >
ГИДРОСИСТЕМА ТОРМОЗОВ(1)

ГИДРОСИСТЕМА ТОРМОЗОВ(1)

1Артикул: 420212-11050A, PIPING,BRAKE
2Артикул: 420212-11050B, PIPING,BRAKE;CABIN SUB
3Артикул: 420212-11050C, PIPING,BRAKE;CABIN SUB
Подробнее >
ГЛАВНАЯ МАГИСТРАЛЬ(5) - ХОД

ГЛАВНАЯ МАГИСТРАЛЬ(5) - ХОД

1Артикул: 420212-10811, PIPING,MAIN
2Артикул: DS20131045, HOSE
3Артикул: DS2040609, HOSE ASSY,HYDRAULIC
Подробнее >
1350 PILOT PIPING(2) - BOOM

1350 PILOT PIPING(2) - BOOM

1Артикул: 420212-11016, PIPING,PILOT
2Артикул: 250107-00177, BLOCK SUB ASS`Y;JOINT
3Артикул: K1045861, . BRACKET
Подробнее >
ПОРУЧЕНЬ

ПОРУЧЕНЬ

1Артикул: 101582-00668, STAY ASSY;(EXPORT)
2Артикул: 101582-00197A, HANDRAIL
3Артикул: 250107-00412, PLATE,FRONT
Подробнее >
КОЛОНКА В СБОРЕ

КОЛОНКА В СБОРЕ

1Артикул: 190109-00037, COLUMN,STEERING
2Артикул: K9002298, NUT
3Артикул: K9002304, PAD,RUBBER
Подробнее >
ГЛАВНАЯ МАГИСТРАЛЬ(2) - СТРЕЛА

ГЛАВНАЯ МАГИСТРАЛЬ(2) - СТРЕЛА

1Артикул: 420212-10811, PIPING,MAIN
2Артикул: K1025042, BRACKET
3Артикул: 110406-06098, BRACKET
Подробнее >
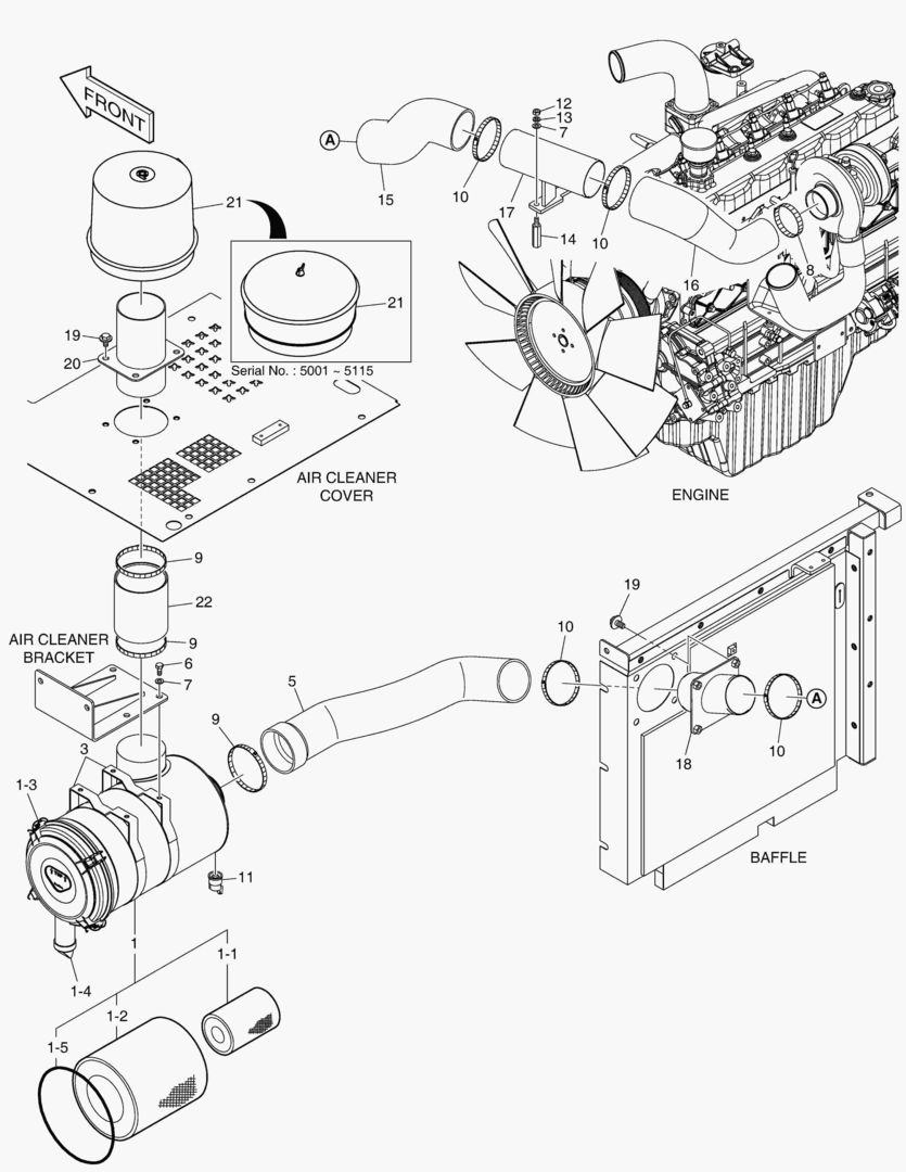
1180 AIR CLEANER

1180 AIR CLEANER

1Артикул: 400414-00445, CLEANER ASSY,AIR;WITH PRE CLEANER
2Артикул: 204-00067, AIR CLEANER
3Артикул: 400414-00547, CLEANER,AIR
Подробнее >
1390 PILOT PIPING(6) - TRAVEL

1390 PILOT PIPING(6) - TRAVEL

1Артикул: 420212-11016, PIPING,PILOT
2Артикул: 421-00021A, VALVE,T/M CONTROL
3Артикул: 300715-00110, . COIL,T/M CONTROL V/V
Подробнее >
1841 ELECTRIC PARTS - CABIN [5061~]

1841 ELECTRIC PARTS - CABIN [5061~]

1Артикул: 300619-02651N, ELECTRIC ASSY;CABIN
2Артикул: 300619-02651P, ELECTRIC ASSY;CABIN
3Артикул: 300619-02651R, ELECTRIC ASSY;CABIN
Подробнее >
АКУСТИЧЕСКАЯ НОПЛАСТОВАЯ ИЗОЛЯЦИЯ

АКУСТИЧЕСКАЯ НОПЛАСТОВАЯ ИЗОЛЯЦИЯ

1Артикул: 180102-00968, FOAM ASSY,ACOUSTIC
2Артикул: K1007393, FOAM
3Артикул: K1007395, FOAM
Подробнее >
1730 SUPPORT & BAFFLE

1730 SUPPORT & BAFFLE

1Артикул: 110958-02426, SUPPORT ASSY
2Артикул: 110958-02451, SUPPORT
3Артикул: 110958-03514, SUPPORT
Подробнее >
1120 ENGINE

1120 ENGINE

1Артикул: 150109-01165, ENGINE ASSY;TIER2 DB58
2Артикул: DB58-MBE00, ENGINE ASSY(DB58TIS)
Подробнее >
КРЫШКА ОБОГРЕВАТЕЛЯ

КРЫШКА ОБОГРЕВАТЕЛЯ

1Артикул: 650103-00009, REAR ASSY;COVER
2Артикул: 650103-00009A, REAR ASSY;COVER
3Артикул: 110508-18788, COVER;REAR LOWER
Подробнее >
БЛОК КОНДИЦИОНЕРА

БЛОК КОНДИЦИОНЕРА

1Артикул: 440205-00095, CONDITIONER,AIR
2Артикул: 440205-00095A, CONDITIONER,AIR
3Артикул: 440205-00095C, CONDITIONER,AIR
Подробнее >
1460 PILOT PIPING(13) - INDE OUTRIGGER

1460 PILOT PIPING(13) - INDE OUTRIGGER

1Артикул: 420212-11129, PIPING,PILOT;INDE OUTRIGGER
2Артикул: 410135-00077, VALVE,SOLENOID(3-SOL)
3Артикул: 410135-00077B, VALVE,SOLENOID
Подробнее >
1450 PILOT PIPING(12) - BLOCK

1450 PILOT PIPING(12) - BLOCK

1Артикул: 420212-10830B, PIPING,PILOT
2Артикул: 420212-10830C, PIPING,PILOT
3Артикул: 420212-10830E, PIPING,PILOT
Подробнее >
ЭЛЕКТРИЧЕСКИЕ ЗАПЧАСТИ - АНАЛОГИ

ЭЛЕКТРИЧЕСКИЕ ЗАПЧАСТИ - АНАЛОГИ

1Артикул: 300619-02389, ELECTRIC ASSY,CHASSIS
2Артикул: 2506-6008, BATTERY
3Артикул: S5102603, WASHER
Подробнее >
ГЛАВНАЯ МАГИСТРАЛЬ(1) - НАСОС

ГЛАВНАЯ МАГИСТРАЛЬ(1) - НАСОС

1Артикул: 420212-10811, PIPING,MAIN
2Артикул: 423-00194, BLOCK
3Артикул: DS2043227, HOSE ASSY,HYDRAULIC
Подробнее >
ТОПЛИВНЫЕ ТРУБОПРОВОДЫ

ТОПЛИВНЫЕ ТРУБОПРОВОДЫ

1Артикул: 420212-11038, PIPING,FUEL
2Артикул: DS2479004, ADAPTER
3Артикул: K1002864, ELBOW
Подробнее >
РЕЗЕРВУАР ДЛЯ МАСЛА

РЕЗЕРВУАР ДЛЯ МАСЛА

1Артикул: 450105-00602, TANK ASSY,OIL
2Артикул: 450105-00603A, TANK,OIL
3Артикул: 450105-00603B, TANK,OIL
Подробнее >
1110 COUNTER WEIGHT - 3.8TON

1110 COUNTER WEIGHT - 3.8TON

1Артикул: 160702-00858, WEIGHT ASSY,COUNTER;3.8TON
2Артикул: 160702-00859A, WEIGHT,COUNTER
3Артикул: 160702-00859B, WEIGHT,COUNTER
Подробнее >
1150 RADIATOR

1150 RADIATOR

1Артикул: 440211-00584, RADIATOR ASSY
2Артикул: 440211-00584C, RADIATOR ASSY
3Артикул: 440211-00823, RADIATOR
Подробнее >
1830 ELECTRIC BOX ASS`Y [5001~5060]

1830 ELECTRIC BOX ASS`Y [5001~5060]

1Артикул: 300619-02576A, ELECTRIC ASSY,E-BOX;ELECTRIC BOX
2Артикул: K1002280B, PLATE;ELECTRIC BOX
3Артикул: S4012633, NUT
Подробнее >
ТУБОПРОВОД МАСЛЯНОГО РАДИАТОРА(2)

ТУБОПРОВОД МАСЛЯНОГО РАДИАТОРА(2)

1Артикул: 420212-10926, PIPING,OIL COOLER
2Артикул: 410128-00063, VALVE,BY-PASS
3Артикул: 410128-00061, VALVE,BYPASS;2B
Подробнее >
ТУБОПРОВОД МАСЛЯНОГО РАДИАТОРА(3)

ТУБОПРОВОД МАСЛЯНОГО РАДИАТОРА(3)

1Артикул: 420212-10926, PIPING,OIL COOLER
2Артикул: K1000953B, PIPE
3Артикул: 420207-04857, PIPE,OIL COOLER
Подробнее >
БОКОВАЯ ДВЕРЬ -ПРАВОСТОРОННИЙ

БОКОВАЯ ДВЕРЬ -ПРАВОСТОРОННИЙ

1Артикул: 110508-16160, COVER ASSY
2Артикул: 110982-00201C, DOOR,SIDE;(R.H)
3Артикул: 110982-00201E, DOOR,SIDE;RH
Подробнее >
ГЛАВНАЯ МАГИСТРАЛЬ(4) - ПОВОРОТ

ГЛАВНАЯ МАГИСТРАЛЬ(4) - ПОВОРОТ

1Артикул: 420212-10811, PIPING,MAIN
2Артикул: K1029801, BLOCK
3Артикул: DS2045426, HOSE ASSY,HYDRAULIC
Подробнее >
УСТАНОВКА ГЕНЕРАТОРА ПЕРЕМЕННОГО ТОКА

УСТАНОВКА ГЕНЕРАТОРА ПЕРЕМЕННОГО ТОКА

1Артикул: 300901-00134, ALTERNATOR ASSY
2Артикул: S0760853, BOLT
3Артикул: S5102703, WASHER
Подробнее >
КРЫШКА ТРУБОПРОВОДА

КРЫШКА ТРУБОПРОВОДА

1Артикул: 110517-00900A, COVER ASSY,SIDE
2Артикул: 110517-00900C, COVER ASSY,SIDE
3Артикул: 110517-00900E, COVER ASSY,SIDE
Подробнее >
УПРАВЛЕНИЕ ДВИГАТЕЛЕМ

УПРАВЛЕНИЕ ДВИГАТЕЛЕМ

1Артикул: 150126-00087, CONTROL ASSY,ENGINE
2Артикул: S0504553, BOLT M6X1.0X14
3Артикул: S5102303, WASHER
Подробнее >
ПАТРУБКИ РУЛЕВОГО УПРАВЛЕНИЯ

ПАТРУБКИ РУЛЕВОГО УПРАВЛЕНИЯ

1Артикул: 420212-10951A, PIPING,STEERING
2Артикул: 420212-10951B, PIPING,STEERING;CABIN SUB
3Артикул: 420212-10951C, PIPING,STEERING;CABIN SUB
Подробнее >
1380 PILOT PIPING(5) - SWING

1380 PILOT PIPING(5) - SWING

1Артикул: 420212-11016, PIPING,PILOT
2Артикул: 2184-1036D269, HOSE PF1/2-650L
3Артикул: DS2093058, HOSE
Подробнее >
БОКОВАЯ ДВЕРЬ -ЛЕВОСТОРОННИЙ

БОКОВАЯ ДВЕРЬ -ЛЕВОСТОРОННИЙ

1Артикул: 110508-16160, COVER ASSY
2Артикул: K1004630, KEY,CYLINDER
3Артикул: DS0025015, BOLT
Подробнее >
ГИДРОСИСТЕМА ТОРМОЗОВ(2)

ГИДРОСИСТЕМА ТОРМОЗОВ(2)

1Артикул: 420212-11125, PIPING,BRAKE
2Артикул: 2420-9325A, BRAKE SUPPLY VALVE
3Артикул: 400410-00007, FILTER,BRAKE
Подробнее >
ЭЛЕКТРИЧЕСКИЕ ЗАПЧАСТИ - НЕЗАВИСИМЫЙ АУТРИГГЕР

ЭЛЕКТРИЧЕСКИЕ ЗАПЧАСТИ - НЕЗАВИСИМЫЙ АУТРИГГЕР

1Артикул: K1025449C, ELECTRIC ASS`Y INDI. OUTRIGGER
2Артикул: 300619-03640, ELECTRIC ASSY;OUTRIGGER
3Артикул: K1017433B, HARNESS
Подробнее >
1650 CABIN(4) - SIDE DOOR

1650 CABIN(4) - SIDE DOOR

1Артикул: 220101-01245A, CABIN ASSY
2Артикул: 220101-01245B, CABIN ASSY
3Артикул: 220101-01245C, CABIN ASSY
Подробнее >
1400 PILOT PIPING(7) - DOZER & OTHERS

1400 PILOT PIPING(7) - DOZER & OTHERS

1Артикул: 420212-11016, PIPING,PILOT
2Артикул: DS2093115, HOSE
3Артикул: 2181-1126D96, ADAPTER
Подробнее >
ЛИСТ НАСТИЛА

ЛИСТ НАСТИЛА

1Артикул: 250106-00670, PLATE ASSY,FLOOR
2Артикул: 250106-00670B, PLATE ASSY,FLOOR
3Артикул: 250106-00670C, PLATE ASSY,FLOOR
Подробнее >
НАСОСНАЯ УСТАНОВКА

НАСОСНАЯ УСТАНОВКА

1Артикул: 400911-00147, PUMP ASSY,HYDRAULIC
2Артикул: 400914-00104A, PUMP,MAIN
3Артикул: K1013827, COUPLING,PUMP
Подробнее >
РУКОЯТКА - ВНУТРЕНЯЯ СЕКЦИЯ (КАБИНА)

РУКОЯТКА - ВНУТРЕНЯЯ СЕКЦИЯ (КАБИНА)

1Артикул: K1038244, HANDLE ASS`Y
2Артикул: 172-00052G, HANDLE
3Артикул: 2120-2166D4, BOLT
Подробнее >
КРЫШКА АККУМУЛЯТОРА

КРЫШКА АККУМУЛЯТОРА

1Артикул: 110508-16160, COVER ASSY
2Артикул: K1004860B, PLATE
3Артикул: 110503-00279, COVER ASSY,BATTERY
Подробнее >