+7 (701) 588 50 05 Телефон для связи
RU

WhatsApp

Позвонить

ПОВОРОТНЫЙ КОРПУС в Алматы

1680 CABIN(3) - ROOF

1680 CABIN(3) - ROOF

1Артикул: 220101-00968B, CABIN ASSY
2Артикул: 220101-00968C, CABIN ASSY
3Артикул: 220101-00968G, CABIN ASSY
Подробнее >
РУЛЬ В СБОРЕ

РУЛЬ В СБОРЕ

1Артикул: 900141-00396A, WHEEL ASSY;STEERING
2Артикул: 900141-00396B, WHEEL ASSY;STEERING
3Артикул: 900141-00396C, WHEEL ASSY;STEERING
Подробнее >
1440 PILOT PIPING(13) - ACCELERATOR

1440 PILOT PIPING(13) - ACCELERATOR

1Артикул: 420212-11332C, PIPING,PILOT
2Артикул: 420212-11332E, PIPING,PILOT
3Артикул: 420212-11332G, PIPING,PILOT
Подробнее >
МОНТАЖ ДВИГАТЕЛЯ(1)

МОНТАЖ ДВИГАТЕЛЯ(1)

1Артикул: 150109-01272, ENGINE ASSY
2Артикул: 110427-00215A, BRACKET
3Артикул: 2114-1929, WASHER
Подробнее >
1110 COUNTER WEIGHT - 4TON

1110 COUNTER WEIGHT - 4TON

1Артикул: 160702-01096, WEIGHT ASSY,COUNTER;4.0TON
2Артикул: 160702-01099A, WEIGHT,COUNTER;4.0TON
3Артикул: 160702-01099B, WEIGHT,COUNTER;4.0TON
Подробнее >
1330 PILOT PIPING(2) - BOOM

1330 PILOT PIPING(2) - BOOM

1Артикул: 420212-11713, PIPING,PILOT
2Артикул: 410134-00029, VALVE,SHUTTLE BLOCK
3Артикул: 920403-00082, TUBE,METALIC
Подробнее >
БОКОВАЯ ДВЕРЬ - ЛЕВОСТОРОННИЙ

БОКОВАЯ ДВЕРЬ - ЛЕВОСТОРОННИЙ

1Артикул: 110508-18269, COVER ASSY
2Артикул: 110982-00630C, DOOR ASSY,SIDE;LH
3Артикул: 110982-00630E, DOOR ASSY,SIDE;LH
Подробнее >
1130 ENGINE (NA)

1130 ENGINE (NA)

1Артикул: 150109-01283, ENGINE ASSY
2Артикул: DL06-LEE04, ENGINE ASSY
3Артикул: 310207-03377, HARNESS,JOINT
Подробнее >
1190 AIR CLEANER

1190 AIR CLEANER

1Артикул: 400414-00385, CLEANER ASSY,AIR
2Артикул: 400414-00180, CLEANER ASSY,AIR
3Артикул: 400414-00586, CLEANER ASSY,AIR
Подробнее >
1560 SUSPENSION

1560 SUSPENSION

1Артикул: 190112-00001C, SUSPENSION ASSY
2Артикул: 190112-00009B, SUSPENSION,SEAT
3Артикул: 430205-00011, . BELLOWS
Подробнее >
1860 AUDIO [1001~1082]

1860 AUDIO [1001~1082]

1Артикул: 300637-00021, PLAYER,CD(24V HANDS)
2Артикул: 300637-00014, PLAYER,CD(24V)
Подробнее >
ЭЛЕКТРИЧЕСКИЕ ЗАПЧАСТИ - НЕЗАВИСИМЫЙ АУТРИГГЕР

ЭЛЕКТРИЧЕСКИЕ ЗАПЧАСТИ - НЕЗАВИСИМЫЙ АУТРИГГЕР

1Артикул: 300619-01800, ELECTRIC ASSY
2Артикул: 310207-03278, HARNESS,SOLENOID V/V
3Артикул: K1000815, . DIODE,8 PIN
Подробнее >
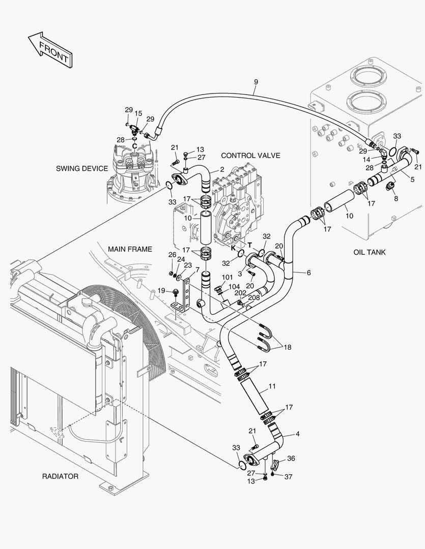
ГЛАВНАЯ МАГИСТРАЛЬ(1) - НАСОС

ГЛАВНАЯ МАГИСТРАЛЬ(1) - НАСОС

1Артикул: 420212-11766, PIPING,MAIN
2Артикул: 110425-00227, BRACKET,CONTROL VALVE
3Артикул: 100201-00421, BLOCK,ELBOW
Подробнее >
1670 CABIN(2) - SLIDE DOOR

1670 CABIN(2) - SLIDE DOOR

1Артикул: 220101-00968B, CABIN ASSY
2Артикул: 220101-00968C, CABIN ASSY
3Артикул: 220101-00968G, CABIN ASSY
Подробнее >
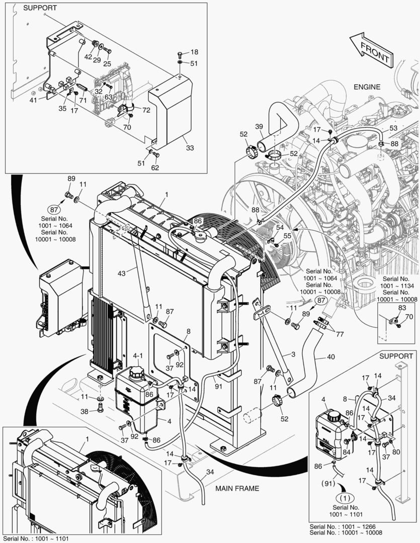
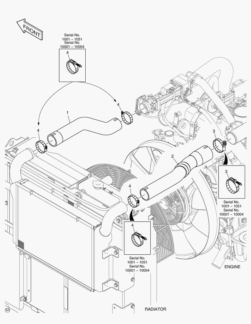
1170 RADIATOR [1001~1064]

1170 RADIATOR [1001~1064]

1Артикул: 440211-00482B, RADIATOR ASSY
2Артикул: 440211-00806, RADIATOR
3Артикул: K1010769, . CAP,PRESSURE
Подробнее >
1400 PILOT PIPING(9) - JOYSTICK(L.H)

1400 PILOT PIPING(9) - JOYSTICK(L.H)

1Артикул: 420212-11332C, PIPING,PILOT
2Артикул: 420212-11332E, PIPING,PILOT
3Артикул: 420212-11332G, PIPING,PILOT
Подробнее >
ЛИСТ НАСТИЛА

ЛИСТ НАСТИЛА

1Артикул: 250106-00401K, PLATE ASSY,FLOOR
2Артикул: 250106-00401L, PLATE ASSY,FLOOR
3Артикул: 250106-00401R, PLATE ASSY,FLOOR
Подробнее >
1340 PILOT PIPING(3) - ARM

1340 PILOT PIPING(3) - ARM

1Артикул: 420212-11713, PIPING,PILOT
2Артикул: DS2121332, HOSE
3Артикул: 547-00001, SENSOR,PRESSURE
Подробнее >
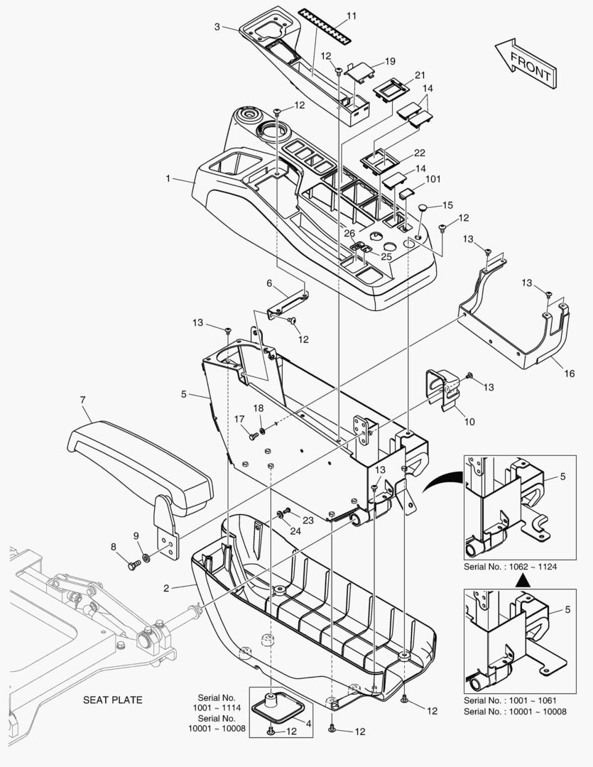
ПЛАСТИНА СИДЕНЬЯ

ПЛАСТИНА СИДЕНЬЯ

1Артикул: 250110-00064K, PLATE ASSY,SEAT
2Артикул: 250110-00064L, PLATE ASSY,SEAT
3Артикул: 250110-00064M, PLATE ASSY,SEAT
Подробнее >
CAC ТРУБОПРОВОД

CAC ТРУБОПРОВОД

1Артикул: 420212-10423, PIPING,CAC
2Артикул: 420101-01053B, HOSE,AIR
3Артикул: 420101-01134, HOSE,AIR;CAC
Подробнее >
РУКОЯТКА - КАБИНА

РУКОЯТКА - КАБИНА

1Артикул: 110925-00382, HANDLE ASSY
2Артикул: 110925-00477, HANDLE ASSY
3Артикул: 110925-00382B, HANDLE ASSY
Подробнее >
1660 CABIN(1) - GLASS

1660 CABIN(1) - GLASS

1Артикул: 220101-00968B, CABIN ASSY
2Артикул: 220101-00968C, CABIN ASSY
3Артикул: 220101-00968G, CABIN ASSY
Подробнее >
ОБТЕКАЕМАЯ ПОДКУЗОВНАЯ ПАНЕЛЬ

ОБТЕКАЕМАЯ ПОДКУЗОВНАЯ ПАНЕЛЬ

1Артикул: 110513-01790, COVER ASSY,UNDER
2Артикул: 110513-00975A, COVER,UNDER
3Артикул: 110513-01345, COVER,UNDER
Подробнее >
1740 SUPPORT & BAFFLE

1740 SUPPORT & BAFFLE

1Артикул: 110958-02405A, SUPPORT & BAFFLE ASSY
2Артикул: 110958-03053, SUPPORT
3Артикул: 110958-03054, SUPPORT
Подробнее >
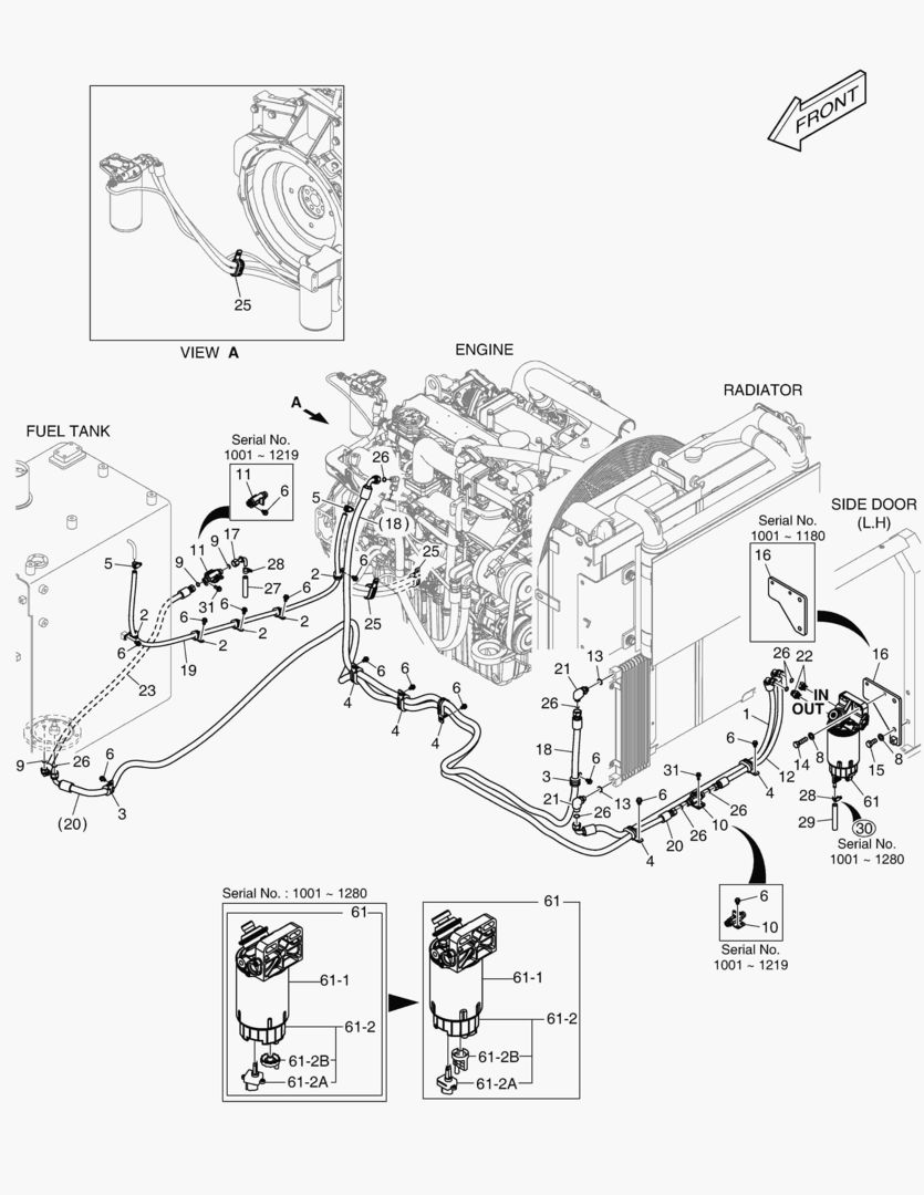
ОПОРТНЫЙ УЗЕЛ РАДИАТОРА

ОПОРТНЫЙ УЗЕЛ РАДИАТОРА

1Артикул: 150109-01272, ENGINE ASSY
2Артикул: 440211-00482B, RADIATOR ASSY
3Артикул: 440211-00907A, RADIATOR ASSY
Подробнее >
1690 CABIN(4) - SIDE DOOR

1690 CABIN(4) - SIDE DOOR

1Артикул: 220101-00968B, CABIN ASSY
2Артикул: 220101-00968C, CABIN ASSY
3Артикул: 220101-00968G, CABIN ASSY
Подробнее >
ГЛАВНАЯ МАГИСТРАЛЬ(4) - ПОВОРОТ

ГЛАВНАЯ МАГИСТРАЛЬ(4) - ПОВОРОТ

1Артикул: 420212-11766, PIPING,MAIN
2Артикул: DS2021654, HOSE ASSY,HYDRAULIC
3Артикул: DS2025241, HOSE ASSY,HYDRAULIC
Подробнее >
РУЛЕВАЯ КОЛОНКА В СБОРЕ

РУЛЕВАЯ КОЛОНКА В СБОРЕ

1Артикул: 190109-00034C, COLUMN,STEERING
2Артикул: 190109-00034E, COLUMN,STEERING
3Артикул: 190109-00034G, COLUMN,STEERING
Подробнее >
1995 CABLE - OPERATION MANUAL

1995 CABLE - OPERATION MANUAL

1Артикул: 310401-02027, CABLE ASSY;MANUAL
2Артикул: 310401-02027A, CABLE ASSY
3Артикул: 310401-02028, CABLE;MANUAL
Подробнее >
1220 FUEL TANK

1220 FUEL TANK

1Артикул: 450103-00537, TANK ASSY,FUEL
2Артикул: 450103-00538B, TANK,FUEL
3Артикул: 450103-00538C, TANK,FUEL
Подробнее >
1580 SEAT

1580 SEAT

1Артикул: 220110-00029B, SEAT,OPERATOR
2Артикул: 220110-00029C, SEAT,OPERATOR
3Артикул: 220110-00029E, SEAT,OPERATOR
Подробнее >
1380 PILOT PIPING(7) - OTHERS

1380 PILOT PIPING(7) - OTHERS

1Артикул: 420212-11713, PIPING,PILOT
2Артикул: 410111-00062B, VALVE,HYDRAULIC;LOGIC
3Артикул: 410134-00032, VALVE,SHUTTLE
Подробнее >
1990 TMS - CELLULAR & SATELLITE(V1.5)

1990 TMS - CELLULAR & SATELLITE(V1.5)

1Артикул: 300619-03342, ELECTRIC ASSY,TMS1.5
2Артикул: 300619-03139, ELECTRIC ASSY;TMS1.5
3Артикул: 300611-00902, . CONTROLLER;TMS1.5
Подробнее >
КОВРИК НА ПОЛУ КУЗОВА

КОВРИК НА ПОЛУ КУЗОВА

1Артикул: 110935-00206C, MAT,FLOOR
2Артикул: 110935-00206E, MAT,FLOOR
3Артикул: 110935-00206G, MAT,FLOOR
Подробнее >
1360 PILOT PIPING(5) - SWING

1360 PILOT PIPING(5) - SWING

1Артикул: 420212-11713, PIPING,PILOT
2Артикул: 410134-00015, VALVE,SHUTTLE
3Артикул: 410134-00032, VALVE,SHUTTLE
Подробнее >
ВКЛЮЧАТЕЛЬ - ЗАДНИЙ АУТРИГЕР(ИНДИЯ)

ВКЛЮЧАТЕЛЬ - ЗАДНИЙ АУТРИГЕР(ИНДИЯ)

1Артикул: 300619-02908A, ELECTRIC ASSY,STAND
2Артикул: 549-00101, SWITCH
3Артикул: 301401-00014, ACTUATOR,SWITCH;REAR O/R(L.H)
Подробнее >
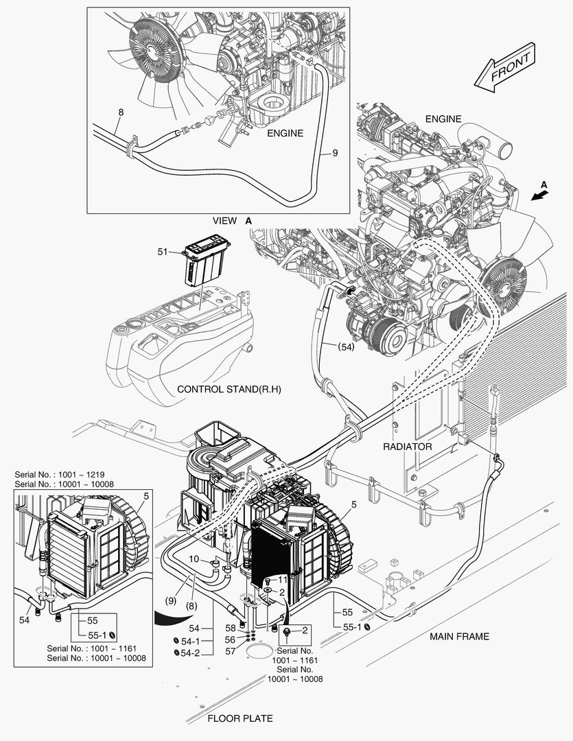
КОНДИЦИОНЕР(1)

КОНДИЦИОНЕР(1)

1Артикул: 440213-00569, VENTILATION ASSY
2Артикул: 400102-00381, COMPRESSOR
3Артикул: S0557166, BOLT
Подробнее >
УСТАНОВКА ГЕНЕРАТОРА ПЕРЕМЕННОГО ТОКА

УСТАНОВКА ГЕНЕРАТОРА ПЕРЕМЕННОГО ТОКА

1Артикул: 300619-00891, ELECTRIC ASSY
2Артикул: S0760853, BOLT
3Артикул: S5102703, WASHER
Подробнее >
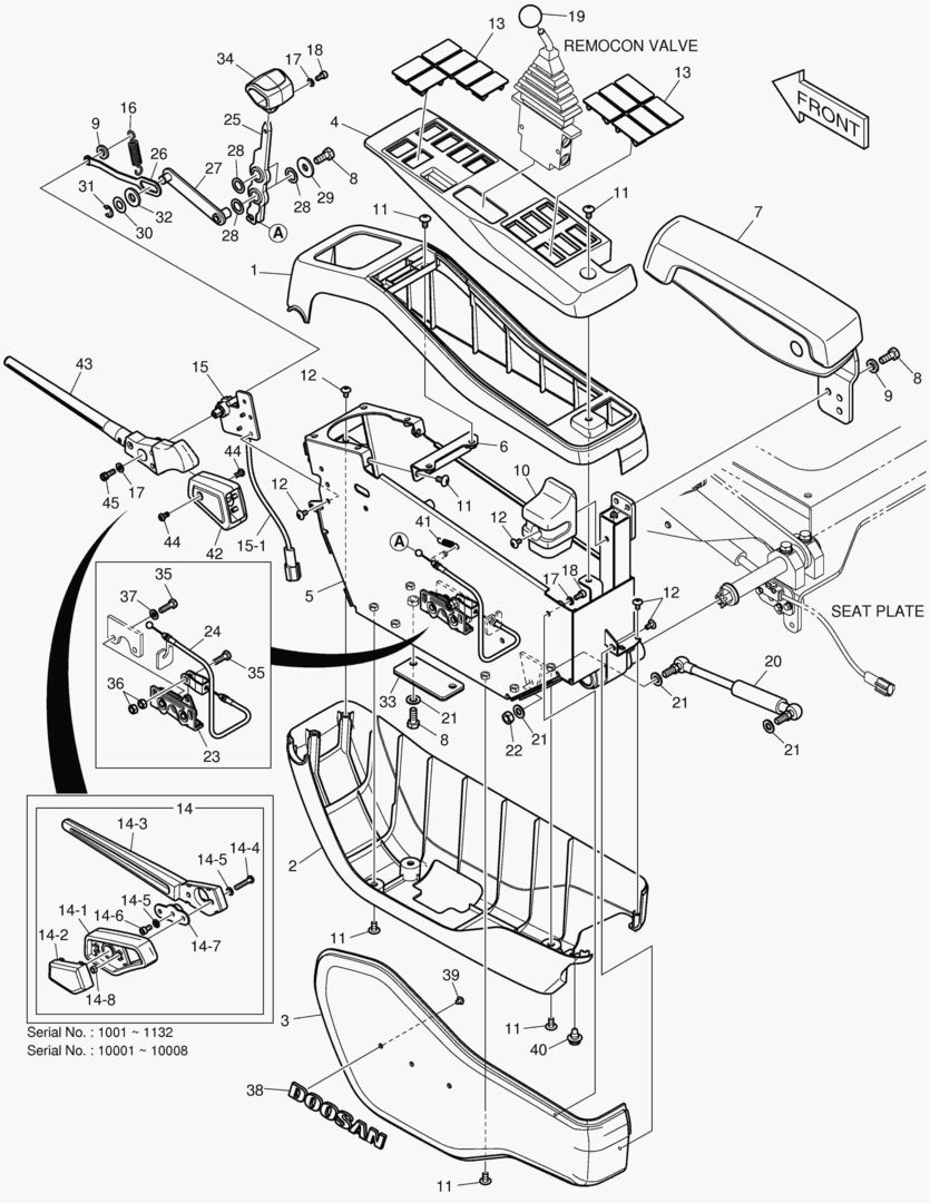
ПУЛЬТ УПРАВЛЕНИЯ - ПРАВОСТОРОННИЙ

ПУЛЬТ УПРАВЛЕНИЯ - ПРАВОСТОРОННИЙ

1Артикул: 220111-00111, STAND ASSY,CONTROL(R.H)
2Артикул: 220111-00111A, STAND ASSY,CONTROL(R.H)
3Артикул: 220111-00111B, STAND ASSY,CONTROL;V-WHEEL(RH)
Подробнее >
ГЛАВНАЯ МАГИСТРАЛЬ(5) - ЦЕНТРАЛЬНОЕ СОЕДИНЕНИЕ

ГЛАВНАЯ МАГИСТРАЛЬ(5) - ЦЕНТРАЛЬНОЕ СОЕДИНЕНИЕ

1Артикул: 420212-11766, PIPING,MAIN
2Артикул: DS2096032, HOSE ASSY,HYDRAULIC
3Артикул: DS2045866, HOSE ASSY,HYDRAULIC
Подробнее >
1171 RADIATOR [1065~]

1171 RADIATOR [1065~]

1Артикул: 440211-00907A, RADIATOR ASSY
2Артикул: 440211-00907C, RADIATOR ASSY
3Артикул: 440211-00907E, RADIATOR ASSY
Подробнее >
1780 COVER

1780 COVER

1Артикул: 110508-18269, COVER ASSY
2Артикул: 110508-12191A, COVER,TAIL PIPE
3Артикул: 110508-16190B, COVER,TANK;FRONT
Подробнее >
ПОРУЧЕНЬ

ПОРУЧЕНЬ

1Артикул: 101582-00743, STAY ASSY
2Артикул: 101582-00490A, RAIL,HAND
3Артикул: S0561166, BOLT
Подробнее >
ПАТРУБКИ РУЛЕВОГО УПРАВЛЕНИЯ(2)

ПАТРУБКИ РУЛЕВОГО УПРАВЛЕНИЯ(2)

1Артикул: 420212-11663C, PIPING,STEERING
2Артикул: 420212-11663E, PIPING,STEERING
3Артикул: 124-00209D4, CLIP
Подробнее >
1370 PILOT PIPING(6) - TRAVEL

1370 PILOT PIPING(6) - TRAVEL

1Артикул: 420212-11713, PIPING,PILOT
2Артикул: 421-00021A, VALVE,T/M CONTROL
3Артикул: 300715-00110, . COIL,T/M CONTROL V/V
Подробнее >
БЛОК КОНДИЦИОНЕРА

БЛОК КОНДИЦИОНЕРА

1Артикул: 440205-00033, CONDITIONER,AIR
2Артикул: 440205-00033A, CONDITIONER,AIR
3Артикул: 440205-00033C, CONDITIONER,AIR
Подробнее >
1350 PILOT PIPING(4) - BUCKET

1350 PILOT PIPING(4) - BUCKET

1Артикул: 420212-11713, PIPING,PILOT
2Артикул: DS2119151, HOSE ASSY,HYDRAULIC
3Артикул: DS2121252, HOSE ASSY,HYDRAULIC
Подробнее >
АКУСТИЧЕСКАЯ НОПЛАСТОВАЯ ИЗОЛЯЦИЯ

АКУСТИЧЕСКАЯ НОПЛАСТОВАЯ ИЗОЛЯЦИЯ

1Артикул: 180102-01040, FOAM ASSY,ACOUSTIC
2Артикул: 180102-00711B, FOAM
3Артикул: 180102-00737A, FOAM
Подробнее >
РЕЗЕРВУАР ДЛЯ МАСЛА

РЕЗЕРВУАР ДЛЯ МАСЛА

1Артикул: 450105-00598A, TANK ASSY,OIL
2Артикул: 450105-00467E, TANK,OIL
3Артикул: 450105-00467G, TANK,OIL
Подробнее >
ЗЕРКАЛО - ДОПОЛНИТЕЛЬНЫЙ(КАБИНА)

ЗЕРКАЛО - ДОПОЛНИТЕЛЬНЫЙ(КАБИНА)

1Артикул: K1054793, MIRROR ASS`Y;SIDE
2Артикул: K1041645, MIRROR
3Артикул: K1054796, STAY,MIRROR
Подробнее >
ТОПЛИВНЫЕ ТРУБОПРОВОДЫ

ТОПЛИВНЫЕ ТРУБОПРОВОДЫ

1Артикул: 420212-11771, PIPING,FUEL
2Артикул: DS2127067, HOSE,FUEL
3Артикул: 124-00208D2, CLIP
Подробнее >
ТРУБОПРОВОД СМАЗОЧНОЙ СИСТЕМЫ

ТРУБОПРОВОД СМАЗОЧНОЙ СИСТЕМЫ

1Артикул: K1007600B, LUBRICATION PIPING
2Артикул: K1007665B, PIPE,GREASE
3Артикул: 2181-1925, ELBOW
Подробнее >
ЭЛЕКТРИЧЕСКИЕ ЗАПЧАСТИ - АНАЛОГИ

ЭЛЕКТРИЧЕСКИЕ ЗАПЧАСТИ - АНАЛОГИ

1Артикул: 300619-01798, ELECTRIC ASSY,CHASSIS
2Артикул: 2506-6008, BATTERY
3Артикул: DS0001075, BOLT 240mm
Подробнее >
УСТАНОВКА КАБИНЫ

УСТАНОВКА КАБИНЫ

1Артикул: 180204-00059G, RUBBER,CABIN MOUNT
2Артикул: 180204-00059H, RUBBER,CABIN MOUNT
3Артикул: 180204-00070, RUBBER,CABIN MOUNT
Подробнее >
1390 PILOT PIPING(8) - DOZER

1390 PILOT PIPING(8) - DOZER

1Артикул: 420212-11713, PIPING,PILOT
2Артикул: DS2121006, HOSE
3Артикул: DS2121182, HOSE ASSY,HYDRAULIC
Подробнее >
ЭЛЕКТРИЧЕСКИЕ ЗАПЧАСТИ - РАБОЧАЯ ФАРА

ЭЛЕКТРИЧЕСКИЕ ЗАПЧАСТИ - РАБОЧАЯ ФАРА

1Артикул: 300619-02679, LAMP ASSY,WORKING
2Артикул: 195-02154, BRACKET
3Артикул: 124-00208D2, CLIP
Подробнее >
ОСНОВАНИЕ СИДЕНЬЯ

ОСНОВАНИЕ СИДЕНЬЯ

1Артикул: 160102-00030, BASE ASSY,SEAT
2Артикул: 220204-00198, COVER ASSY
3Артикул: 2120-2166D52, BOLT
Подробнее >
ПОДСТАВКА ДЛЯ НОГ - ЛЕВОСТОРОННИЙ

ПОДСТАВКА ДЛЯ НОГ - ЛЕВОСТОРОННИЙ

1Артикул: 220107-00044, REST,FOOT(L.H)
2Артикул: 220107-00044A, REST,FOOT(L.H)
3Артикул: 220107-00041, REST,FOOT
Подробнее >
1250 OIL COOLER PIPING(1) - PUMP

1250 OIL COOLER PIPING(1) - PUMP

1Артикул: 420212-11737, PIPING,OIL COOLER
2Артикул: 420218-00254, PIPE,SUCTION
3Артикул: 2185-1737D1, HOSE
Подробнее >
ГИДРОСИСТЕМА ТОРМОЗОВ(2)

ГИДРОСИСТЕМА ТОРМОЗОВ(2)

1Артикул: 420212-11727A, PIPING,BRAKE
2Артикул: 420212-11727B, PIPING,BRAKE
3Артикул: 420212-11727C, PIPING,BRAKE
Подробнее >
1410 PILOT PIPING(10) - JOYSTICK(R.H)

1410 PILOT PIPING(10) - JOYSTICK(R.H)

1Артикул: 420212-11332C, PIPING,PILOT
2Артикул: 420212-11332E, PIPING,PILOT
3Артикул: 420212-11332G, PIPING,PILOT
Подробнее >
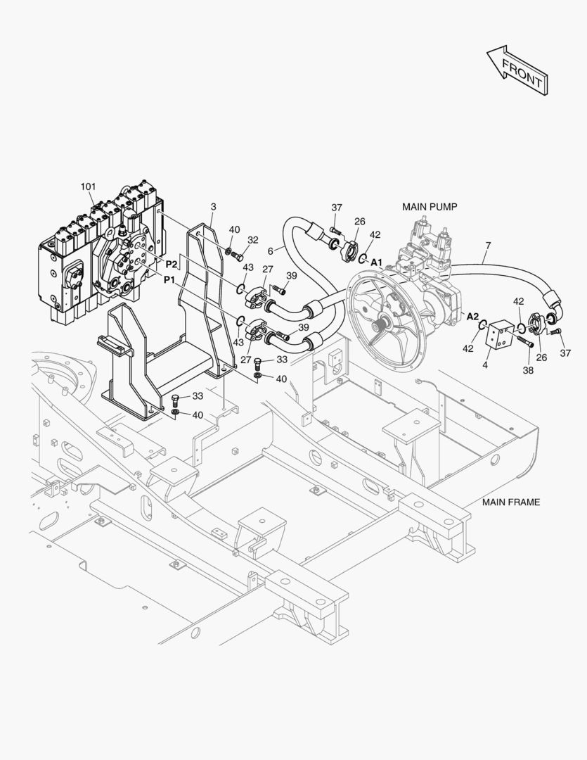
ОПОРА НАСОСА

ОПОРА НАСОСА

1Артикул: 400911-00138, PUMP ASSY,HYDRAULIC
2Артикул: 400914-00344A, PUMP,MAIN
3Артикул: K1013827, COUPLING,PUMP
Подробнее >
КАМЕРА ЗАДНЕГО ВИДА

КАМЕРА ЗАДНЕГО ВИДА

1Артикул: 300619-02949, ELECTRIC ASSY;REAR CAMERA
2Артикул: 301102-00021, CAMERA
3Артикул: 310207-03675, HARNESS,REAR CAMERA
Подробнее >
КРЫШКА ТРУБОПРОВОДА

КРЫШКА ТРУБОПРОВОДА

1Артикул: 110517-00363H, COVER ASSY,SIDE
2Артикул: 110517-00363K, COVER ASSY,SIDE
3Артикул: 110517-00261B, COVER,SIDE
Подробнее >
1420 PILOT PIPING(11) - DOZER

1420 PILOT PIPING(11) - DOZER

1Артикул: 420212-11332C, PIPING,PILOT
2Артикул: 420212-11332E, PIPING,PILOT
3Артикул: 420212-11332G, PIPING,PILOT
Подробнее >
УСТАНОВКА СИДЕНЬЯ

УСТАНОВКА СИДЕНЬЯ

1Артикул: 220110-00016B, SEAT ASSY,OPERATER
2Артикул: 220110-00016C, SEAT ASSY,OPERATER
3Артикул: 220110-00016E, SEAT ASSY,OPERATER
Подробнее >
РУКОЯТКА - ВНУТРЕНЯЯ СЕКЦИЯ (КАБИНА)

РУКОЯТКА - ВНУТРЕНЯЯ СЕКЦИЯ (КАБИНА)

1Артикул: 110925-00028B, HANDLE ASSY
2Артикул: 110925-00029B, HANDLE,CABIN
3Артикул: 2114-1058D63, WASHER
Подробнее >
1100 MAIN FRAME

1100 MAIN FRAME

1Артикул: 160620-00538, FRAME ASSY,MAIN
2Артикул: 160620-00391H, FRAME,MAIN
3Артикул: 160620-00391K, FRAME,MAIN;ASSY
Подробнее >
ГИДРОСИСТЕМА ТОРМОЗОВ(1)

ГИДРОСИСТЕМА ТОРМОЗОВ(1)

1Артикул: 420212-11719, PIPING,BRAKE
2Артикул: 410102-00017A, VALVE,BRAKE SUPPLY
3Артикул: 410102-00064A, VALVE,BRAKE SUPPLY
Подробнее >
1320 PILOT PIPING(1) - PUMP

1320 PILOT PIPING(1) - PUMP

1Артикул: 420212-11713, PIPING,PILOT
2Артикул: 410135-00073A, VALVE,SOLENOID(4-SOL)
3Артикул: 410207-00145, . SPOOL,SOLENOID
Подробнее >
ЗЕРКАЛО ПОМЕЩЕНИЯ

ЗЕРКАЛО ПОМЕЩЕНИЯ

1Артикул: 110969-00037, MIRROR ASSY,ROOM
2Артикул: 110406-00711, BRACKET
3Артикул: 2903-6006, MIRROR;ROOM
Подробнее >
1260 OIL COOLER PIPING(2) - OIL COOLER

1260 OIL COOLER PIPING(2) - OIL COOLER

1Артикул: 420212-11737, PIPING,OIL COOLER
2Артикул: 420207-02834, PIPE,OIL COOLER
3Артикул: 420207-02834A, PIPE,OIL COOLER
Подробнее >
1210 SWING DEVICE

1210 SWING DEVICE

1Артикул: 170301-00245, DEVICE ASSY,SWING
2Артикул: 170301-00246, DEVICE ASSY,SWING
3Артикул: 170301-00246B, DEVICE ASSY,SWING
Подробнее >
МОНТАЖ ДВИГАТЕЛЯ(2)

МОНТАЖ ДВИГАТЕЛЯ(2)

1Артикул: 150109-01272, ENGINE ASSY
2Артикул: 124-00208D2, CLIP
3Артикул: 124-00208D5, CLIP
Подробнее >
1980 TMS(NA) - CELLULAR & SATELLITE(V1.5)

1980 TMS(NA) - CELLULAR & SATELLITE(V1.5)

1Артикул: 300619-03341, ELECTRIC ASSY,TMS1.5
2Артикул: 300619-03138, ELECTRIC ASSY
3Артикул: 300611-00901, . CONTROLLER
Подробнее >
ВКЛЮЧАТЕЛЬ - ПЕРЕДНИЙ БУЛЬДОЗЕР

ВКЛЮЧАТЕЛЬ - ПЕРЕДНИЙ БУЛЬДОЗЕР

1Артикул: 300619-00784, SWITCH,STAND;FRONT DOZER
2Артикул: 549-00101, SWITCH
3Артикул: 301401-00016, ACTUATOR,SWITCH;DOZER
Подробнее >
КОЛОНКА В СБОРЕ

КОЛОНКА В СБОРЕ

1Артикул: 190109-00037, COLUMN,STEERING
2Артикул: K9002298, NUT
3Артикул: K9002304, PAD,RUBBER
Подробнее >
1770 STORAGE BOX

1770 STORAGE BOX

1Артикул: 110508-18269, COVER ASSY
2Артикул: 110508-17714A, COVER,UPPER;PLATFORM
3Артикул: 110503-00268G, COVER ASSY
Подробнее >
КОНДИЦИОНЕР(2)

КОНДИЦИОНЕР(2)

1Артикул: 440213-00654A, VENTILATION ASSY,CABIN
2Артикул: 440213-00654B, VENTILATION ASSY,CABIN
3Артикул: 440213-00654E, VENTILATION ASSY,CABIN
Подробнее >
ГЛАВНАЯ МАГИСТРАЛЬ(3) - РУКОЯТЬ, КОВШ

ГЛАВНАЯ МАГИСТРАЛЬ(3) - РУКОЯТЬ, КОВШ

1Артикул: 420212-11766, PIPING,MAIN
2Артикул: 2181-9081, FLANGE
3Артикул: 2181-9086, FLANGE
Подробнее >
КРЫШКА В СБОРЕ

КРЫШКА В СБОРЕ

1Артикул: 110508-18269, COVER ASSY
2Артикул: 110506-00175C, COVER,ENGINE
3Артикул: 110506-00175E, COVER,ENGINE
Подробнее >
1430 PILOT PIPING(12) - BLOCK

1430 PILOT PIPING(12) - BLOCK

1Артикул: 420212-11332C, PIPING,PILOT
2Артикул: 420212-11332E, PIPING,PILOT
3Артикул: 420212-11332G, PIPING,PILOT
Подробнее >
1700 ROOF COVER - PLASTIC

1700 ROOF COVER - PLASTIC

1Артикул: 220204-00047B, COVER ASSY,CABIN
2Артикул: 220204-00270, COVER,ROOF
3Артикул: 110927-00014, HINGE,ROOF COVER
Подробнее >
БОКОВАЯ ДВЕРЬ - ПРАВОСТОРОННИЙ

БОКОВАЯ ДВЕРЬ - ПРАВОСТОРОННИЙ

1Артикул: 110508-18269, COVER ASSY
2Артикул: 110982-00636E, DOOR ASSY,SIDE
3Артикул: 110982-00636G, DOOR ASSY,SIDE;RH
Подробнее >
ПУЛЬТ УПРАВЛЕНИЯ - ЛЕВОСТОРОННИЙ

ПУЛЬТ УПРАВЛЕНИЯ - ЛЕВОСТОРОННИЙ

1Артикул: 220111-00040H, STAND ASSY,CONTROL(L.H)
2Артикул: 220111-00040K, STAND ASSY,CONTROL(L.H)
3Артикул: 220111-00040L, STAND ASSY,CONTROL(L.H)
Подробнее >
ЭЛЕКТРИЧЕСКИЕ ЗАПЧАСТИ - КАБИНА

ЭЛЕКТРИЧЕСКИЕ ЗАПЧАСТИ - КАБИНА

1Артикул: 300619-02078G, ELECTRIC ASSY;CABIN
2Артикул: 300619-02078K, ELECTRIC ASSY;CABIN
3Артикул: 300619-02078M, ELECTRIC ASSY;CABIN
Подробнее >
1665 ANTENNA [1052~]

1665 ANTENNA [1052~]

1Артикул: 300619-03783, ELECTRIC ASSY
2Артикул: 300619-03782, ELECTRIC ASSY
3Артикул: 300703-00009A, ANTENNA ASSY
Подробнее >
ГЛАВНАЯ МАГИСТРАЛЬ(2) - СТРЕЛА

ГЛАВНАЯ МАГИСТРАЛЬ(2) - СТРЕЛА

1Артикул: 420212-11766, PIPING,MAIN
2Артикул: 420207-02832, PIPE,BOOM UP
3Артикул: 420207-02832A, PIPE,BOOM UP
Подробнее >
ПАТРУБКИ РУЛЕВОГО УПРАВЛЕНИЯ(1)

ПАТРУБКИ РУЛЕВОГО УПРАВЛЕНИЯ(1)

1Артикул: 420212-10319, PIPING,STEERING
2Артикул: K1007383B, GEAR PUMP ASS`Y
3Артикул: DS2106008, HOSE ASSY,HYDRAULIC
Подробнее >
ДВИГАТЕЛЬ (EU)

ДВИГАТЕЛЬ (EU)

1Артикул: 150109-01284, ENGINE ASSY
2Артикул: DL06-LEE12, ENGINE ASSY
3Артикул: 310207-03378, HARNESS,JOINT
Подробнее >
КРЫШКА ОБОГРЕВАТЕЛЯ

КРЫШКА ОБОГРЕВАТЕЛЯ

1Артикул: 220204-00189G, COVER ASSY;REAR
2Артикул: 220204-00189K, COVER ASSY
3Артикул: 220204-00189L, COVER ASSY(REAR)
Подробнее >
ЭЛЕКТРИЧЕСКИЕ ЗАПЧАСТИ - ПУЛЬТ УПРАВЛЕНИЯ

ЭЛЕКТРИЧЕСКИЕ ЗАПЧАСТИ - ПУЛЬТ УПРАВЛЕНИЯ

1Артикул: 300619-02904B, ELECTRIC ASSY,STAND
2Артикул: 300619-02904C, ELECTRIC ASSY,STAND
3Артикул: 300619-02904E, ELECTRIC ASSY,STAND
Подробнее >
ЭЛЕКТРОПРОВОДКА

ЭЛЕКТРОПРОВОДКА

1Артикул: 300619-01799, WIRING GROUP,ELECTRIC
2Артикул: 310207-03345B, HARNESS,MAIN
3Артикул: 310207-03345C, HARNESS,MAIN
Подробнее >