+7 (701) 588 50 05 Телефон для связи
RU

WhatsApp

Позвонить

ПОВОРОТНЫЙ КОРПУС в Алматы

1270 OIL COOLER PIPING(3) - SWING DEVICE

1270 OIL COOLER PIPING(3) - SWING DEVICE

1Артикул: 420212-08886, PIPING,OIL COOLER
2Артикул: 420207-02958, PIPE
3Артикул: DS20231039, HOSE
Подробнее >
ЭЛЕКТРОПРОВОДКА

ЭЛЕКТРОПРОВОДКА

1Артикул: 300619-02660, ELECTRIC ASSY;WIRING
2Артикул: 310207-03732A, HARNESS ASSY,MAIN
3Артикул: 310207-03732B, HARNESS ASSY,MAIN
Подробнее >
1390 PILOT PIPING(7) - OTHERS

1390 PILOT PIPING(7) - OTHERS

1Артикул: 420212-08854, PIPING,PILOT
2Артикул: DS2119254, HOSE
3Артикул: DS2119039, HOSE
Подробнее >
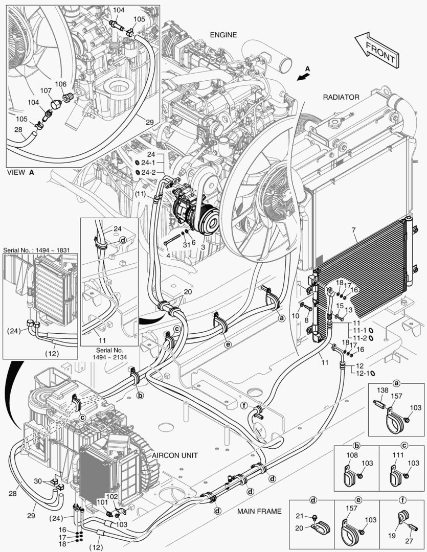
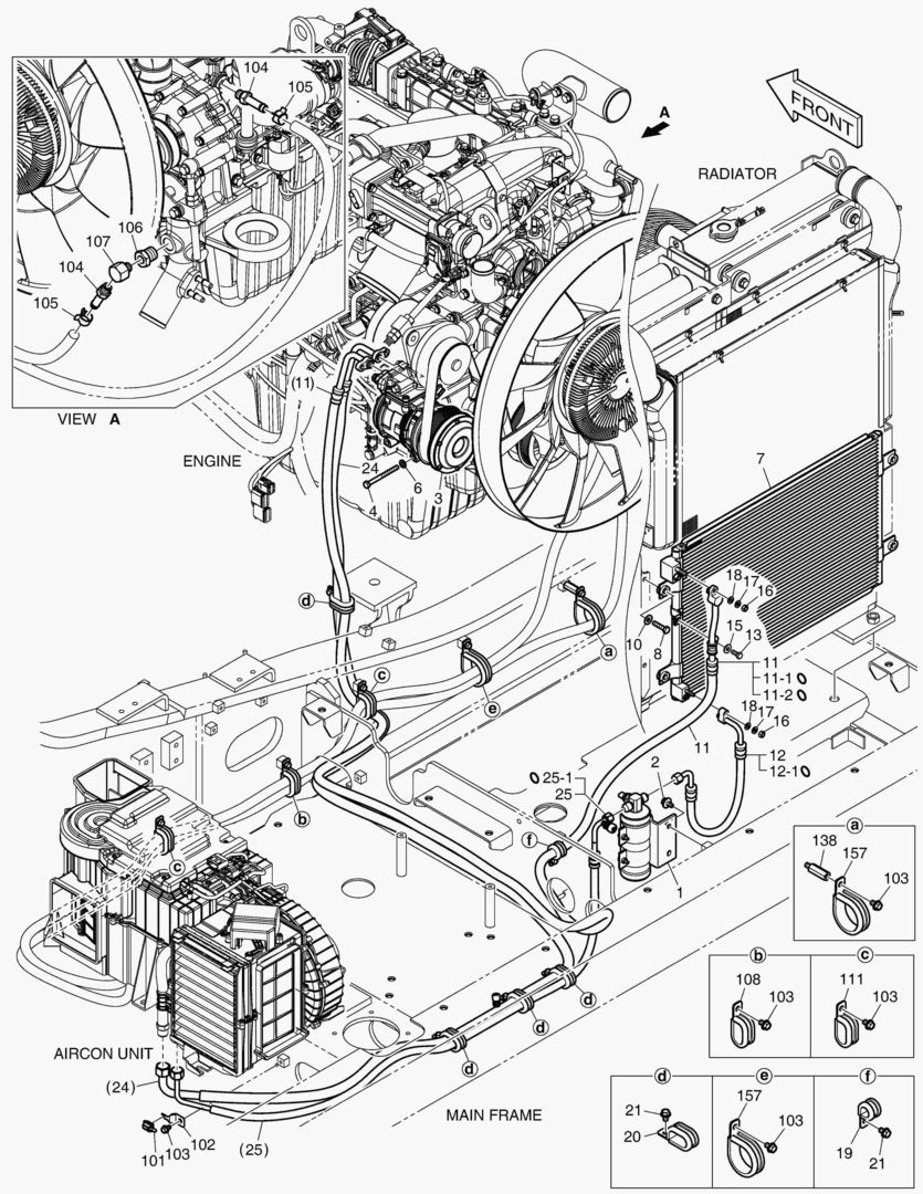
КОНДИЦИОНЕР(2)

КОНДИЦИОНЕР(2)

1Артикул: 440213-00605, VENTILATION ASSY
2Артикул: 440213-00605A, VENTILATION ASSY
3Артикул: 440213-00605C, VENTILATION ASSY,CABIN
Подробнее >
БЛОК КОНДИЦИОНЕРА

БЛОК КОНДИЦИОНЕРА

1Артикул: 440205-00033, CONDITIONER,AIR
2Артикул: 440205-00033A, CONDITIONER,AIR
3Артикул: 440205-00033C, CONDITIONER,AIR
Подробнее >
1830 AIRCONDITIONER(1) [1001~1493]

1830 AIRCONDITIONER(1) [1001~1493]

1Артикул: 440213-00607, VENTILATION ASSY
2Артикул: 300720-00003, DRYER,RECEIVER
3Артикул: DS0025033, BOLT
Подробнее >
ЧЕХОЛ КРЫШКИ

ЧЕХОЛ КРЫШКИ

1Артикул: 220204-00047B, COVER ASSY,CABIN
2Артикул: 220204-00270, COVER,ROOF
3Артикул: 110927-00014, HINGE,ROOF COVER
Подробнее >
1410 PILOT PIPING(9) - JOYSTICK(R.H)

1410 PILOT PIPING(9) - JOYSTICK(R.H)

1Артикул: 420212-12434B, PIPING,PILOT
2Артикул: 420212-12434C, PIPING,PILOT
3Артикул: 420212-12434E, PIPING,PILOT
Подробнее >
1340 PILOT PIPING(2) - BOOM [1001~1271]

1340 PILOT PIPING(2) - BOOM [1001~1271]

1Артикул: 420212-08854, PIPING,PILOT
2Артикул: DS2119003, HOSE ASSY,HYDRAULIC
3Артикул: DS2120189, HOSE
Подробнее >
ГЛАВНАЯ МАГИСТРАЛЬ(1) - НАСОС

ГЛАВНАЯ МАГИСТРАЛЬ(1) - НАСОС

1Артикул: 420212-08809, PIPING,MAIN
2Артикул: 110420-00861, BRACKET
3Артикул: 110420-00861A, BRACKET
Подробнее >
1221 FUEL TANK [1272~]

1221 FUEL TANK [1272~]

1Артикул: 450103-00455, TANK ASSY,FUEL
2Артикул: 450103-00749, TANK,FUEL
3Артикул: 450103-00749A, TANK ASSY,FUEL;SUB
Подробнее >
1420 PILOT PIPING(10) - PEDAL VALVE

1420 PILOT PIPING(10) - PEDAL VALVE

1Артикул: 420212-12434B, PIPING,PILOT
2Артикул: 420212-12434C, PIPING,PILOT
3Артикул: 420212-12434E, PIPING,PILOT
Подробнее >
БОКОВАЯ ДВЕРЬ - ЛЕВОСТОРОННИЙ

БОКОВАЯ ДВЕРЬ - ЛЕВОСТОРОННИЙ

1Артикул: 110508-13818, COVER ASSY
2Артикул: 110982-00724B, DOOR ASSY,SIDE(L.H)
3Артикул: 110982-00724C, DOOR ASSY,SIDE(L.H)
Подробнее >
1870 ANTENNA [1176~]

1870 ANTENNA [1176~]

1Артикул: 300619-03782, ELECTRIC ASSY
2Артикул: 300703-00048, ANTENNA ASSY
Подробнее >
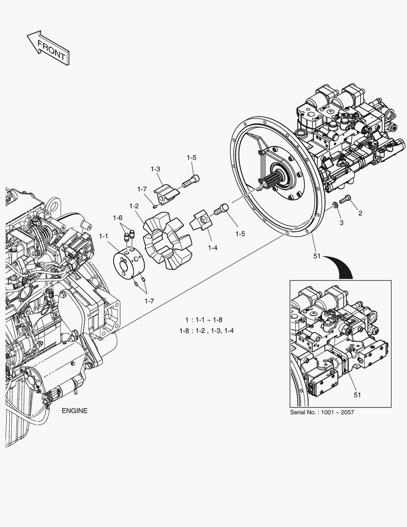
ОПОРА НАСОСА

ОПОРА НАСОСА

1Артикул: 400914-00414, PUMP INSTALLATION
2Артикул: 2414-9041, COUPLING
3Артикул: -, . HUB
Подробнее >
ЭЛЕКТРИЧЕСКИЕ ЗАПЧАСТИ - КАБИНА

ЭЛЕКТРИЧЕСКИЕ ЗАПЧАСТИ - КАБИНА

1Артикул: 300619-01861A, ELECTRIC ASSY;CABIN
2Артикул: 300619-01861C, ELECTRIC ASSY;CABIN
3Артикул: 300619-01861H, ELECTRIC ASSY;CABIN
Подробнее >
1570 CABIN(4) - SIDE DOOR

1570 CABIN(4) - SIDE DOOR

1Артикул: 220101-00968B, CABIN ASSY
2Артикул: 220101-00968C, CABIN ASSY
3Артикул: 220101-00968G, CABIN ASSY
Подробнее >
УСТАНОВКА ГЕНЕРАТОРА ПЕРЕМЕННОГО ТОКА

УСТАНОВКА ГЕНЕРАТОРА ПЕРЕМЕННОГО ТОКА

1Артикул: 300619-00891, ELECTRIC ASSY
2Артикул: S0760853, BOLT
3Артикул: S5102703, WASHER
Подробнее >
1560 CABIN(3) - ROOF

1560 CABIN(3) - ROOF

1Артикул: 220101-00968B, CABIN ASSY
2Артикул: 220101-00968C, CABIN ASSY
3Артикул: 220101-00968G, CABIN ASSY
Подробнее >
ГЛАВНАЯ МАГИСТРАЛЬ(5) - ЦЕНТРАЛЬНОЕ СОЕДИНЕНИЕ

ГЛАВНАЯ МАГИСТРАЛЬ(5) - ЦЕНТРАЛЬНОЕ СОЕДИНЕНИЕ

1Артикул: 420212-08809, PIPING,MAIN
2Артикул: 2181-9078, FLANGE
3Артикул: S2212266, BOLT
Подробнее >
1341 PILOT PIPING(2) - BOOM [1272~]

1341 PILOT PIPING(2) - BOOM [1272~]

1Артикул: 420212-08854, PIPING,PILOT
2Артикул: DS2123277, HOSE,HYDRAULIC
3Артикул: DS2121031, HOSE
Подробнее >
1360 PILOT PIPING(4) - BUCKET

1360 PILOT PIPING(4) - BUCKET

1Артикул: 420212-08854, PIPING,PILOT
2Артикул: DS2121030, HOSE
3Артикул: DS2121171, HOSE ASSY,HYDRAULIC
Подробнее >
1430 PILOT PIPING(11) - NON PATTERN CHANGE

1430 PILOT PIPING(11) - NON PATTERN CHANGE

1Артикул: 420212-08907, PIPING,PILOT
2Артикул: DS2113060, HOSE ASSY,HYDRAULIC
3Артикул: DS2113030, HOSE
Подробнее >
ГЛАВНАЯ МАГИСТРАЛЬ(3) - РУКОЯТЬ, КОВШ

ГЛАВНАЯ МАГИСТРАЛЬ(3) - РУКОЯТЬ, КОВШ

1Артикул: 420212-08809, PIPING,MAIN
2Артикул: 2181-9078, FLANGE
3Артикул: S2212266, BOLT
Подробнее >
ТРУБОПРОВОД СМАЗОЧНОЙ СИСТЕМЫ

ТРУБОПРОВОД СМАЗОЧНОЙ СИСТЕМЫ

1Артикул: 420212-08962, PIPING,LUBRICATION
2Артикул: K1007665B, PIPE,GREASE
3Артикул: 420205-00771, PIPE,GREASE
Подробнее >
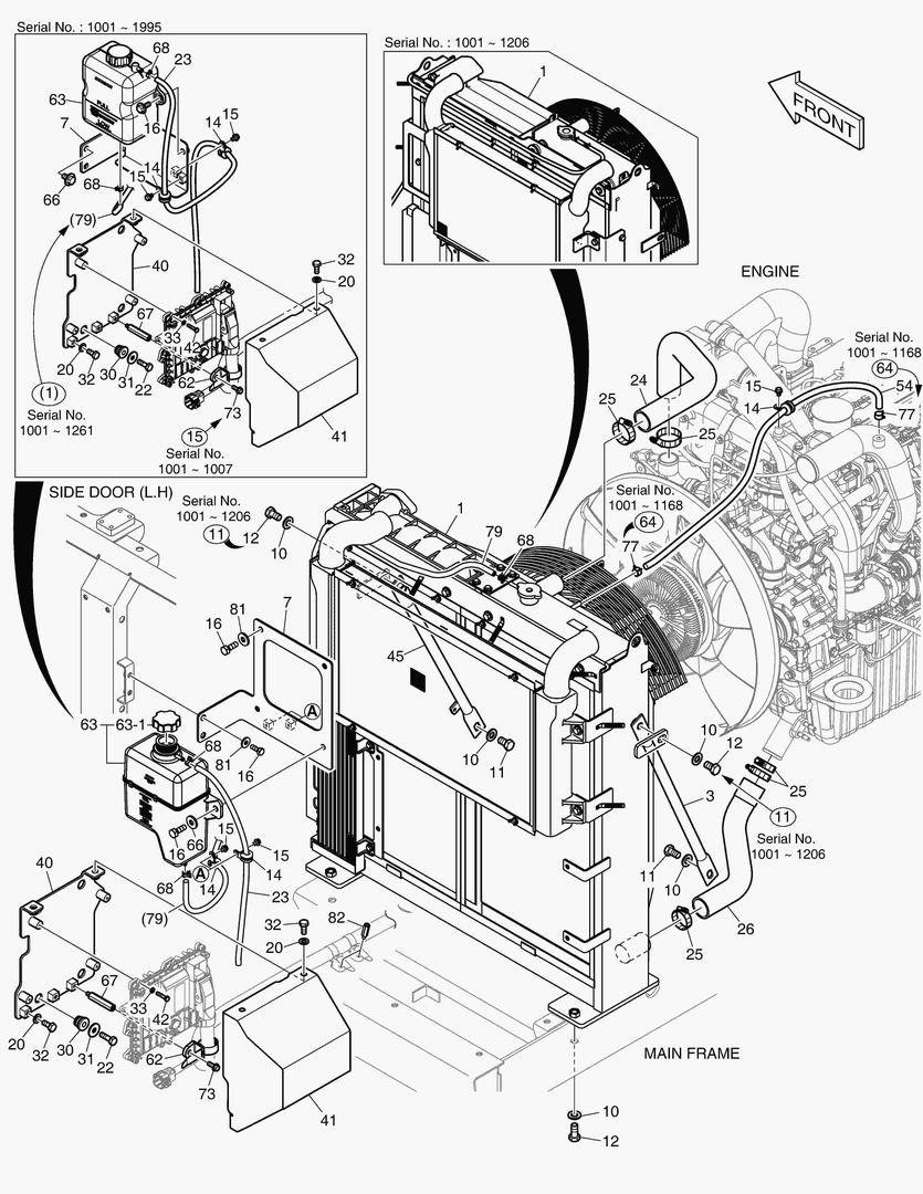
ОПОРТНЫЙ УЗЕЛ РАДИАТОРА

ОПОРТНЫЙ УЗЕЛ РАДИАТОРА

1Артикул: 150109-01372, ENGINE ASSY;TIER4F
2Артикул: 440211-00482B, RADIATOR ASSY
3Артикул: 440211-00907A, RADIATOR ASSY
Подробнее >
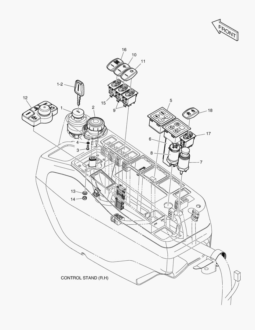
ПУЛЬТ УПРАВЛЕНИЯ - ЛЕВОСТОРОННИЙ

ПУЛЬТ УПРАВЛЕНИЯ - ЛЕВОСТОРОННИЙ

1Артикул: 220111-00038H, STAND ASSY,CONTROL
2Артикул: 220111-00038K, STAND ASSY,CONTROL;WITH DOZER(LH)
3Артикул: 220111-00038L, STAND ASSY,CONTROL;WITH DOZER(LH)
Подробнее >
1100 MAIN FRAME

1100 MAIN FRAME

1Артикул: 160620-00434, FRAME ASSY,MAIN
2Артикул: S0571266, BOLT M20X2.5X120
3Артикул: 160-00068A, COVER
Подробнее >
ТОПЛИВНЫЕ ТРУБОПРОВОДЫ

ТОПЛИВНЫЕ ТРУБОПРОВОДЫ

1Артикул: 420212-12435, PIPING,FUEL
2Артикул: DS2508003, ADAPTER
3Артикул: 124-00208D2, CLIP
Подробнее >
1480 SUSPENSION

1480 SUSPENSION

1Артикул: 190112-00001C, SUSPENSION ASSY
2Артикул: 190112-00009B, SUSPENSION,SEAT
3Артикул: 430205-00011, . BELLOWS
Подробнее >
1110 COUNTER WEIGHT

1110 COUNTER WEIGHT

1Артикул: 160702-00729, WEIGHT ASSY,COUNTER
2Артикул: 120804-00073A, WASHER
3Артикул: K1039520, BOLT
Подробнее >
CAC ТРУБОПРОВОД

CAC ТРУБОПРОВОД

1Артикул: 420212-08798, PIPING,CAC
2Артикул: 420101-01134, HOSE,AIR;CAC
3Артикул: 420101-01134A, HOSE
Подробнее >
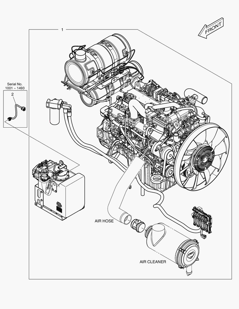
1130 ENGINE (NA)

1130 ENGINE (NA)

1Артикул: 150109-01268, ENGINE;TIER4F(NA)
2Артикул: DL06-LEE00, ENGINE ASSY
3Артикул: 310207-03620B, HARNESS,JOINT;UQS
Подробнее >
КРЫШКА ОБОГРЕВАТЕЛЯ

КРЫШКА ОБОГРЕВАТЕЛЯ

1Артикул: 220204-00189G, COVER ASSY;REAR
2Артикул: 220204-00189K, COVER ASSY
3Артикул: 220204-00189L, COVER ASSY(REAR)
Подробнее >
1171 RADIATOR [1207~]

1171 RADIATOR [1207~]

1Артикул: 440211-00907A, RADIATOR ASSY
2Артикул: 440211-00907C, RADIATOR ASSY
3Артикул: 440211-00907E, RADIATOR ASSY
Подробнее >
ПОДСТАВКА ДЛЯ НОГ - ЛЕВОСТОРОННИЙ

ПОДСТАВКА ДЛЯ НОГ - ЛЕВОСТОРОННИЙ

1Артикул: 220107-00044, REST,FOOT(L.H)
2Артикул: 220107-00044A, REST,FOOT(L.H)
3Артикул: 220107-00041, REST,FOOT
Подробнее >
1670 BATTERY & UREA TANK COVER

1670 BATTERY & UREA TANK COVER

1Артикул: 110508-13818, COVER ASSY
2Артикул: 110503-00182G, COVER ASSY,BATTERY
3Артикул: 110503-00182K, COVER ASSY,BATTERY
Подробнее >
ЗАЩИТНОЕ ОГРАЖДЕНИЕ

ЗАЩИТНОЕ ОГРАЖДЕНИЕ

1Артикул: 101582-00666, RAIL,GUARD
2Артикул: S0514666, BOLT M12X1.75X16
3Артикул: DS0401164, WASHER
Подробнее >
ДВИГАТЕЛЬ (EU)

ДВИГАТЕЛЬ (EU)

1Артикул: 150109-00923, ENGINE;TIER4F
2Артикул: DL06-LEE08, ENGINE ASSY
3Артикул: 310207-03620B, HARNESS,JOINT;UQS
Подробнее >
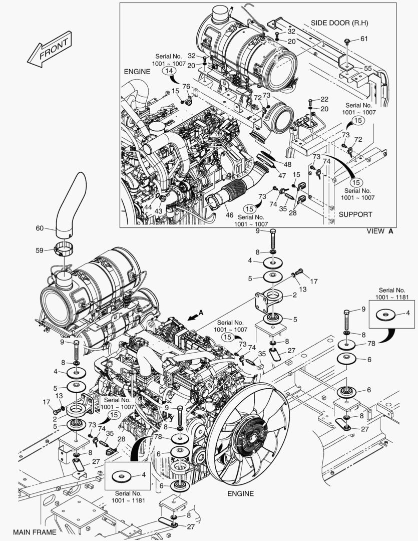
МОНТАЖ ДВИГАТЕЛЯ(2)

МОНТАЖ ДВИГАТЕЛЯ(2)

1Артикул: 150109-01372, ENGINE ASSY;TIER4F
2Артикул: 124-00208D2, CLIP
3Артикул: K1001029, BOLT
Подробнее >
ЛИСТ НАСТИЛА

ЛИСТ НАСТИЛА

1Артикул: 250106-00399C, PLATE ASSY,FLOOR
2Артикул: 250106-00399G, PLATE ASSY,FLOOR
3Артикул: 250106-00399H, PLATE ASSY,FLOOR
Подробнее >
1640 SUPPORT & BAFFLE

1640 SUPPORT & BAFFLE

1Артикул: 110958-02066, SUPPORT & BAFFLE ASSY
2Артикул: 110958-04214, SUPPORT & BAFFLE ASSY
3Артикул: 110958-02067A, SUPPORT
Подробнее >
КОВРИК НА ПОЛУ КУЗОВА

КОВРИК НА ПОЛУ КУЗОВА

1Артикул: 110935-00335, MAT,FLOOR
2Артикул: 110935-00335A, MAT,FLOOR
3Артикул: 110935-00335B, MAT,FLOOR
Подробнее >
1291 MAIN PIPING(2) - BOOM [1272~]

1291 MAIN PIPING(2) - BOOM [1272~]

1Артикул: 420212-08809, PIPING,MAIN
2Артикул: 110406-03245, BRACKET
3Артикул: 420207-04121, PIPE,BOOM UP
Подробнее >
ПУЛЬТ УПРАВЛЕНИЯ - ПРАВОСТОРОННИЙ

ПУЛЬТ УПРАВЛЕНИЯ - ПРАВОСТОРОННИЙ

1Артикул: 220111-00046G, STAND ASSY,CONTROL;RH
2Артикул: 220204-00271A, COVER,STAND;UPPER(R.H)
3Артикул: 220204-00130B, COVER,STAND;LOWER(R.H)
Подробнее >
1380 PILOT PIPING(6) - TRAVEL

1380 PILOT PIPING(6) - TRAVEL

1Артикул: 420212-08854, PIPING,PILOT
2Артикул: 2181-2815D6, ELBOW
3Артикул: DS2304059, ELBOW
Подробнее >
1170 RADIATOR [1001~1206]

1170 RADIATOR [1001~1206]

1Артикул: 440211-00482B, RADIATOR ASSY
2Артикул: 440211-00806, RADIATOR
3Артикул: K1010769, . CAP,PRESSURE
Подробнее >
1860 CABLE - OPERATION MANUAL [1125~]

1860 CABLE - OPERATION MANUAL [1125~]

1Артикул: 310401-02027, CABLE ASSY;MANUAL
2Артикул: 310401-02028, CABLE;MANUAL
3Артикул: 120402-00497, CLIP,WIRE
Подробнее >
ПОДСТАВКА ДЛЯ НОГ - ПРАВОСТОРОННИЙ

ПОДСТАВКА ДЛЯ НОГ - ПРАВОСТОРОННИЙ

1Артикул: 220107-00043, REST,FOOT(R.H)
2Артикул: 220107-00043A, REST,FOOT(R.H)
3Артикул: 220107-00041, REST,FOOT
Подробнее >
КРЫШКА ТРУБОПРОВОДА

КРЫШКА ТРУБОПРОВОДА

1Артикул: 110517-00363G, COVER ASSY,SIDE
2Артикул: 110517-00363H, COVER ASSY,SIDE
3Артикул: 110517-00363K, COVER ASSY,SIDE
Подробнее >
ОБТЕКАЕМАЯ ПОДКУЗОВНАЯ ПАНЕЛЬ

ОБТЕКАЕМАЯ ПОДКУЗОВНАЯ ПАНЕЛЬ

1Артикул: 110513-01116, COVER ASSY,UNDER
2Артикул: 110513-01364A, COVER,UNDER;CABIN
3Артикул: 110513-01365, COVER,UNDER;CABIN
Подробнее >
1241 OIL TANK [1272~]

1241 OIL TANK [1272~]

1Артикул: 450105-00528, TANK ASSY,OIL
2Артикул: -, TANK ASSY,OIL;SUB
3Артикул: 450105-00643B, . TANK,OIL
Подробнее >
УСТАНОВКА СИДЕНЬЯ

УСТАНОВКА СИДЕНЬЯ

1Артикул: 220110-00016C, SEAT ASSY,OPERATER
2Артикул: 220110-00016E, SEAT ASSY,OPERATER
3Артикул: 220110-00029C, SEAT,OPERATOR
Подробнее >
ПЛАСТИНА СИДЕНЬЯ

ПЛАСТИНА СИДЕНЬЯ

1Артикул: 160102-00030, BASE ASSY,SEAT
2Артикул: 220204-00198, COVER ASSY
3Артикул: 2120-2166D52, BOLT
Подробнее >
КАМЕРА ЗАДНЕГО ВИДА

КАМЕРА ЗАДНЕГО ВИДА

1Артикул: 300619-02780, ELECTRIC ASSY
2Артикул: S5102503, WASHER
3Артикул: 120106-00596, BOLT
Подробнее >
1770 AUDIO [1001~1261]

1770 AUDIO [1001~1261]

1Артикул: 300637-00021, PLAYER,CD(24V HANDS)
2Артикул: 300637-00014, PLAYER,CD(24V)
Подробнее >
1240 OIL TANK [1001~1271]

1240 OIL TANK [1001~1271]

1Артикул: 450105-00528, TANK ASSY,OIL
2Артикул: 450105-00643A, TANK,OIL
3Артикул: K1011675A, COVER
Подробнее >
1500 SEAT

1500 SEAT

1Артикул: 220110-00029C, SEAT,OPERATOR
2Артикул: 220110-00029E, SEAT,OPERATOR
3Артикул: 220108-00003, REST,HEAD
Подробнее >
1250 OIL COOLER PIPING(1) - PUMP

1250 OIL COOLER PIPING(1) - PUMP

1Артикул: 420212-08886, PIPING,OIL COOLER
2Артикул: 420218-00264B, PIPE,SUCTION
3Артикул: 420218-00264C, PIPE,SUCTION
Подробнее >
ЭЛЕКТРИЧЕСКИЕ ЗАПЧАСТИ - АНАЛОГИ

ЭЛЕКТРИЧЕСКИЕ ЗАПЧАСТИ - АНАЛОГИ

1Артикул: 300619-02659, ELECTRIC ASSY;CHASSIS
2Артикул: 2506-6008, BATTERY
3Артикул: 110406-02802, BRACKET;BATTERY
Подробнее >
ЭЛЕКТРИЧЕСКИЕ ЗАПЧАСТИ - ПУЛЬТ УПРАВЛЕНИЯ

ЭЛЕКТРИЧЕСКИЕ ЗАПЧАСТИ - ПУЛЬТ УПРАВЛЕНИЯ

1Артикул: 300619-02784A, ELECTRIC ASSY
2Артикул: 300619-02784B, ELECTRIC ASSY
3Артикул: 301419-00229, SWITCH,STARTER
Подробнее >
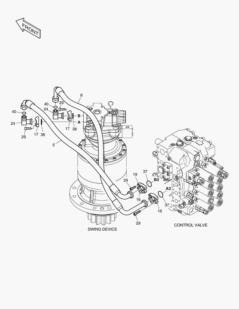
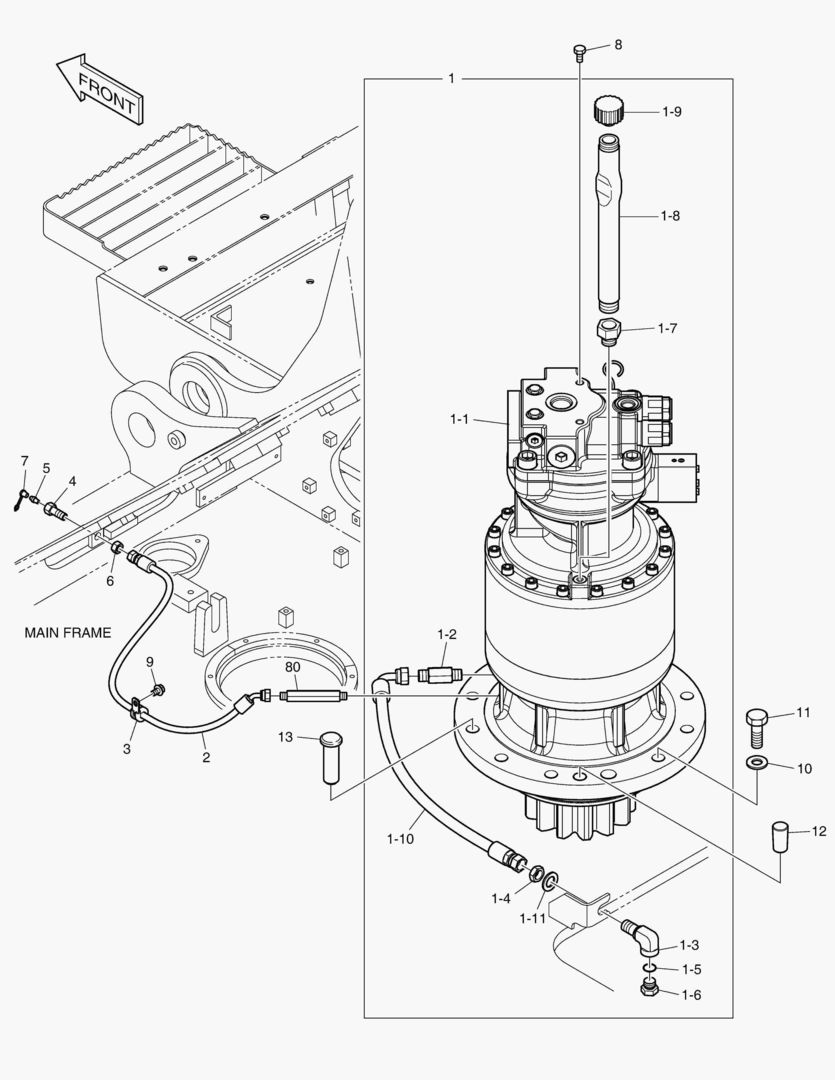
1210 SWING DEVICE

1210 SWING DEVICE

1Артикул: 170301-00221, DEVICE ASSY,SWING
2Артикул: 170301-00041B, DEVICE ASSY,SWING
3Артикул: 170301-00041C, DEVICE ASSY,SWING
Подробнее >
1540 CABIN(1) - GLASS

1540 CABIN(1) - GLASS

1Артикул: 220101-00968B, CABIN ASSY
2Артикул: 220101-00968C, CABIN ASSY
3Артикул: 220101-00968G, CABIN ASSY
Подробнее >
1831 AIRCONDITIONER(1) [1494~]

1831 AIRCONDITIONER(1) [1494~]

1Артикул: 440213-00607, VENTILATION ASSY
2Артикул: 400102-00381, COMPRESSOR
3Артикул: S0557166, BOLT
Подробнее >
ЭЛЕКТРИЧЕСКИЕ ЗАПЧАСТИ - РАБОЧАЯ ФАРА

ЭЛЕКТРИЧЕСКИЕ ЗАПЧАСТИ - РАБОЧАЯ ФАРА

1Артикул: 300619-02909, ELECTRIC ASSY
2Артикул: 110921-02896, GUARD,LAMP
3Артикул: 110921-03795, GUARD,LAMP
Подробнее >
УСТАНОВКА КАБИНЫ

УСТАНОВКА КАБИНЫ

1Артикул: 180204-00059G, RUBBER,CABIN MOUNT
2Артикул: 180204-00059H, RUBBER,CABIN MOUNT
3Артикул: 180204-00070, RUBBER,CABIN MOUNT
Подробнее >
1350 PILOT PIPING(3) - ARM

1350 PILOT PIPING(3) - ARM

1Артикул: 420212-08854, PIPING,PILOT
2Артикул: DS2119198, HOSE
3Артикул: DS2120030, HOSE
Подробнее >
1260 OIL COOLER PIPING(2) - OIL COOLER

1260 OIL COOLER PIPING(2) - OIL COOLER

1Артикул: 420212-08886, PIPING,OIL COOLER
2Артикул: 410128-00035, VALVE,BYPASS
3Артикул: 410128-00039, VALVE,BYPASS
Подробнее >
1220 FUEL TANK [1001~1271]

1220 FUEL TANK [1001~1271]

1Артикул: 450103-00455, TANK ASSY,FUEL
2Артикул: 450103-00548A, TANK,FUEL
3Артикул: 110508-03069A, COVER,TANK
Подробнее >
1370 PILOT PIPING(5) - SWING

1370 PILOT PIPING(5) - SWING

1Артикул: 420212-08854, PIPING,PILOT
2Артикул: DS2119063, HOSE
3Артикул: DS2121029, HOSE
Подробнее >
1190 AIR CLEANER

1190 AIR CLEANER

1Артикул: 400414-00267, CLEANER,AIR
2Артикул: 400414-00180, CLEANER ASSY,AIR
3Артикул: 400414-00586, CLEANER ASSY,AIR
Подробнее >
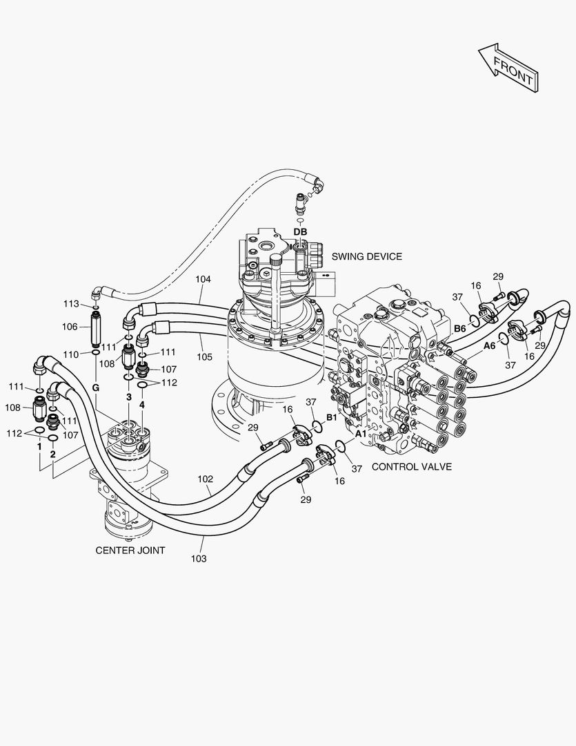
ГЛАВНАЯ МАГИСТРАЛЬ(4) - ПОВОРОТ

ГЛАВНАЯ МАГИСТРАЛЬ(4) - ПОВОРОТ

1Артикул: 420212-08809, PIPING,MAIN
2Артикул: DS2026427, HOSE
3Артикул: DS2026520, HOSE
Подробнее >
МОНТАЖ ДВИГАТЕЛЯ(1)

МОНТАЖ ДВИГАТЕЛЯ(1)

1Артикул: 150109-01372, ENGINE ASSY;TIER4F
2Артикул: 110427-00215A, BRACKET
3Артикул: 2114-1929, WASHER
Подробнее >
КРЫШКА В СБОРЕ

КРЫШКА В СБОРЕ

1Артикул: 110508-13818, COVER ASSY
2Артикул: 110506-00057B, COVER,ENGINE
3Артикул: 110506-00057C, COVER ASSY,ENGINE
Подробнее >
АКУСТИЧЕСКАЯ НОПЛАСТОВАЯ ИЗОЛЯЦИЯ

АКУСТИЧЕСКАЯ НОПЛАСТОВАЯ ИЗОЛЯЦИЯ

1Артикул: 180102-00763, FOAM ASSY,ACOUSTIC
2Артикул: 180102-01045A, FOAM
3Артикул: 180102-00324, FOAM
Подробнее >
ПОРУЧЕНЬ

ПОРУЧЕНЬ

1Артикул: 101582-00468, RAIL,HAND;ASSY
2Артикул: 101582-00632, RAIL,HAND
3Артикул: S0560666, BOLT M12X1.75X45
Подробнее >
1400 PILOT PIPING(8) - JOYSTICK(L.H)

1400 PILOT PIPING(8) - JOYSTICK(L.H)

1Артикул: 420212-12434B, PIPING,PILOT
2Артикул: 420212-12434C, PIPING,PILOT
3Артикул: 420212-12434E, PIPING,PILOT
Подробнее >
1330 PILOT PIPING(1) - PUMP

1330 PILOT PIPING(1) - PUMP

1Артикул: 420212-08854, PIPING,PILOT
2Артикул: 400407-00006, FILTER,PILOT
3Артикул: 400407-00008, FILTER,PILOT
Подробнее >
1680 COVER

1680 COVER

1Артикул: 110508-13818, COVER ASSY
2Артикул: 110508-19001, COVER;RADIATOR
3Артикул: 110508-19001A, COVER,UPPER;RADIATOR
Подробнее >
СКОЛЬЗЯЩАЯ ПЛИТА СИДЕНИЯ

СКОЛЬЗЯЩАЯ ПЛИТА СИДЕНИЯ

1Артикул: 250110-00054H, PLATE ASSY,SEAT
2Артикул: 250110-00054K, PLATE ASSY,SEAT
3Артикул: 250110-00054L, PLATE ASSY,SEAT
Подробнее >
РУКОЯТКА - КАБИНА

РУКОЯТКА - КАБИНА

1Артикул: 110925-00382, HANDLE ASSY
2Артикул: 110925-00477, HANDLE ASSY
3Артикул: 110925-00382B, HANDLE ASSY
Подробнее >
1290 MAIN PIPING(2) - BOOM [1001~1271]

1290 MAIN PIPING(2) - BOOM [1001~1271]

1Артикул: 420212-08809, PIPING,MAIN
2Артикул: 110406-03245, BRACKET
3Артикул: 420207-03061, PIPE;BOOM UP
Подробнее >
1550 CABIN(2) - SLIDE DOOR

1550 CABIN(2) - SLIDE DOOR

1Артикул: 220101-00968B, CABIN ASSY
2Артикул: 220101-00968C, CABIN ASSY
3Артикул: 220101-00968G, CABIN ASSY
Подробнее >
БОКОВАЯ ДВЕРЬ - ПРАВОСТОРОННИЙ

БОКОВАЯ ДВЕРЬ - ПРАВОСТОРОННИЙ

1Артикул: 110508-13818, COVER ASSY
2Артикул: 621-03642C, COVER;TANK
3Артикул: 110508-28779, COVER ASSY,TANK
Подробнее >