+7 (701) 588 50 05 Телефон для связи
RU

WhatsApp

Позвонить

ПОВОРОТНЫЙ КОРПУС в Алматы

НАКЛОН ТРУБОПРОВОДА

НАКЛОН ТРУБОПРОВОДА

1Артикул: 420212-14258, PIPING,TILTING
2Артикул: 400334-00263A, CYLINDER,TILT
3Артикул: 400334-00263B, CYLINDER,TILT
Подробнее >
ЭЛЕКТРИЧЕСКИЕ ЗАПЧАСТИ - РАБОЧАЯ ФАРА

ЭЛЕКТРИЧЕСКИЕ ЗАПЧАСТИ - РАБОЧАЯ ФАРА

1Артикул: 300619-03172, ELECTRIC ASSY
2Артикул: 310207-04425, HARNESS,LAMP
3Артикул: 2197-1660, BRACKET
Подробнее >
1560 CABIN RISER

1560 CABIN RISER

1Артикул: 110944-00011, RISER ASSY,CABIN
2Артикул: 110944-00012E, RISER ASSY,CABIN
3Артикул: 110944-00012G, RISER ASSY,CABIN
Подробнее >
ТРУБОПРОВОД СЕРВОУПРАВЛЕНИЯ(3)

ТРУБОПРОВОД СЕРВОУПРАВЛЕНИЯ(3)

1Артикул: 420212-13464, PIPING,PILOT
2Артикул: 410111-00236, VALVE,PILOT EPPR & SOL.
3Артикул: 410135-01449, . VALVE,SOLENOID
Подробнее >
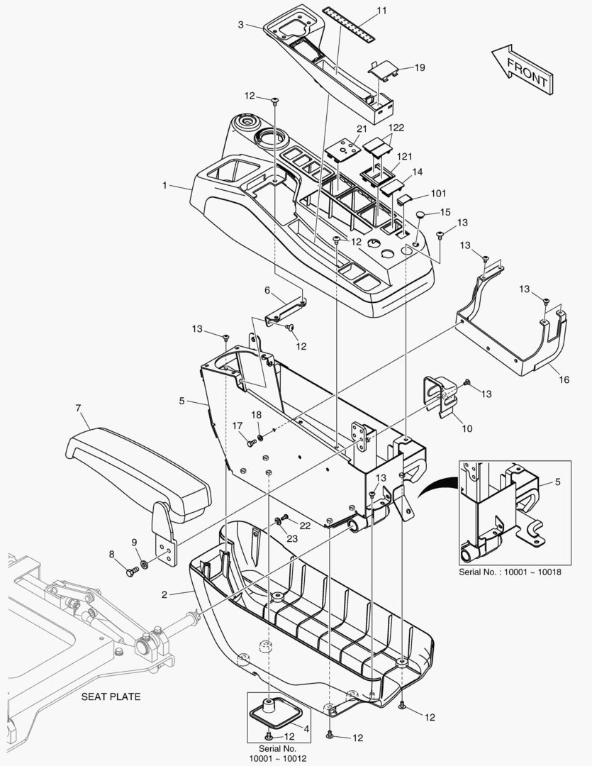
УСТАНОВКА СИДЕНЬЯ

УСТАНОВКА СИДЕНЬЯ

1Артикул: 220110-00016C, SEAT ASSY,OPERATER
2Артикул: 220110-00016E, SEAT ASSY,OPERATER
3Артикул: 220110-00029C, SEAT,OPERATOR
Подробнее >
1920 WORKING LAMP - 5 LAMP(LED)

1920 WORKING LAMP - 5 LAMP(LED)

1Артикул: 300619-03185B, LAMP ASSY
2Артикул: 300619-03185C, LAMP ASSY,ADDITIONAL WORKING
3Артикул: 301005-01253, LAMP ASSY,WORKING(LED)
Подробнее >
КОНДИЦИОНЕР(2)

КОНДИЦИОНЕР(2)

1Артикул: 440213-00763, VENTILATION ASSY
2Артикул: 440213-00763A, VENTILATION ASSY,CABIN;COMMON
3Артикул: 440213-00763B, VENTILATION ASSY,CABIN;COMMON
Подробнее >
УСТАНОВКА КАБИНЫ

УСТАНОВКА КАБИНЫ

1Артикул: 180204-00152B, RUBBER,CABIN MOUNT
2Артикул: 2161-9057, CABIN MOUNT
3Артикул: S0512266, BOLT M10X1.5X30
Подробнее >
РАДИО

РАДИО

1Артикул: 300654-00043A, STEREO,CAR
2Артикул: 300654-00069, STEREO,CAR
Подробнее >
ПУЛЬТ УПРАВЛЕНИЯ - ПРАВОСТОРОННИЙ

ПУЛЬТ УПРАВЛЕНИЯ - ПРАВОСТОРОННИЙ

1Артикул: 220111-00110A, STAND ASSY,CONTROL
2Артикул: 220111-00110B, STAND ASSY,CONTROL
3Артикул: 220111-00110C, STAND ASSY,CONTROL(R.H)
Подробнее >
1710 COVER

1710 COVER

1Артикул: 110508-22319, COVER ASSY
2Артикул: 110508-22684A, COVER,FUEL TANK
3Артикул: 110508-13909B, COVER,TANK
Подробнее >
12 В РАЗЪЕМ

12 В РАЗЪЕМ

1Артикул: 300619-00098A, ELECTRIC ASSY
2Артикул: 300619-00098B, ELECTRIC ASSY
3Артикул: 300612-00001A, CONVERTER,DC
Подробнее >
1680 BAFFLE

1680 BAFFLE

1Артикул: 110958-03235, SUPPORT & BAFFLE ASSY
2Артикул: 110502-00687E, COVER,BAFFLE
3Артикул: 110502-00687G, COVER,BAFFLE
Подробнее >
ТРУБОПРОВОД СЕРВОУПРАВЛЕНИЯ(1)

ТРУБОПРОВОД СЕРВОУПРАВЛЕНИЯ(1)

1Артикул: 420212-13464, PIPING,PILOT
2Артикул: 400407-00006, FILTER,PILOT
3Артикул: 400407-00008, FILTER,PILOT
Подробнее >
ПОДСТАВКА ДЛЯ НОГ - ПРАВОСТОРОННИЙ

ПОДСТАВКА ДЛЯ НОГ - ПРАВОСТОРОННИЙ

1Артикул: 220107-00043A, REST,FOOT(R.H)
2Артикул: 220107-00041, REST,FOOT
3Артикул: 2120-2166D1, BOLT
Подробнее >
1100 MAIN FRAME

1100 MAIN FRAME

1Артикул: 160620-00617, FRAME ASSY,MAIN
2Артикул: 120-00046A, BOLT
3Артикул: S0776266, BOLT
Подробнее >
ТРУБОПРОВОД СЕРВОУПРАВЛЕНИЯ(9)

ТРУБОПРОВОД СЕРВОУПРАВЛЕНИЯ(9)

1Артикул: 420212-13474C, PIPING,PILOT
2Артикул: 420212-13474E, PIPING,PILOT;(2)COMMON
3Артикул: 410113-00297, VALVE,JOYSTICK(R.H)
Подробнее >
1530 SEAT

1530 SEAT

1Артикул: 220110-00029C, SEAT,OPERATOR
2Артикул: 220110-00029E, SEAT,OPERATOR
3Артикул: 220108-00003, REST,HEAD
Подробнее >
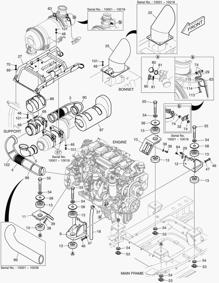
МОНТАЖ ДВИГАТЕЛЯ(1)

МОНТАЖ ДВИГАТЕЛЯ(1)

1Артикул: 150109-01484, ENGINE ASSY
2Артикул: 420203-00257C, PIPE,EXHAUST
3Артикул: 420203-00684B, PIPE,EXHAUST
Подробнее >
КОВРИК НА ПОЛУ КУЗОВА

КОВРИК НА ПОЛУ КУЗОВА

1Артикул: 110935-00535, MAT ASSY,FLOOR
2Артикул: 110935-00417B, MAT,FLOOR
3Артикул: 110935-00417C, MAT,FLOOR
Подробнее >
ГЛАВНАЯ МАГИСТРАЛЬ(6) - ПРИВОД ВЕНТИЛЯТОРА

ГЛАВНАЯ МАГИСТРАЛЬ(6) - ПРИВОД ВЕНТИЛЯТОРА

1Артикул: 420212-13679, PIPING,FAN DRIVE
2Артикул: 400911-00103, PUMP,FAN DRIVE
3Артикул: K1057295, MOTOR,FAN
Подробнее >
ТРУБОПРОВОД СЕРВОУПРАВЛЕНИЯ(6)

ТРУБОПРОВОД СЕРВОУПРАВЛЕНИЯ(6)

1Артикул: 420212-13470, PIPING,PILOT
2Артикул: 410132-00001A, VALVE,SELECTOR
3Артикул: 410132-00001B, VALVE,SELECTOR
Подробнее >
ТРУБОПРОВОД СЕРВОУПРАВЛЕНИЯ(10)

ТРУБОПРОВОД СЕРВОУПРАВЛЕНИЯ(10)

1Артикул: 420212-13474C, PIPING,PILOT
2Артикул: 420212-13474E, PIPING,PILOT;(2)COMMON
3Артикул: 410119-00003, VALVE,PEDAL
Подробнее >
1240 FUEL TANK

1240 FUEL TANK

1Артикул: 450103-00637, TANK ASSY,FUEL
2Артикул: 450103-00639B, TANK,FUEL
3Артикул: 450103-00639C, TANK,FUEL
Подробнее >
1290 OIL COOLER PIPING(3) - SWING DEVICE

1290 OIL COOLER PIPING(3) - SWING DEVICE

1Артикул: 420212-13647, PIPING,OIL COOLER
2Артикул: DS20111924, HOSE
3Артикул: DS20211039, HOSE
Подробнее >
СКОЛЬЗЯЩАЯ ПЛИТА СИДЕНИЯ

СКОЛЬЗЯЩАЯ ПЛИТА СИДЕНИЯ

1Артикул: 250110-00054H, PLATE ASSY,SEAT
2Артикул: 250110-00055B, PLATE,SEAT
3Артикул: 110431-00029C, BRACKET,STAND(L.H)
Подробнее >
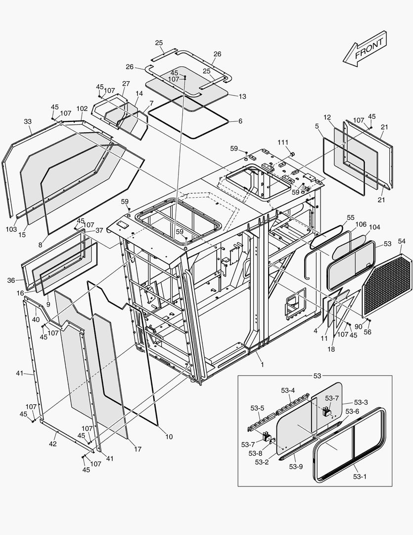
1590 CABIN(1)

1590 CABIN(1)

1Артикул: 220101-01390E, CABIN ASSY
2Артикул: 220101-01390G, CABIN ASSY
3Артикул: 220101-01390H, CABIN ASSY;OREGON
Подробнее >
1930 MICRO PHONE

1930 MICRO PHONE

1Артикул: 300619-03350, ELECTRIC ASSY
2Артикул: 300619-03350B, ELECTRIC ASSY;OREGON
3Артикул: 300402-00281, AMPLIFIER
Подробнее >
КРЫШКА ОБОГРЕВАТЕЛЯ

КРЫШКА ОБОГРЕВАТЕЛЯ

1Артикул: 220204-00423C, COVER ASSY;REAR
2Артикул: 220204-00423E, COVER ASSY;REAR
3Артикул: 220204-00423H, COVER ASSY;REAR
Подробнее >
ОБТЕКАЕМАЯ ПОДКУЗОВНАЯ ПАНЕЛЬ

ОБТЕКАЕМАЯ ПОДКУЗОВНАЯ ПАНЕЛЬ

1Артикул: 110513-01697, COVER ASSY,UNDER
2Артикул: 110513-01643A, COVER,UNDER
3Артикул: 110513-01706, COVER,UNDER
Подробнее >
1620 CABIN(4)

1620 CABIN(4)

1Артикул: 220101-01390E, CABIN ASSY
2Артикул: 220101-01390G, CABIN ASSY
3Артикул: 220101-01390H, CABIN ASSY;OREGON
Подробнее >
ТРУБОПРОВОД СЕРВОУПРАВЛЕНИЯ(8)

ТРУБОПРОВОД СЕРВОУПРАВЛЕНИЯ(8)

1Артикул: 420212-13474C, PIPING,PILOT
2Артикул: 420212-13474E, PIPING,PILOT;(2)COMMON
3Артикул: 410113-00284, VALVE,JOYSTICK(L.H)
Подробнее >
ПУЛЬТ УПРАВЛЕНИЯ - ЛЕВОСТОРОННИЙ

ПУЛЬТ УПРАВЛЕНИЯ - ЛЕВОСТОРОННИЙ

1Артикул: 220111-00047H, STAND ASSY,CONTROL(L.H)
2Артикул: 220111-00047L, STAND ASSY,CONTROL
3Артикул: 220204-00124A, COVER,STAND;UPPER(L.H)
Подробнее >
БЛОК КОНДИЦИОНЕРА

БЛОК КОНДИЦИОНЕРА

1Артикул: 440205-00110, CONDITIONER,AIR
2Артикул: 440205-00110A, CONDITIONER,AIR
3Артикул: 440205-00110C, CONDITIONER,AIR
Подробнее >
ЭЛЕКТРИЧЕСКИЕ ЗАПЧАСТИ - АНАЛОГИ

ЭЛЕКТРИЧЕСКИЕ ЗАПЧАСТИ - АНАЛОГИ

1Артикул: 300619-03165, ELECTRIC ASSY
2Артикул: 300101-00327, BATTERY
3Артикул: K1003427, BOLT
Подробнее >
ГЛАВНАЯ МАГИСТРАЛЬ(4) - ПОВОРОТ

ГЛАВНАЯ МАГИСТРАЛЬ(4) - ПОВОРОТ

1Артикул: 420212-13446, PIPING,MAIN
2Артикул: K1001958, BLOCK
3Артикул: 100201-03919, BLOCK;SWING
Подробнее >
ЭЛЕКТРОПРОВОДКА

ЭЛЕКТРОПРОВОДКА

1Артикул: 300619-03168, ELECTRIC ASSY
2Артикул: K1001029, BOLT
3Артикул: 2120-2187, BOLT
Подробнее >
1900 TMS(NA) - CELLULAR & SATELLITE(V1.5)

1900 TMS(NA) - CELLULAR & SATELLITE(V1.5)

1Артикул: 300619-03341A, ELECTRIC ASSY
2Артикул: 300619-04004, ELECTRIC ASSY
3Артикул: 300611-01140, . CONTROLLER,TMS
Подробнее >
БОКОВАЯ ДВЕРЬ - ПРАВОСТОРОННИЙ

БОКОВАЯ ДВЕРЬ - ПРАВОСТОРОННИЙ

1Артикул: 110508-22319, COVER ASSY
2Артикул: 110982-00996B, DOOR ASSY,SIDE;RH
3Артикул: 110982-00996C, DOOR ASSY,SIDE;RH
Подробнее >
КРЫШКА ТРУБОПРОВОДА

КРЫШКА ТРУБОПРОВОДА

1Артикул: 110517-01066B, COVER ASSY,SIDE
2Артикул: 110517-01066C, COVER ASSY,SIDE
3Артикул: 110517-00261A, COVER,SIDE;UPPER
Подробнее >
ТОПЛИВНЫЕ ТРУБОПРОВОДЫ

ТОПЛИВНЫЕ ТРУБОПРОВОДЫ

1Артикул: 420212-13458, PIPING,FUEL
2Артикул: 410202-00011A, COCK,VALVE
3Артикул: 410202-00064, COCK,VALVE
Подробнее >
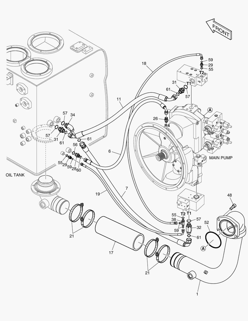
ОПОРА НАСОСА

ОПОРА НАСОСА

1Артикул: 400914-00358, PUMP INSTALLATION ASSY
2Артикул: 400914-00017B, PUMP,MAIN
3Артикул: 130801-00027, COUPLING
Подробнее >
ЭЛЕКТРИЧЕСКИЕ ЗАПЧАСТИ - КАБИНА

ЭЛЕКТРИЧЕСКИЕ ЗАПЧАСТИ - КАБИНА

1Артикул: 300619-04086A, ELECTRIC ASSY
2Артикул: 300619-04086C, ELECTRIC ASSY
3Артикул: 300619-04086G, ELECTRIC ASSY
Подробнее >
ТРУБОПРОВОД СЕРВОУПРАВЛЕНИЯ(5)

ТРУБОПРОВОД СЕРВОУПРАВЛЕНИЯ(5)

1Артикул: 420212-13464, PIPING,PILOT
2Артикул: 110406-01477A, BRACKET
3Артикул: 430216-00311, JOINT SUB ASSY
Подробнее >
ПОРУЧЕНЬ

ПОРУЧЕНЬ

1Артикул: 101582-00923, RAIL,GUARD
2Артикул: 101582-00805, RAIL,GUARD
3Артикул: 101582-00804, RAIL,GUARD
Подробнее >
ДВИГАТЕЛЬ (США)

ДВИГАТЕЛЬ (США)

1Артикул: 150109-01486, ENGINE ASSY
2Артикул: 150109-01164A, ENGINE ASSY
3Артикул: 150109-01164C, ENGINE ASSY;TIER4 DC09
Подробнее >
1120 COUNTER WEIGHT - 8.5TON

1120 COUNTER WEIGHT - 8.5TON

1Артикул: 160702-01134C, WEIGHT ASSY,COUNTER
2Артикул: -, WEIGHT,COUNTER
3Артикул: 161-00586, FOAM
Подробнее >
1510 SUSPENSION

1510 SUSPENSION

1Артикул: 190112-00001C, SUSPENSION ASSY
2Артикул: 190112-00009B, SUSPENSION,SEAT
3Артикул: 430205-00011, . BELLOWS
Подробнее >
1270 OIL COOLER PIPING(1) - PUMP

1270 OIL COOLER PIPING(1) - PUMP

1Артикул: 420212-13647, PIPING,OIL COOLER
2Артикул: 420218-00462B, PIPE,SUCTION
3Артикул: DS20131520, HOSE
Подробнее >
ЛИСТ НАСТИЛА

ЛИСТ НАСТИЛА

1Артикул: 250106-00672B, PLATE ASSY,FLOOR
2Артикул: 250106-00672C, PLATE ASSY,FLOOR
3Артикул: 250106-00672E, PLATE ASSY,FLOOR
Подробнее >
1730 UREA TANK COVER

1730 UREA TANK COVER

1Артикул: 110508-28201, COVER ASSY
2Артикул: 110516-00154A, COVER,SUPPORT
3Артикул: 110516-00154B, COVER,SUPPORT;UREA TANK
Подробнее >
РЕЗЕРВУАР ДЛЯ МАСЛА

РЕЗЕРВУАР ДЛЯ МАСЛА

1Артикул: 450105-00758, TANK ASSY,OIL
2Артикул: 450105-00759A, TANK,OIL
3Артикул: 450105-00759B, TANK,OIL
Подробнее >
ЭЛЕКТРИЧЕСКИЕ ЗАПЧАСТИ - ПУЛЬТ УПРАВЛЕНИЯ

ЭЛЕКТРИЧЕСКИЕ ЗАПЧАСТИ - ПУЛЬТ УПРАВЛЕНИЯ

1Артикул: 300619-03183C, ELECTRIC ASSY;STAND
2Артикул: 301419-00229, SWITCH,STARTER
3Артикул: 110702-00151, . KEY,START SWITCH
Подробнее >
1670 SUPPORT

1670 SUPPORT

1Артикул: 110958-03235, SUPPORT & BAFFLE ASSY
2Артикул: 110958-03907, SUPPORT
3Артикул: 110958-01778B, SUPPORT
Подробнее >
ПРИВОД ВЕНТИЛЯТОРА

ПРИВОД ВЕНТИЛЯТОРА

1Артикул: 210101-00261, FAN DRIVE INSTALLAION ASSY
2Артикул: 110412-00010, BRACKET,FAN MOUNTING
3Артикул: 110412-00010A, BRACKET,FAN MOUNTING
Подробнее >
1280 OIL COOLER PIPING(2) - OIL COOLER

1280 OIL COOLER PIPING(2) - OIL COOLER

1Артикул: 420212-13647, PIPING,OIL COOLER
2Артикул: 420207-02995, PIPE,RETURN
3Артикул: 420207-02996, PIPE,OIL COOLER
Подробнее >
ТРУБОПРОВОД СМАЗОЧНОЙ СИСТЕМЫ

ТРУБОПРОВОД СМАЗОЧНОЙ СИСТЕМЫ

1Артикул: 420212-05797, PIPING,LUBRICATION
2Артикул: K1002423A, PIPE
3Артикул: K1002424A, PIPE
Подробнее >
1200 AIR CLEANER

1200 AIR CLEANER

1Артикул: 400414-00520, CLEANER ASSY,AIR
2Артикул: 400414-00585, CLEANER,AIR
3Артикул: 474-00037, . ELEMENT,INNER
Подробнее >
ПЛАСТИНА СИДЕНЬЯ

ПЛАСТИНА СИДЕНЬЯ

1Артикул: 160102-00030, BASE ASSY,SEAT
2Артикул: 220204-00198, COVER ASSY
3Артикул: 2120-2166D52, BOLT
Подробнее >
1230 SWING DEVICE

1230 SWING DEVICE

1Артикул: 170301-00303, DEVICE ASSY,SWING
2Артикул: 170301-00352, DEVICE ASSY,SWING
3Артикул: 170301-00352A, DEVICE ASSY,SWING
Подробнее >
1610 CABIN(3)

1610 CABIN(3)

1Артикул: 220101-01390E, CABIN ASSY
2Артикул: 2120-2166D36, BOLT
3Артикул: 2114-1898D3, WASHER
Подробнее >
1600 CABIN(2)

1600 CABIN(2)

1Артикул: 220101-01390E, CABIN ASSY
2Артикул: 220101-01390G, CABIN ASSY
3Артикул: 220101-01390H, CABIN ASSY;OREGON
Подробнее >
1110 COUNTER WEIGHT INSTALL

1110 COUNTER WEIGHT INSTALL

1Артикул: 160702-01156, WEIGHT ASSY,COUNTER
2Артикул: 120-00272A, BOLT
3Артикул: 114-00055, WASHER
Подробнее >
1190 OIL COOLER

1190 OIL COOLER

1Артикул: 150109-01484, ENGINE ASSY
2Артикул: 400206-00754, COOLER,OIL
3Артикул: 400206-00793, . COOLER,OIL
Подробнее >
ОПОРТНЫЙ УЗЕЛ РАДИАТОРА

ОПОРТНЫЙ УЗЕЛ РАДИАТОРА

1Артикул: 150109-01484, ENGINE ASSY
2Артикул: 440211-00416E, RADIATOR ASSY
3Артикул: 440211-00416G, RADIATOR ASSY
Подробнее >
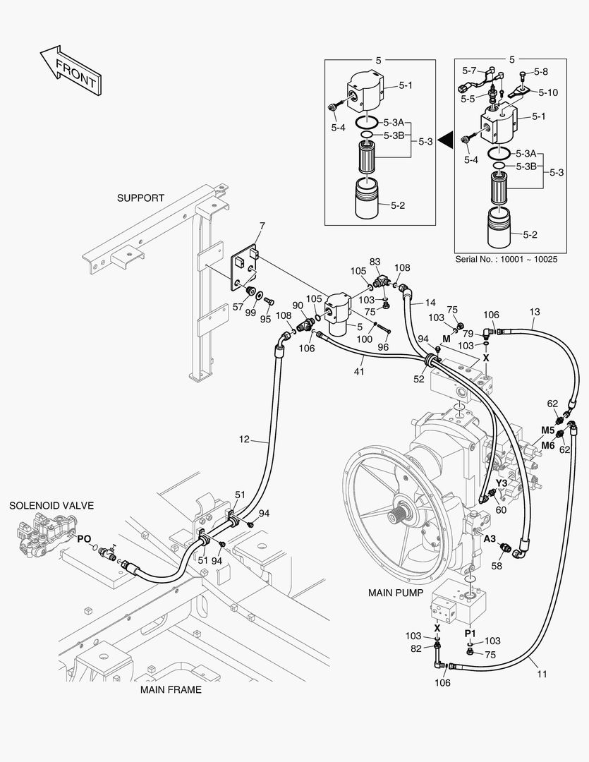
ГЛАВНАЯ МАГИСТРАЛЬ(1) - НАСОС

ГЛАВНАЯ МАГИСТРАЛЬ(1) - НАСОС

1Артикул: 420212-13446, PIPING,MAIN
2Артикул: 410126-00021A, VALVE,REDUCING
3Артикул: 410126-00021B, VALVE,REDUCING;DRIVE
Подробнее >
1180 RADIATOR

1180 RADIATOR

1Артикул: 440211-00416E, RADIATOR ASSY
2Артикул: 440211-00416G, RADIATOR ASSY
3Артикул: 440211-00686, RADIATOR
Подробнее >
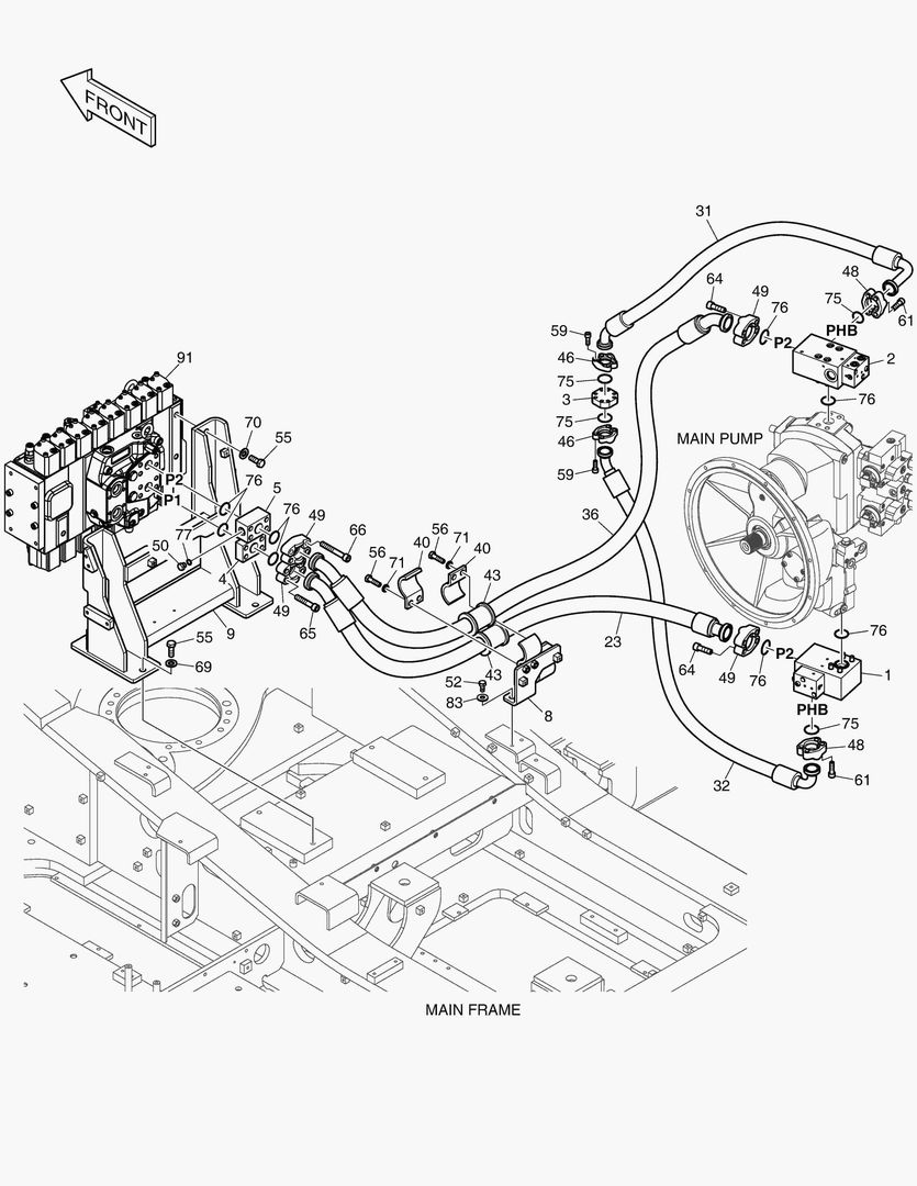
1320 MAIN PIPING(3) - FRONT PIPING

1320 MAIN PIPING(3) - FRONT PIPING

1Артикул: 420212-13446, PIPING,MAIN
2Артикул: 110436-00281A, BRACKET
3Артикул: 420207-03703B, PIPE
Подробнее >
1611 CABIN(3)

1611 CABIN(3)

1Артикул: 220101-01390G, CABIN ASSY
2Артикул: 220101-01390H, CABIN ASSY;OREGON
3Артикул: 2120-2166D36, BOLT
Подробнее >
ТРУБОПРОВОД СЕРВОУПРАВЛЕНИЯ(4)

ТРУБОПРОВОД СЕРВОУПРАВЛЕНИЯ(4)

1Артикул: 420212-13464, PIPING,PILOT
2Артикул: 430216-00556, JOINT ASSY
3Артикул: 250122-00598, . PLATE,SUPPORT
Подробнее >
1360 MAIN PIPING(7) - ROTATING

1360 MAIN PIPING(7) - ROTATING

1Артикул: 420212-13448, PIPING,MAIN
2Артикул: K1007973, PUMP,GEAR
3Артикул: K9001988, . SEAL KIT,GEAR PUMP
Подробнее >
1671 SUPPORT

1671 SUPPORT

1Артикул: 110958-03235, SUPPORT & BAFFLE ASSY
2Артикул: 110958-03907A, SUPPORT
3Артикул: 110958-01778C, SUPPORT
Подробнее >
КОНДИЦИОНЕР(1)

КОНДИЦИОНЕР(1)

1Артикул: 440213-00665, VENTILATION
2Артикул: 547-00024A, SENSOR
3Артикул: DS2228010, ADAPTER
Подробнее >
БОКОВАЯ ДВЕРЬ - ЛЕВОСТОРОННИЙ

БОКОВАЯ ДВЕРЬ - ЛЕВОСТОРОННИЙ

1Артикул: 110508-22319, COVER ASSY
2Артикул: 110982-00993E, DOOR ASSY,SIDE;LH
3Артикул: 110982-00993G, DOOR ASSY,SIDE;LH
Подробнее >
ТРУБОПРОВОД СЕРВОУПРАВЛЕНИЯ(7)

ТРУБОПРОВОД СЕРВОУПРАВЛЕНИЯ(7)

1Артикул: 420212-13473, PIPING,PILOT
2Артикул: 430216-00419, JOINT SUB ASSY
3Артикул: 430216-00419A, JOINT SUB ASSY
Подробнее >
МОНТАЖ ДВИГАТЕЛЯ(2)

МОНТАЖ ДВИГАТЕЛЯ(2)

1Артикул: 150109-01484, ENGINE ASSY
2Артикул: 110406-02158A, BRACKET
3Артикул: 110406-02165, BRACKET
Подробнее >
1720 STORAGE BOX

1720 STORAGE BOX

1Артикул: 110503-00349, COVER ASSY,BATTERY
2Артикул: 110503-00350B, COVER ASSY,BATTERY
3Артикул: 110503-00350C, COVER ASSY,BATTERY
Подробнее >
КРЫШКА В СБОРЕ

КРЫШКА В СБОРЕ

1Артикул: 110506-00334, COVER ASSY,ENGINE
2Артикул: 110501-00198G, BONNET,ENGINE
3Артикул: 110501-00198K, BONNET,ENGINE
Подробнее >
ГЛАВНАЯ МАГИСТРАЛЬ(2) - СТРЕЛА

ГЛАВНАЯ МАГИСТРАЛЬ(2) - СТРЕЛА

1Артикул: 420212-13446, PIPING,MAIN
2Артикул: 110406-03231, BRACKET
3Артикул: 420207-03462, PIPE,BOOM UP
Подробнее >
ПОДСТАВКА ДЛЯ НОГ - ЛЕВОСТОРОННИЙ

ПОДСТАВКА ДЛЯ НОГ - ЛЕВОСТОРОННИЙ

1Артикул: 220107-00044A, REST,FOOT(L.H)
2Артикул: 220107-00041, REST,FOOT
3Артикул: 2120-2166D1, BOLT
Подробнее >
1760 BONNET

1760 BONNET

1Артикул: 110501-00198G, BONNET,ENGINE
2Артикул: 110501-00265A, BONNET,ENGINE
3Артикул: 110501-00199B, BONNET,ENGINE;PUMP ROOM
Подробнее >
АКУСТИЧЕСКАЯ НОПЛАСТОВАЯ ИЗОЛЯЦИЯ

АКУСТИЧЕСКАЯ НОПЛАСТОВАЯ ИЗОЛЯЦИЯ

1Артикул: 180102-01230, FOAM
2Артикул: 250201-02169E, PLATE
3Артикул: 250201-02170E, PLATE
Подробнее >
КАМЕРА ЗАДНЕГО ВИДА

КАМЕРА ЗАДНЕГО ВИДА

1Артикул: 300619-03175, ELECTRIC ASSY
2Артикул: K1001029, BOLT
3Артикул: 124-00208D2, CLIP
Подробнее >
ТРУБОПРОВОД СЕРВОУПРАВЛЕНИЯ(2)

ТРУБОПРОВОД СЕРВОУПРАВЛЕНИЯ(2)

1Артикул: 420212-13464, PIPING,PILOT
2Артикул: 410135-00239, VALVE,SOLENOID
3Артикул: 410207-00145, . SPOOL,SOLENOID
Подробнее >
ДВИГАТЕЛЬ (EU)

ДВИГАТЕЛЬ (EU)

1Артикул: 150109-01485, ENGINE ASSY
2Артикул: 150109-00872B, ENGINE ASSY
3Артикул: 150109-00872E, ENGINE ASSY;TIER4 DC09
Подробнее >
ГЛАВНАЯ МАГИСТРАЛЬ(5) - ЦЕНТРАЛЬНОЕ СОЕДИНЕНИЕ

ГЛАВНАЯ МАГИСТРАЛЬ(5) - ЦЕНТРАЛЬНОЕ СОЕДИНЕНИЕ

1Артикул: 420212-13446, PIPING,MAIN
2Артикул: 250201-03123, PLATE,CLAMP
3Артикул: DS20401485, HOSE
Подробнее >