+7 (701) 588 50 05 Телефон для связи
RU

WhatsApp

Позвонить

Продажа: ПОВОРОТНЫЙ МЕХАНИЗМ ЦАПФЫ в Алматы и Астане Цены официального дилера с доставкой по всему Казахстану

Официальный дилер Все запчасти в наличии Лизинг / Рассрочка Сервис и гарантия
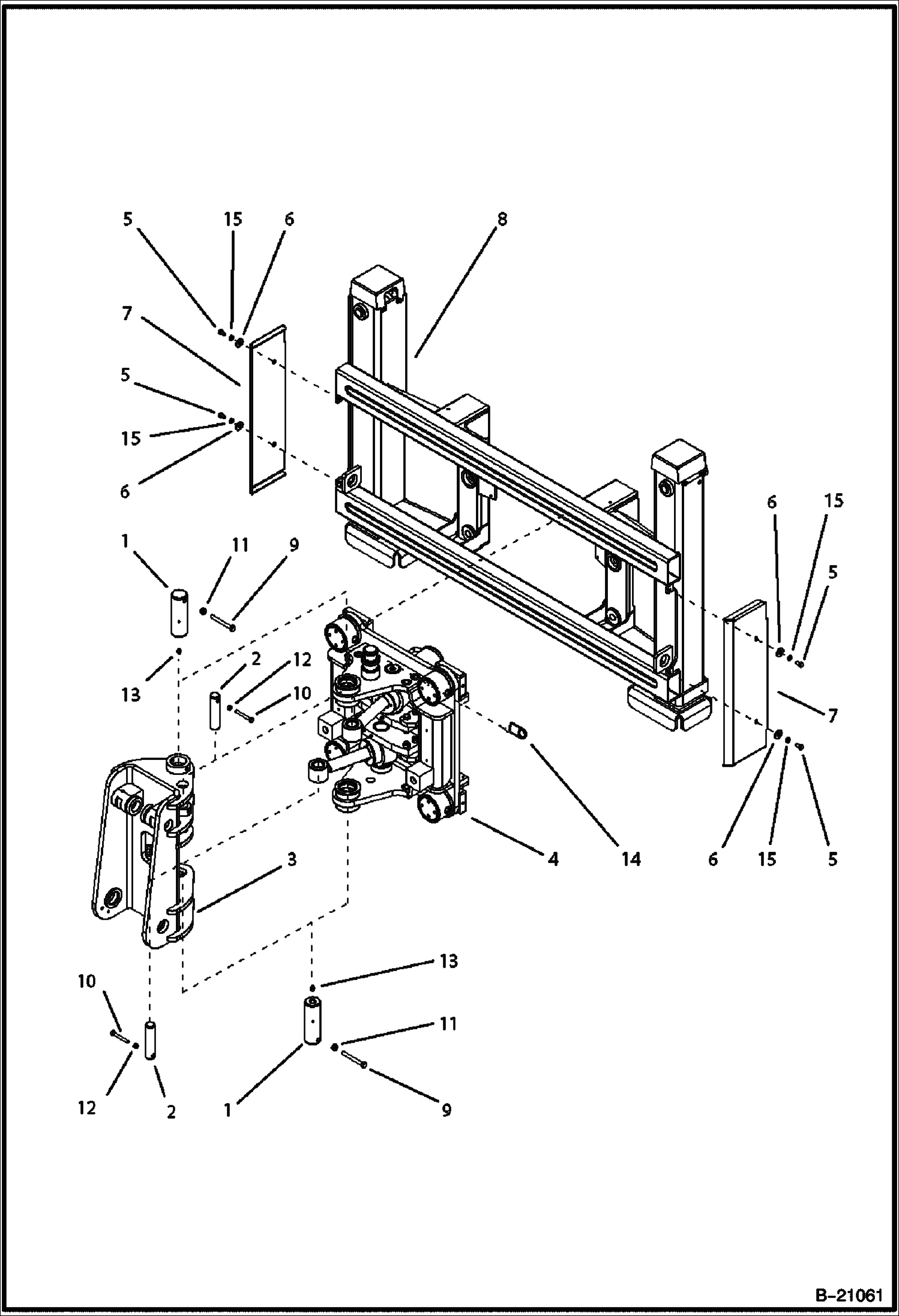
Спецтехника РАМА БОКОВОЙ ВЫНОС ОБРАТНОЙ ЛОПАТЫ B250 от Globus Machinery

РАМА БОКОВОЙ ВЫНОС ОБРАТНОЙ ЛОПАТЫ B250

1Артикул: 6960832, ...
2Артикул: 6960824, ...
3Артикул: 6960826, ...
Подробнее >