+7 (701) 588 50 05 Телефон для связи
RU

WhatsApp

Позвонить

РАБОЧАЯ ГРУППА в Алматы

СТАБИЛИЗАТОР УСТАНАВЛИВАТЬ ПО ЦЕНТРУ

СТАБИЛИЗАТОР УСТАНАВЛИВАТЬ ПО ЦЕНТРУ

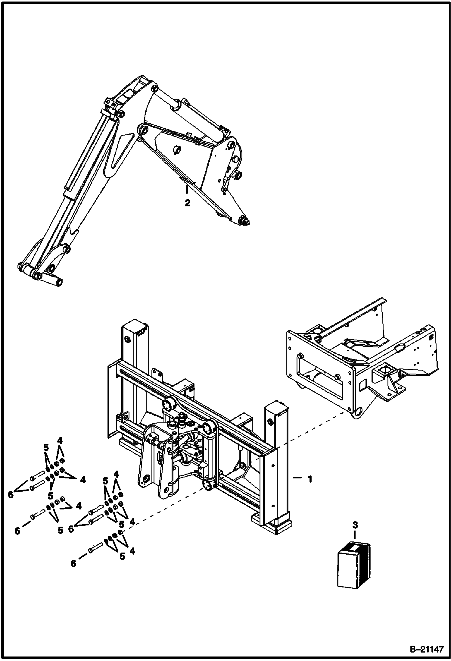
1Артикул: TRUNNION, TRUNNION See Illustration STREET PAD/ B21151 NLA
2Артикул: WORK, WORK GROUP See Illustration ARM & BOOM/ B21050 See Illustration LINK/ B21053 See Illustration BOOM/ B21052 See Illustration ARM/ B21051 NLA
3Артикул: HYDRAULIC, HYDRAULIC CIRCUITRY NLA
Подробнее >
СТАБИЛИЗАТОР БОКОВОЙ ВЫНОС B375

СТАБИЛИЗАТОР БОКОВОЙ ВЫНОС B375

1Артикул: TRUNNION, TRUNNION See Illustration STABILIZER/ B21645 See Illustration TRUNNION SLIDE/ B21646 See Illustration STREED PADS/ B21649 See Illustration TRUNNION/ B21648 See Illustration TRUNNION/ B21647 NLA
2Артикул: WORK, WORK GROUP See Illustration ARM & BOOM/ B21050 See Illustration LINK/ B21053 See Illustration BOOM/ B21052 See Illustration ARM/ B21051 NLA
3Артикул: CIRCUITRY, CIRCUITRY NLA
Подробнее >