+7 (701) 588 50 05 Телефон для связи
RU

WhatsApp

Позвонить

РАБОЧЕЕ ОБОРУДОВАНИЕ в Алматы

ПОВОРОТНАЯ ПЛАТФОРМА

ПОВОРОТНАЯ ПЛАТФОРМА

1Артикул: 6534111, WASHER
2Артикул: 6534154, RING
3Артикул: 6535313, SHIM
Подробнее >
ОТВАЛ

ОТВАЛ

1Артикул: 6534157, BLADE
2Артикул: 6535313, SHIM
3Артикул: 6534188, PIN
Подробнее >
СТРЕЛА

СТРЕЛА

1Артикул: BOOM, BOOM See Illustration HYDRAULIC CIRCUITRY/ B20154 - NLA - W/Ref. 23 - Order 7139949 boom, & 7139953 & 7139954 tubelines, & (4) 6535312 washers for boom base pivot- Was 6628646 - A
2Артикул: 7139949, BOOM, DIPPER ARM W/Ref. 15 & 24 - Also Order (4) 6535312 washers for boom base pivot
3Артикул: 39DM30, NUT Was 59DM00030B - B
Подробнее >
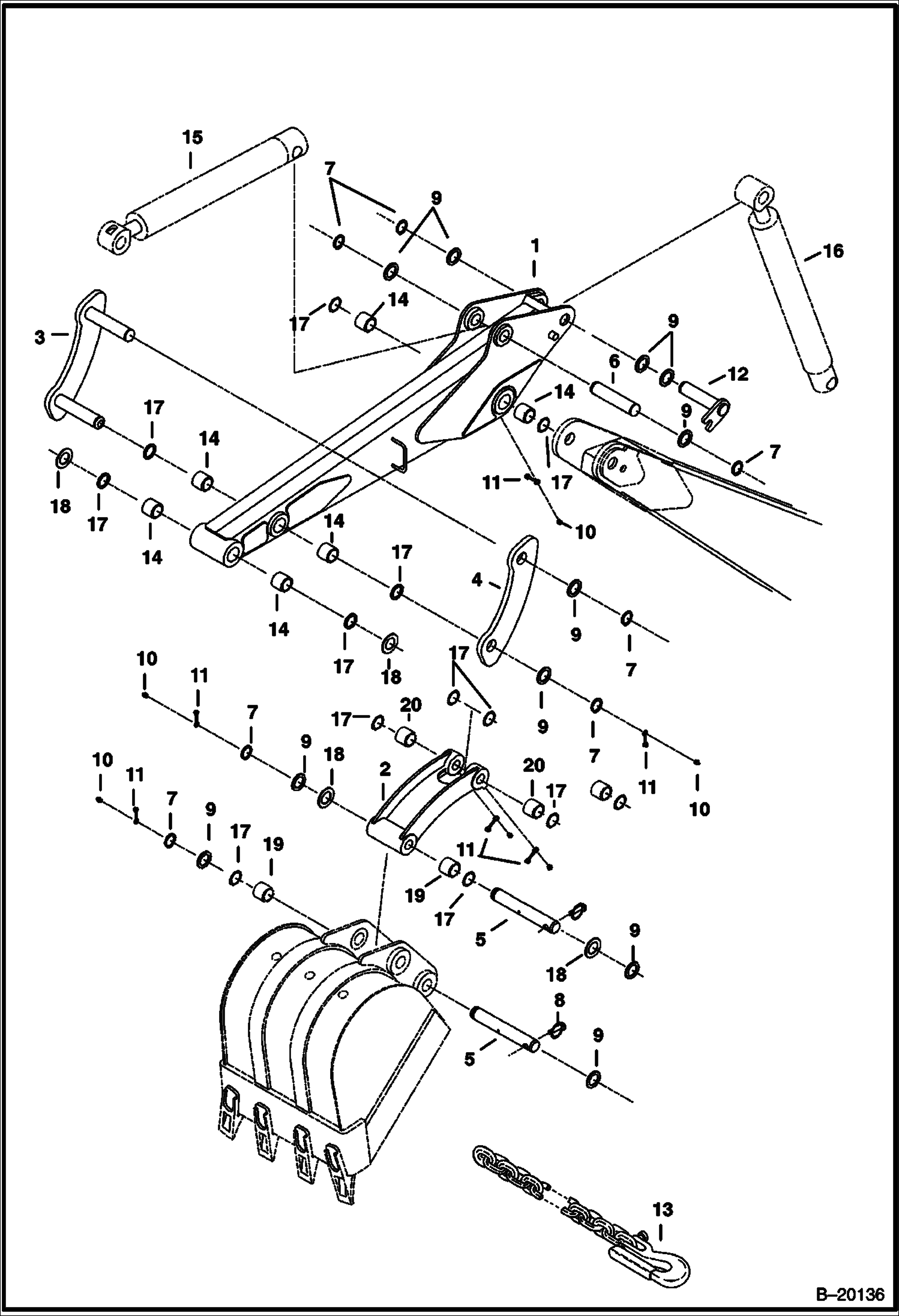
РУКОЯТЬ И СЕРЬГА КОВША (РУКОЯТКА NAP)

РУКОЯТЬ И СЕРЬГА КОВША (РУКОЯТКА NAP)

1Артикул: ARM, ARM See Illustration ARM/ TS1369 NLA - Order 7127622 - Was 6803890 - A
2Артикул: ARM,, ARM, LONG See Illustration ARM/ TS1369 NLA - Order 7127628 - Was 6803892 - A
3Артикул: LINK, LINK NLA - Order 6805374 - Was 6803212 - A
Подробнее >
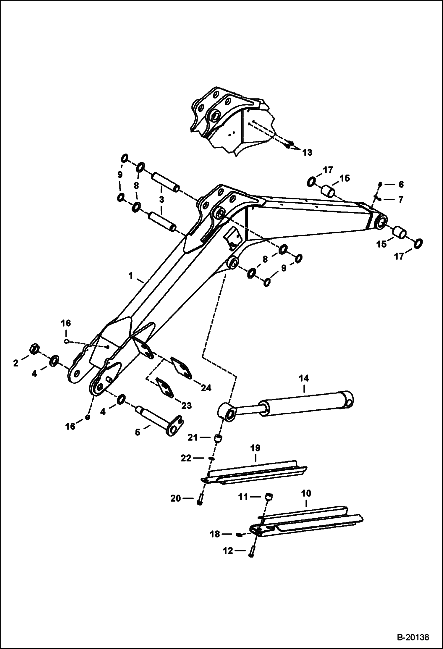
РУКОЯТЬ

РУКОЯТЬ

1Артикул: 7127622, ARM standard arm - Also Order (6) of Ref. 12, (4) of Ref. 15, & (2) of Ref. 17-19 - if 6812421 latching or 6812423 bolt on X-Change is used, Also Order (2) of Ref. 18 & (2) of 6810525 bushings - Was 7110455
2Артикул: 7127628, ARM, LONG long arm - Also Order (6) of Ref. 12, (4) of Ref. 15, & (2) of Ref. 17-19 - if 6812421 latching or 6812423 bolt on X-Change is used, Also Order (2) of Ref. 18 & (2) of 6810525 bushings - Was 7110458
3Артикул: 6805374, LINK wide link
Подробнее >