+7 (701) 588 50 05 Телефон для связи
RU

WhatsApp

Позвонить

Продажа: РАБОЧЕЕ ОБОРУДОВАНИЕ в Алматы и Астане Цены официального дилера с доставкой по всему Казахстану

Официальный дилер Все запчасти в наличии Лизинг / Рассрочка Сервис и гарантия
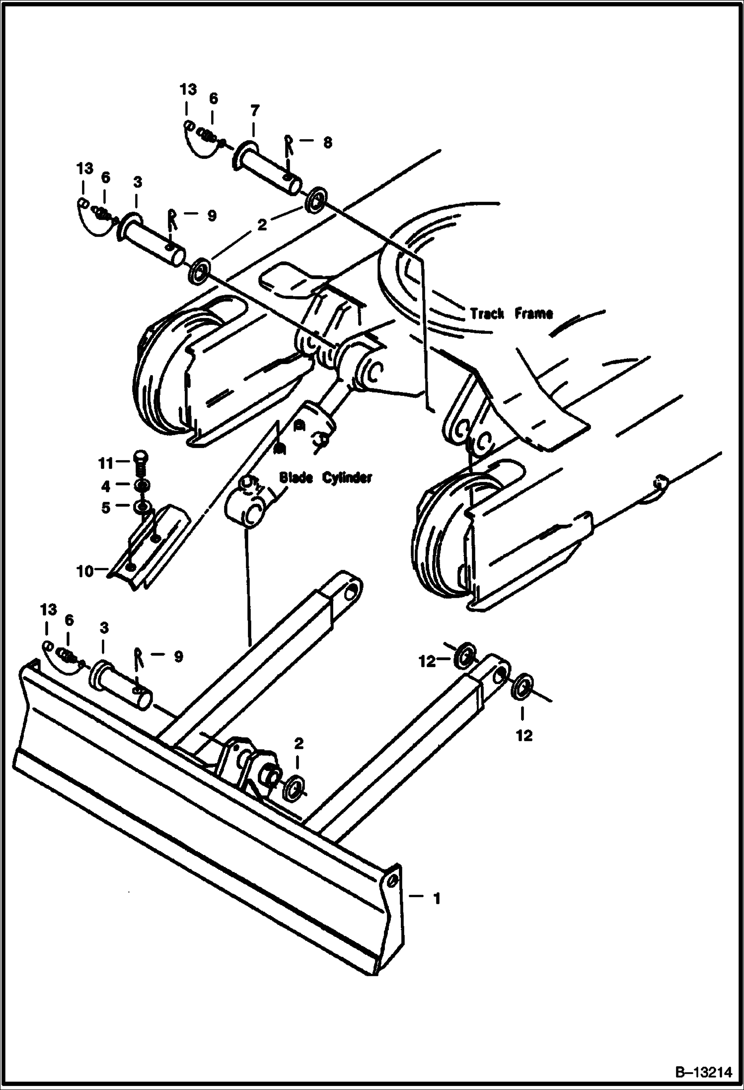
Спецтехника ОТВАЛ от Globus Machinery

ОТВАЛ

1Артикул: 6536043, ...
2Артикул: 6535313, ...
3Артикул: PIN, PIN ...
Подробнее >
Спецтехника ПОВОРОТНЫЙ КРОНШТЕЙН И СТРЕЛА от Globus Machinery

ПОВОРОТНЫЙ КРОНШТЕЙН И СТРЕЛА

1Артикул: 6535960, ...
2Артикул: 6539824, ...
3Артикул: 6535976, ...
Подробнее >
Спецтехника РУКОЯТЬ И СЕРЬГА КОВША от Globus Machinery

РУКОЯТЬ И СЕРЬГА КОВША

1Артикул: 6535990, ...
2Артикул: 6536020, ...
3Артикул: 6539825, ...
Подробнее >