+7 (701) 588 50 05 Телефон для связи
RU

WhatsApp

Позвонить

РАБОЧЕЕ ОБОРУДОВАНИЕ в Алматы

ПОВОРОТНАЯ ПЛАТФОРМА

ПОВОРОТНАЯ ПЛАТФОРМА

1Артикул: 6503451, SPACER
2Артикул: 6628101, BUSHING
3Артикул: 6628102, BUSHING
Подробнее >
СТРЕЛА

СТРЕЛА

1Артикул: 6597572, BUMPER
2Артикул: 6628002, PIN
3Артикул: 6628547, WASHER
Подробнее >
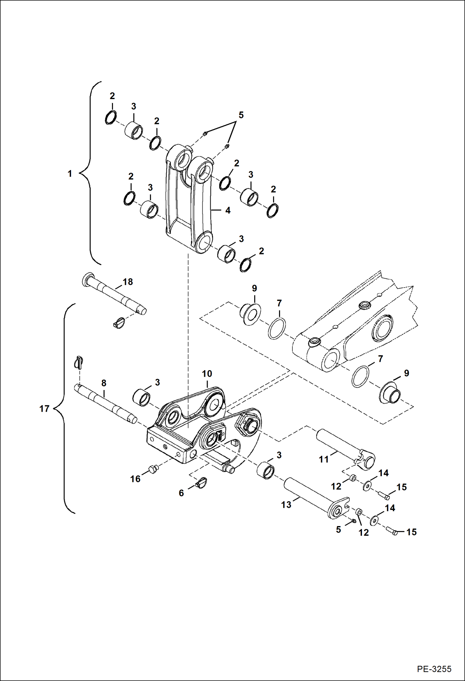
СЕРЬГА КОВША И КОВШ РЫХЛИТЕЛЬ

СЕРЬГА КОВША И КОВШ РЫХЛИТЕЛЬ

1Артикул: 6805281, LINK, BUCKET MACHINED ASSY See Illustration BUCKET LINK & X-CHANGE/ PE3255
2Артикул: 6628547, WASHER
3Артикул: 6668928, LOCK PIN
Подробнее >
РУКОЯТЬ

РУКОЯТЬ

1Артикул: 6813485, ARM std - Also Order (2) each of Ref. 2, 6, 8, & (4) of Ref. 5
2Артикул: 7100135, ARM long - Also Order (2) each of Ref. 2, 6, 8, & (4) of Ref. 5
3Артикул: 6628341, BUSHING, PRESS FIT
Подробнее >
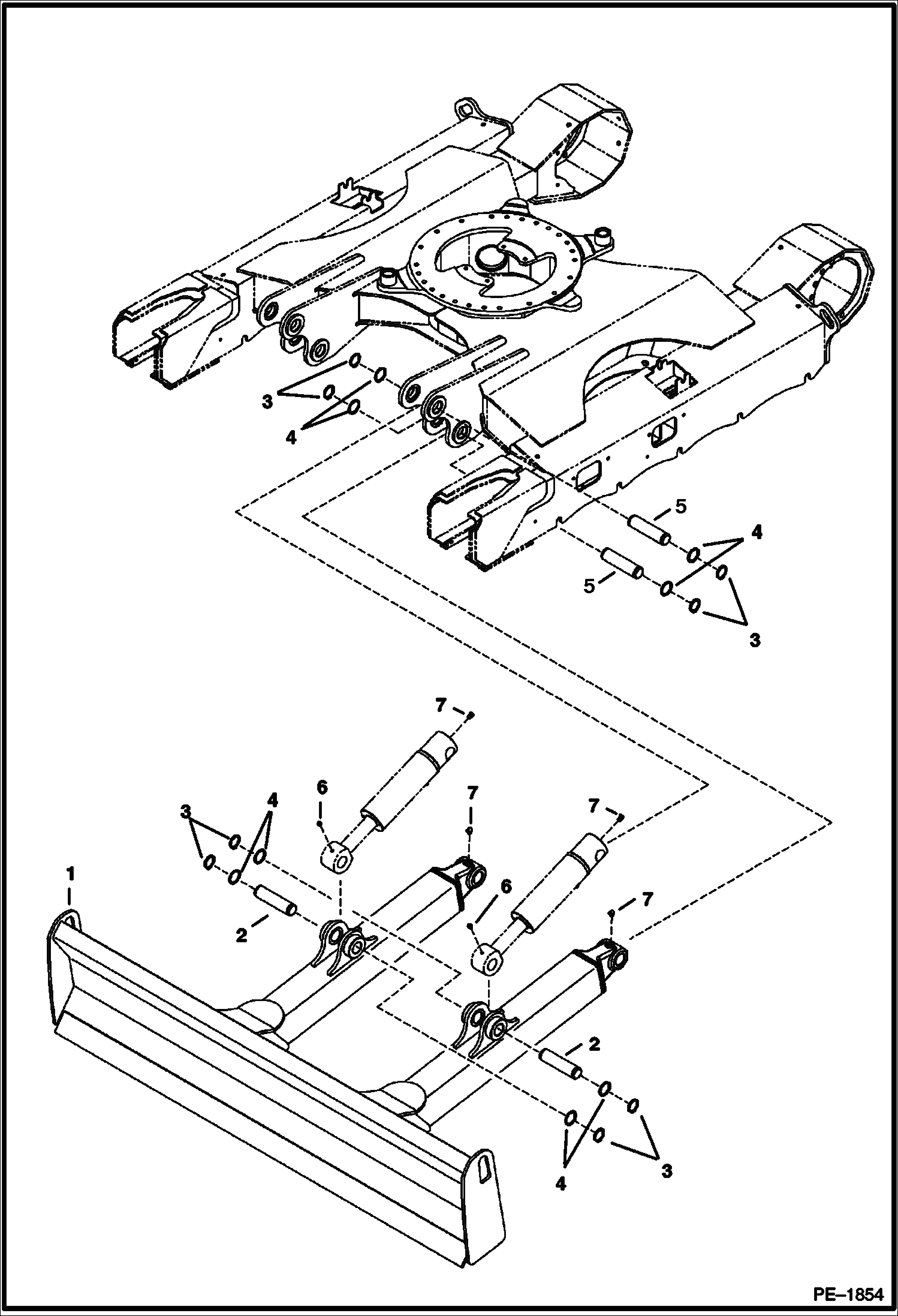
ОТВАЛ

ОТВАЛ

1Артикул: 6813071, BLADE
2Артикул: 6813075, EDGE, CUTTING WELD ON 74.25--
3Артикул: 6597461, PIN
Подробнее >
СЕРЬГА КОВША И СМЕННЫЙ

СЕРЬГА КОВША И СМЕННЫЙ

1Артикул: 6805281, LINK, BUCKET MACHINED ASSY assy - Ref. 2-5
2Артикул: 6669287, SEAL
3Артикул: 6802703, BUSHING, PRESS FIT
Подробнее >