+7 (701) 588 50 05 Телефон для связи
RU

WhatsApp

Позвонить

РАБОЧЕЕ ОБОРУДОВАНИЕ в Алматы

СТРЕЛА

СТРЕЛА

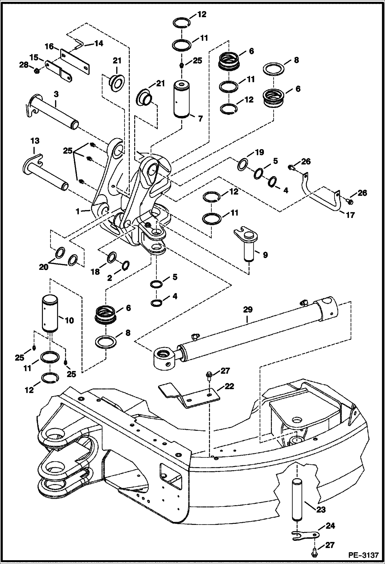
1Артикул: BOOM, BOOM See Illustration HYDRAULIC CIRCUITRY/ PE3134 - NLA - W/Ref. 18 - Order 7139949 boom & 7139953 & 7139954 tubelines - Was 7125930 - A
2Артикул: 7139949, BOOM, DIPPER ARM W/Ref. 8
3Артикул: 39DM30, NUT
Подробнее >
СЕРЬГА КОВША И КОВШ РЫХЛИТЕЛЬ

СЕРЬГА КОВША И КОВШ РЫХЛИТЕЛЬ

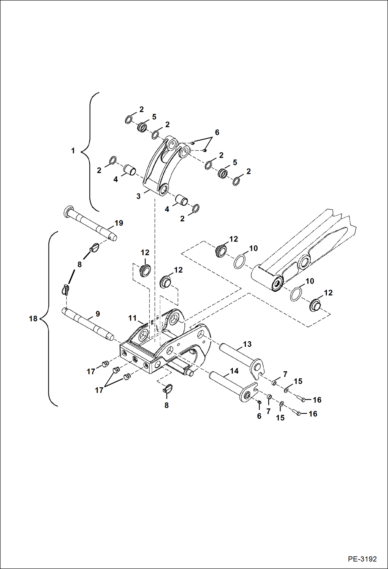
1Артикул: 6805374, LINK See Illustration BUCKET LINK & X-CHANGE/ PE3192
2Артикул: 6534111, WASHER
3Артикул: 6534115, PIN, PIVOT
Подробнее >
ОТВАЛ

ОТВАЛ

1Артикул: 7127407, BLADE W/A
2Артикул: 6809204, EDGE, CUTTING WELD ON 58.68-- cutting
3Артикул: 6597494, PIVOT MOUNT weld on
Подробнее >
РУКОЯТЬ

РУКОЯТЬ

1Артикул: 7127622, ARM Also Order bushings and seals - 54.25-- (1378 mm) long
2Артикул: 7127628, ARM, LONG Also Order bushings and seals - 66-- (1676,5 mm) long
3Артикул: 6534154, RING
Подробнее >
СЕРЬГА КОВША И СМЕННЫЙ

СЕРЬГА КОВША И СМЕННЫЙ

1Артикул: 6805374, LINK W/Ref. 2-6
2Артикул: 6652915, SEAL, OIL
3Артикул: LINK, LINK NLA - Order Ref. 1
Подробнее >
ПОВОРОТНАЯ ПЛАТФОРМА

ПОВОРОТНАЯ ПЛАТФОРМА

1Артикул: 6810691, FRAME
2Артикул: 6534154, RING
3Артикул: 6589323, PIN
Подробнее >