+7 (701) 588 50 05 Телефон для связи
RU

WhatsApp

Позвонить

РАБОЧЕЕ ОБОРУДОВАНИЕ в Алматы

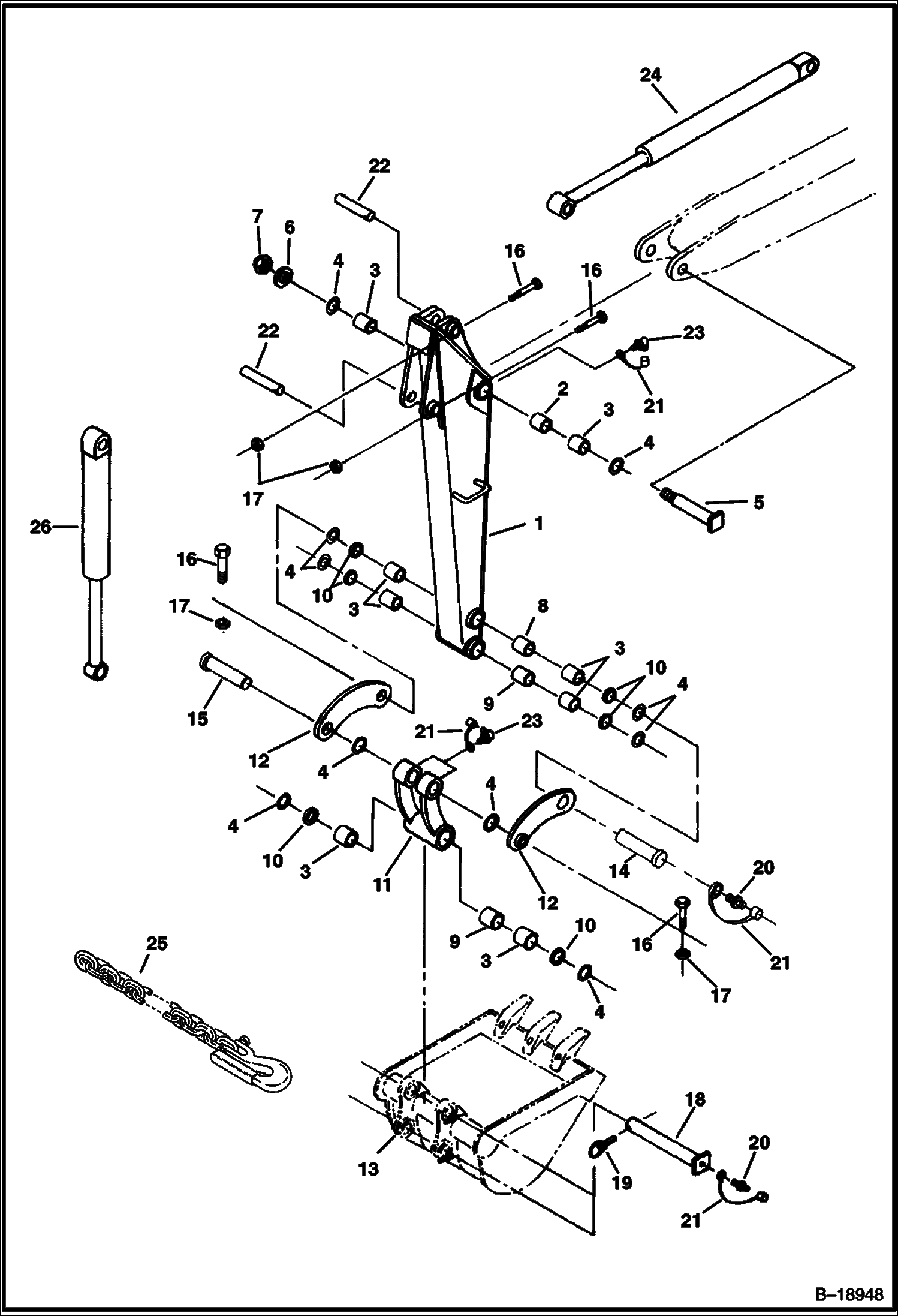
СТРЕЛА (СЕРИЙНЫЙ НОМЕР 511720001 - 511721115)

СТРЕЛА (СЕРИЙНЫЙ НОМЕР 511720001 - 511721115)

1Артикул: 6588063, BOOM Also Order Ref. 2, 3 & 4
2Артикул: 6533428, SPACER
3Артикул: 6587765, BUSHING, PRESS FIT
Подробнее >
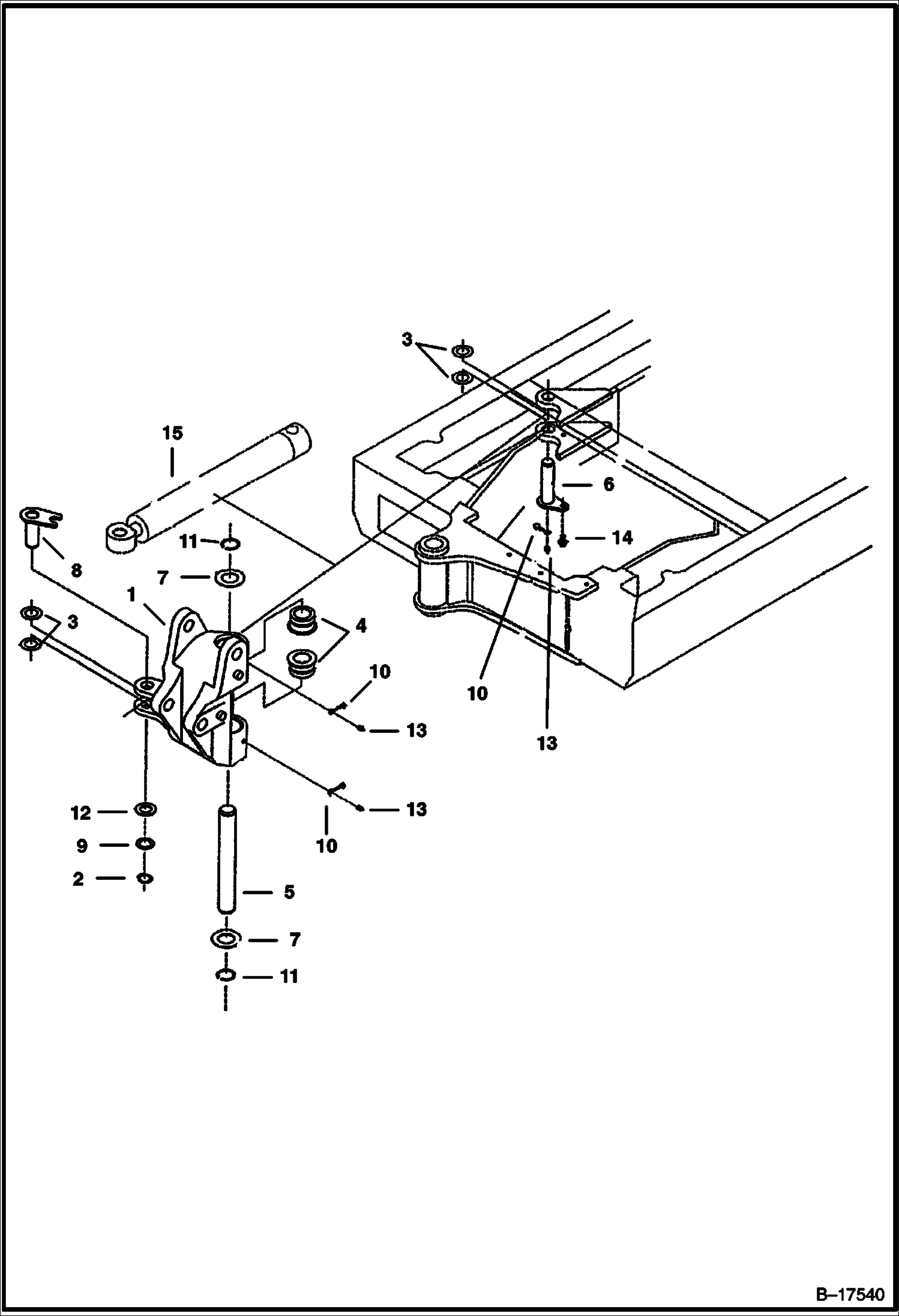
ПОВОРОТНАЯ СТОЙКА (СЕРИЙНЫЙ НОМЕР 511720001 - 511721115)

ПОВОРОТНАЯ СТОЙКА (СЕРИЙНЫЙ НОМЕР 511720001 - 511721115)

1Артикул: SWING, SWING POST See BTIE-037 NLA - Was 6587258 - A
2Артикул: 6539898, BUSHING
3Артикул: 6587377, PIN
Подробнее >
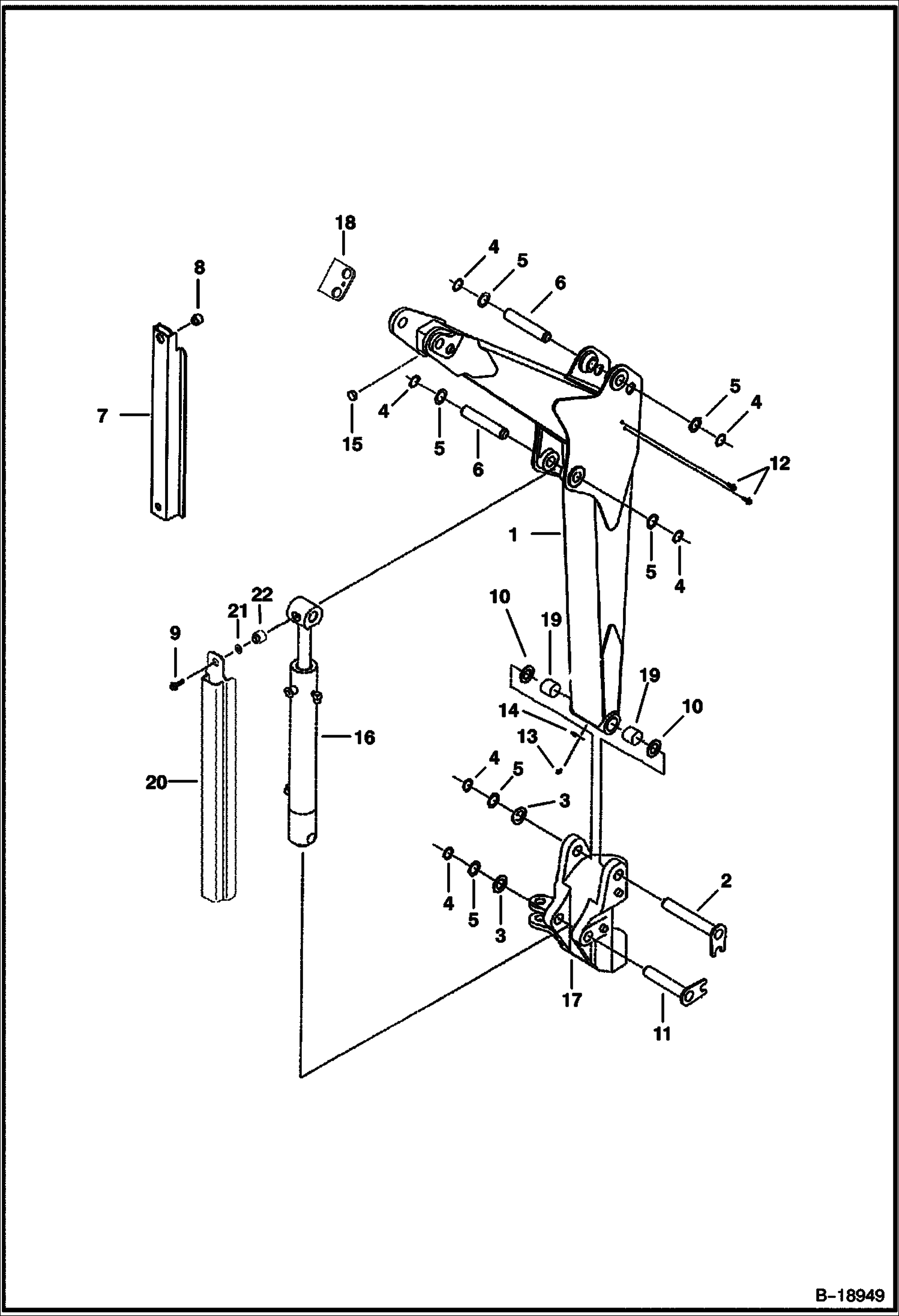
РУКОЯТЬ (СЕРИЙНЫЙ НОМЕР 511720001 - 511721115)

РУКОЯТЬ (СЕРИЙНЫЙ НОМЕР 511720001 - 511721115)

1Артикул: 6587834, ARM Also Order Ref. 2, 3, 8 & 10
2Артикул: 6533447, SPACER
3Артикул: 6539270, BUSHING Was 6587765 - B
Подробнее >
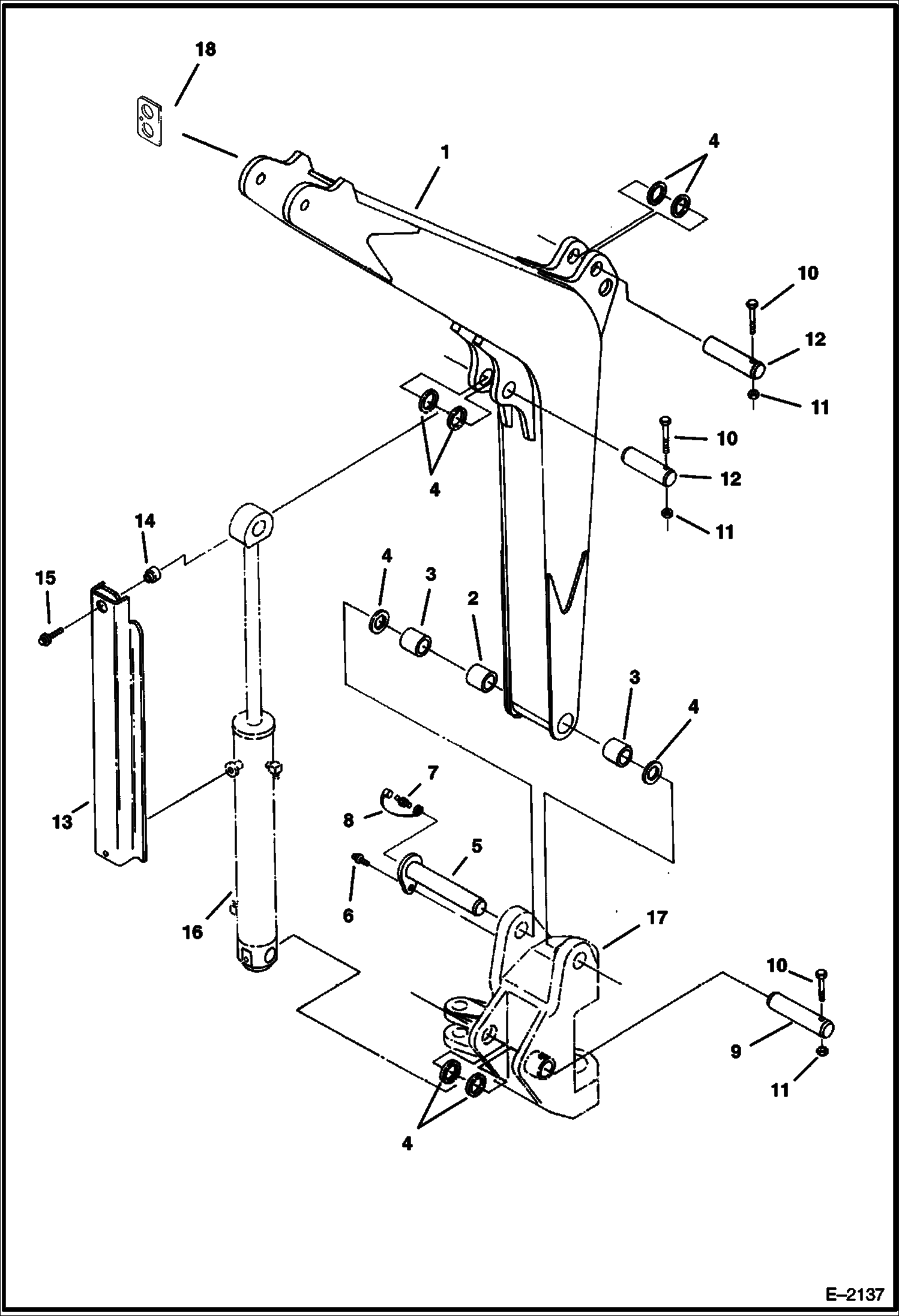
СТРЕЛА (СЕРИЙНЫЙ НОМЕР 511721116 И ВЫШЕ)

СТРЕЛА (СЕРИЙНЫЙ НОМЕР 511721116 И ВЫШЕ)

1Артикул: BOOM, BOOM NLA - W/Ref. 19 - Order 6802224 boom - Was 6589136 - A
2Артикул: 6802224, BOOM W/Ref. 19
3Артикул: 6589092, PIN
Подробнее >
РУКОЯТЬ (СЕРИЙНЫЙ НОМЕР 511721116 И ВЫШЕ)

РУКОЯТЬ (СЕРИЙНЫЙ НОМЕР 511721116 И ВЫШЕ)

1Артикул: ARM, ARM NLA - W/Ref. 23 - Order 6802216 arm - Was 6589131 - A
2Артикул: 6802216, DIPPER 320G-322G Also Order (6) of Ref. 23 (6802217 bushing)
3Артикул: 6589067, PIN
Подробнее >
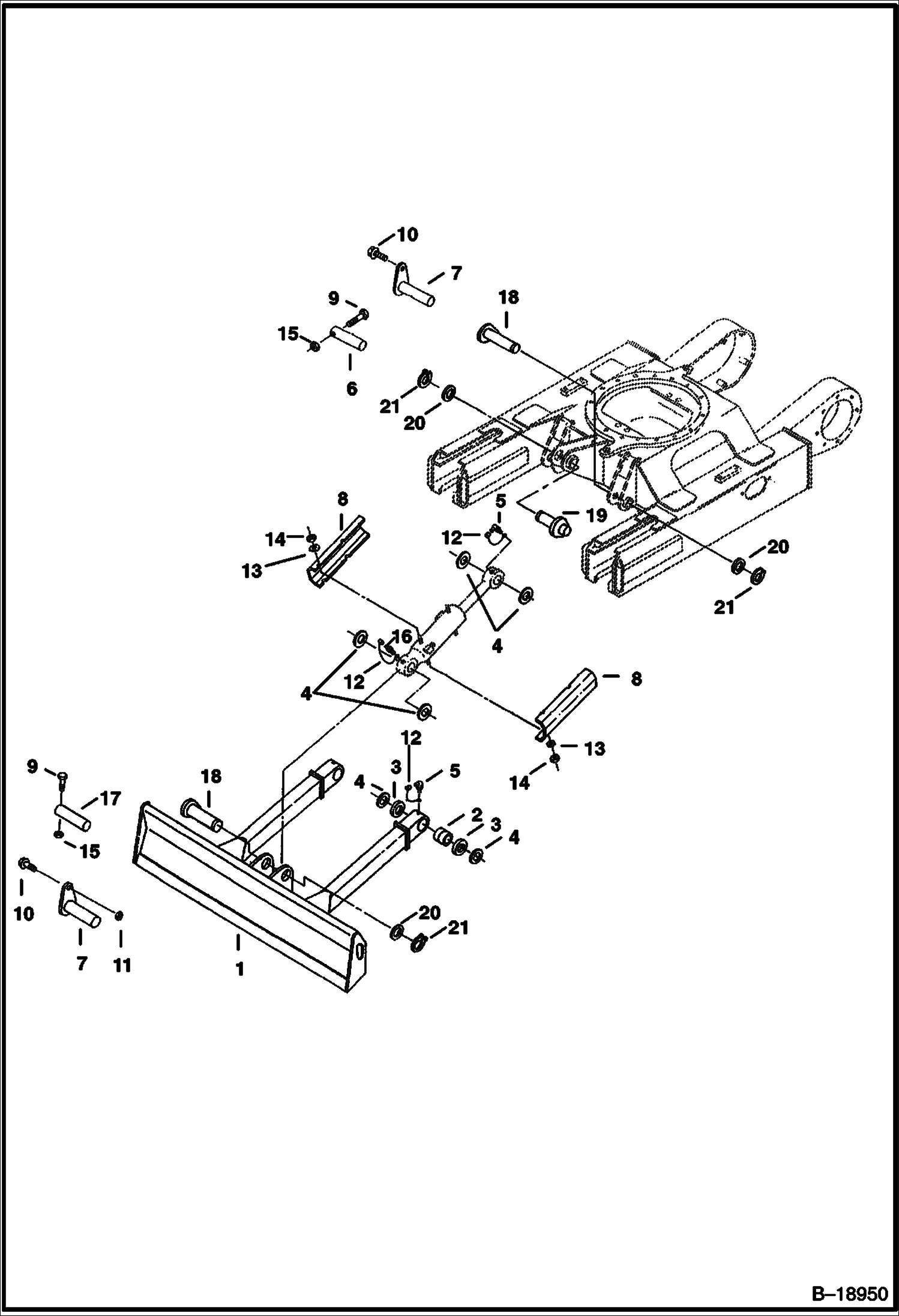
ОТВАЛ

ОТВАЛ

1Артикул: 6597237, BLADE Was 6589852 - A
2Артикул: 6533484, BUSHING Use With Blade 6588655 only
3Артикул: 6653534, SEAL Use With Blade 6588655 only
Подробнее >
ПОВОРОТНАЯ СТОЙКА (СЕРИЙНЫЙ НОМЕР 511721116 И ВЫШЕ)

ПОВОРОТНАЯ СТОЙКА (СЕРИЙНЫЙ НОМЕР 511721116 И ВЫШЕ)

1Артикул: 6800473, SWING POST Ref. 4 - Was 6589569 - A
2Артикул: 6512132, SNAP RING
3Артикул: 6533856, SHIM
Подробнее >