+7 (701) 588 50 05 Телефон для связи
RU

WhatsApp

Позвонить

РАБОЧЕЕ ОБОРУДОВАНИЕ в Алматы

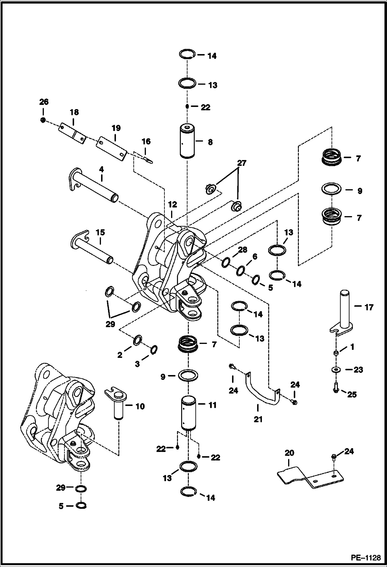
СЕРЬГА КОВША И КОВШ РЫХЛИТЕЛЬ

СЕРЬГА КОВША И КОВШ РЫХЛИТЕЛЬ

1Артикул: 6805374, LINK See Illustration BUCKET LINK & X-CHANGE/ PE3294
2Артикул: 6534111, WASHER
3Артикул: 6534115, PIN, PIVOT
Подробнее >
РУКОЯТЬ

РУКОЯТЬ

1Артикул: 7127622, ARM Also Order (6) of Ref. 12, (4) of Ref. 15, & (2) of Ref. 17-19 - if 6812421 latching or 6812423 bolt on X-Change is used, Also Order (2) of Ref. 18 & (2) of 6810525 bushings - Was 7110455 - A
2Артикул: 7127628, ARM, LONG Also Order (6) of Ref. 12, (4) of Ref. 15, & (2) of Ref. 17-19 - if 6812421 latching or 6812423 bolt on X-Change is used, Also Order (2) of Ref. 18 & (2) of 6810525 bushings - Was 7110458 - A
3Артикул: 6805374, LINK See Illustration BUCKET LINK & X-CHANGE/ PE3294 wide link
Подробнее >
ПОВОРОТНАЯ ПЛАТФОРМА

ПОВОРОТНАЯ ПЛАТФОРМА

1Артикул: 6503451, SPACER
2Артикул: 6534111, WASHER
3Артикул: 6534154, RING
Подробнее >
ОТВАЛ

ОТВАЛ

1Артикул: 7129854, BLADE W/A Was 6628019 - A
2Артикул: 6809205, EDGE, CUTTING WELD ON 53-- weld on
3Артикул: 6597494, PIVOT MOUNT weld on
Подробнее >
СЕРЬГА КОВША И СМЕННЫЙ

СЕРЬГА КОВША И СМЕННЫЙ

1Артикул: 6805374, LINK W/Ref. 2-6
2Артикул: LINK, LINK NLA - Order Ref. 1
3Артикул: 6803213, BUSHING, PRESS FIT
Подробнее >
СТРЕЛА

СТРЕЛА

1Артикул: BOOM, BOOM See Illustration HYDRAULIC CIRCUITRY/ B21600 NLA - W/Ref. 18 - Order 7139949 boom, & 7139953 & 7139954 tubelines, & (4) 6535312 washers for boom base pivot - Was 6804131 - A
2Артикул: BOOM, BOOM See Illustration HYDRAULIC CIRCUITRY/ B21600 NLA - W/Ref. 18 - Order 7139949 boom, & 7139953 & 7139954 tubelines - Was 7125930 - A
3Артикул: 7139949, BOOM, DIPPER ARM W/Ref. 8 & 35
Подробнее >