+7 (701) 588 50 05 Телефон для связи
RU

WhatsApp

Позвонить

РАБОЧЕЕ ОБОРУДОВАНИЕ в Алматы

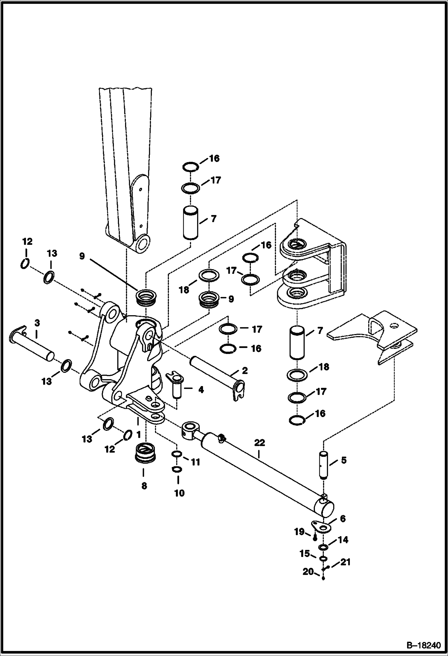
РУКОЯТЬ И СЕРЬГА КОВША

РУКОЯТЬ И СЕРЬГА КОВША

1Артикул: ARM, ARM NLA - Order 6804399 & Ref. 12 (2), 13 (2), 14 (4) & 20 (2) - European - W/O clamp mount- Order 6810251 (1), 6805013 (1), 6805204 (1) & 6804830 (1) - if equipped with clamp, also order clamp cylinder 6806357 - Was 6597705 - A
2Артикул: ARM, ARM NLA - Order 6804399 & Ref. 12 (2), 13 (2), 14 (4) & 20 (2) - Domestic - W/Clamp Mount - Order 6804444 (1), 6805013 (1), 6805204 (1) & 6804830 (1) - If equipped with clamp, also order clamp cylinder 6806357 - Was 6713962 - A
3Артикул: ARM, ARM NLA - Standard - Order 6804399 & Ref. 12 (2), 13 (2), 14(4) & 20 (2) - if equipped with clamp, also order clamp cylinder 6808069 - Was 6804399 - A
Подробнее >
ПОВОРОТНЫЙ КРОНШТЕЙН

ПОВОРОТНЫЙ КРОНШТЕЙН

1Артикул: 6597897, SWING FRAME
2Артикул: 6628115, PIN
3Артикул: 6628117, PIN
Подробнее >
СТРЕЛА

СТРЕЛА

1Артикул: 7125514, BOOM, DIPPER ARM Also Order Ref. 13 - Was 6810140 - A
2Артикул: NUT, NUT NLA - Was 39DM42 - A
3Артикул: 6628009, PIN
Подробнее >
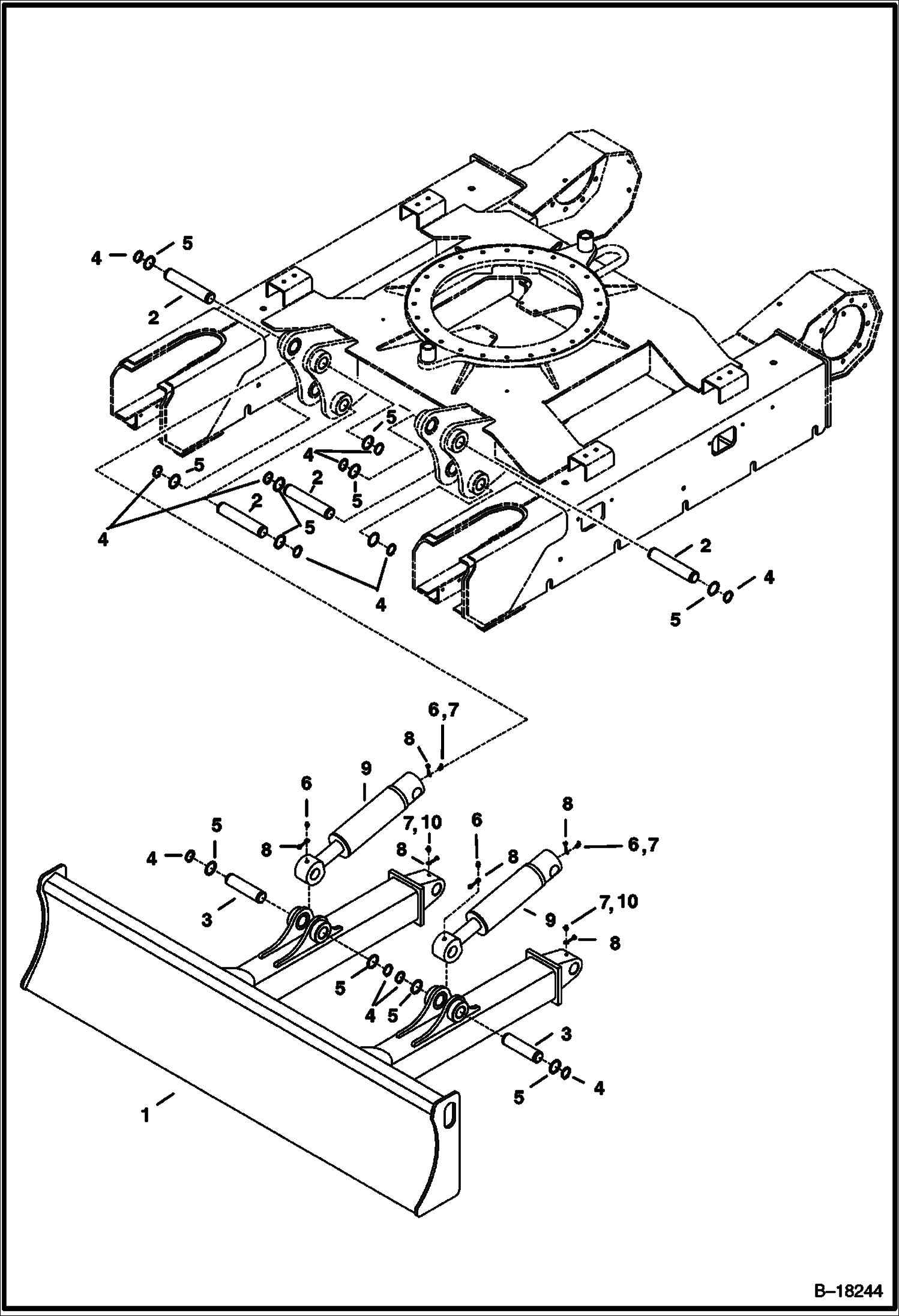
ОТВАЛ

ОТВАЛ

1Артикул: BLADE, BLADE NLA - Order 6808828 - Was 6628742 - A
2Артикул: 6808828, BLADE W/Replacement cutting edge
3Артикул: 6808775, CUTTING EDGE for 6808828 only
Подробнее >