+7 (701) 588 50 05 Телефон для связи
RU

WhatsApp

Позвонить

РАБОЧЕЕ ОБОРУДОВАНИЕ в Алматы

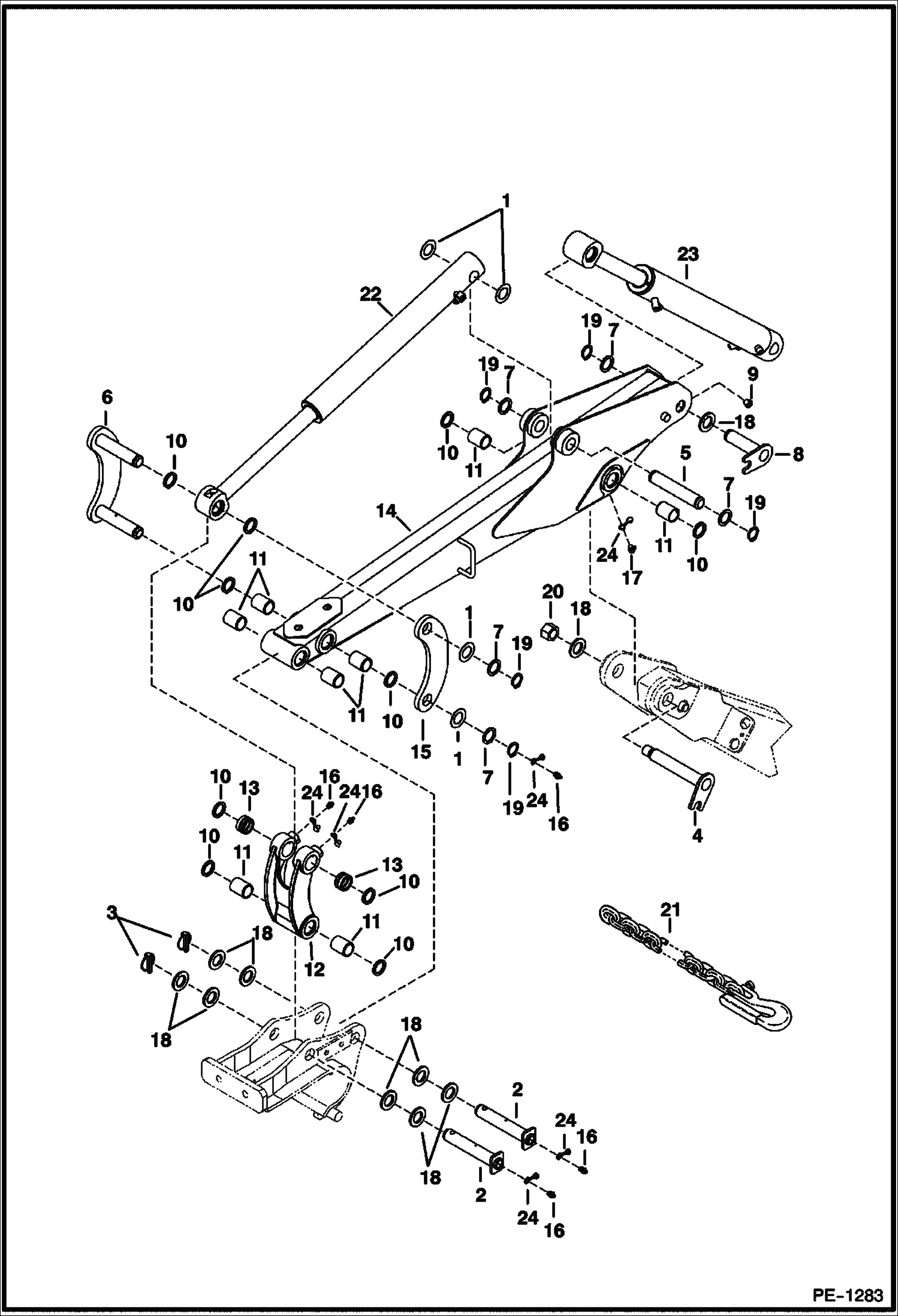
РУКОЯТЬ

РУКОЯТЬ

1Артикул: 6533856, SHIM
2Артикул: 6539737, PIN, PIVOT
3Артикул: 6560382, PIN, LOCK
Подробнее >
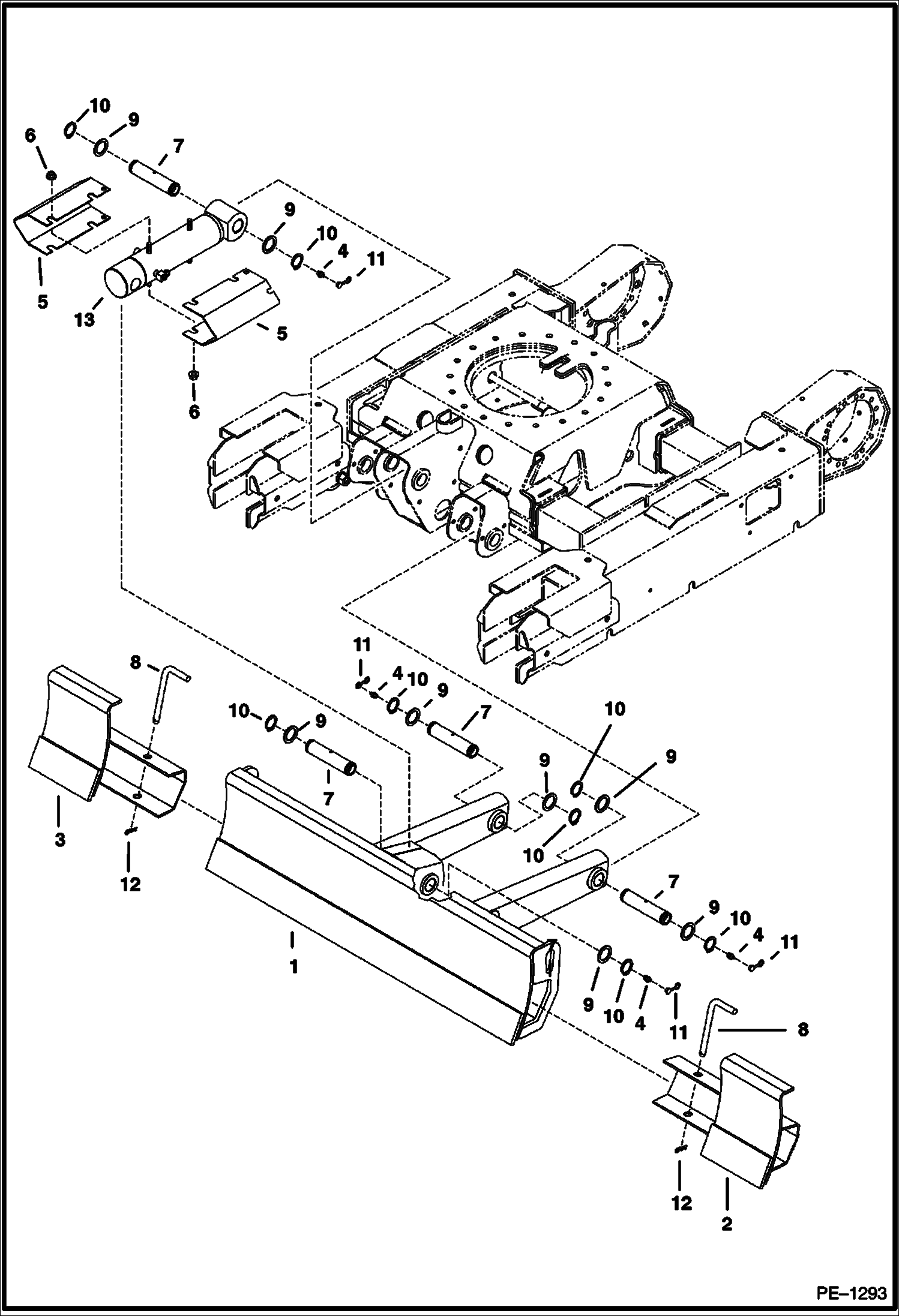
ОТВАЛ

ОТВАЛ

1Артикул: 6804929, BLADE
2Артикул: 6804933, EDGE, CUTTING
3Артикул: 6804936, BLADE LH
Подробнее >
СТРЕЛА

СТРЕЛА

1Артикул: BOOM, BOOM NLA - W/Ref. 18 - W/O weld on light bracket - Order 7177739 Boom - Was 6802224 - A
2Артикул: BOOM, BOOM NLA - W/Ref. 18 - W/ weld on light bracket - Order 7177739 Boom & (2) 7100276 Bushing - Was 6809760 - A
3Артикул: 7177739, BOOM, ARM DIPPER W/Ref. 18 & 19 - Was 7102660 - A
Подробнее >
ПОВОРОТНАЯ ПЛАТФОРМА

ПОВОРОТНАЯ ПЛАТФОРМА

1Артикул: SWING, SWING FRAME NLA - Order 6810606 swing frame (1) & Ref. 18 (2) - Was 6805792 - A
2Артикул: 6810606, SWING FRAME
3Артикул: 6805807, PIN
Подробнее >