+7 (701) 588 50 05 Телефон для связи
RU

WhatsApp

Позвонить

РАБОЧЕЕ ОБОРУДОВАНИЕ в Алматы

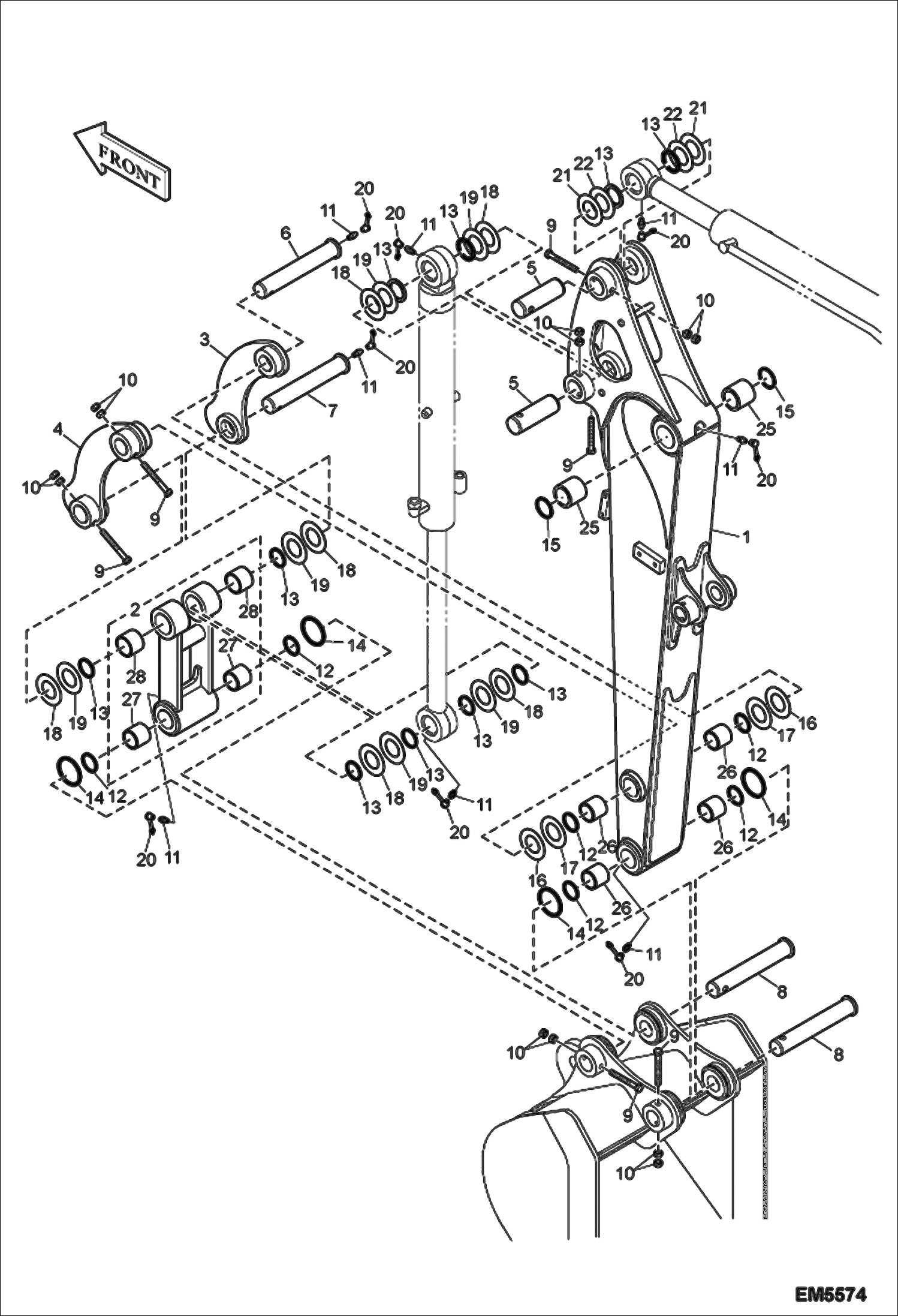
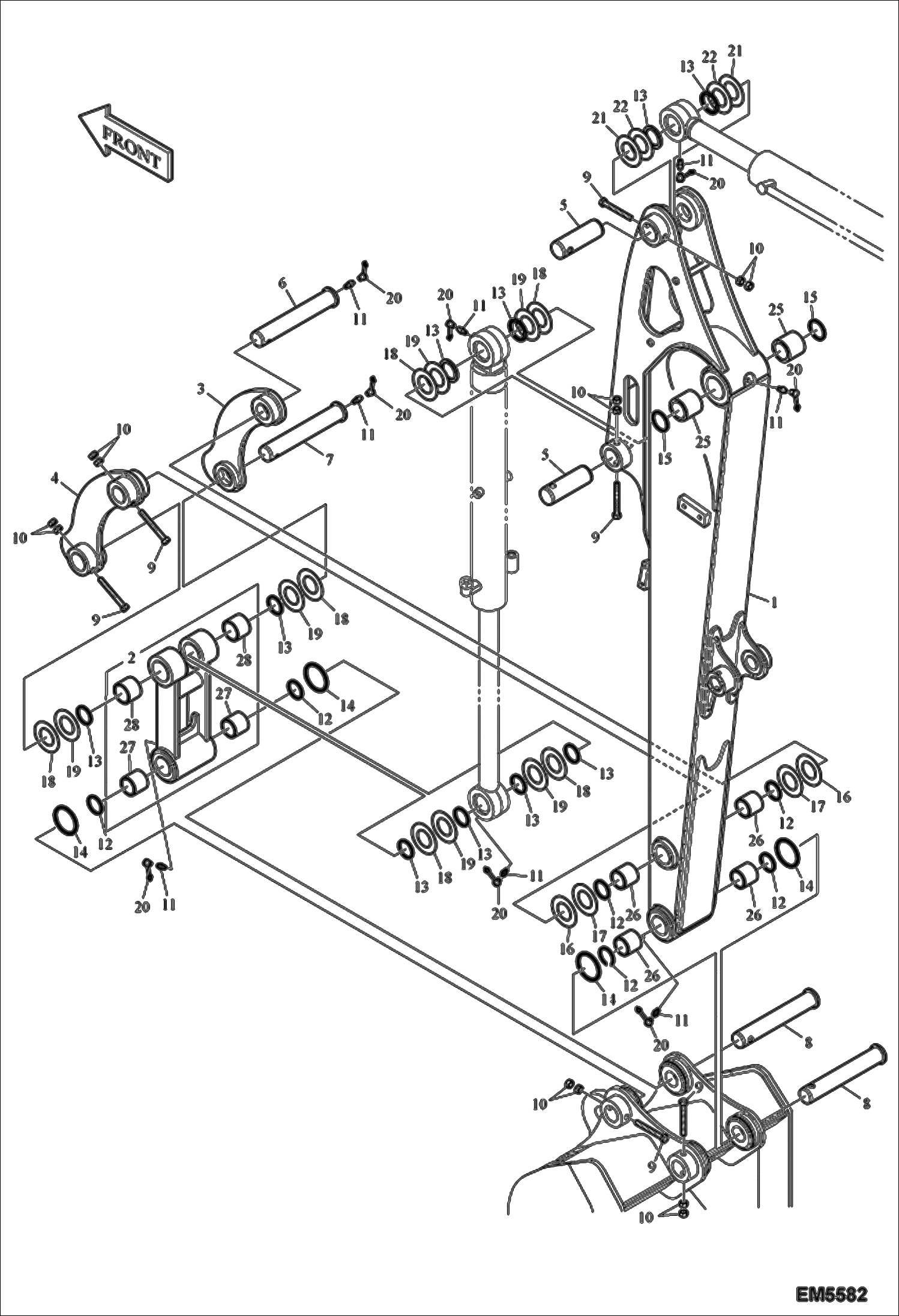
РУКОЯТЬ (1.48 М) (EMEA)

РУКОЯТЬ (1.48 М) (EMEA)

1Артикул: 7015625, ARM, DIPPER W/A EXC W/Ref. 25-26 - Was 7013208 - A
2Артикул: 7015625, ARM, DIPPER W/A EXC Optional - W/Ref. 25-26 - Was 7015620 - A
3Артикул: 7005723, LINK PUSH W/Ref. 27-28
Подробнее >
РУКОЯТЬ (1.9 М)

РУКОЯТЬ (1.9 М)

1Артикул: 7015626, ARM, DIPPER W/A LONG EXC W/Ref. 25-26 - Was 7013202 - A
2Артикул: 7015626, ARM, DIPPER W/A LONG EXC Optional - W/Ref. 25-26 - Was 7015621 - A
3Артикул: 7005723, LINK PUSH W/Ref. 27-28
Подробнее >
ПОВОРОТНАЯ ПЛАТФОРМА

ПОВОРОТНАЯ ПЛАТФОРМА

1Артикул: 7006119, BRACKET SWING W/Ref. 21-22
2Артикул: 7006120, CYLINDER BOOM SWING
3Артикул: PIN, PIN Was 7006121 - A
Подробнее >
СТРЕЛА

СТРЕЛА

1Артикул: PIN, PIN Was 7006707 - A
2Артикул: PIN, PIN NLA - Order 7276578 pin - Was 7022884 - A
3Артикул: 7276578, PIN, BOOM
Подробнее >
СМЕННЫЙ

СМЕННЫЙ

1Артикул: 7015622, CLAMP,QUICK X-CHANGE
Подробнее >
КОВШ (0,18 М)

КОВШ (0,18 М)

1Артикул: BUCKET,, BUCKET, ASSY NLA - Ref. 2-11 - Order 7276479 bucket - Was 7006198 - A
2Артикул: 7276479, BUCKET, ASSY Ref. 2-10
3Артикул: 7004950, POINT TOOTH
Подробнее >