+7 (701) 588 50 05 Телефон для связи
RU

WhatsApp

Позвонить

РАМА в Алматы

BOB-TACH

BOB-TACH

1Артикул: 200558SUB, BOB-TACH Ref. 2-18
2Артикул: 6737191, WEDGE
3Артикул: PIVOT,, PIVOT, WEDGE 99,1 mm (3.90-- ) long - Use W/ 6728473 bolt - Was 6704248 - B
Подробнее >
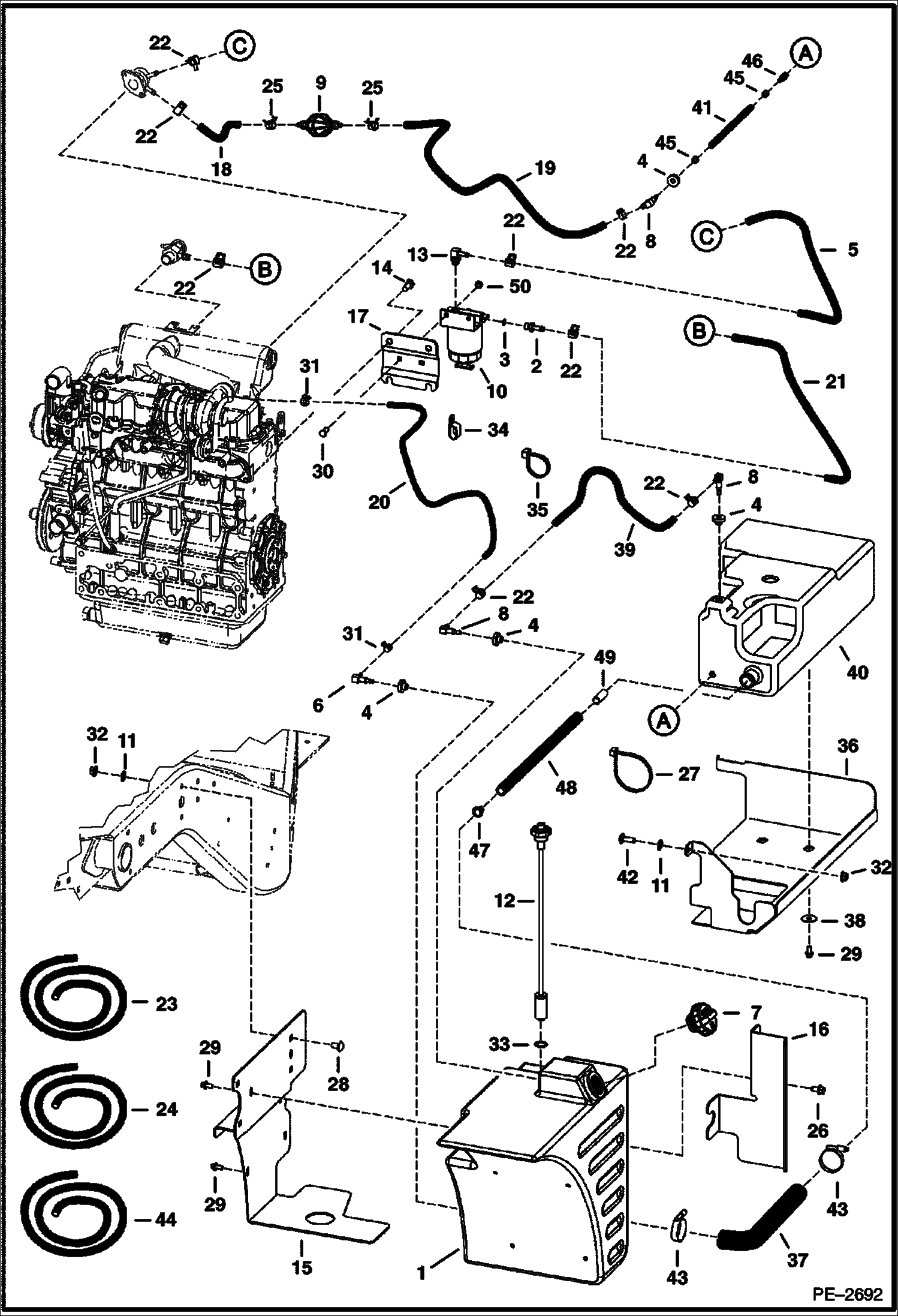
СИСТЕМА ПОДАЧИ ТОПЛИВА (ТУРБО)

СИСТЕМА ПОДАЧИ ТОПЛИВА (ТУРБО)

1Артикул: 6817262, TANK fuel
2Артикул: 1324240, CONNECTOR
3Артикул: 99K5, O-RING
Подробнее >
ПОДЪЕМНАЯ РУКОЯТЬ

ПОДЪЕМНАЯ РУКОЯТЬ

1Артикул: 1CM1070, BOLT
2Артикул: 6813410, PIN
3Артикул: 53DM10, NUT
Подробнее >
BOB-TACH (ВСПОМОГАТЕЛЬНЫЙ)

BOB-TACH (ВСПОМОГАТЕЛЬНЫЙ)

1Артикул: BOB-TACH, BOB-TACH See Illustration BOB-TACH/ NA6891 - NLA - Ref. 2-22 - Was 7145525 - A
2Артикул: 6737191, WEDGE
3Артикул: PIVOT,, PIVOT, WEDGE 99,1 mm (3.90-- ) long - Use W/ 6728473 bolt - Was 6704248 - B
Подробнее >
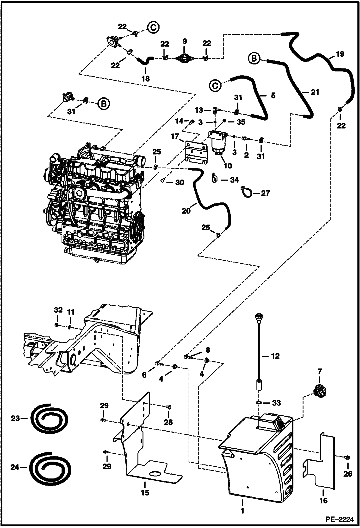
ТОПЛИВНАЯ СИСТЕМА

ТОПЛИВНАЯ СИСТЕМА

1Артикул: 7103053, TANK fuel
2Артикул: 1324240, CONNECTOR
3Артикул: 99K5, O-RING
Подробнее >