+7 (701) 588 50 05 Телефон для связи
RU

WhatsApp

Позвонить

РАМА в Алматы

BOB-TACH

BOB-TACH

1Артикул: 6577986, BOB-TACH See Illustration DECALS/ B20359 - Ref. 2-22 - Was SALES - Also Order 6561383 Decal on Ill. B20359 - D
2Артикул: 17C644, BOLT See Ref. 10 & 11
3Артикул: 17C660, BOLT See Ref. 10 & 11 - 3.75-- (95,3 mm) long - in kit
Подробнее >
СИДЕНИЕ

СИДЕНИЕ

1Артикул: SEAT, SEAT W/Ref. 2-5 & 8 - Order 6669135, Seat
2Артикул: 6669135, SEAT, OPERATOR VINYL See Illustration SEAT COVERS/ NA10386 W/Ref. 2-7
3Артикул: 6670160, CUSHION W/edging, clip & (2) grommets
Подробнее >
ТОПЛИВНАЯ СИСТЕМА

ТОПЛИВНАЯ СИСТЕМА

1Артикул: 6708527, TANK, FUEL Was 6579125 - A
2Артикул: 7120881, SCREEN, FILLER Was 6569219 - A
3Артикул: 42H32, HS CLAMP5 Was 6513595 - A
Подробнее >
ЗАДНЯЯ ДВЕРЬ

ЗАДНЯЯ ДВЕРЬ

1Артикул: 6703868, HOOD steel
2Артикул: 6704682, COVER
3Артикул: 6704683, COVER
Подробнее >
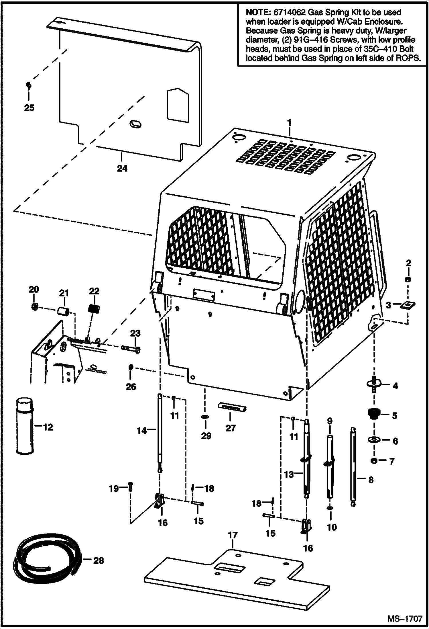
КАБИНА ОПЕРАТОРА

КАБИНА ОПЕРАТОРА

1Артикул: 6701957, OPERATOR CAB Does NOT include cab decals - Also Order (2) of Ref. 29
2Артикул: 59D8, NUT 5
3Артикул: 6553709, WASHER
Подробнее >
СИДЕНИЕ И ОПОРА СИДЕНЬЯ

СИДЕНИЕ И ОПОРА СИДЕНЬЯ

1Артикул: SEAT, SEAT See Illustration SEAT/ B7185
2Артикул: SEAT, SEAT BELT NLA - Order Ref. 43 - Was 6564774 - A
3Артикул: SEAT, SEAT BELT NLA - Order 6675074 Seat Belt & (2) of Ref. (6725373 Spring Plate) - Was 6667875 - A
Подробнее >
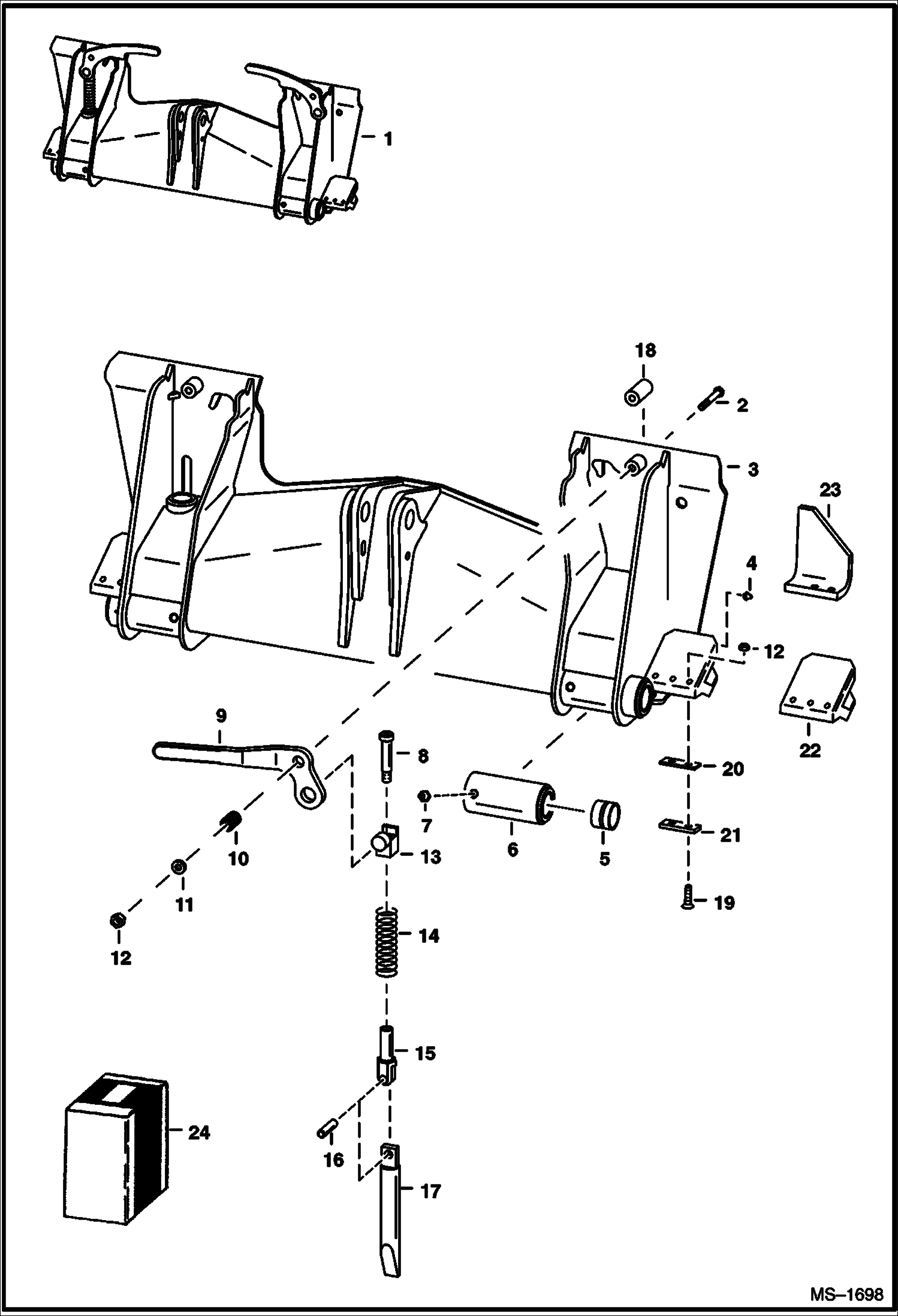
ПОДЪЕМНАЯ РУКОЯТЬ И BOB-TACH

ПОДЪЕМНАЯ РУКОЯТЬ И BOB-TACH

1Артикул: 17C640, BOLT
2Артикул: 6702935, PIN, PIVOT
3Артикул: LIFT, LIFT ARM NLA - Order 6705719 Lift Arm, 6706751 Bracket & (2) of 84G003712B Bolts - Was 6703226 - A
Подробнее >
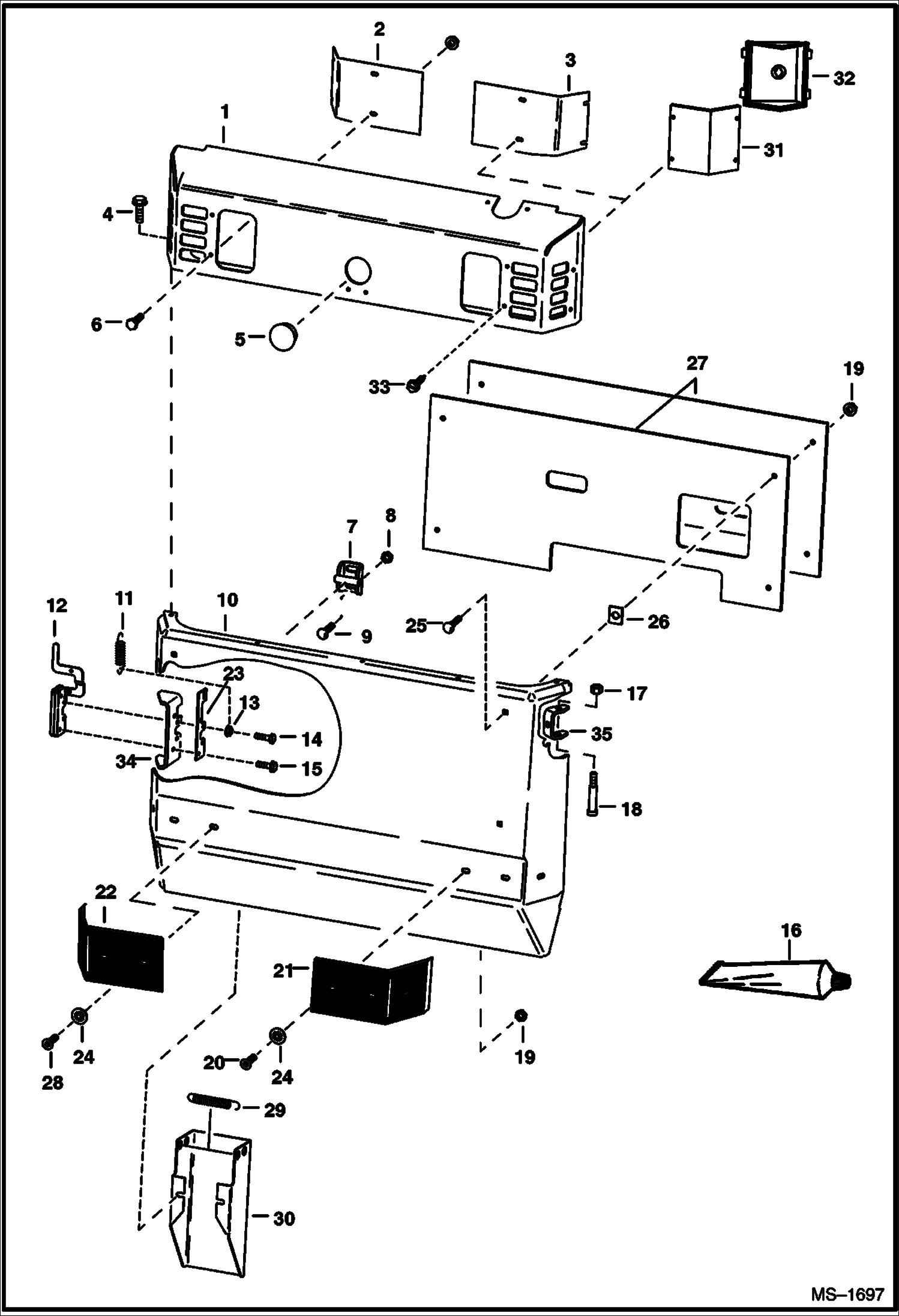
ПАНЕЛИ

ПАНЕЛИ

1Артикул: 6710647, PANEL Was 6701346 - A
2Артикул: 6701345, PANEL
3Артикул: 6707475, PANEL Was 6579459 - A
Подробнее >