+7 (701) 588 50 05 Телефон для связи
RU

WhatsApp

Позвонить

РАМА в Алматы

Ведущий вал

Ведущий вал

1Артикул: 6961251, SHAFT Ref. 2-4
2Артикул: 6969408, CROSS
3Артикул: 6969409, COLLAR
Подробнее >
РАБОЧИЙ ТОРМОЗ

РАБОЧИЙ ТОРМОЗ

1Артикул: 6966763, FITTING
2Артикул: 6966072, FITTING
3Артикул: 6961506, HOUSING
Подробнее >
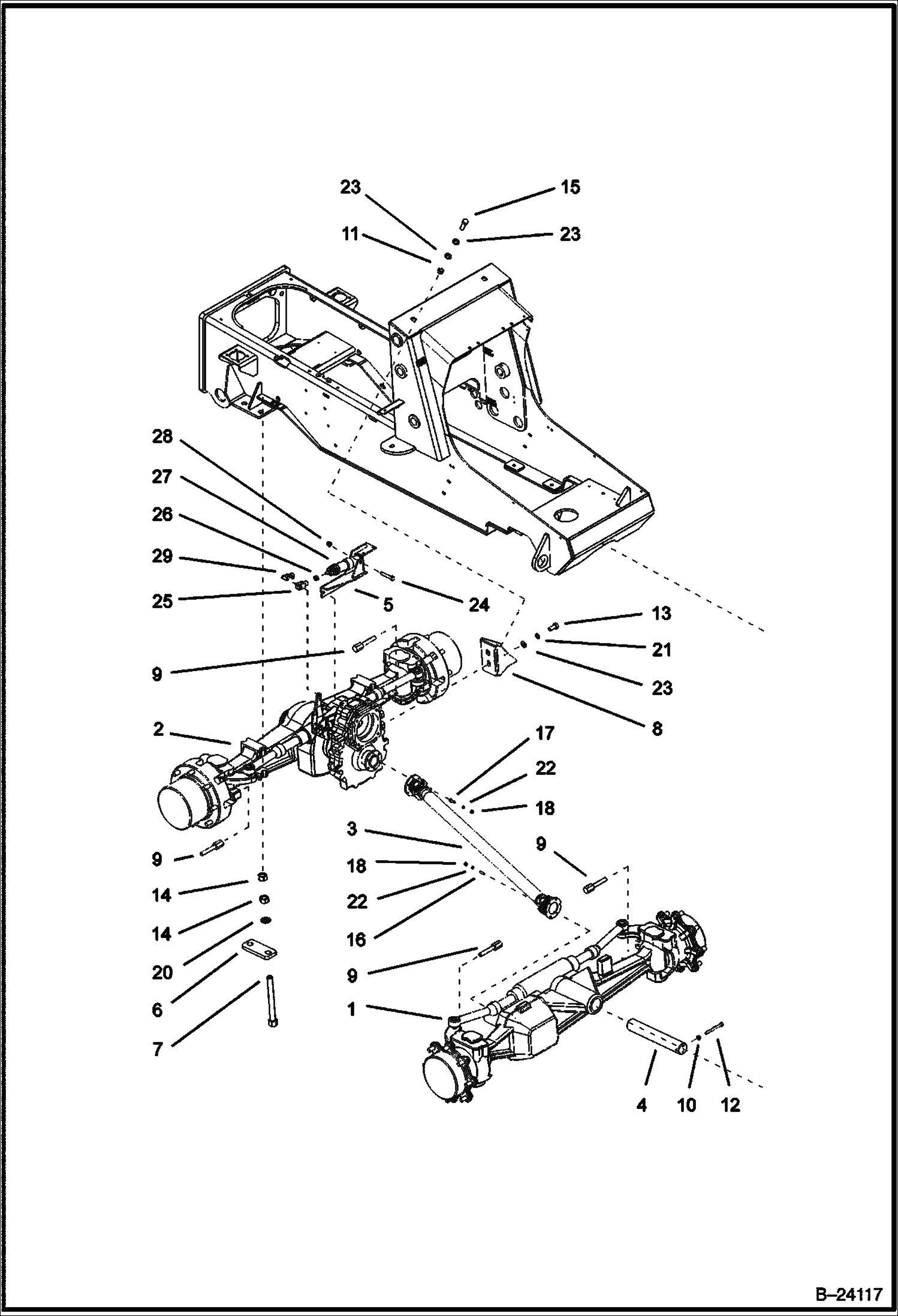
ПРИВОДНОЙ МЕХАНИЗМ (РАМА ШАССИ)

ПРИВОДНОЙ МЕХАНИЗМ (РАМА ШАССИ)

1Артикул: 6961250, AXLE
2Артикул: 6966774, AXLE
3Артикул: 6961251, SHAFT
Подробнее >