РАМА в Алматы
СИДЕНИЕ И ОПОРА СИДЕНЬЯ
1Артикул: SEAT, SEAT See Illustration SEAT/ B7185 NLA - Was 6665401 - A
2Артикул: SEAT, SEAT BELT NLA - Order Ref. 38 Kit - Was 6564774 - A
3Артикул: SEAT, SEAT BELT NLA - Order 6675074 Seat Belt & (2) of Ref. 3 (6725373 spring plates) - Was 6667875 - A
ПОДЪЕМНЫЕ РУКОЯТИ И BOB-TACH (СЕРИЙНЫЙ НОМЕР 11146 И ВЫШЕ)
1Артикул: 17C640, BOLT
2Артикул: 6547595, PIN
3Артикул: 6547593, PIN, PIVOT
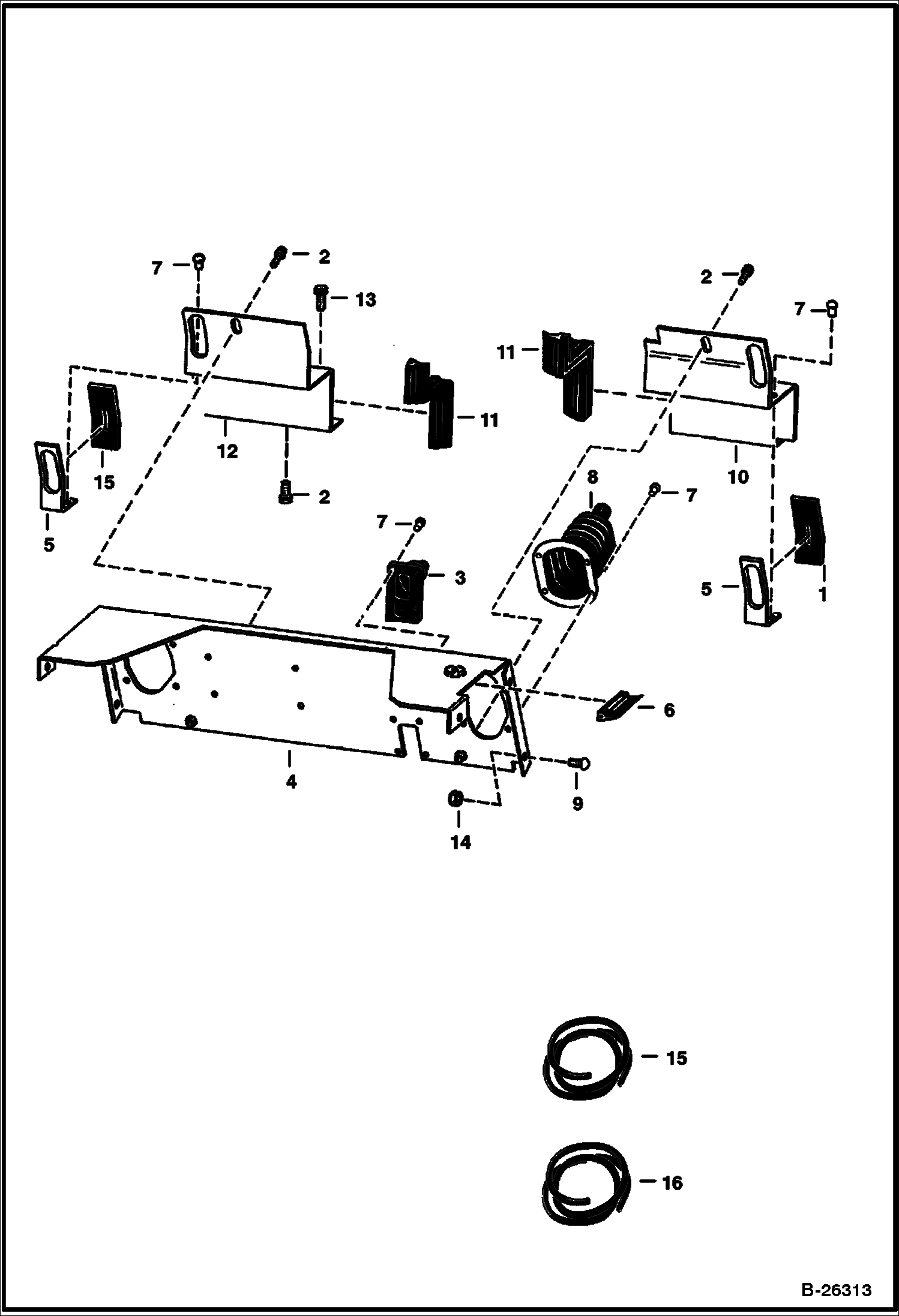
СИДЕНИЕ (МИЧИГАН)
1Артикул: SEAT, SEAT NLA - W/Ref. 2-5 & 8 - Order 6669135 Seat
2Артикул: 6669135, SEAT, OPERATOR VINYL See Illustration SEAT COVERS/ NA10386 W/Ref. 2-7
3Артикул: 6670160, CUSHION W/edging, clip & (2) grommets
ПАНЕЛИ
1Артикул: 6564976, SEAL foam block
2Артикул: 84G3716, SCREW 5
3Артикул: BOOT, BOOT NLA - W/Metal Insert - Was 6571648 - A
ЗАДНЯЯ ДВЕРЬ
1Артикул: 6707690, REAR DOOR
2Артикул: 6564340, PIN
3Артикул: 6563681, HANDLE
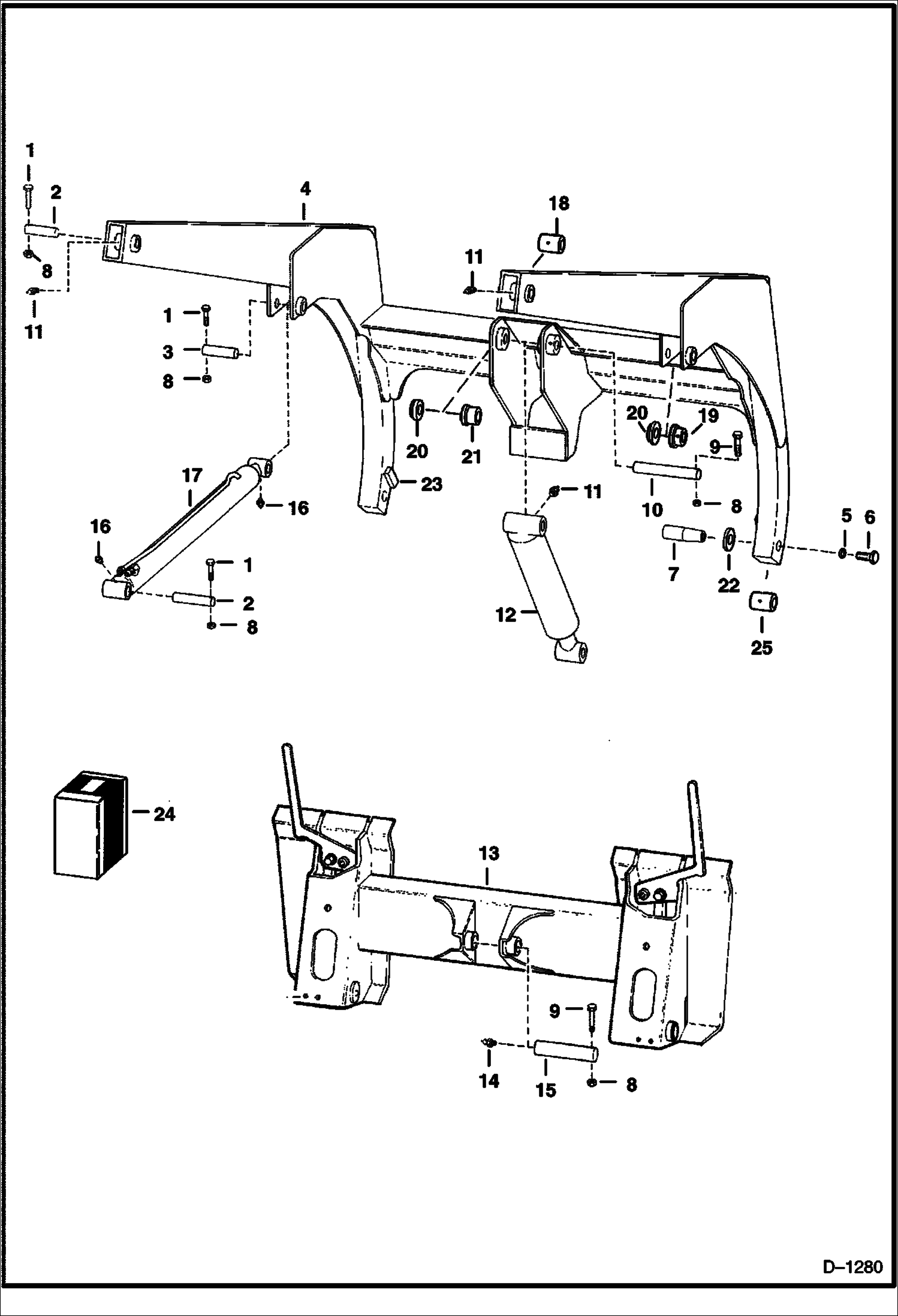
ПОДЪЕМНЫЕ РУКОЯТИ И BOB-TACH (СЕРИЙНЫЙ НОМЕР 11145 И НИЖЕ)
1Артикул: 17C640, BOLT
2Артикул: 6547595, PIN
3Артикул: 6547593, PIN, PIVOT
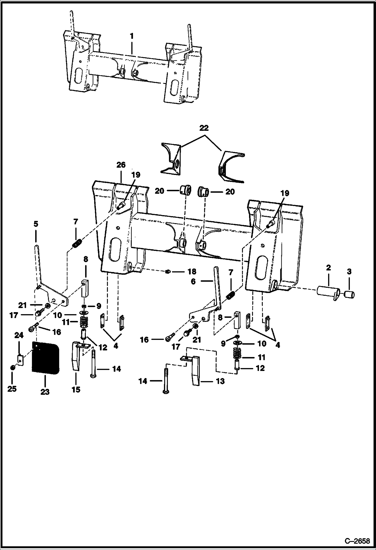
BOB-TACH (СЕРИЙНЫЙ НОМЕР 11145 И НИЖЕ)
1Артикул: BOB-TACH, BOB-TACH See Illustration DECALS/ B17849 See BTI288 NLA - Ref. 2-26 - Also Order 6561383 Decal - Was 6562309 - A
2Артикул: 6567114, BUSHING Weld on - W/Ref. 3
3Артикул: 6562067, BUSHING
СИДЕНЬЕ (MILSCO)
1Артикул: SEAT, SEAT NLA - Order 6669135 - Was 6665401 - A
2Артикул: 6630468, CUSHION
3Артикул: 6630465, CUSHION
BOB-TACH (СЕРИЙНЫЙ НОМЕР 11146 И ВЫШЕ)
1Артикул: 6706143, BOBTACH-553 See Illustration DECALS/ B17849 Ref. 2-30 - Also Order 6561383 Decal - Was SALES - A
2Артикул: 6565326, BUSHING Weld on - W/Ref. 3
3Артикул: 6589665, BUSHING Was 6534387 - A
КАБИНА ОПЕРАТОРА
1Артикул: 6569249, OPERATOR CAB Includes Decals
2Артикул: 6568271, INSULATION cab back
3Артикул: 6567890, INSULATION seat pan
ТОПЛИВНАЯ СИСТЕМА
1Артикул: 6630972, GASKET
2Артикул: 6569752, HOSE BULK/FT sold per foot
3Артикул: 6587458, KEY