+7 (701) 588 50 05 Телефон для связи
RU

WhatsApp

Позвонить

РАМА в Алматы

ТОПЛИВНАЯ СИСТЕМА

ТОПЛИВНАЯ СИСТЕМА

1Артикул: 42HS04, CLAMP, HOSE Was 6515575 - A
2Артикул: HOSE, HOSE NLA - 38-- (965,2 mm) - Order Ref. 34
3Артикул: HOSE, HOSE NLA - 48-- (1219,2 mm) - Order Ref. 34
Подробнее >
ПАНЕЛИ

ПАНЕЛИ

1Артикул: 6577926, SEAL foam
2Артикул: 6577927, RETAINER
3Артикул: 6630207, RIVET 5 Was 6630193 - B
Подробнее >
СИДЕНИЕ

СИДЕНИЕ

1Артикул: SEAT, SEAT NLA - Order 6669135 - Was 6563140 - A
2Артикул: 6630468, CUSHION seat
3Артикул: 6630465, CUSHION back
Подробнее >
ПОДЪЕМНЫЕ РУКОЯТИ И BOBTACH

ПОДЪЕМНЫЕ РУКОЯТИ И BOBTACH

1Артикул: 17C640, BOLT
2Артикул: 6559002, PIN
3Артикул: 10H35, FITTING, GREASE 10 1/4/2028
Подробнее >
СИДЕНИЕ (МИЧИГАН)

СИДЕНИЕ (МИЧИГАН)

1Артикул: SEAT, SEAT NLA - Order 6669135 Seat - W/Ref. 2-5 & 8 - Was 6667684 - A
2Артикул: 6669135, SEAT, OPERATOR VINYL See Illustration SEAT COVERS/ NA10386 W/Ref. 2-7
3Артикул: 6670160, CUSHION W/edging, clip & (2) grommets
Подробнее >
КАБИНА ОПЕРАТОРА

КАБИНА ОПЕРАТОРА

1Артикул: 6569249, OPERATOR CAB See BTI245 includes decals
2Артикул: 6568271, INSULATION
3Артикул: 6567890, INSULATION
Подробнее >
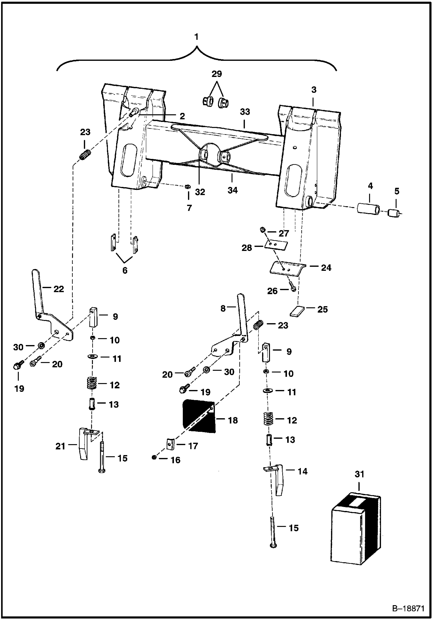
BOB-TACH

BOB-TACH

1Артикул: 6562394, BOB-TACH See Illustration DECALS/ B18883 - W/Ref. 2-30 - Was SALES - Also Order 6561383 decal
2Артикул: 6562013, STUD
3Артикул: FRAME, FRAME NLA - Order Ref. 1
Подробнее >
СИДЕНИЕ И ОПОРА СИДЕНЬЯ

СИДЕНИЕ И ОПОРА СИДЕНЬЯ

1Артикул: SEAT, SEAT See Illustration SEAT/ B7185
2Артикул: SEAT, SEAT BELT NLA - Order Ref. 30 - Was 6564774 - A
3Артикул: SEAT, SEAT BELT NLA - Order 6675074 seat belts - Was 6667875 - A
Подробнее >