+7 (701) 588 50 05 Телефон для связи
RU

WhatsApp

Позвонить

РАМА в Алматы

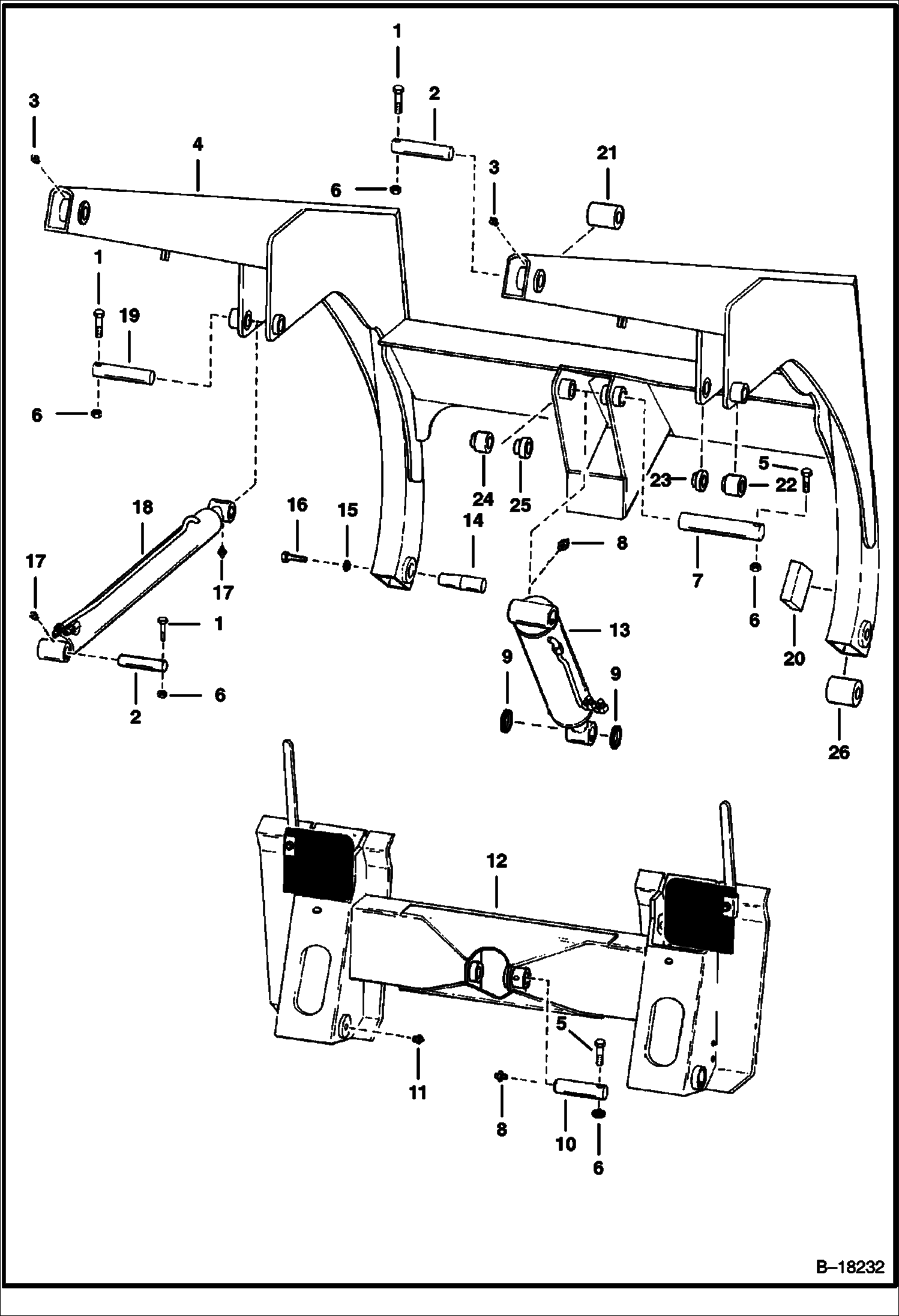
ПОДЪЕМНЫЕ РУКОЯТИ И BOBTACH

ПОДЪЕМНЫЕ РУКОЯТИ И BOBTACH

1Артикул: 17C640, BOLT
2Артикул: 6559002, PIN
3Артикул: 10H35, FITTING, GREASE 10 1/4-28
Подробнее >
ПАНЕЛИ

ПАНЕЛИ

1Артикул: 6577926, SEAL foam - Was 6567741 - A
2Артикул: 6567738, RETAINER
3Артикул: 6577927, RETAINER
Подробнее >
СИДЕНИЕ

СИДЕНИЕ

1Артикул: SEAT, SEAT NLA - W/Ref. 2-5 & 8 - Order 6669135 Seat
2Артикул: 6669135, SEAT, OPERATOR VINYL See Illustration SEAT COVERS/ NA10386 W/Ref. 2-7
3Артикул: 6670160, CUSHION W/edging, clip & (2) grommets
Подробнее >
ТОПЛИВНАЯ СИСТЕМА

ТОПЛИВНАЯ СИСТЕМА

1Артикул: 42HS04, CLAMP, HOSE Was 6515575 - A
2Артикул: HOSE, HOSE NLA - Order Ref. 34 - 38-- (965,2 mm)
3Артикул: HOSE, HOSE NLA - Order Ref. 34 - 48-- (1219,2 mm)
Подробнее >
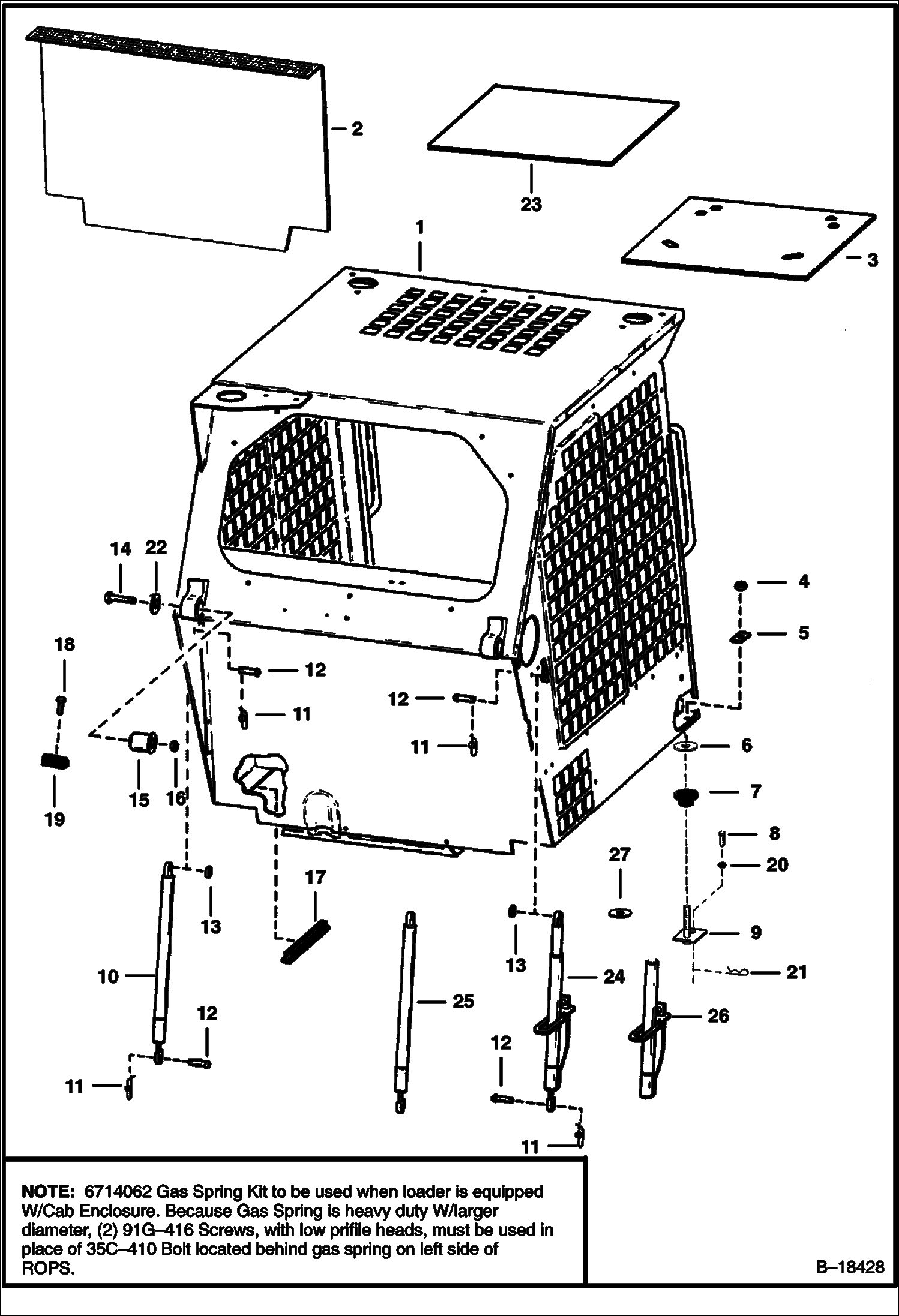
КАБИНА ОПЕРАТОРА

КАБИНА ОПЕРАТОРА

1Артикул: 6569249, OPERATOR CAB See BTI245 Includes decals - Was SALES - A
2Артикул: 6568271, INSULATION
3Артикул: 6567890, INSULATION
Подробнее >
СИДЕНИЕ И ОПОРА СИДЕНЬЯ

СИДЕНИЕ И ОПОРА СИДЕНЬЯ

1Артикул: SEAT, SEAT See Illustration SEAT/ B7185
2Артикул: SEAT, SEAT BELT NLA - Spring Plates - Order 6675074 Seat Belt & (2) Of Ref. 5 (6725373 Spring Plate) - Was 6564774 - A
3Артикул: SEAT, SEAT BELT NLA - Spring Plates - Order 6675074 Seat Belt & (2) Of Ref. 5 (6725373 Spring Plate) - Was 6667875 - A
Подробнее >
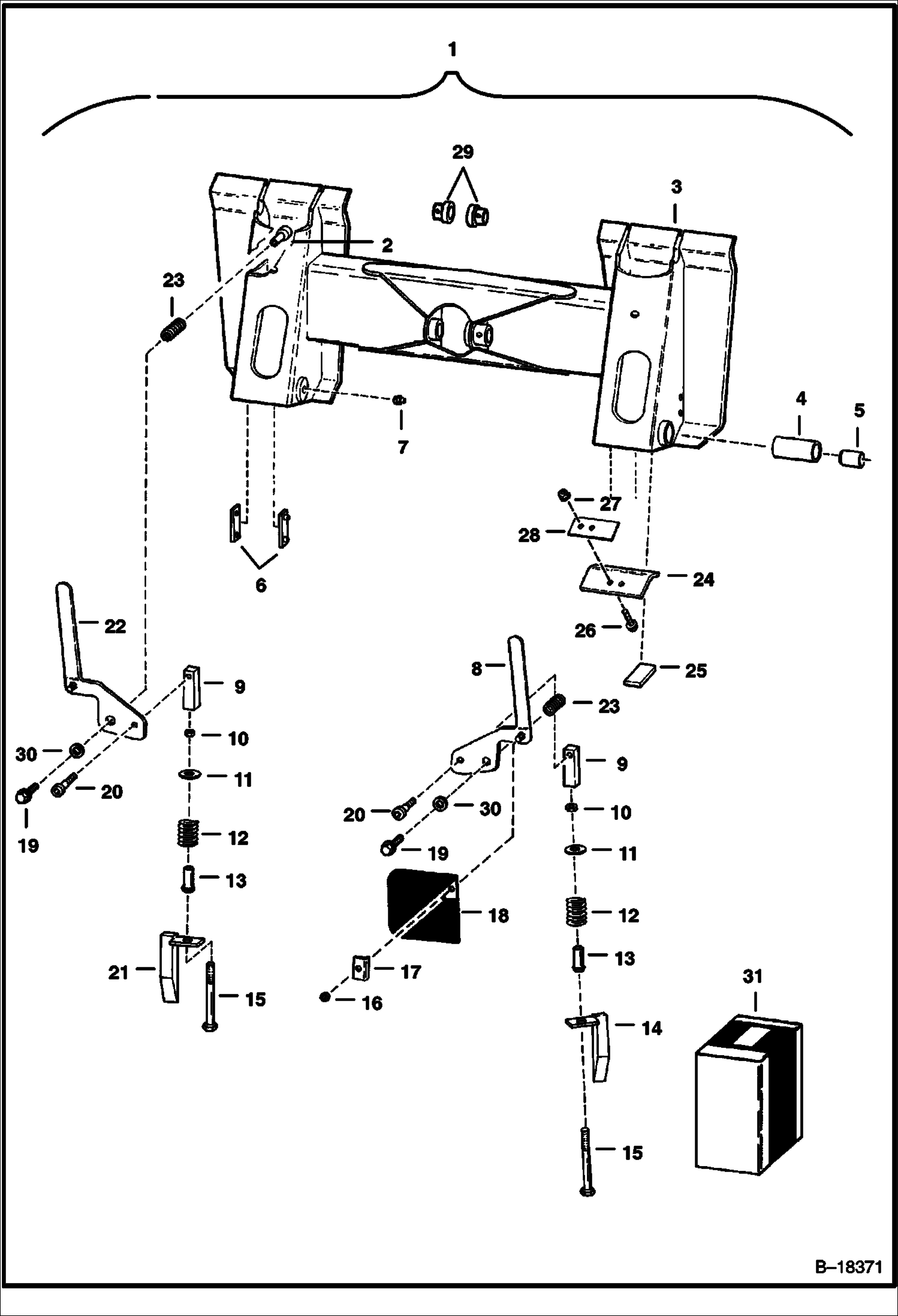
BOB-TACH

BOB-TACH

1Артикул: 6562394, BOB-TACH See Illustration DECALS/ B18563 W/Ref. 2-30 - Also Order 6561383 Decal - Was SALES - A
2Артикул: 6562013, STUD
3Артикул: FRAME, FRAME NLA - Order Ref. 1
Подробнее >