+7 (701) 588 50 05 Телефон для связи
RU

WhatsApp

Позвонить

РАМА в Алматы

ЗАДНЯЯ ДВЕРЬ

ЗАДНЯЯ ДВЕРЬ

1Артикул: 6733575, HINGE, REAR DOOR weld-on
2Артикул: 6564452, GRIP
3Артикул: 6719766, STOP
Подробнее >
СИДЕНЬЕ И РЕМЕНЬ БЕЗОПАСНОСТИ

СИДЕНЬЕ И РЕМЕНЬ БЕЗОПАСНОСТИ

1Артикул: SEAT, SEAT BELT See Illustration SEAT BELT - 3--/ NA2046 See Illustration SEAT BELT - 2--/ NA2044
2Артикул: 619021, WASHER, 5
3Артикул: 7149786, SEAT, SUSPENSION See Illustration SEAT COVERS/ NA10388 See Illustration SEAT - 80 mm/ NA2430
Подробнее >
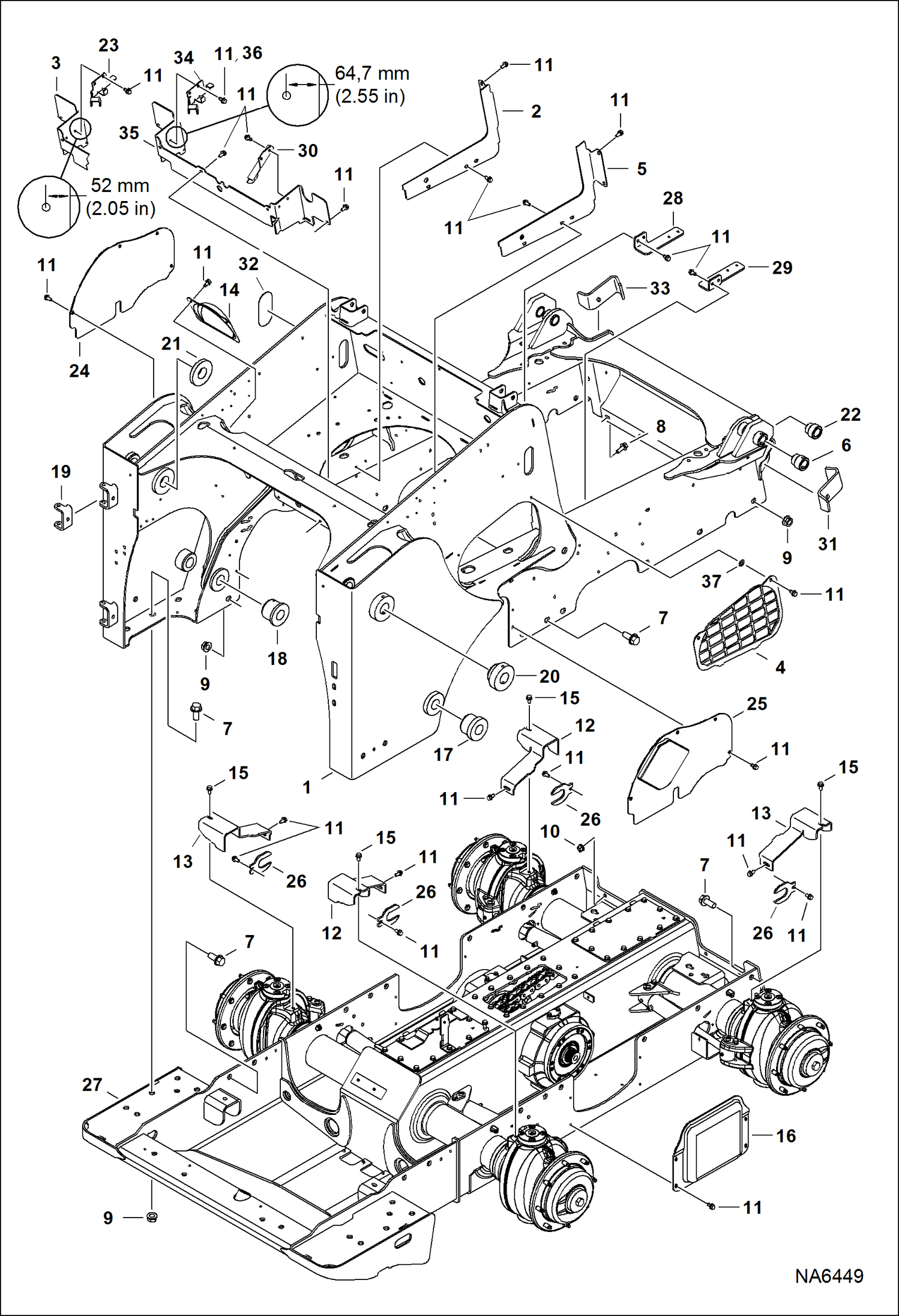
РАМА ШАССИ (СЕРИЙНЫЙ НОМЕР ASRW11001 - ASRW11100)

РАМА ШАССИ (СЕРИЙНЫЙ НОМЕР ASRW11001 - ASRW11100)

1Артикул: 7146294, MAIN FRAME
2Артикул: 7200099, DUCT, AIR See Illustration COOLING SYSTEM/ NA2599 - LH - Was 7147264 - D
3Артикул: CROSSMEMBER, CROSSMEMBER NLA - Use W/Ref. 23 - See dimension on illustration - Order Ref. 35 & 36 - Was 7209535 - A
Подробнее >
КАБИНА ОПЕРАТОРА (ЗАМЕНА КАБИНЫ)

КАБИНА ОПЕРАТОРА (ЗАМЕНА КАБИНЫ)

1Артикул: 7304592, ASSY CAB does not include cab decals - decals must be installed matching the loader-s rated operating capacity, lift arm type & operation controls thus order decals separately - Was 7215840
Подробнее >
BOB-TACH

BOB-TACH

1Артикул: 7128962, BOB-TACH Ref. 2-25
2Артикул: 619021, WASHER, 5
3Артикул: 6578253, SPRING, COMPRESSION
Подробнее >
КАБИНА ВОДИТЕЛЯ (ВНУТРЕННЕЕ ОБОРУДОВАНИЕ КАБИНЫ) (DELUXE)

КАБИНА ВОДИТЕЛЯ (ВНУТРЕННЕЕ ОБОРУДОВАНИЕ КАБИНЫ) (DELUXE)

1Артикул: 7155792, PANEL, LH
2Артикул: 7223412, PANEL, DASH Was 7155788 - A
3Артикул: 7155791, PANEL, RH
Подробнее >
КАБИНА ВОДИТЕЛЯ (ГАЗОВАЯ ПРУЖИНА)

КАБИНА ВОДИТЕЛЯ (ГАЗОВАЯ ПРУЖИНА)

1Артикул: ASSY, ASSY CAB See Illustration OPERATOR CAB/ NA8585 W/ 14.92--X26.2-- rear window opening
2Артикул: CAB,, CAB, ASSY See Illustration OPERATOR CAB/ NA8585 NLA - W/ 15.37--X26.7-- rear window opening
3Артикул: 7163988, SEAL, WINDOW REAR
Подробнее >
КАБИНА ОПЕРАТОРА (ВНУТРЕННЕЕ ОБОРУДОВАНИЕ КАБИНЫ) (DELUXE) (ОСНОВНОЕ ОБОРУДОВАНИЕ)

КАБИНА ОПЕРАТОРА (ВНУТРЕННЕЕ ОБОРУДОВАНИЕ КАБИНЫ) (DELUXE) (ОСНОВНОЕ ОБОРУДОВАНИЕ)

1Артикул: 7155798, HEADLINER, DLX
2Артикул: 6674895, RETAINER
3Артикул: 7142762, CLIP
Подробнее >
РАМА ШАССИ (СЕРИЙНЫЙ НОМЕР ASRW11101 И ВЫШЕ)

РАМА ШАССИ (СЕРИЙНЫЙ НОМЕР ASRW11101 И ВЫШЕ)

1Артикул: 7193370, MAIN FRAME
2Артикул: 7211868, MAIN FRAME
3Артикул: 7200099, DUCT, AIR LH
Подробнее >
ПОДЪЕМНАЯ РУКОЯТЬ И BOB-TACH

ПОДЪЕМНАЯ РУКОЯТЬ И BOB-TACH

1Артикул: 7145287, LIFT ARM
2Артикул: LINK,, LINK, LIFT ARM H ASSY NLA - 9,6 mm (.380--) thick sidewalls - Was 7187124 - A
3Артикул: 7187124, LINK, LIFT ARM H ASSY 10,5 mm (.415--) thick sidewalls
Подробнее >
ОПОРА СИДЕНЬЯ

ОПОРА СИДЕНЬЯ

1Артикул: 7203389, SEAT BAR SJC
2Артикул: 6680441, BUSHING
3Артикул: 6715865, BUSHING
Подробнее >
ПАНЕЛИ (МЕТАЛЛИЧЕСКИЙ ПОЛ КУЗОВА)

ПАНЕЛИ (МЕТАЛЛИЧЕСКИЙ ПОЛ КУЗОВА)

1Артикул: 7285001, PANEL, RH Was 7180032 - A
2Артикул: 7166198, FOAM, PANEL
3Артикул: 7166199, FOAM, EDGE
Подробнее >