РАМА в Алматы
РАБОЧЕЕ МЕСТО ВОДИТЕЛЯ И СИДЕНЬЕ
1Артикул: 6503451, SPACER
2Артикул: 6588953, TREAD
3Артикул: 6593245, TREAD
ЗАДНЯЯ ДВЕРЬ
1Артикул: 6564452, GRIP lever
2Артикул: 6808706, STOP
3Артикул: 6733667, LATCH, REAR DOOR
НАВЕС НАД СИДЕНЬЕМ ВОДИТЕЛЯ
1Артикул: 6589347, STRAP
2Артикул: 6811918, WINDOW flat - canopy has flat window - cab has curved - Use 6808882 adhesive, 7102268 primer, & 7110861 cleaner
3Артикул: 7127635, WINDOW For China Only
КАБИНА ОПЕРАТОРА (ПРАВОЕ ОКНО)
1Артикул: 7100571, WINDOW assy - W/Ref. 2-9
2Артикул: 7126980, WINDOW SLIDER Assy. - For China Only
3Артикул: WINDOW, WINDOW NSS - top - Order Ref. 3
КАБИНА ВОДИТЕЛЯ (КРОНШТЕЙН, ЛОБОВОЕ СТЕКЛО, ДВЕРЦА)
1Артикул: 6589675, SCREW
2Артикул: WASHER, WASHER KIT NLA - kit - Order 6666767 nozzle, 6691499 tank assy, 6664557 bracket, & 5 feet of 6708310 bulk hose - Was 6664438 - A
3Артикул: 6691499, TANK ASSY includes 6664554 pump
ПРОТИВОВЕС
1Артикул: 7131894, PLATE, COUNTERWEIGHT For model 331 - Was 7125927 - A
2Артикул: 7126437, COUNTERWEIGHT For models 331E & 334
3Артикул: 1CM1665, SCREW
СИДЕНЬЕ С ПОДВЕСКОЙ (ВИНИЛ)
1Артикул: 6685657, SEAT, OPERATOR VINYL - EXCAVATOR Assy.
2Артикул: 7010205, BASE, SEAT SUSPENSION assy - Was 6686151 - A
3Артикул: 7015583, SHOCK, SPRING W/bushings - Was 7015983
ПРАВОСТОРОННЯЯ КРЫШКА
1Артикул: 6563128, SPRING
2Артикул: 6563914, WASHER
3Артикул: 6649244, BALL STUD
КАБИНА ОПЕРАТОРА (ОКНА И УПЛОТНЕНИЯ)
1Артикул: CAB,, CAB, W/A See Illustration CAB KIT/ PE3332 NLA - Was 7109076 - A
2Артикул: 6811930, WINDOW L.H.
3Артикул: 7125398, WINDOW L.H. - For China Only
ИЗОЛЯЦИЯ
1Артикул: 6808484, INSULATION
2Артикул: 6808485, INSULATION
3Артикул: SEAL, SEAL NLA - 7.41-- (188,2 mm) long - Order Ref. 22
КАБИНА ОПЕРАТОРА (ЛОБОВОЕ СТЕКЛО)
1Артикул: 6816165, WINDOW Assy. - Ref. 2-33, 35
2Артикул: 7127107, WINDOW FRONT Assy. - For China Only - W/Ref. 2-33, 35
3Артикул: 6610082, SPRING
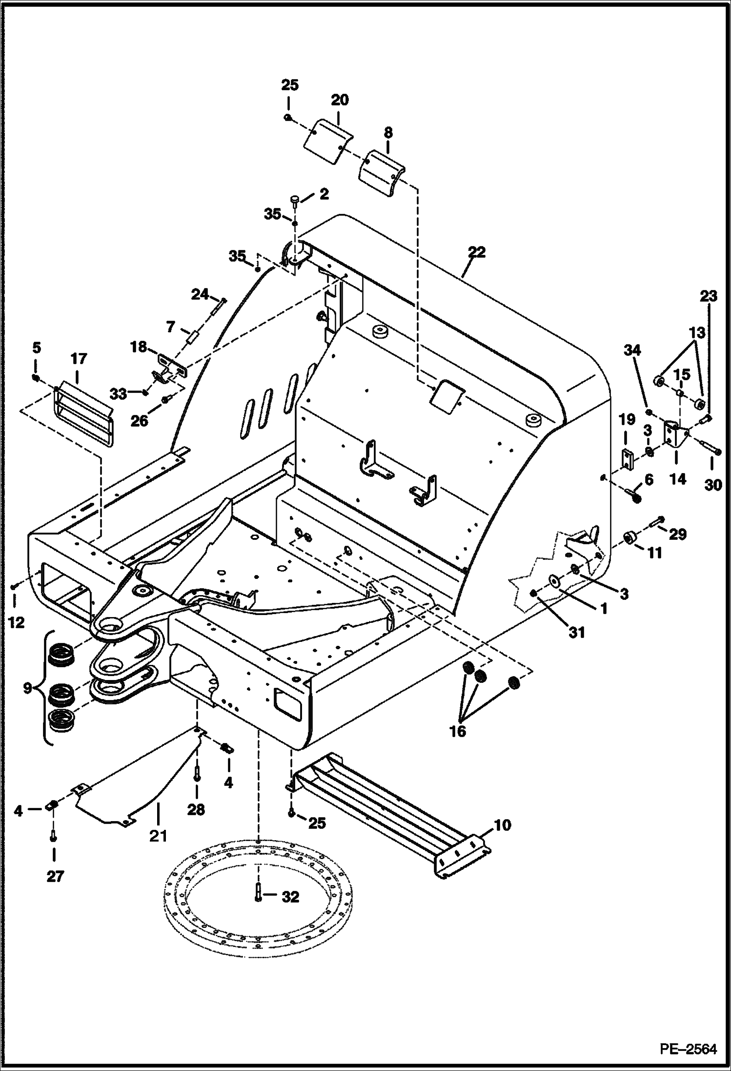
КОРПУС КУЗОВА
1Артикул: 6560899, WASHER flat
2Артикул: 6655399, BUMPER
3Артикул: 6675273, WASHER
КАБИНА ОПЕРАТОРА (ПРАВАЯ СТОРОНА ОКОН И ИЗОЛЯЦИЯ)
1Артикул: CAB,, CAB, W/A See Illustration CAB KIT/ PE3332 NLA - Was 7109076 - A
2Артикул: 6816185, INSULATION roof
3Артикул: 6818362, INSULATION R.H. - front