+7 (701) 588 50 05 Телефон для связи
RU

WhatsApp

Позвонить

РАМА в Алматы

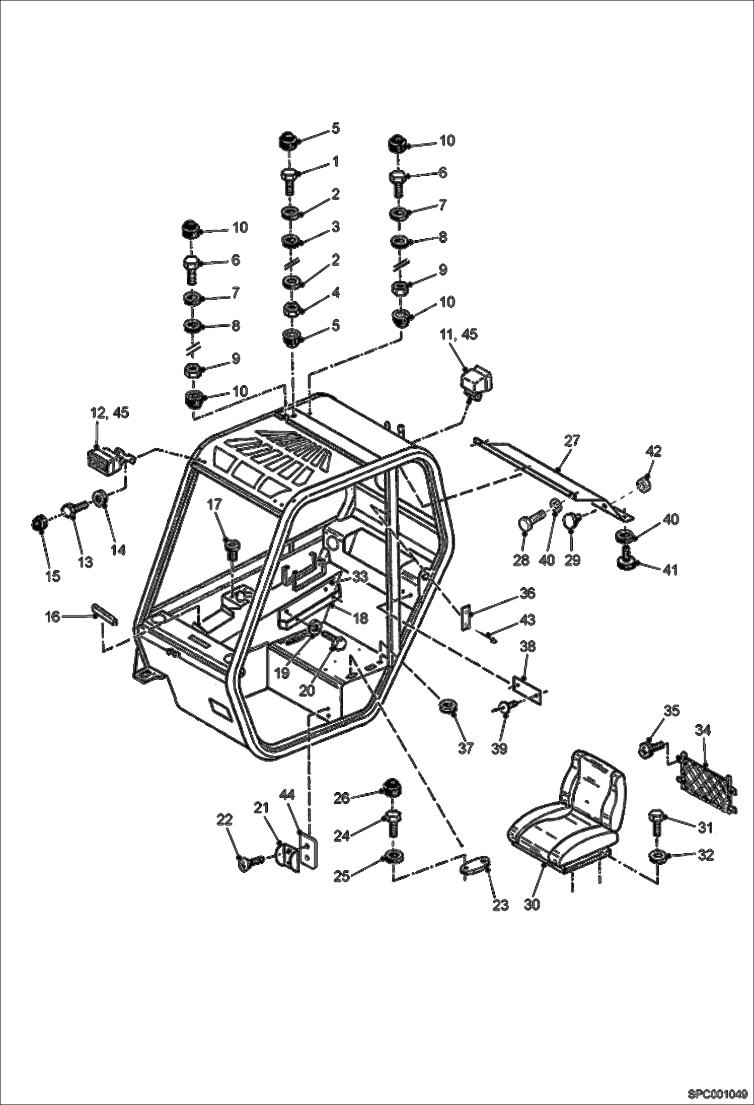
КАБИНА ВОДИТЕЛЯ (СЕРИЙНЫЙ НОМЕР A8HL11001 - A8HL12999, A8HP11001 - A8HP12999)

КАБИНА ВОДИТЕЛЯ (СЕРИЙНЫЙ НОМЕР A8HL11001 - A8HL12999, A8HP11001 - A8HP12999)

1Артикул: 6963094, FRAME
2Артикул: 6908788, WINDOW PANE RH RH
3Артикул: 6908786, WINDOW, TOP ROOF
Подробнее >
СИДЕНЬЕ (#96039.3) (СЕРИЙНЫЙ НОМЕР A8HL11001 - A8HL12999, A8HP11001 - A8HP12999)

СИДЕНЬЕ (#96039.3) (СЕРИЙНЫЙ НОМЕР A8HL11001 - A8HL12999, A8HP11001 - A8HP12999)

1Артикул: 1CM820, BOLT Was 01596-6 - B
2Артикул: 89519-3, WASHER
3Артикул: 96039-3, SEAT ( US STANDARD ) Ref. 4-37
Подробнее >
КАБИНА И ФИКСАЦИЯ (СЕРИЙНЫЙ НОМЕР A8HL11000 И ВЫШЕ, A8HP11000 И ВЫШЕ)

КАБИНА И ФИКСАЦИЯ (СЕРИЙНЫЙ НОМЕР A8HL11000 И ВЫШЕ, A8HP11000 И ВЫШЕ)

1Артикул: 000350-06A, WASHER
2Артикул: 01547-9, SCREW
3Артикул: 01549-5, SCREW
Подробнее >
КАБИНА ВОДИТЕЛЯ II (СЕРИЙНЫЙ НОМЕР A8HL11001 - 12999, A8HP11001 - 12999)

КАБИНА ВОДИТЕЛЯ II (СЕРИЙНЫЙ НОМЕР A8HL11001 - 12999, A8HP11001 - 12999)

1Артикул: 6910908, FOAM STRIP
2Артикул: 000350-21R, WASHER
3Артикул: 6914788, SEAL
Подробнее >
СИДЕНЬЕ И ПОДВЕСКА (#7218933) (СЕРИЙНЫЙ НОМЕР A8HL13000 И ВЫШЕ, A8HP13000 И ВЫШЕ)

СИДЕНЬЕ И ПОДВЕСКА (#7218933) (СЕРИЙНЫЙ НОМЕР A8HL13000 И ВЫШЕ, A8HP13000 И ВЫШЕ)

1Артикул: SEAT, SEAT MEC AMA W/O LOGO NLA - Ref. 2-7 - Order 7236461 seat - 7218933 - A
2Артикул: 7236461, SEAT ASSY Ref. 2-7
3Артикул: 7022572, BACKREST
Подробнее >
НАВЕС НАД СИДЕНЬЕМ ВОДИТЕЛЯ (A8HK11001 И ВЫШЕ)

НАВЕС НАД СИДЕНЬЕМ ВОДИТЕЛЯ (A8HK11001 И ВЫШЕ)

1Артикул: 6911003, FRAME
2Артикул: 6908788, WINDOW PANE RH RH
3Артикул: 6908786, WINDOW, TOP ROOF
Подробнее >
СИДЕНЬЕ И ПОДВЕСКА (#7181512) (СЕРИЙНЫЙ НОМЕР A8HL13000 И ВЫШЕ, A8HP13000 И ВЫШЕ)

СИДЕНЬЕ И ПОДВЕСКА (#7181512) (СЕРИЙНЫЙ НОМЕР A8HL13000 И ВЫШЕ, A8HP13000 И ВЫШЕ)

1Артикул: SEAT, SEAT MEC AMA NLA - Ref. 2-9 - Order 7218933 seat - Was 7181512 - A
2Артикул: 7022572, BACKREST
3Артикул: 7022573, SUSPENSION See Illustration OPERATOR SEAT/ NA10943
Подробнее >
СИДЕНЬЕ (#6909060) (A8HK11001 И ВЫШЕ)

СИДЕНЬЕ (#6909060) (A8HK11001 И ВЫШЕ)

1Артикул: 1CM820, BOLT Was 01596-6 - B
2Артикул: 89519-3, WASHER
3Артикул: 6909060, SEAT Ref. 4-37
Подробнее >
КАБИНА ВОДИТЕЛЯ (СЕРИЙНЫЙ НОМЕР A8HL13000 И ВЫШЕ, A8HP13000 И ВЫШЕ)

КАБИНА ВОДИТЕЛЯ (СЕРИЙНЫЙ НОМЕР A8HL13000 И ВЫШЕ, A8HP13000 И ВЫШЕ)

1Артикул: 01591-7, SCREW
2Артикул: 63349-5, HANDLE
3Артикул: 94574-1, WASHER
Подробнее >
КАБИНА ВОДИТЕЛЯ II (СЕРИЙНЫЙ НОМЕР A8HL13000 И ВЫШЕ, A8HP13000 И ВЫШЕ)

КАБИНА ВОДИТЕЛЯ II (СЕРИЙНЫЙ НОМЕР A8HL13000 И ВЫШЕ, A8HP13000 И ВЫШЕ)

1Артикул: 1CM820, BOLT Was 01596-6 - B
2Артикул: 89519-3, WASHER
3Артикул: SEAT, SEAT MEC AMA See Illustration SEAT & SUSPENSION/ EM10096 - NLA - W/headrest - Order 7218933 seat - Was 7181512 - A
Подробнее >
НАВЕС НАД СИДЕНЬЕМ ВОДИТЕЛЯ II (A8HK11001 И ВЫШЕ)

НАВЕС НАД СИДЕНЬЕМ ВОДИТЕЛЯ II (A8HK11001 И ВЫШЕ)

1Артикул: 1CM820, BOLT Was 01596-6 - B
2Артикул: 6909968, WASHER, FLAT 9X30X2
3Артикул: 6909964, WASHER , FIBER 9X30X2
Подробнее >
СЕКЦИЯ ДВИГАТЕЛЯ

СЕКЦИЯ ДВИГАТЕЛЯ

1Артикул: 000345-96E, NUT
2Артикул: 1CM1630, BOLT Was 10882-9 - A
3Артикул: 44334-1, NUT
Подробнее >