+7 (701) 588 50 05 Телефон для связи
RU

WhatsApp

Позвонить

Продажа: РАМА в Алматы и Астане Цены официального дилера с доставкой по всему Казахстану

Официальный дилер Все запчасти в наличии Лизинг / Рассрочка Сервис и гарантия
Спецтехника BOB-TACH от Globus Machinery

BOB-TACH

1Артикул: FRAME, FR...
2Артикул: 6548581, ...
3Артикул: 7D8, NUT ...
Подробнее >
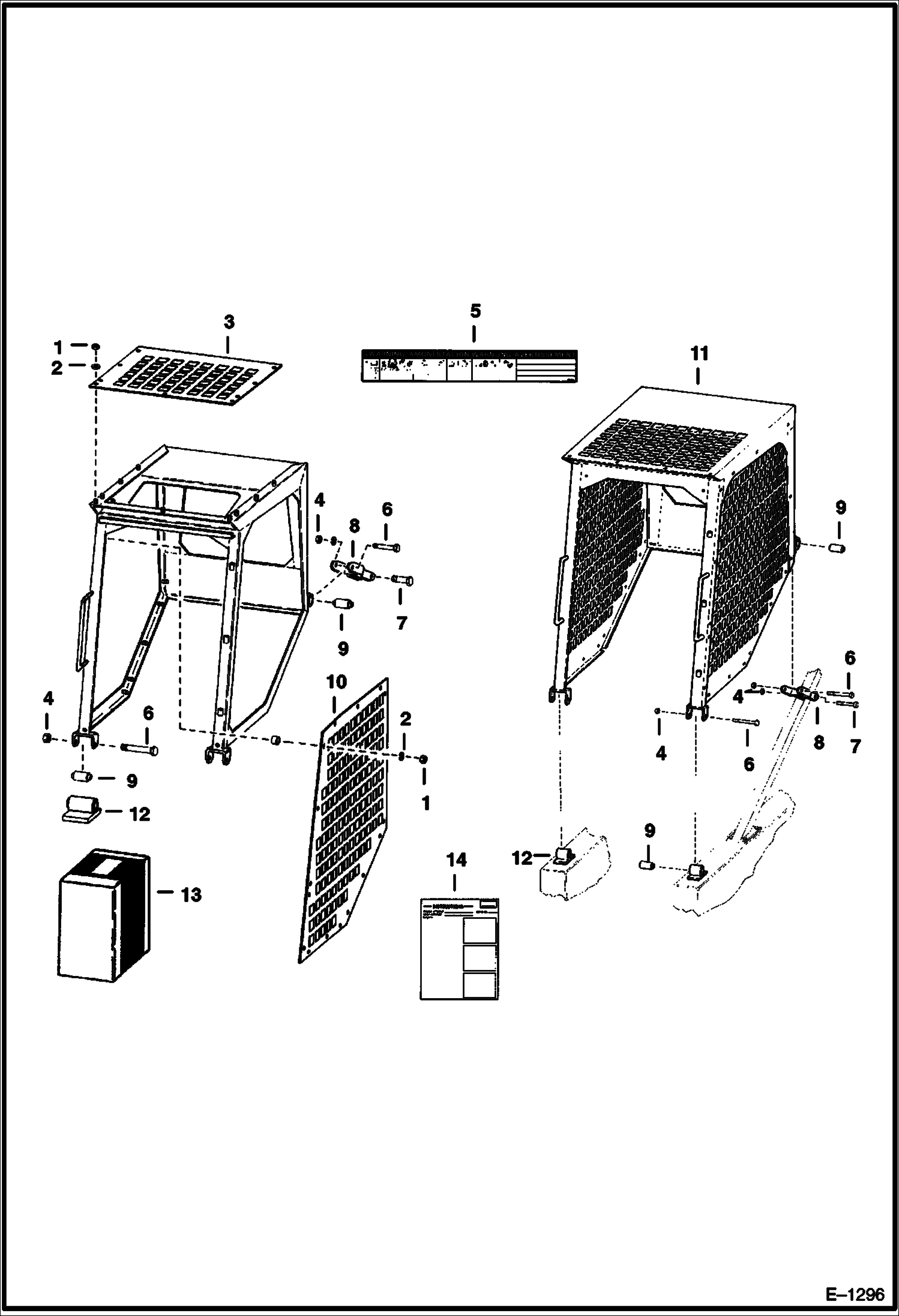
Спецтехника КАБИНА ОПЕРАТОРА от Globus Machinery

КАБИНА ОПЕРАТОРА

1Артикул: 81D6, NUT
2Артикул: 25E18, WA...
3Артикул: 6555797, ...
Подробнее >
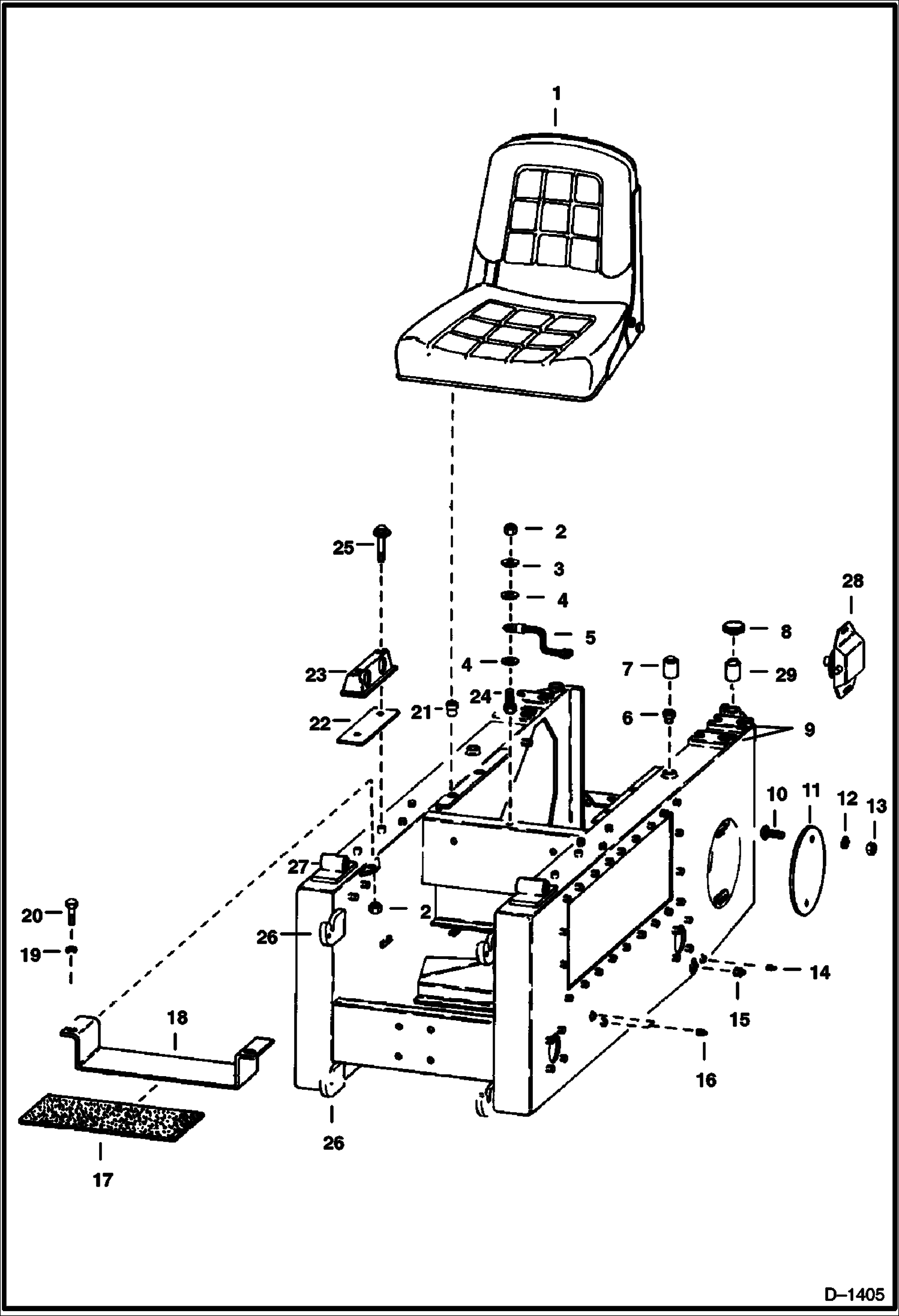
Спецтехника ОПОРА СИДЕНЬЯ от Globus Machinery

ОПОРА СИДЕНЬЯ

1Артикул: 17C616, B...
2Артикул: 85D6, NUT...
3Артикул: 6563198, ...
Подробнее >
Спецтехника ПОДЪЕМНАЯ РУКОЯТЬ И BOB-TACH от Globus Machinery

ПОДЪЕМНАЯ РУКОЯТЬ И BOB-TACH

1Артикул: KIT, KIT ...
2Артикул: 6502822, ...
3Артикул: 6508743, ...
Подробнее >
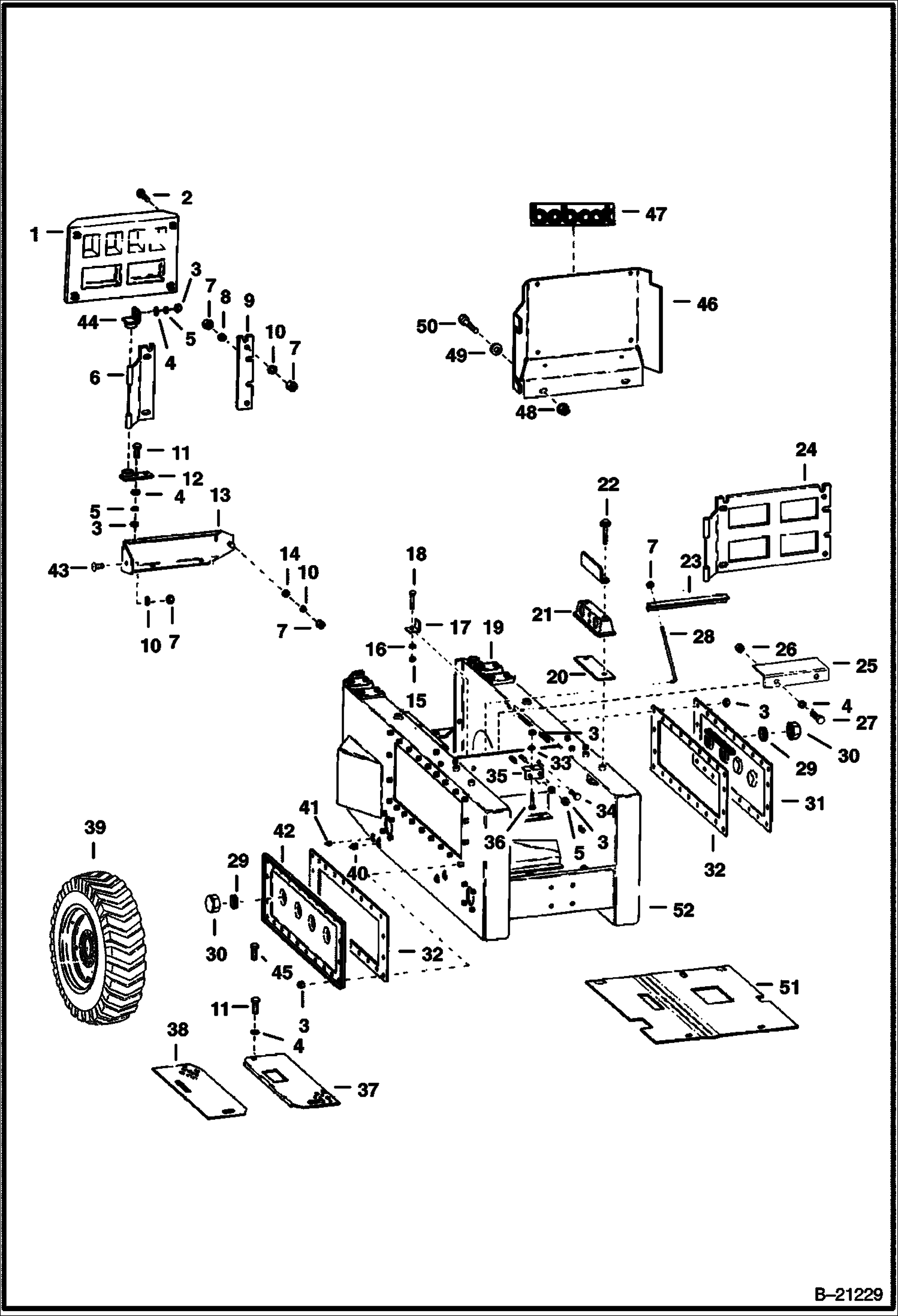
Спецтехника РАМА ШАССИ ЛЕВАЯ СТОРОНА от Globus Machinery

РАМА ШАССИ ЛЕВАЯ СТОРОНА

1Артикул: SEAT, SEA...
2Артикул: 61D6, NUT...
3Артикул: 25E17, WA...
Подробнее >
Спецтехника РАМА ШАССИ ПРАВАЯ СТОРОНА от Globus Machinery

РАМА ШАССИ ПРАВАЯ СТОРОНА

1Артикул: GRILL, GR...
2Артикул: 17C840, B...
3Артикул: 61D6, NUT...
Подробнее >
Спецтехника СИДЕНИЕ (МИЧИГАН) от Globus Machinery

СИДЕНИЕ (МИЧИГАН)

1Артикул: SEAT, SEA...
2Артикул: 6669135, ...
3Артикул: 6670160, ...
Подробнее >
Спецтехника СИДЕНЬЕ (MILSCO) от Globus Machinery

СИДЕНЬЕ (MILSCO)

1Артикул: 6665401, ...
2Артикул: 6630465, ...
3Артикул: 6630468, ...
Подробнее >
Спецтехника СИДЕНЬЕ И УСТАНОВКА СИДЕНЬЯ от Globus Machinery

СИДЕНЬЕ И УСТАНОВКА СИДЕНЬЯ

1Артикул: SEAT, SEA...
2Артикул: CUSHION, ...
3Артикул: CUSHION, ...
Подробнее >