РАМА в Алматы
КАБИНА ВОДИТЕЛЯ (ПРАВОСТОРОННЕЕ ОКНО) (3 ОДИНАРНОЕ ОСТЕКЛЕНИЕ)
1Артикул: 6667616, WINDOW ASSY RH - W/Ref. 2-24
2Артикул: 6667593, LATCH
3Артикул: 6667594, LATCH
КАБИНА ВОДИТЕЛЯ (ЛОБОВОЕ СТЕКЛО) (ЗАМЕНА ТОЛЬКО В ПРОЦЕССЕ ОБСЛУЖИВАНИЯ)
1Артикул: 6800880, WINDOW ASSY. Ref. 1-6, 10-17, 19-23, 25, 27-29 & 35
2Артикул: 6800876, FRAME
3Артикул: 6801502, LATCH RH
КАБИНА ОПЕРАТОРА (ЛОБОВОЕ СТЕКЛО)
1Артикул: WINDOW, WINDOW ASSY. NLA - Ref. 2-6, 10-17, 19-23, 25, 27-29 & 37 - Order 6667155 - Was 6628874 - A
2Артикул: 6667155, WINDOW ASSY Ref. 2-15, 19, 20, 23, 29 & 37
3Артикул: 6628875, FRAME Was 6667194 - A
КРЫША НАД СИДЕНЬЕМ ВОДИТЕЛЯ И КРОНШТЕЙН
1Артикул: CANOPY, CANOPY NLA - Incls. Ref. 6, 8, 9, 10 & 17 - Order 6800748 - Was SALES
2Артикул: 6800748, CANOPY weldment only
3Артикул: 7CM1240, SCREW
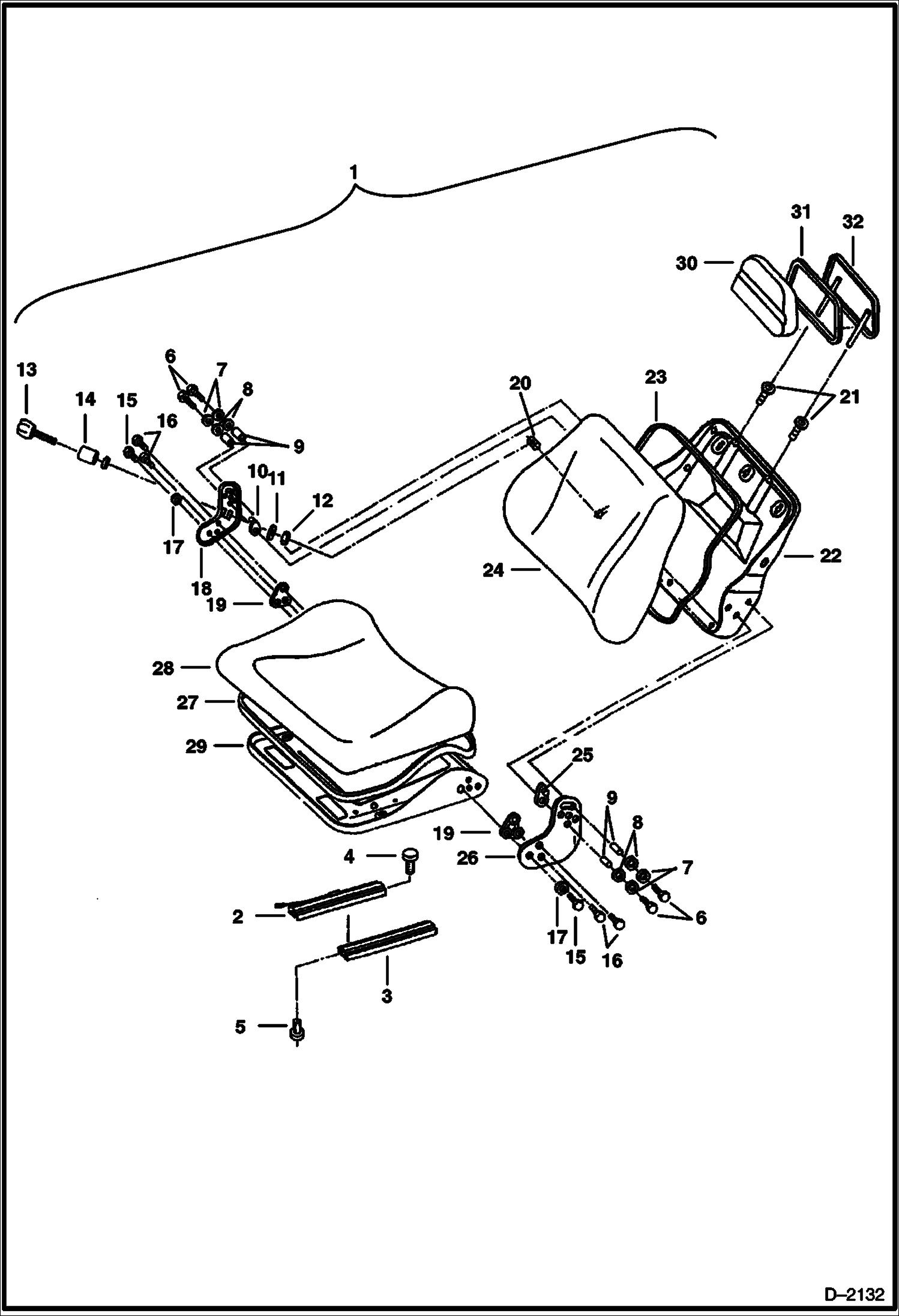
СИДЕНЬЕ (ПОДВЕСКА)
1Артикул: SEAT, SEAT See Illustration SEAT/ D2132 - NLA - Complete - cloth covered - Ref. 2-36 & Ref. 2-38 in Illustration D-2132 - Order 6672519 - Was 6658850 - A
2Артикул: SEAT, SEAT See Illustration SEAT/ D2132 - NLA - Complete - vinyl covered - Ref. 2-36 & Ref. 2-38 on Illustration D-2132 - Order 6672520 - Was 6660414 - A
3Артикул: 6659401, HANDLE W/Ref. 3
ОБОГРЕВАТЕЛЬ (С МОТОРОМ, ГДЕ 3 ВЕНТИЛЯТОРА)
1Артикул: 6665242, HEATER W/Ref. 2-26 & 28 -31
2Артикул: 6664342, LOUVER
3Артикул: 6632584, RESISTOR
КАБИНА ВОДИТЕЛЯ (ПРАВОСТОРОННЕЕ ОКНО) (2 ОДИНАРНОЕ ОСТЕКЛЕНИЕ)
1Артикул: WINDOW, WINDOW ASSY. NLA - Sliding - W/Ref. 2-18 - Order 6667616 - Was 6664173 - A
2Артикул: 6664865, FRAME Top
3Артикул: 6664866, FRAME Bottom
СИДЕНИЕ
1Артикул: SEAT, SEAT See Illustration SEAT/ B17486 - NLA - Complete - cloth covered - Ref. 2-36 & Ref. 2-38 Order 6672519 - Was 6658850 - A
2Артикул: SEAT, SEAT See Illustration SEAT/ B17486 - NLA - Complete - Vinyl covered - Ref. 2-36 & Ref. 2-38 Order 6672520 - Was 6660414 - A
3Артикул: 6659426, TRACK W/Adjuster
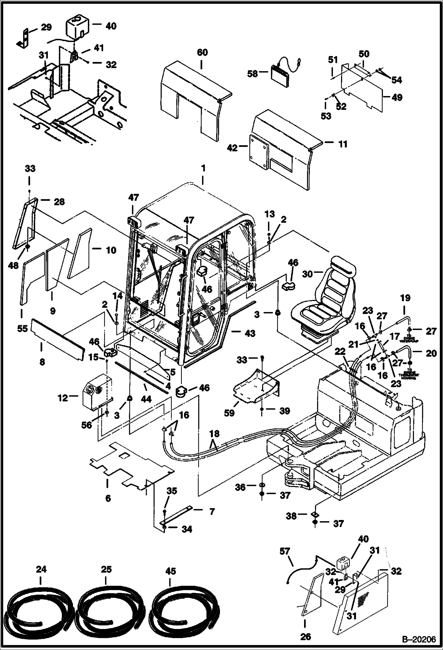
МОНТАЖ КАБИНЫ
1Артикул: CAB, CAB ASSY. See Illustration HEATER/ C3340 See Illustration OPERATOR CAB/ B20207
2Артикул: 6805244, WASHER
3Артикул: 6560633, DAMPENER
КРЫШКИ ДВИГАТЕЛЯ И ИЗОЛЯЦИЯ
1Артикул: 6588526, COVER Engine
2Артикул: 6596912, COVER Engine
3Артикул: 6589523, COVER
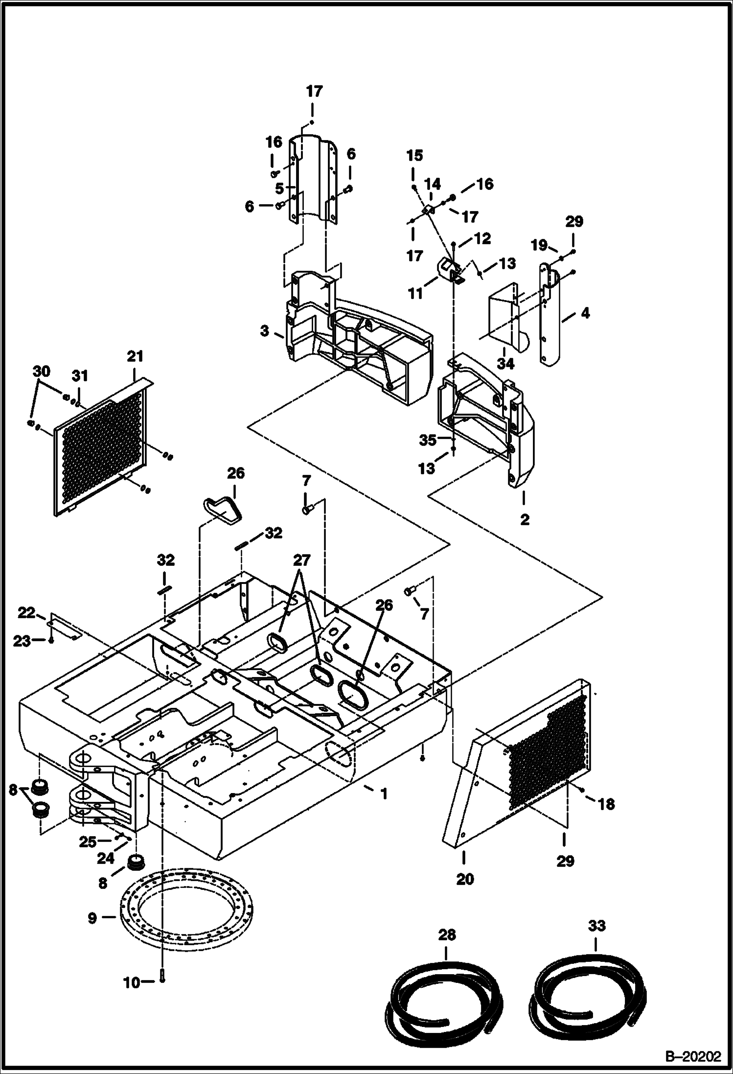
КОРПУС КУЗОВА, ПРОТИВОВСЕСЫ И БОКОВЫЕ ПАНЕЛИ
1Артикул: 6589518, UPPERSTRUCTURE Frame
2Артикул: 6596808, UPPERSTRUCTURE Frame
3Артикул: 6588425, COUNTERWEIGHT NLA - left hand - Was 6588425
КАБИНА ВОДИТЕЛЯ (ДВЕРЬ) (СТЕКЛА С НАНЕСЕННЫМ СЛОЕМ КЛЕЯ)
1Артикул: DOOR, DOOR ASSY NLA - Ref. 2 - 14 - Order 6807882 & 6709527 Key - Was 6805226 - A
2Артикул: DOOR, DOOR NLA - Ref. 2 - 14 - Was 6807782 - A
3Артикул: 6805469, DOOR
КАБИНА ОПЕРАТОРА
1Артикул: CAB, CAB ASSY See Illustration OPERATOR CAB/ D2320 NLA - W/Ref. 2- 48 and all items - order 6810477
2Артикул: CAB, CAB NLA - Weldment - Order 6810477 -Was 6628839 - A
3Артикул: 6801477, CAB Weldment only
БОКОВЫЕ ПАНЕЛИ И БАКИ
1Артикул: 515069, GROMMET
2Артикул: 6536802, WASHER
3Артикул: 6587544, PLATE
КАБИНА ВОДИТЕЛЯ (ДВЕРЬ) (ОКНА, СКРЕПЛЯЕМЫЕ БОЛТАМИ)
1Артикул: DOOR, DOOR ASSY. See Illustration OPERATOR CAB/ B20209 See BTIE-061 NLA - W/Ref. 2-21 - Was 6628863 - A
2Артикул: DOOR, DOOR See BTIE-058 NLA - Weldment - Was 6628864 - A
3Артикул: 6661631, LATCH Outside