+7 (701) 588 50 05 Телефон для связи
RU

WhatsApp

Позвонить

РАМА в Алматы

НАКЛЕЙКИ

НАКЛЕЙКИ

1Артикул: Decal,, Decal, Bobcat NLA
2Артикул: Decal,, Decal, Bobcat - NLA -
3Артикул: Decal,, Decal, BC15 (White) (BC15) - NLA -
Подробнее >
ПРИЦЕП В СБОРЕ И КОМПЛЕКТ ИНСТРУМЕНТОВ

ПРИЦЕП В СБОРЕ И КОМПЛЕКТ ИНСТРУМЕНТОВ

1Артикул: IR22195119, CARRYING CART ASMBLY BC15 - Ref. 2-5
2Артикул: IR22195283, CARRYING CART ASMBLY BC19 - Ref. 2-5
3Артикул: IR22195374, CARRYING CART ASMBLY BC22 - Ref. 2-5
Подробнее >
РАМА ШАССИ (ДВИГАТЕЛЬ И СЦЕПЛЕНИЕ)

РАМА ШАССИ (ДВИГАТЕЛЬ И СЦЕПЛЕНИЕ)

1Артикул: IR58836438, HONDA ENGINE BC15
2Артикул: IR58836446, ENGINE ASSY BC19/BC22
3Артикул: IR22194898, Bolt
Подробнее >
КОМПЛЕКТ ДЛЯ ВИБРАЦИОННОГО УПЛОТНЕНИЯ

КОМПЛЕКТ ДЛЯ ВИБРАЦИОННОГО УПЛОТНЕНИЯ

1Артикул: IR22195051, Bearing Case (A)
2Артикул: IR22195069, Bearing Case (B)
3Артикул: IR59832287, BOLT
Подробнее >
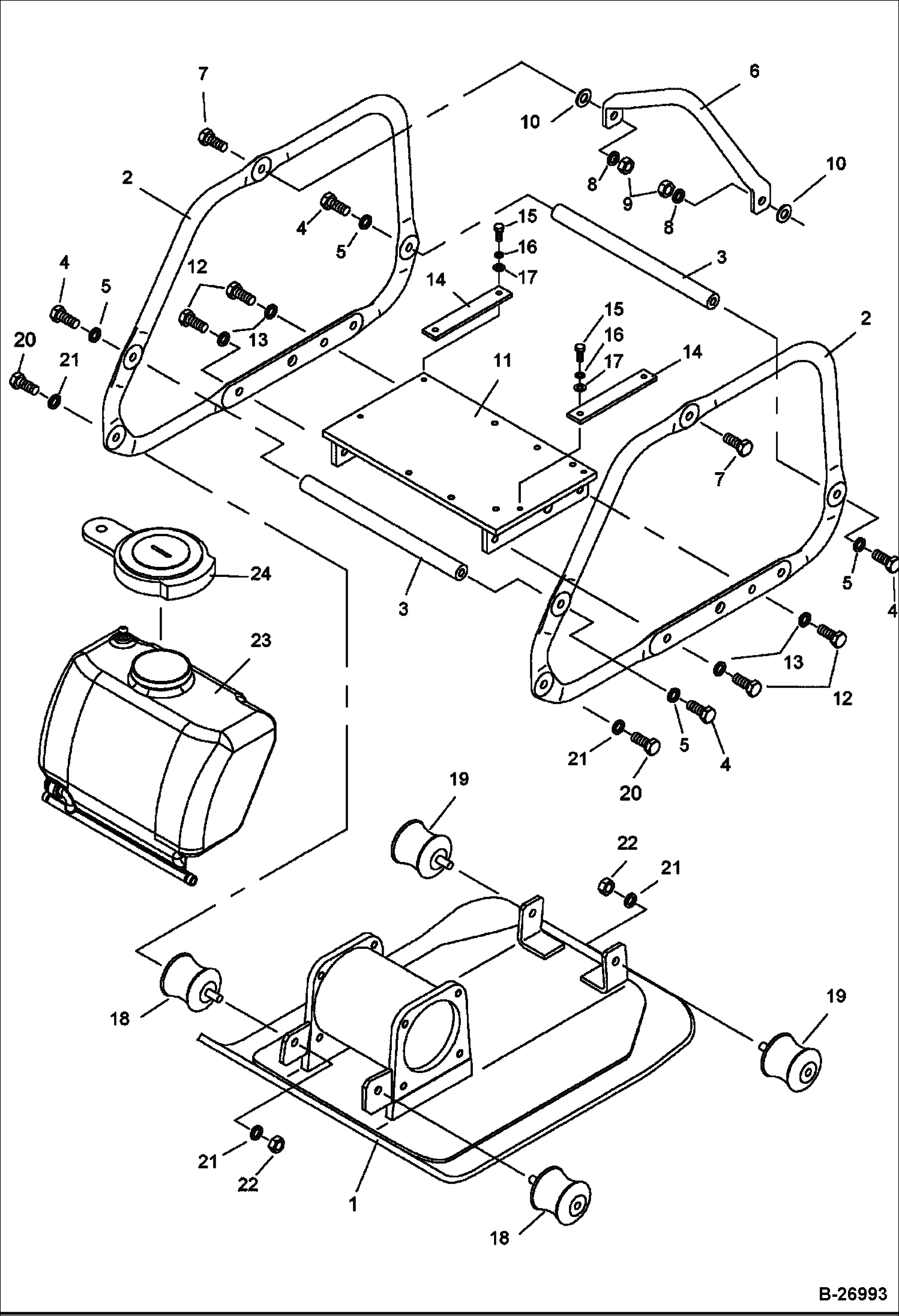
РАМА ШАССИ (ВИБРАЦИЯ, ЗАЩИТНОЕ ОГРАЖДЕНИЕ И БАК ДЛЯ ВОДЫ)

РАМА ШАССИ (ВИБРАЦИЯ, ЗАЩИТНОЕ ОГРАЖДЕНИЕ И БАК ДЛЯ ВОДЫ)

1Артикул: IR22194807, Vibration Plate (BC15) complete
2Артикул: IR13202130, PLATE bottom plate only - For BC15
3Артикул: IR22195184, Vibration Plate (BC19) complete
Подробнее >