+7 (701) 588 50 05 Телефон для связи
RU

WhatsApp

Позвонить

РАМА в Алматы

КАБИНА ОПЕРАТОРА (ПРАВАЯ СТОРОНА ОКОН И ИЗОЛЯЦИЯ)

КАБИНА ОПЕРАТОРА (ПРАВАЯ СТОРОНА ОКОН И ИЗОЛЯЦИЯ)

1Артикул: CAB,, CAB, W/A See Illustration CAB KIT/ PE3332 NLA - Was 7109076 - A
2Артикул: 6816185, INSULATION roof
3Артикул: 6818362, INSULATION L.H. - front
Подробнее >
КАБИНА ОПЕРАТОРА (ПРАВОЕ ОКНО)

КАБИНА ОПЕРАТОРА (ПРАВОЕ ОКНО)

1Артикул: 7100571, WINDOW assy - W/Ref. 2-9
2Артикул: WINDOW, WINDOW NSS - top - Order Ref. 3
3Артикул: 6685774, FRAME includes Ref. 2
Подробнее >
КАБИНА ОПЕРАТОРА (ОКНА И УПЛОТНЕНИЯ)

КАБИНА ОПЕРАТОРА (ОКНА И УПЛОТНЕНИЯ)

1Артикул: CAB,, CAB, W/A See Illustration CAB KIT/ PE3332 NLA - Was 7109076 - A
2Артикул: 6811930, WINDOW L.H.
3Артикул: SEAL, SEAL NLA - 127-- (3226 mm) - Order Ref. 17
Подробнее >
КАБИНА ОПЕРАТОРА (ЛОБОВОЕ СТЕКЛО)

КАБИНА ОПЕРАТОРА (ЛОБОВОЕ СТЕКЛО)

1Артикул: 6816165, WINDOW assy
2Артикул: 6610082, SPRING
3Артикул: 6664085, BUSHING
Подробнее >
СИДЕНЬЕ С ПОДВЕСКОЙ (ВИНИЛ)

СИДЕНЬЕ С ПОДВЕСКОЙ (ВИНИЛ)

1Артикул: SEAT, SEAT NLA - for 328 model - Order 6685657 assy - Was 6682974
2Артикул: 6685657, SEAT, OPERATOR VINYL - EXCAVATOR assy
3Артикул: 7010205, BASE, SEAT SUSPENSION assy - Was 6686151 - A
Подробнее >
КАБИНА ВОДИТЕЛЯ (ДВЕРНОЕ СТЕКЛО - 2 ШТ.) (СЕРИЙНЫЙ НОМЕР (325) 234113144 И ВЫШЕ, (328) 234213159 И ВЫШЕ)

КАБИНА ВОДИТЕЛЯ (ДВЕРНОЕ СТЕКЛО - 2 ШТ.) (СЕРИЙНЫЙ НОМЕР (325) 234113144 И ВЫШЕ, (328) 234213159 И ВЫШЕ)

1Артикул: 7117231, DOOR, CAB ASSY Ref. 2-16
2Артикул: 6688997, DOOR HANDLE door
3Артикул: KEY, KEY NLA - two keys W/ring - Order 6693241 - Was 6709527 - A
Подробнее >
ИЗОЛЯЦИЯ

ИЗОЛЯЦИЯ

1Артикул: 6808484, INSULATION
2Артикул: 6808485, INSULATION
3Артикул: SEAL, SEAL NLA - order 7.41-- (188,2 mm) of Ref. 22
Подробнее >
НАВЕС НАД СИДЕНЬЕМ ВОДИТЕЛЯ

НАВЕС НАД СИДЕНЬЕМ ВОДИТЕЛЯ

1Артикул: 7001052, MOUNT, ENG Was 6804026 - A
2Артикул: 6805244, WASHER
3Артикул: CANOPY, CANOPY See Illustration CANOPY KIT/ PE3336 - NLA - Was 6812243 - A
Подробнее >
ЗАМОК КОРПУСА КУЗОВА (УСТАНОВКА КОНСОЛИ) (СЕРИЙНЫЙ НОМЕР (325) 234113833 И НИЖЕ, (328) 234213828 И НИЖЕ)

ЗАМОК КОРПУСА КУЗОВА (УСТАНОВКА КОНСОЛИ) (СЕРИЙНЫЙ НОМЕР (325) 234113833 И НИЖЕ, (328) 234213828 И НИЖЕ)

1Артикул: 6567962, WASHER
2Артикул: 6567963, SPACER
3Артикул: 6586856, GRIP lever
Подробнее >
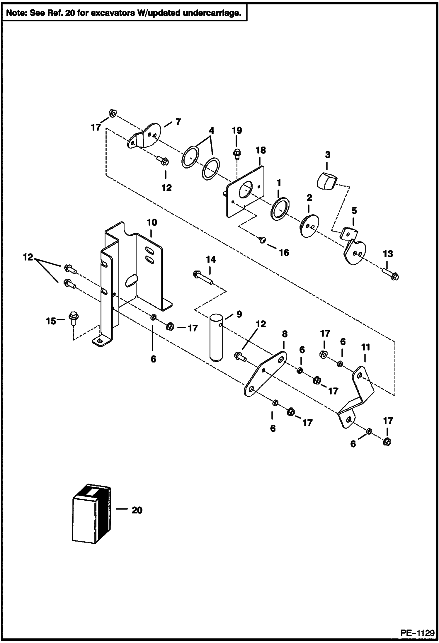
КАБИНА ВОДИТЕЛЯ (КРОНШТЕЙН, ЛОБОВОЕ СТЕКЛО, ДВЕРЦА)

КАБИНА ВОДИТЕЛЯ (КРОНШТЕЙН, ЛОБОВОЕ СТЕКЛО, ДВЕРЦА)

1Артикул: 6589675, SCREW
2Артикул: WASHER, WASHER KIT NLA - kit - Order 6666767 nozzle, 6691499 tank assy, 6664557 bracket, & 5 feet of 6708310 bulk hose - Was 6664438 - A
3Артикул: 6691499, TANK ASSY includes 6664554 pump
Подробнее >
РАБОЧЕЕ МЕСТО ВОДИТЕЛЯ И СИДЕНЬЕ

РАБОЧЕЕ МЕСТО ВОДИТЕЛЯ И СИДЕНЬЕ

1Артикул: 6503451, SPACER
2Артикул: 6588953, TREAD
3Артикул: 6593245, TREAD
Подробнее >
ЗАДНЯЯ ДВЕРЬ

ЗАДНЯЯ ДВЕРЬ

1Артикул: 6564452, GRIP lever
2Артикул: 6808706, STOP
3Артикул: 6811376, LATCH
Подробнее >
ЗАМОК КОРПУСА КУЗОВА (УСТАНАВЛИВАЕМЫЙ НА ПОЛ) (СЕРИЙНЫЙ НОМЕР (325) 234113834 И ВЫШЕ, (328) 234213829 И ВЫШЕ)

ЗАМОК КОРПУСА КУЗОВА (УСТАНАВЛИВАЕМЫЙ НА ПОЛ) (СЕРИЙНЫЙ НОМЕР (325) 234113834 И ВЫШЕ, (328) 234213829 И ВЫШЕ)

1Артикул: 6586856, GRIP
2Артикул: 6807220, SPACER
3Артикул: 7129571, BRACKET
Подробнее >
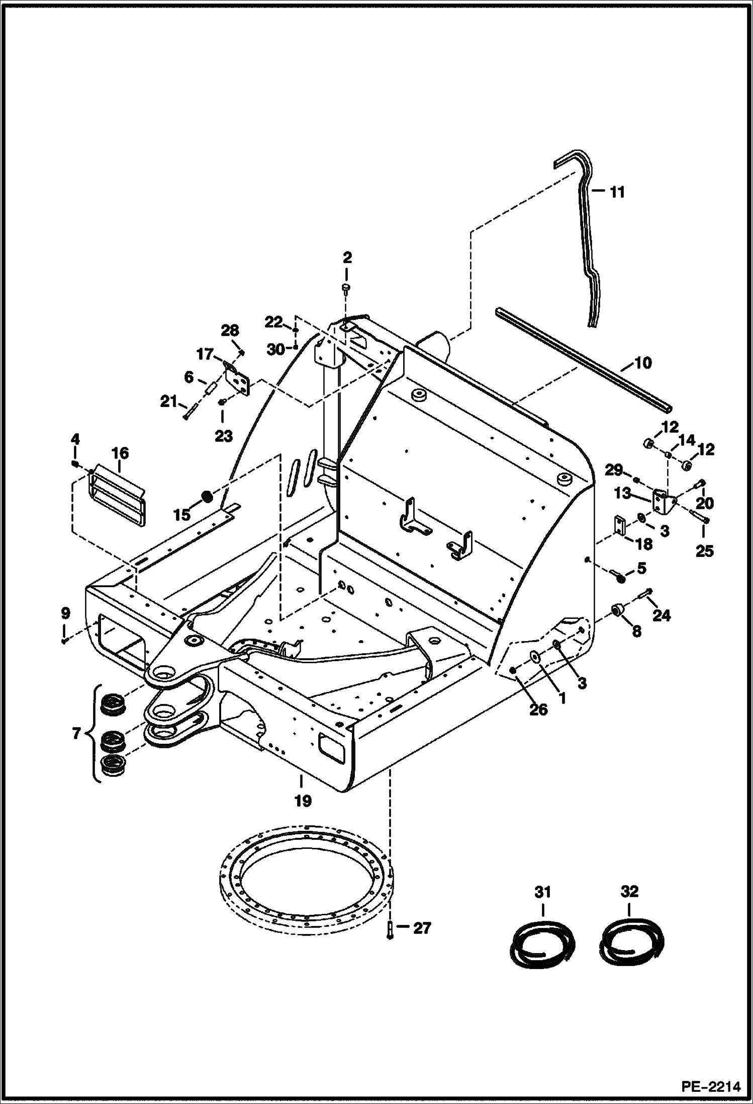
КОРПУС КУЗОВА

КОРПУС КУЗОВА

1Артикул: 6560899, WASHER
2Артикул: 6655399, BUMPER
3Артикул: 6675273, WASHER lock
Подробнее >
ПРОТИВОВСЕС (РЕБРО ЖЕСТКОСТИ)

ПРОТИВОВСЕС (РЕБРО ЖЕСТКОСТИ)

1Артикул: 6809064, PLATE
2Артикул: 1CM1630, BOLT
3Артикул: 25E26, WASHER
Подробнее >
ПРАВОСТОРОННЯЯ КРЫШКА

ПРАВОСТОРОННЯЯ КРЫШКА

1Артикул: 6563128, SPRING
2Артикул: 6563914, WASHER
3Артикул: 6649244, BALL STUD
Подробнее >
КАБИНА ВОДИТЕЛЯ (ДВЕРНОЕ СТЕКЛО - 1 ШТ.) (СЕРИЙНЫЙ НОМЕР (325) 234113143 И НИЖЕ, (328) 234213158 И НИЖЕ)

КАБИНА ВОДИТЕЛЯ (ДВЕРНОЕ СТЕКЛО - 1 ШТ.) (СЕРИЙНЫЙ НОМЕР (325) 234113143 И НИЖЕ, (328) 234213158 И НИЖЕ)

1Артикул: DOOR, DOOR See BTIE-078 - NLA - assy - Includes Ref. 2-11 - Was 6810944 - A
2Артикул: HANDLE,, HANDLE, DOOR CAB See BTIE-089 - Was 6679885 - A
3Артикул: KEY, KEY NLA - includes two keys W/ring - Order 6693241 - Was 6709527 - A
Подробнее >