+7 (701) 588 50 05 Телефон для связи
RU

WhatsApp

Позвонить

РАМА в Алматы

СИДЕНИЕ (ПОДВЕСКА - СПУСКИ)

СИДЕНИЕ (ПОДВЕСКА - СПУСКИ)

1Артикул: 6675595, SEAT vinyl - LH recliner lever
2Артикул: 6675596, SEAT fabric - LH recliner lever
3Артикул: 6676338, GAS SPRING
Подробнее >
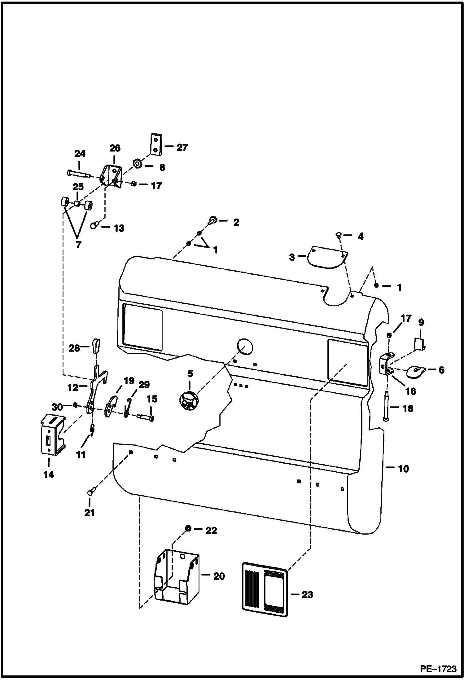
КАБИНА ОПЕРАТОРА

КАБИНА ОПЕРАТОРА

1Артикул: 6675387, EXTRUSION bulk - sold per foot
2Артикул: 6554149, CORD, BULK/FT bulk - sold per foot
3Артикул: 91G416, SCREW Use W/Ref. 4 (NLA/ 6674741 knob)
Подробнее >
ЗАДНЯЯ ДВЕРЬ

ЗАДНЯЯ ДВЕРЬ

1Артикул: 61D5, NUT
2Артикул: 6733616, BUMPER
3Артикул: 6714509, COVER exhaust
Подробнее >
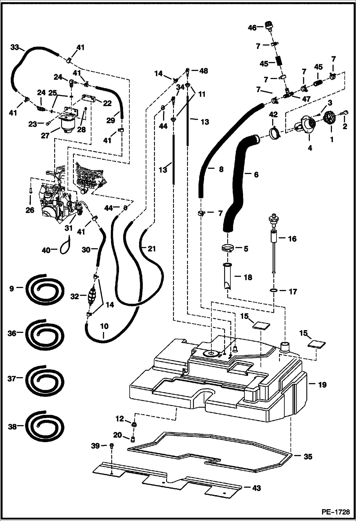
ТОПЛИВНАЯ СИСТЕМА

ТОПЛИВНАЯ СИСТЕМА

1Артикул: 6661114, CAP, DIESEL 1 PSI green fuel fill
2Артикул: 6661696, CAP, FUEL LOCKING locking - W/Ref. 2 - Code PK510
3Артикул: 6587458, KEY Code PK510
Подробнее >
СИДЕНИЕ И ОПОРА СИДЕНЬЯ

СИДЕНИЕ И ОПОРА СИДЕНЬЯ

1Артикул: SEAT, SEAT See Illustration SEAT/ B25136
2Артикул: 6691714, SENSOR, SEATBAR BICS Was 6680429 - A
3Артикул: 6674894, NUT
Подробнее >
BOB-TACH

BOB-TACH

1Артикул: 6729029, BOB-TACH Ref. 2-23 - Also Order 6561383 decal
2Артикул: 17C660, BOLT
3Артикул: FRAME, FRAME NLA
Подробнее >
ПОДЪЕМНЫЕ РУКОЯТИ И BOBTACH

ПОДЪЕМНЫЕ РУКОЯТИ И BOBTACH

1Артикул: 6726966, LINK FRAME H-Frame
2Артикул: 10H25, FITTING, GREASE 5 straight
3Артикул: 15H15, GREASE ZERK 65 degree
Подробнее >
ПАНЕЛИ (С МНОГОРЕЖИМНЫМ ДЖОЙСТИКОМ УПРАВЛЕНИЯ)

ПАНЕЛИ (С МНОГОРЕЖИМНЫМ ДЖОЙСТИКОМ УПРАВЛЕНИЯ)

1Артикул: 6734521, PANEL
2Артикул: 7101804, PANEL Was 6734602 - A
3Артикул: 7106707, SHIELD Also Order 6734520 cover - Was 6729899 - A
Подробнее >