+7 (701) 588 50 05 Телефон для связи
RU

WhatsApp

Позвонить

Продажа: РАМА в Алматы и Астане Цены официального дилера с доставкой по всему Казахстану

Официальный дилер Все запчасти в наличии Лизинг / Рассрочка Сервис и гарантия
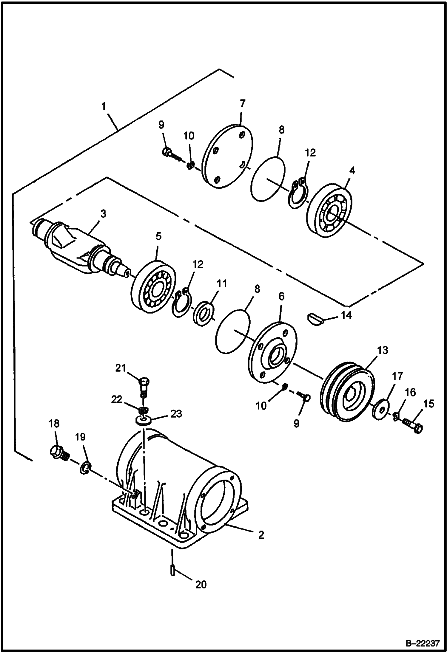
Спецтехника КОМПЛЕКТ ДЛЯ ВИБРАЦИОННОГО УПЛОТНЕНИЯ от Globus Machinery

КОМПЛЕКТ ДЛЯ ВИБРАЦИОННОГО УПЛОТНЕНИЯ

1Артикул: VIB, VIB ...
2Артикул: SHAFT, SH...
3Артикул: IR5983048...
Подробнее >
Спецтехника ПРИЦЕП В СБОРЕ (КОМПЛЕКТ ИНСТРУМЕНТОВ И ПРЕДУПРЕЖДАЮЩИЕ ТАБЛИЧКИ) от Globus Machinery

ПРИЦЕП В СБОРЕ (КОМПЛЕКТ ИНСТРУМЕНТОВ И ПРЕДУПРЕЖДАЮЩИЕ ТАБЛИЧКИ)

1Артикул: IR5998492...
2Артикул: IR5883604...
3Артикул: IR5984370...
Подробнее >
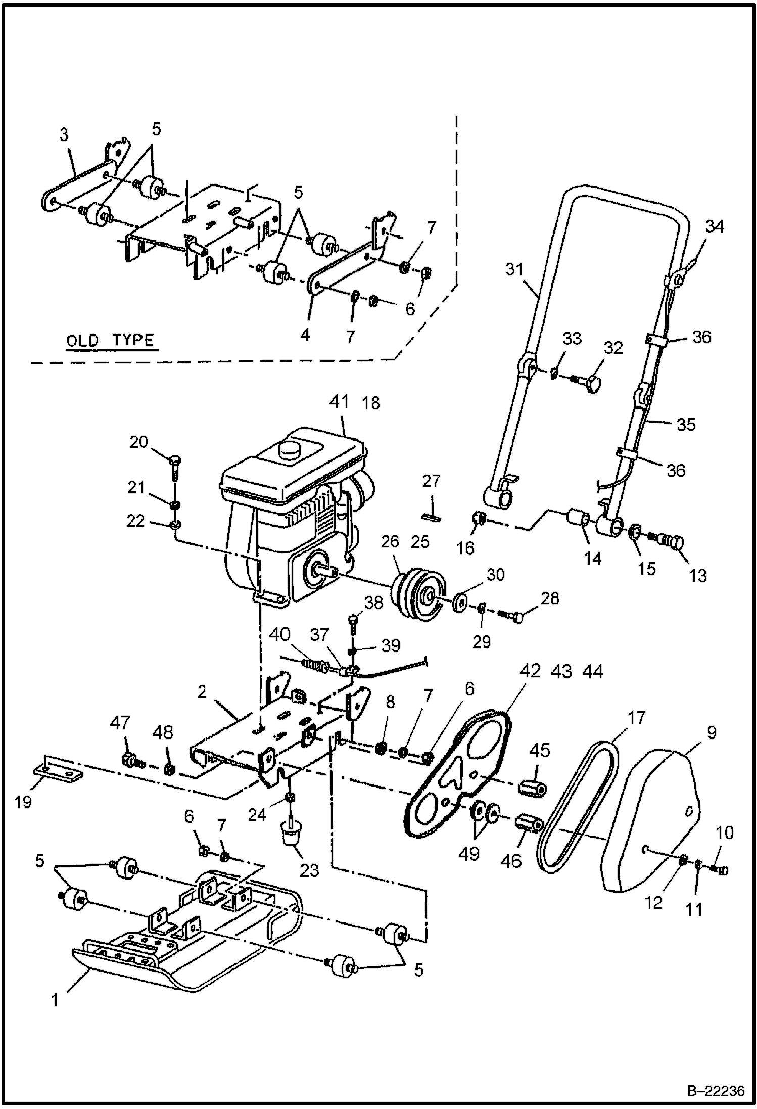
Спецтехника РАМА ШАССИ (ВИБРАЦИЯ, ДВИГАТЕЛЬ И УСТРОЙСТВА УПРАВЛЕНИЯ) от Globus Machinery

РАМА ШАССИ (ВИБРАЦИЯ, ДВИГАТЕЛЬ И УСТРОЙСТВА УПРАВЛЕНИЯ)

1Артикул: IR5883604...
2Артикул: IR5883784...
3Артикул: IR5883783...
Подробнее >
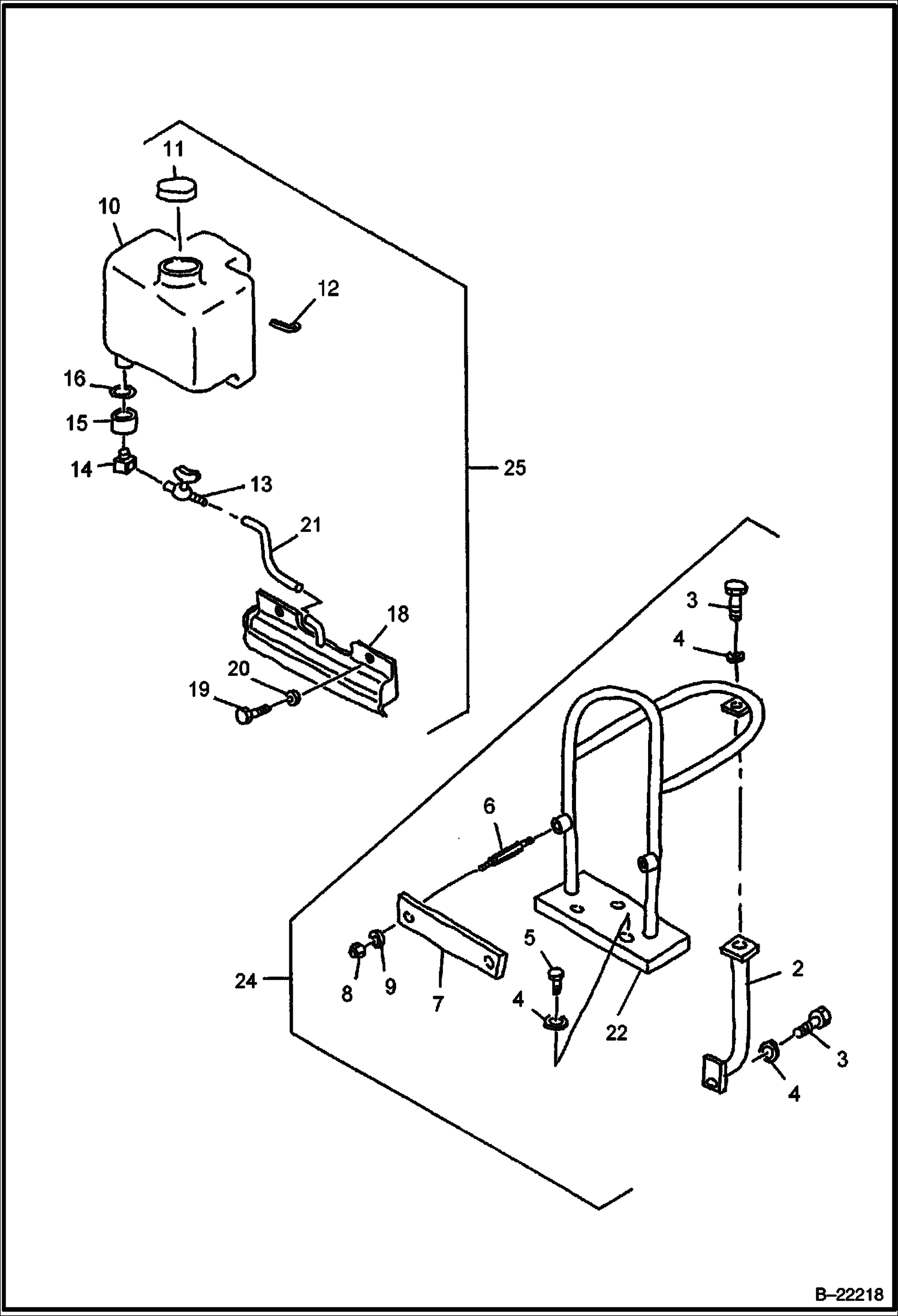
Спецтехника БАК ДЛЯ ВОДЫ (СТАРАЯ ВЕРСИЯ) (СЕРИЙНЫЙ НОМЕР AB1032 И НИЖЕ) от Globus Machinery

БАК ДЛЯ ВОДЫ (СТАРАЯ ВЕРСИЯ) (СЕРИЙНЫЙ НОМЕР AB1032 И НИЖЕ)

1Артикул: IR5983135...
2Артикул: IR5983068...
3Артикул: SPRING, S...
Подробнее >
Спецтехника ЗАЩИТНОЕ ОГРАЖДЕНИЕ, ПРЕДОТВРАЩАЮЩЕЕ ВЫПАДЕНИЕ ВОДИТЕЛЯ В СЛУЧАЕ ОПРОКИДЫВАНИЯ ВИЛОЧНОГО ПОГРУЗЧИКА И БАК ДЛЯ ВОДЫ (СЕРИЙНЫЙ НОМЕР AB1033 И ВЫШЕ) от Globus Machinery

ЗАЩИТНОЕ ОГРАЖДЕНИЕ, ПРЕДОТВРАЩАЮЩЕЕ ВЫПАДЕНИЕ ВОДИТЕЛЯ В СЛУЧАЕ ОПРОКИДЫВАНИЯ ВИЛОЧНОГО ПОГРУЗЧИКА И БАК ДЛЯ ВОДЫ (СЕРИЙНЫЙ НОМЕР AB1033 И ВЫШЕ)

1Артикул: IR5883609...
2Артикул: IR5883616...
3Артикул: IR5995253...
Подробнее >