+7 (701) 588 50 05 Телефон для связи
RU

WhatsApp

Позвонить

РАМА в Алматы

BOB-TACH

BOB-TACH

1Артикул: 7128962, BOB-TACH Ref. 2-25
2Артикул: 619021, WASHER, 5
3Артикул: 6578253, SPRING, COMPRESSION
Подробнее >
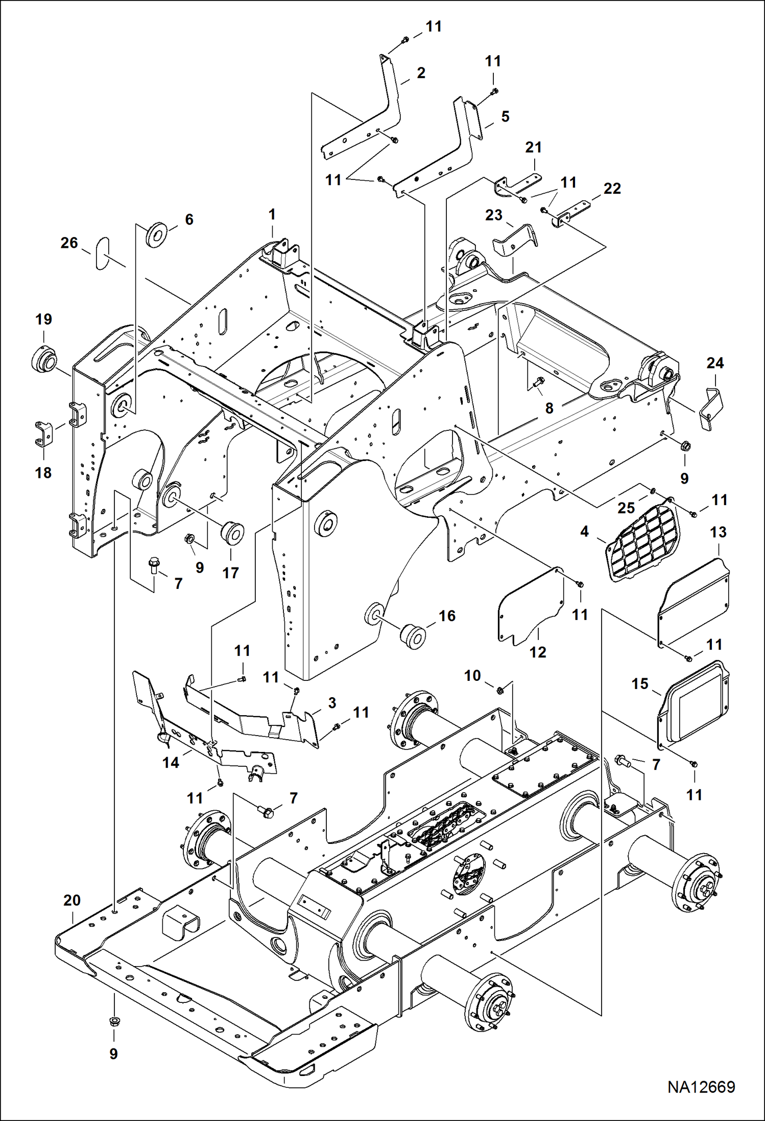
РАМА ШАССИ (СЕРИЙНЫЙ НОМЕР A3NV11001 - A3NV25654, A3NW11001 - A3NW13930)

РАМА ШАССИ (СЕРИЙНЫЙ НОМЕР A3NV11001 - A3NV25654, A3NW11001 - A3NW13930)

1Артикул: 7187123, MAIN FRAME
2Артикул: 7190083, MAIN FRAME
3Артикул: 7211867, MAIN FRAME
Подробнее >
ОПОРА СИДЕНЬЯ (МНОГОРЕЖИМНЫЙ ДЖОЙСТИК УПРАВЛЕНИЯ)

ОПОРА СИДЕНЬЯ (МНОГОРЕЖИМНЫЙ ДЖОЙСТИК УПРАВЛЕНИЯ)

1Артикул: 7203389, SEAT BAR SJC - Was 7153408 - A
2Артикул: 6680441, BUSHING
3Артикул: 6715865, BUSHING
Подробнее >
КАБИНА ВОДИТЕЛЯ (ВНУТРЕННЕЕ ОБОРУДОВАНИЕ КАБИНЫ) (DELUXE)

КАБИНА ВОДИТЕЛЯ (ВНУТРЕННЕЕ ОБОРУДОВАНИЕ КАБИНЫ) (DELUXE)

1Артикул: 7155792, PANEL, LH
2Артикул: 7223412, PANEL, DASH Was 7155788 - A
3Артикул: 7155791, PANEL, RH
Подробнее >
ОПОРА СИДЕНЬЯ (РУКОВОДСТВО ПОЛЬЗОВАНИЯ УСТРОЙСТВОМ УПРАВЛЕНИЯ)

ОПОРА СИДЕНЬЯ (РУКОВОДСТВО ПОЛЬЗОВАНИЯ УСТРОЙСТВОМ УПРАВЛЕНИЯ)

1Артикул: 7143971, SEATBAR
2Артикул: 6680441, BUSHING
3Артикул: 6691714, SENSOR, SEATBAR BICS
Подробнее >
КАБИНА ВОДИТЕЛЯ (ГАЗОВАЯ ПРУЖИНА)

КАБИНА ВОДИТЕЛЯ (ГАЗОВАЯ ПРУЖИНА)

1Артикул: CAB,, CAB, ASSY See Illustration OPERATOR CAB/ NA6011
2Артикул: 7163988, SEAL, WINDOW REAR
3Артикул: 7150152, LATCH, WINDOW RIGHT
Подробнее >
КАБИНА ОПЕРАТОРА (ВНУТРЕННЕЕ ОБОРУДОВАНИЕ КАБИНЫ) (DELUXE) (ОСНОВНОЕ ОБОРУДОВАНИЕ)

КАБИНА ОПЕРАТОРА (ВНУТРЕННЕЕ ОБОРУДОВАНИЕ КАБИНЫ) (DELUXE) (ОСНОВНОЕ ОБОРУДОВАНИЕ)

1Артикул: 7155798, HEADLINER, DLX
2Артикул: 6674895, RETAINER
3Артикул: 7142762, CLIP
Подробнее >
ПОДЪЕМНАЯ РУКОЯТЬ И BOB-TACH

ПОДЪЕМНАЯ РУКОЯТЬ И BOB-TACH

1Артикул: 7139845, LIFT ARM
2Артикул: LINK,, LINK, LIFT ARM ASSY See BTI408 NLA - Was 7139846 - A
3Артикул: LINK,, LINK, LIFT ARM H ASSY NLA - 9,6 mm (.380--) thick sidewalls - Was 7187124 - B
Подробнее >
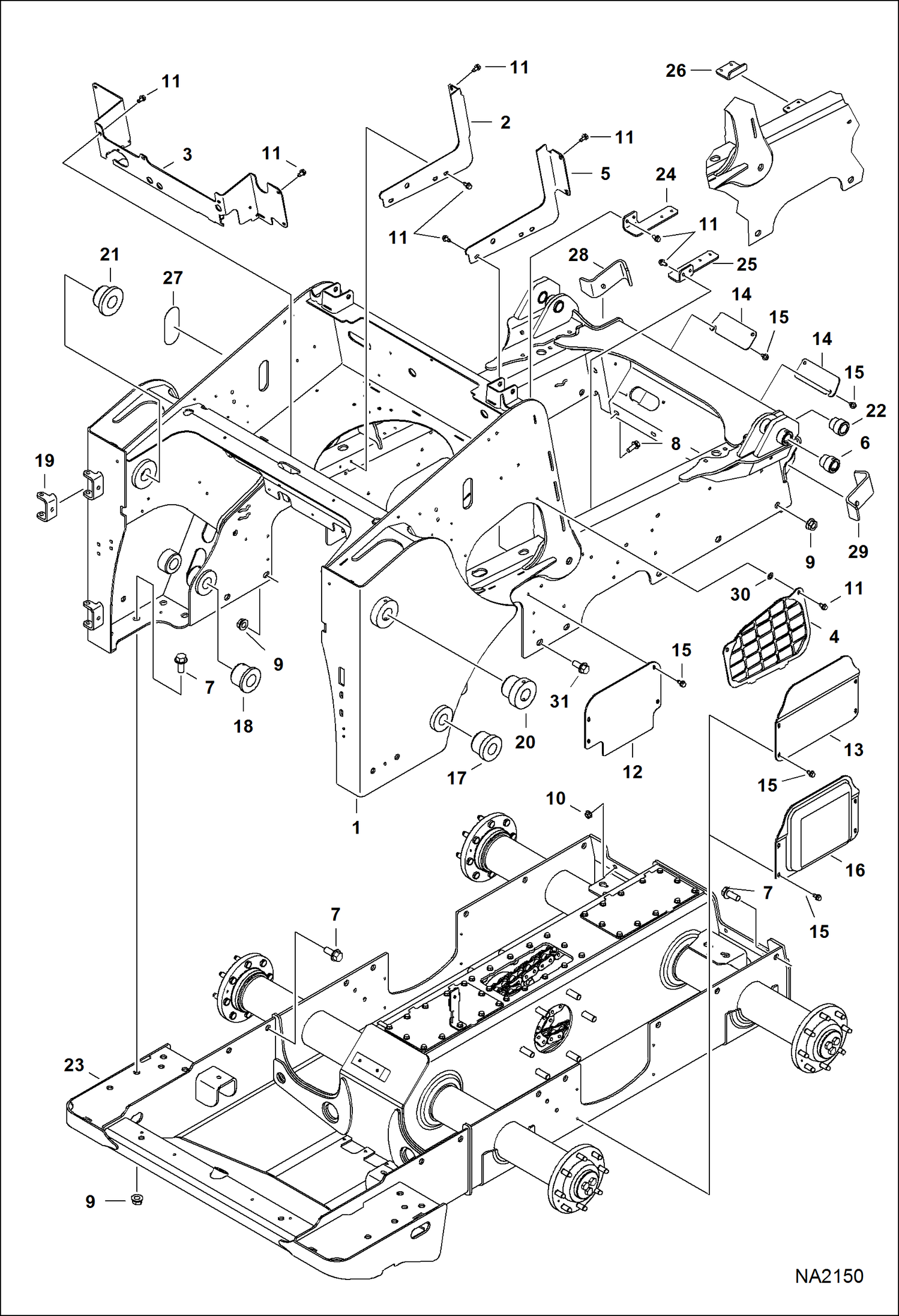
РАМА ШАССИ (СЕРИЙНЫЙ НОМЕР A3NV25655 И ВЫШЕ, A3NW13931 И ВЫШЕ)

РАМА ШАССИ (СЕРИЙНЫЙ НОМЕР A3NV25655 И ВЫШЕ, A3NW13931 И ВЫШЕ)

1Артикул: 7306105, FRAME MAIN
2Артикул: 7147354, PANEL
3Артикул: 7273558, PANEL
Подробнее >
ПАНЕЛИ (МЕТАЛЛИЧЕСКИЙ ПОЛ КУЗОВА) (МНОГОРЕЖИМНЫЙ ДЖОЙСТИК УПРАВЛЕНИЯ) (СЕРИЙНЫЙ НОМЕР A3NV11001 - A3NV13098, A3NW11001 - A3NW11248)

ПАНЕЛИ (МЕТАЛЛИЧЕСКИЙ ПОЛ КУЗОВА) (МНОГОРЕЖИМНЫЙ ДЖОЙСТИК УПРАВЛЕНИЯ) (СЕРИЙНЫЙ НОМЕР A3NV11001 - A3NV13098, A3NW11001 - A3NW11248)

1Артикул: 7285001, PANEL, RH Was 7180032 - A
2Артикул: 7166198, FOAM, PANEL
3Артикул: 7166199, FOAM, EDGE
Подробнее >
ЗАДНЯЯ ДВЕРЬ

ЗАДНЯЯ ДВЕРЬ

1Артикул: 6733575, HINGE, REAR DOOR weld-on
2Артикул: 6564452, GRIP
3Артикул: 6719766, STOP
Подробнее >
ПАНЕЛИ (МЕТАЛЛИЧЕСКИЙ ПОЛ КУЗОВА) (МНОГОРЕЖИМНЫЙ ДЖОЙСТИК УПРАВЛЕНИЯ) (СЕРИЙНЫЙ НОМЕР A3NV13099 И ВЫШЕ, A3NW11249 И ВЫШЕ)

ПАНЕЛИ (МЕТАЛЛИЧЕСКИЙ ПОЛ КУЗОВА) (МНОГОРЕЖИМНЫЙ ДЖОЙСТИК УПРАВЛЕНИЯ) (СЕРИЙНЫЙ НОМЕР A3NV13099 И ВЫШЕ, A3NW11249 И ВЫШЕ)

1Артикул: 7285001, PANEL, RH Was 7180032 - A
2Артикул: 7166198, FOAM, PANEL
3Артикул: 7166199, FOAM, EDGE
Подробнее >
КАБИНА ОПЕРАТОРА (ЗАМЕНА КАБИНЫ)

КАБИНА ОПЕРАТОРА (ЗАМЕНА КАБИНЫ)

1Артикул: CAB,, CAB, ASSY NLA - does not include cab decals - decals must be installed matching the loaders-s rated operating capacity, lift arm type & operation controls thus order decals separately - Order Ref. 3 - If loader is equipped W/metal housing heater Also Order 7128484 heater kit, 7203233 jumper & 7203234 jumper - Was 7116111 - A
2Артикул: CAB,, CAB, ASSY NLA - does not include cab decals - decals must be installed matching the loaders-s rated operating capacity, lift arm type & operation controls thus order decals separately - Order Ref. 3 - Was 7116111 - A
3Артикул: 7304592, ASSY CAB does not include cab decals - decals must be installed matching the loaders-s rated operating capacity, lift arm type & operation controls thus order decals separately - Was 7215840 - A
Подробнее >
КАБИНА ОПЕРАТОРА (ВНУТРЕННЕЕ ОБОРУДОВАНИЕ КАБИНЫ) (СТАНДАРТНАЯ)

КАБИНА ОПЕРАТОРА (ВНУТРЕННЕЕ ОБОРУДОВАНИЕ КАБИНЫ) (СТАНДАРТНАЯ)

1Артикул: 7155792, PANEL, LH
2Артикул: 7155791, PANEL, RH
3Артикул: 7223412, PANEL, DASH Was 7155788 - A
Подробнее >
СИДЕНЬЕ И РЕМЕНЬ БЕЗОПАСНОСТИ

СИДЕНЬЕ И РЕМЕНЬ БЕЗОПАСНОСТИ

1Артикул: SEAT, SEAT BELT See Illustration SEAT BELT - 2--/ NA2043A See Illustration SEAT BELT - 3--/ NA2043 See Illustration SEAT BELT KIT - 3--/ NA2123 See Illustration SEAT BELT - 2--/ NA2044 lap
2Артикул: 1C716, SCREW HEX CAP
3Артикул: 85D7, NUT
Подробнее >