РАМА в Алматы
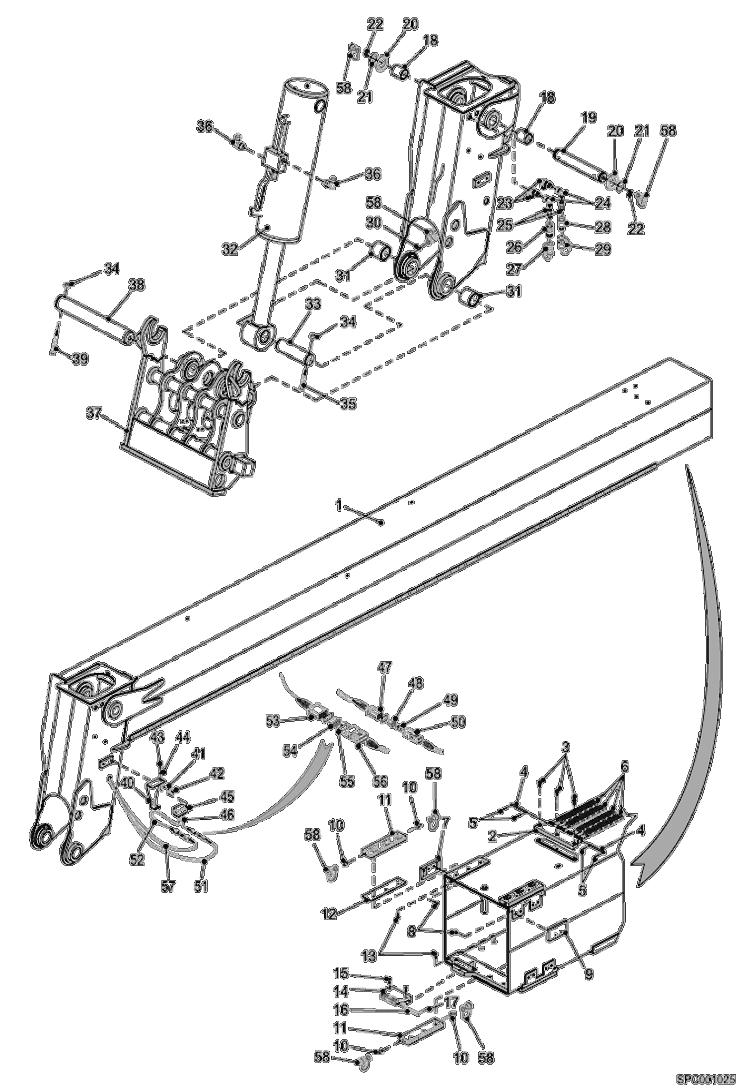
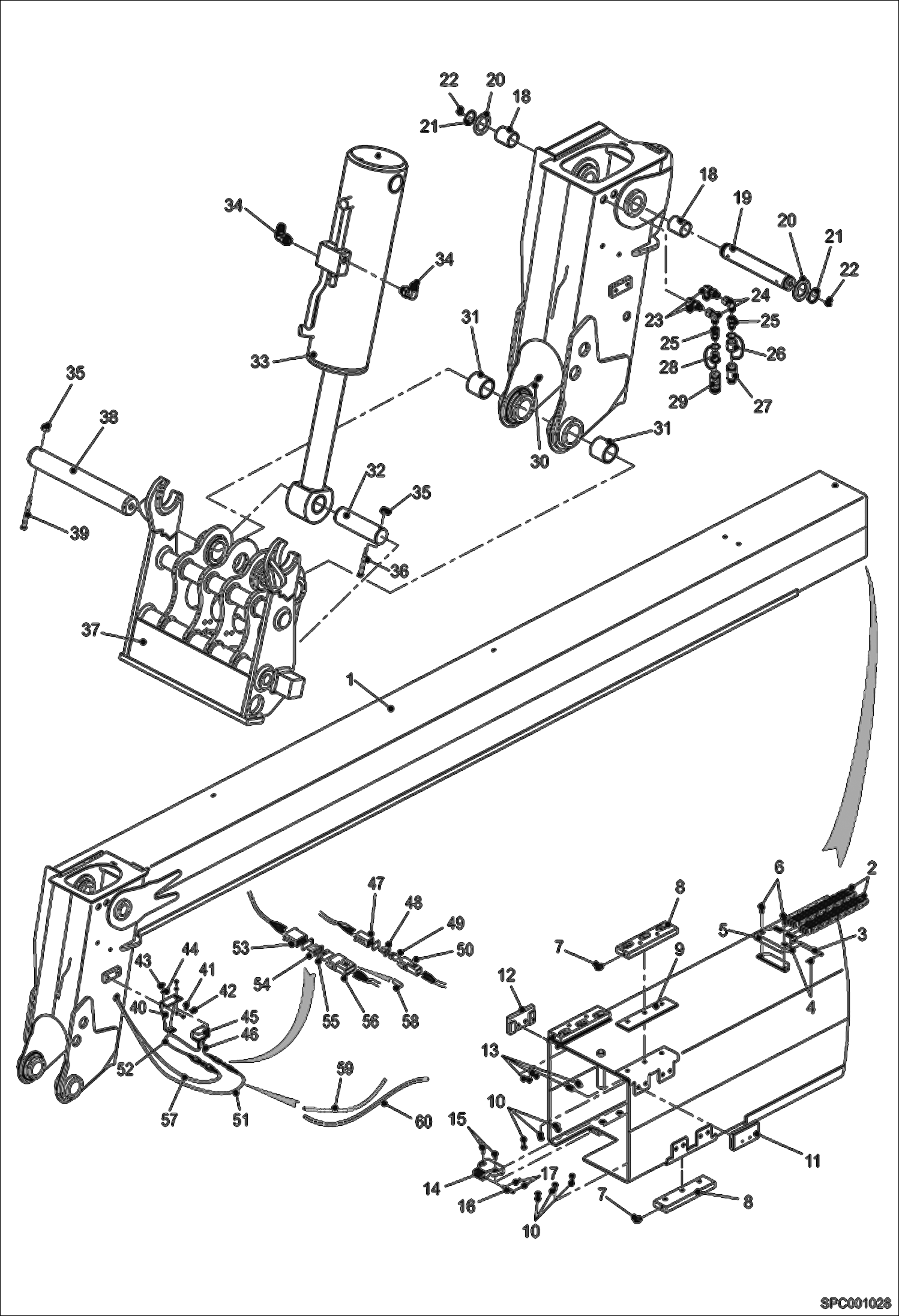
ВТОРАЯ ПРОМЕЖУТОЧНАЯ СТРЕЛА (СЕРИЙНЫЙ НОМЕР 363311001 - 363312000)
1Артикул: BOOM, BOOM See Illustration 2ND INTERMEDIATE BOOM/ NA10985 - NLA - Order 7211000 boom - Was 6915211 - A
2Артикул: INTERMEDIATE, INTERMEDIATE ARM NAP - Was 95490.9 - A
3Артикул: 7213337, HOLDER, CHAIN Was 95615.1 - A
ОГОЛОВОК СТРЕЛЫ В СБОРЕ (СЕРИЙНЫЙ НОМЕР 363211001 - 363212000)
1Артикул: 6935339, ARM, TELESCOPIC W/Ref. 18 & 31 - Was 95028.7 - A
2Артикул: 7213337, HOLDER, CHAIN Was 95615.1 - A
3Артикул: 7214544, SCREW Was 95502.1 - A
НЕПОДВИЖНАЯ СТРЕЛА В СБОРЕ
1Артикул: BOOM, BOOM See Illustration BOOM WORK LIGHT/ NA10898 - NLA - Order Ref. 37 - Also order 6933945 support, 6933968 harness, (2) of 1CM1035 bolt, (4) of 1EM100 washer, (13) of 6624289 strap & (12) of 7015668 mount if equipped with boom work light
2Артикул: 7213359, BEARING, SWING Was 77380.4 - A
3Артикул: 95091.5, Spindle
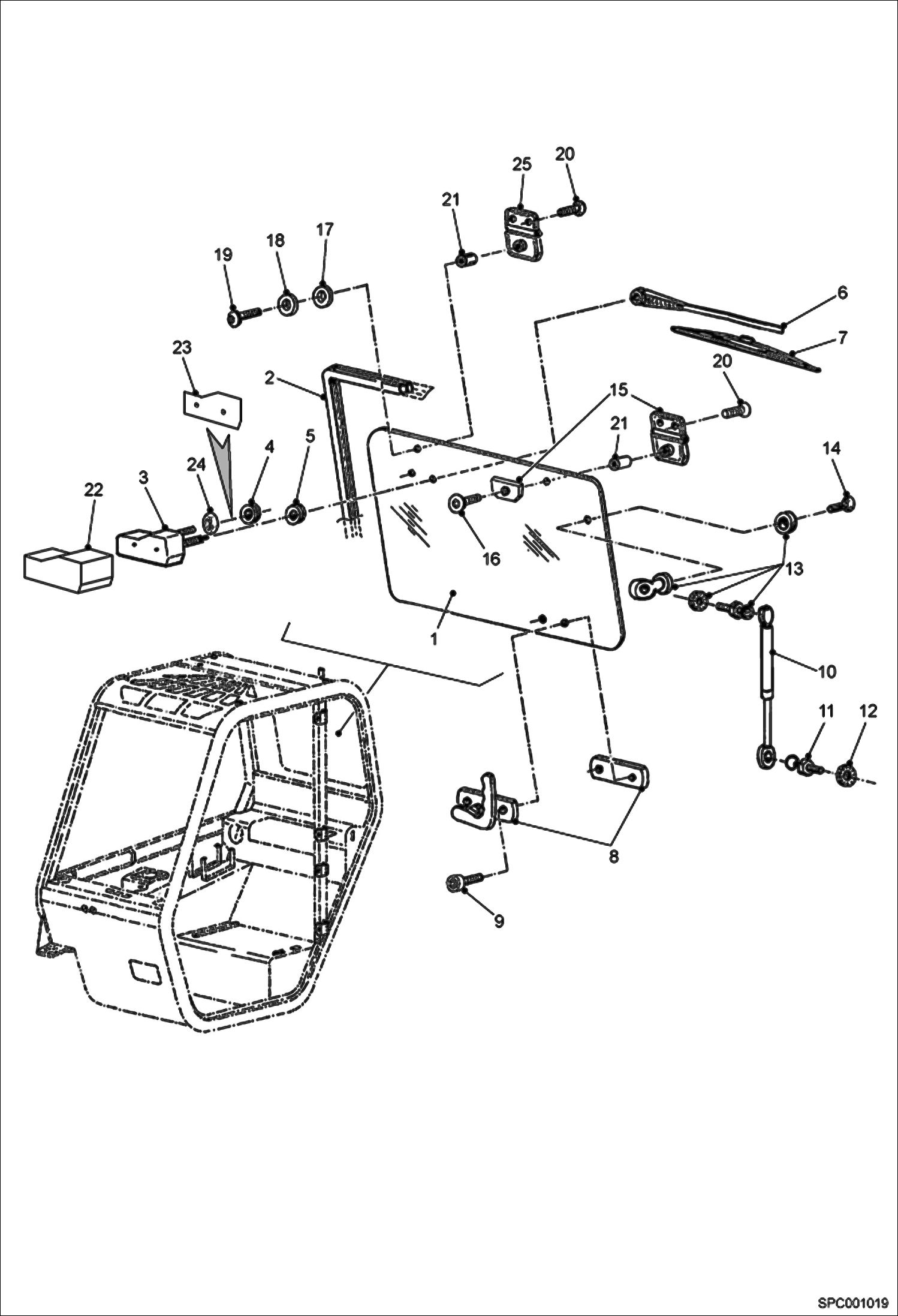
КОМПЛЕКТ ДЛЯ УСТАНОВКИ ЗАДНЕГО СТЕКЛА
1Артикул: 6908787, WINDOW PANE,REAR
2Артикул: 57796.5, Seal 2120 mm (83.46--) long - sold per foot
3Артикул: 6915534, MOTOR, REAR WIPER Was 6909922
НЕПОДВИЖНАЯ СТРЕЛА (ЗАМЕНА)
1Артикул: 7158437, BOOM Ref. 2-13
2Артикул: 7213345, BOOM W/A W/Ref. 14
3Артикул: 7214452, SPACER 1 mm (0,04--)
ДВЕРЦА В СБОРЕ
1Артикул: 6910733, DOOR, CAB UPPER W/Ref. 2-20 & 63 - W/O 6917353 - Was 6909925 - A
2Артикул: 6910735, UPPER DOOR WITH GLASS W/Ref. 3-4
3Артикул: 6910734, UPPER DOOR Was 6910509 - A
ПРОТИВОВЕС
1Артикул: 84239.3, R.H. ballast
2Артикул: 84238.5, L.H. ballast
3Артикул: 6908171, Cap
СЕКЦИЯ ДВИГАТЕЛЯ
1Артикул: 6914523, ENGINE BASKET Was 6911088 - A
2Артикул: 6908170, DOWEL
3Артикул: 000345-96E, NUT
ПРОМЕЖУТОЧНАЯ СТРЕЛА (ЗАМЕНА) (СЕРИЙНЫЙ НОМЕР 363211001 - 363212000)
1Артикул: 7219795, BOOM Ref. 2-13
2Артикул: 33GM1016, SCREW Was 7184546 - A
3Артикул: 7213602, BOOM WA
ПРОТИВОВСЕС (ФРОНТАЛЬНЫЕ) (СЕРИЙНЫЙ НОМЕР 363311001 - 363312000)
1Артикул: 6908547, Front ballast
2Артикул: 77492.7, Screw
3Артикул: 6909300, Washer
ВТОРАЯ ПРОМЕЖУТОЧНАЯ СТРЕЛА (ЗАМЕНА) (СЕРИЙНЫЙ НОМЕР 363311001 - 363312000)
1Артикул: 7211000, BOOM Ref. 2-13
2Артикул: 33GM1016, SCREW Was 7184546 - A
3Артикул: 7213896, BOOM WA
ИНСТРУКЦИЯ ПО УСТАНОВКЕ СТЕКЛООЧИСТИТЕЛЯ
1Артикул: 97196.0, Windshield spray reservoir W/Ref. 2
2Артикул: 6925355, CAP
3Артикул: 6910505, SCREW
КАБИНА ВОДИТЕЛЯ II
1Артикул: 6910908, FOAM STRIP
2Артикул: 000350-21R, WASHER
3Артикул: 6914788, SEAL
РЫЧАГ СТОЯНОЧНОГО ТОРМОЗА (СЕРИЙНЫЙ НОМЕР 363211173 - 363212000, 363311271 - 363312000)
1Артикул: 6915524, CONTROL, BRAKE HAND W/Ref. 2-4
2Артикул: 6912102, HAND BRAKE LEVER including screws
3Артикул: 6912103, VALVE including switch
КРЫШКА ДВИГАТЕЛЯ
1Артикул: 98769.3, Engine cover assy W/Ref. 1-2, 8-9 & 45
2Артикул: 6909609, LATCH - ENGINE COMPARTMENT
3Артикул: 13416.3, Washer
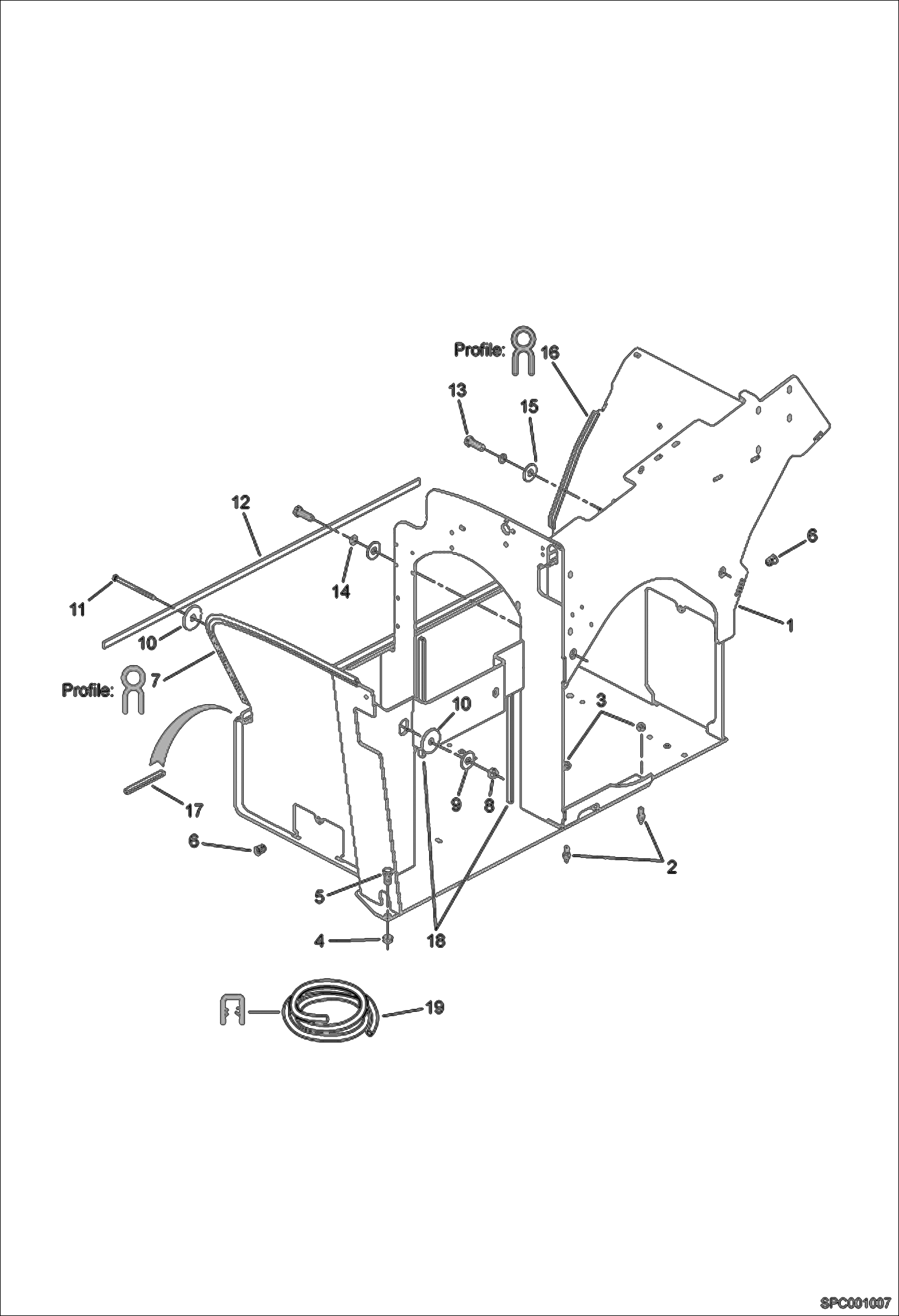
ЗВУКОВАЯ ИЗОЛЯЦИЯ ДВИГАТЕЛЯ
1Артикул: 6911753, Sponge plate
2Артикул: 6911760, Sponge plate
3Артикул: 6911761, Sponge plate
ПЕРЕКЛЮЧАТЕЛИ ПАНЕЛИ УПРАВЛЕНИЯ
1Артикул: 96080.7, L.H. control panel plate LH
2Артикул: 6914170, R.H. control panel plate RH
3Артикул: 6910505, SCREW
КАБИНА И ФИКСАЦИЯ (ФИКСАТОРЫ)
1Артикул: CAB, CAB
2Артикул: 78817.4, Rotating Beacon Light optional
3Артикул: 6925402, BULB
ОГОЛОВОК СТРЕЛЫ В СБОРЕ (СЕРИЙНЫЙ НОМЕР 363311001 - 363312000)
1Артикул: 6935340, ARM, TELESCOPIC W/Ref. 18 & 31 - Was 6916074 - A
2Артикул: 7213329, CHAIN Was 95532.8 - A
3Артикул: 7215019, PIN Was 95614.4 - A
ПРОМЕЖУТОЧНАЯ СТРЕЛА В СБОРЕ (СЕРИЙНЫЙ НОМЕР 363211001 - 363212000)
1Артикул: INTERMEDIATE, INTERMEDIATE ARM NAP - Was 95484.2 - B
2Артикул: BOOM, BOOM See Illustration INTERMEDIATE BOOM/ NA10983 - NLA - Order 7219795 boom - Was 7158438 - B,D
3Артикул: SPINDLE, SPINDLE See Illustration BOOM CHAIN PULLEY AXLES KIT/ SPC007027 NAP - Was 95570.8 - B
ПЕРВАЯ ПРОМЕЖУТОЧНАЯ СТРЕЛА (СЕРИЙНЫЙ НОМЕР 363311001 - 363312000)
1Артикул: INTERMEDIATE, INTERMEDIATE ARM NAP - Was 95484.2 - A
2Артикул: BOOM, BOOM See Illustration 1ST INTERMEDIATE BOOM/ NA10984 - NLA - Order 7158438 boom - Was 6935301 - A
3Артикул: 95541.9, Bush
КАБИНА ОПЕРАТОРА
1Артикул: 6963094, FRAME
2Артикул: 6908788, WINDOW PANE RH RH
3Артикул: 6908786, WINDOW, TOP ROOF
РЫЧАГ СТОЯНОЧНОГО ТОРМОЗА (СЕРИЙНЫЙ НОМЕР 363211001 - 363211172, 363311001 - 363311270)
1Артикул: LEVER, LEVER ASSY NAP - Order Ref. 2-4 - Was 6909330
2Артикул: 93233.5, Lever and grip
3Артикул: LEVER, LEVER BODY NAP - Was 93232.7
ПЕРВАЯ ПРОМЕЖУТОЧНАЯ СТРЕЛА (ЗАМЕНА) (СЕРИЙНЫЙ НОМЕР 363311001 - 363312000)
1Артикул: 7158438, BOOM Ref. 2-17
2Артикул: 33GM1016, SCREW Was 7184546 - A
3Артикул: 7213602, BOOM WA