+7 (701) 588 50 05 Телефон для связи
RU

WhatsApp

Позвонить

РАМА в Алматы

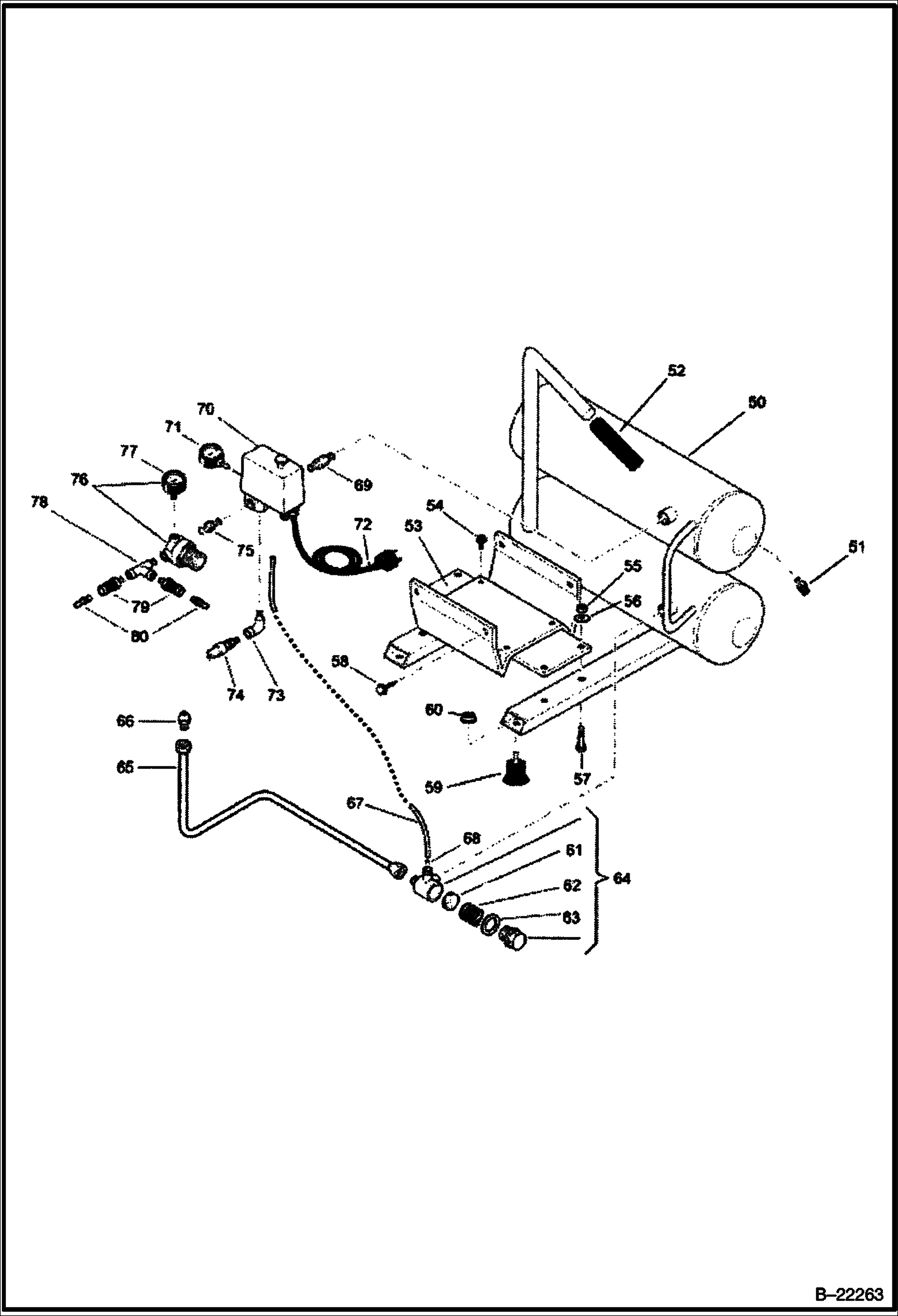
РАМА ШАССИ (БАЛЛОНЫ СО СЖАТЫМ ВОЗДУХОМ)

РАМА ШАССИ (БАЛЛОНЫ СО СЖАТЫМ ВОЗДУХОМ)

1Артикул: IR32337396, TANK
2Артикул: IR32337370, DRAIN
3Артикул: IR32337388, GRIP
Подробнее >
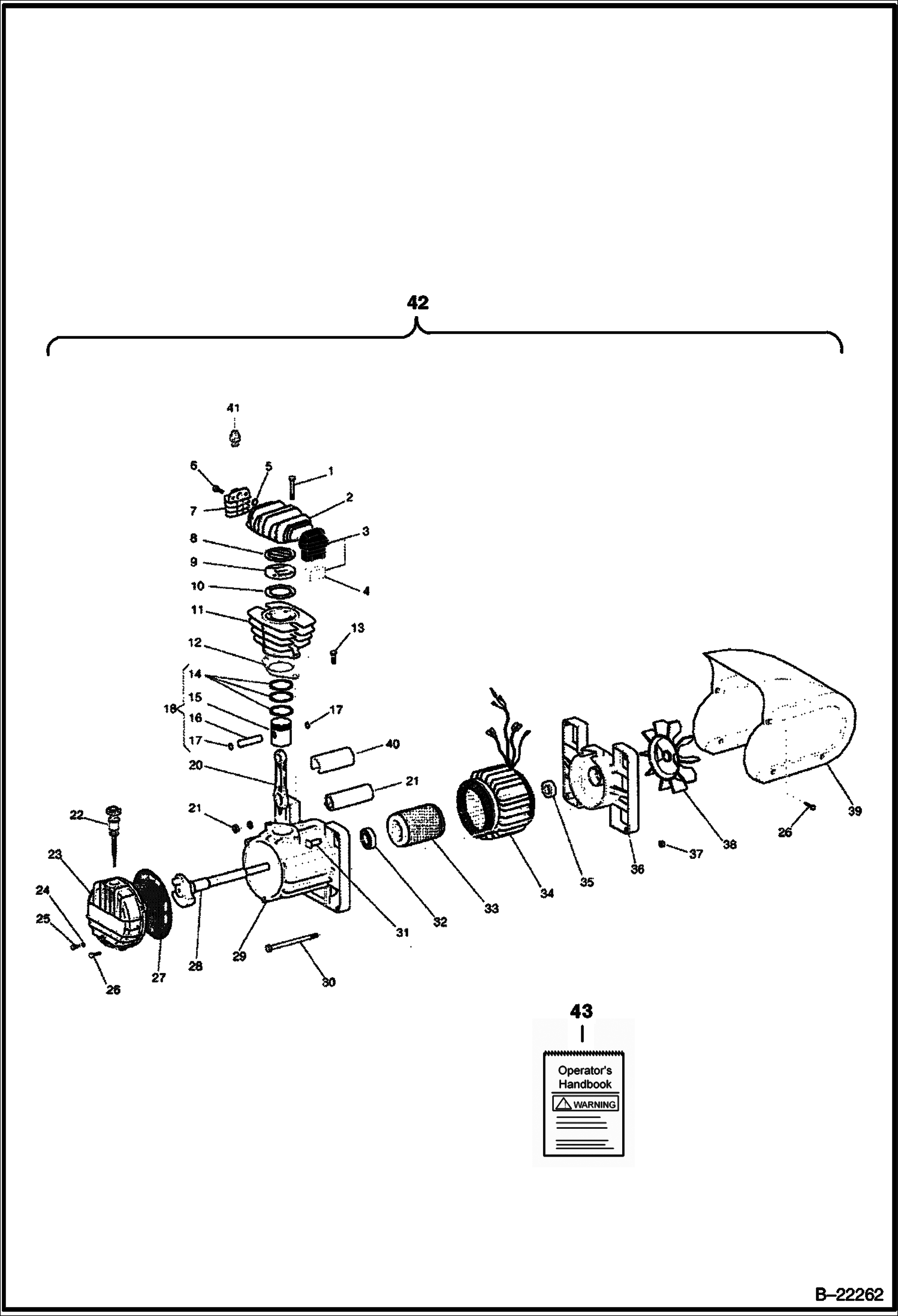
РАМА ШАССИ (КОМПРЕССОРНЫЙ НАСОС)

РАМА ШАССИ (КОМПРЕССОРНЫЙ НАСОС)

1Артикул: IR32336943, SCREW
2Артикул: IR32336968, HEAD
3Артикул: IR32336901, FILTER
Подробнее >