+7 (701) 588 50 05 Телефон для связи
RU

WhatsApp

Позвонить

РАМА в Алматы

РАБОЧЕЕ МЕСТО ВОДИТЕЛЯ И СИДЕНЬЕ

РАБОЧЕЕ МЕСТО ВОДИТЕЛЯ И СИДЕНЬЕ

1Артикул: 6674264, RETAINER NUT
2Артикул: 6675722, NUT
3Артикул: 6685657, SEAT, OPERATOR VINYL - EXCAVATOR See Illustration SEAT SUSPENSION/ PE2300
Подробнее >
СИДЕНЬЕ С ПОДВЕСКОЙ (ВИНИЛ)

СИДЕНЬЕ С ПОДВЕСКОЙ (ВИНИЛ)

1Артикул: 6685657, SEAT, OPERATOR VINYL - EXCAVATOR assy
2Артикул: 7010205, BASE, SEAT SUSPENSION assy - Was 6686151 - A
3Артикул: 7015583, SHOCK, SPRING W/bushings - Was 7015983
Подробнее >
КОРПУС КУЗОВА

КОРПУС КУЗОВА

1Артикул: 7122179, UPPERSTRUCTURE
2Артикул: 6676169, NUT
3Артикул: 6810133, GROMMET
Подробнее >
КАБИНА ОПЕРАТОРА (ДВЕРЦА)

КАБИНА ОПЕРАТОРА (ДВЕРЦА)

1Артикул: 7117231, DOOR, CAB ASSY Ref. 2-16
2Артикул: 6688997, DOOR HANDLE door
3Артикул: 6693241, KEY 10 ignition - single key W/O ring
Подробнее >
КАБИНА ОПЕРАТОРА (ОКНА И УПЛОТНЕНИЯ)

КАБИНА ОПЕРАТОРА (ОКНА И УПЛОТНЕНИЯ)

1Артикул: CAB, CAB W/A See Illustration CAB KIT/ PE3335 - NLA - Was 7134857
2Артикул: 6817530, WINDOW top - Use 6808882 adhesive, 7102268 primer, & 7110861 cleaner
3Артикул: 6816125, WINDOW rear - Use 6808882 adhesive, 7102268 primer, & 7110861 cleaner
Подробнее >
КАБИНА ОПЕРАТОРА (КРОНШТЕЙН, ЛОБОВОЕ ОКНО И ДВЕРЦА) (УСТАНОВЛЕННОЕ РАДИО)

КАБИНА ОПЕРАТОРА (КРОНШТЕЙН, ЛОБОВОЕ ОКНО И ДВЕРЦА) (УСТАНОВЛЕННОЕ РАДИО)

1Артикул: 6664554, PUMP, WIPER WASHER
2Артикул: 6666766, GROMMET
3Артикул: 6666767, NOZZLE
Подробнее >
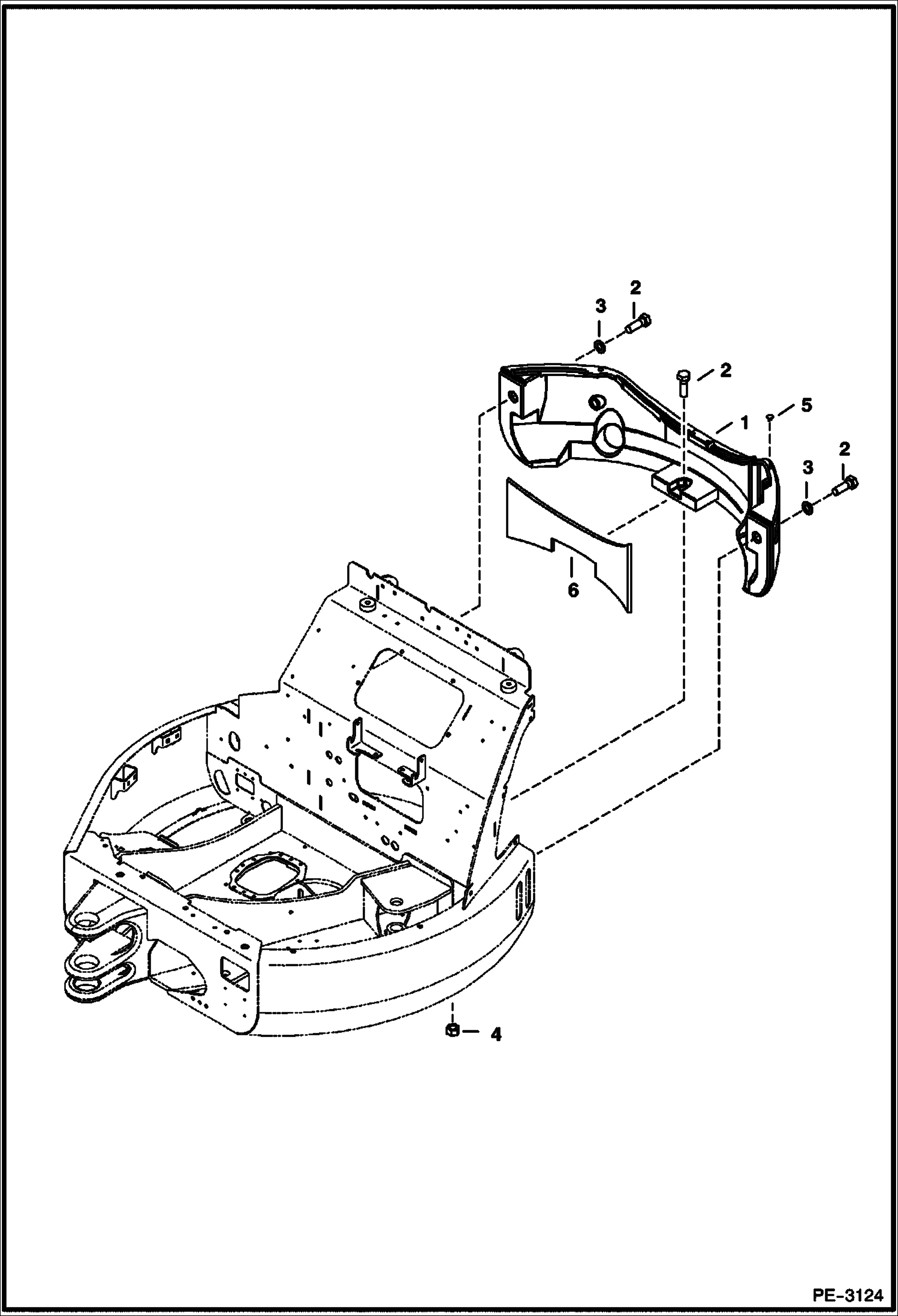
ПРОТИВОВЕС

ПРОТИВОВЕС

1Артикул: 7126662, COUNTERWEIGHT European 425 cab option only
2Артикул: 7123957, COUNTERWEIGHT
3Артикул: 1CM2470, BOLT
Подробнее >
НАВЕС НАД СИДЕНЬЕМ ВОДИТЕЛЯ

НАВЕС НАД СИДЕНЬЕМ ВОДИТЕЛЯ

1Артикул: CANOPY, CANOPY See Illustration CANOPY KIT/ PE3337 - NLA - Was 6818380 - A
2Артикул: 6680293, TREAD
3Артикул: 6684561, FLOORMAT
Подробнее >
ЗАМОК КОРПУСА КУЗОВА

ЗАМОК КОРПУСА КУЗОВА

1Артикул: 6567962, WASHER
2Артикул: 6567963, SPACER
3Артикул: 6630945, WASHER
Подробнее >
КАБИНА ОПЕРАТОРА (ПРАВАЯ СТОРОНА ОКОН И ИЗОЛЯЦИЯ)

КАБИНА ОПЕРАТОРА (ПРАВАЯ СТОРОНА ОКОН И ИЗОЛЯЦИЯ)

1Артикул: CAB, CAB W/A See Illustration CAB KIT/ PE3335 NLA - Was 7134857 - A
2Артикул: 1306637, CLIP
3Артикул: 6589347, STRAP
Подробнее >
ПРАВОСТОРОННЯЯ КРЫШКА

ПРАВОСТОРОННЯЯ КРЫШКА

1Артикул: 6655399, BUMPER
2Артикул: 6674264, RETAINER NUT
3Артикул: 6675859, RETAINER
Подробнее >
КАБИНА ОПЕРАТОРА (ПРАВОЕ ОКНО)

КАБИНА ОПЕРАТОРА (ПРАВОЕ ОКНО)

1Артикул: 7100571, WINDOW assy - W/Ref. 2-9
2Артикул: WINDOW, WINDOW NSS - top - Order Ref. 3
3Артикул: 6685774, FRAME includes Ref. 2
Подробнее >
ЗАДНЯЯ ДВЕРЬ

ЗАДНЯЯ ДВЕРЬ

1Артикул: 6513495, COTTER PIN
2Артикул: 6675859, RETAINER
3Артикул: 6690710, STRIKER BAR
Подробнее >
ИЗОЛЯЦИЯ

ИЗОЛЯЦИЯ

1Артикул: 6683172, CLIP plastic tree
2Артикул: 6814325, SEAL
3Артикул: SEAL, SEAL NLA - 41-- (1042 mm) long - Order Ref. 36
Подробнее >
КАБИНА ОПЕРАТОРА (ЛОБОВОЕ СТЕКЛО)

КАБИНА ОПЕРАТОРА (ЛОБОВОЕ СТЕКЛО)

1Артикул: WINDOW,, WINDOW, FRONT ASMBLY NLA - Order components - Was 6812705 - A
2Артикул: 6610082, SPRING
3Артикул: 6664085, BUSHING
Подробнее >