+7 (701) 588 50 05 Телефон для связи
RU

WhatsApp

Позвонить

РАМА в Алматы

ПАНЕЛИ

ПАНЕЛИ

1Артикул: 6598805, PLUG
2Артикул: 84G3716, SCREW 5
3Артикул: 6564674, SHIELD Also Order Ref. 1
Подробнее >
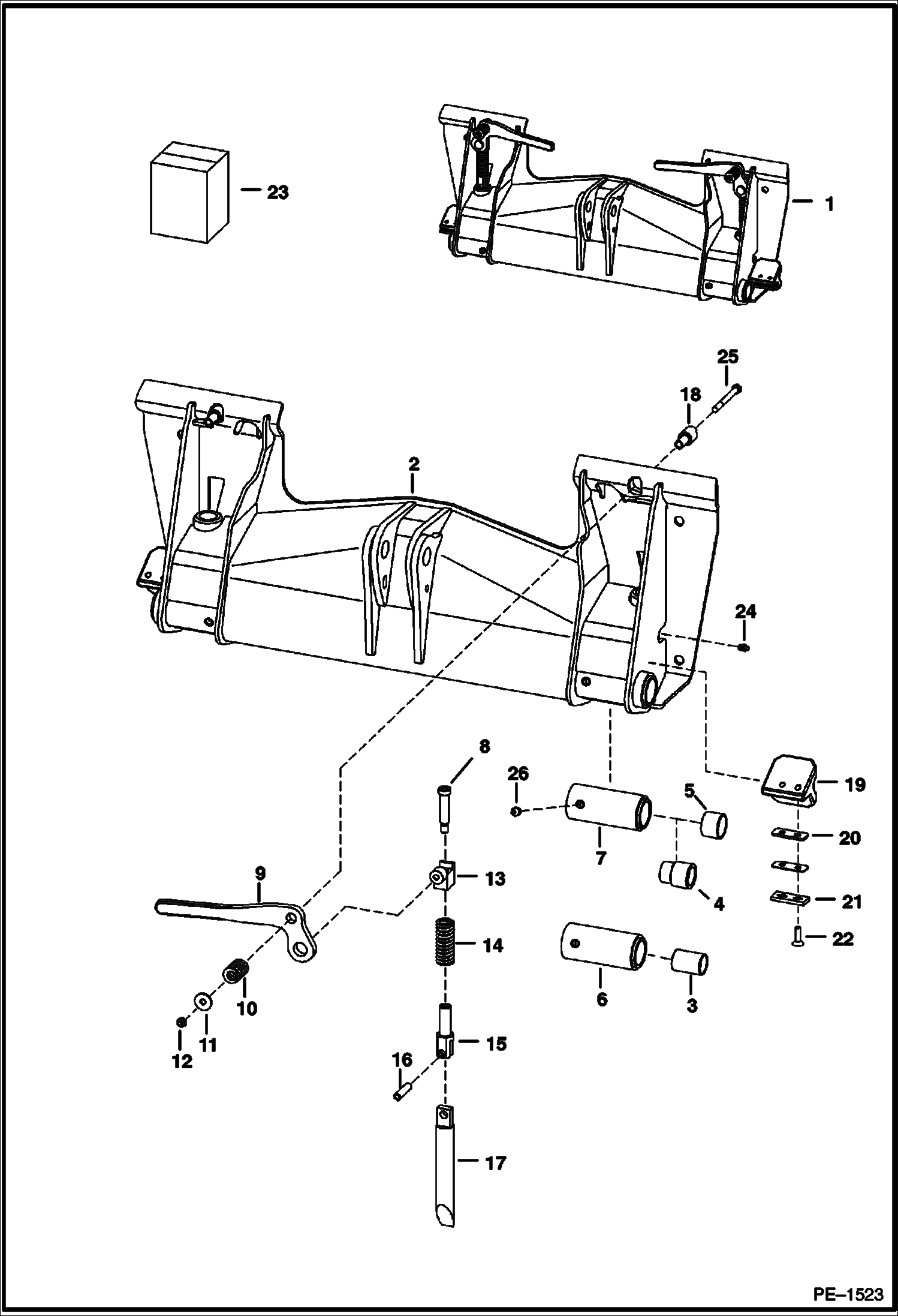
BOB-TACH

BOB-TACH

1Артикул: BOB-TACH, BOB-TACH NLA - for 31,8 mm (1.25--) dia lift arm pin - W/Ref. 6 (NLA/ 6577445 bushing) - 57,15 mm (2.25--) OD weld-on bushings - Order 6709215 Bob-Tach & (2) of Ref. 4 - Also Order 6561383 decal - Was 6571744 - A
2Артикул: BOB-TACH, BOB-TACH NLA - for 31,8 mm (1.25--) dia lift arm pin - W/Ref. 7 - 63,5 mm (2.50--) OD weld-on bushings - Order 6709215 Bob-Tach & (2) of Ref. 4 - Remove Ref. 5 from Bob-Tach & replace W/Ref. 4 - Also Order 6561383 decal - Was 6571744 - A
3Артикул: BOB-TACH, BOB-TACH NLA - for 38,1 mm (1.50--) dia lift arm pin - W/Ref. 5 & 7 - 63,5 mm (2.50--) OD weld-on bushings - Order 6709215 Bob-Tach - Also Order 6561383 decal - Was 6571744 - A
Подробнее >
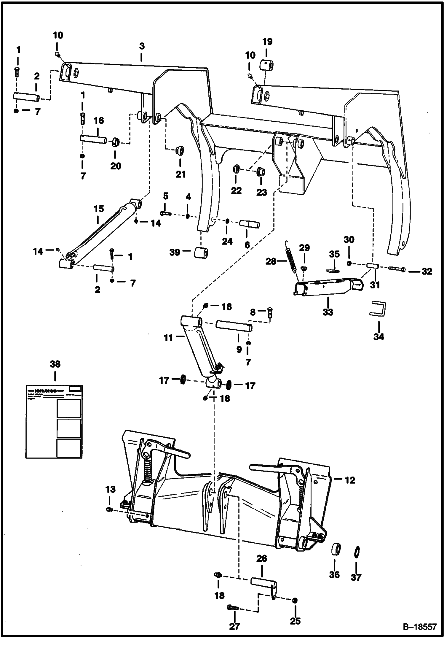
ПОДЪЕМНЫЕ РУКОЯТИ И BOBTACH

ПОДЪЕМНЫЕ РУКОЯТИ И BOBTACH

1Артикул: 17C640, BOLT
2Артикул: 6547595, PIN
3Артикул: 6703953, LIFT ARM
Подробнее >
ТОПЛИВНАЯ СИСТЕМА

ТОПЛИВНАЯ СИСТЕМА

1Артикул: 6560117, WIRE
2Артикул: 742876, GROMMET
3Артикул: SEAL, SEAL NLA - 3-- (76 mm) - Order Ref. 47
Подробнее >
СИДЕНИЕ И ОПОРА СИДЕНЬЯ

СИДЕНИЕ И ОПОРА СИДЕНЬЯ

1Артикул: SEAT, SEAT See Illustration SUSPENSION SEAT/ D1897
2Артикул: SEAT, SEAT BELT NLA - Order 6713061 - Was 6564774 - A
3Артикул: SEAT, SEAT BELT NLA - Order 6675074 seat belt & (2) of Ref. 3 (6725373 spring plates) - Was 6667875 - A
Подробнее >
ЗАДНЯЯ ДВЕРЬ

ЗАДНЯЯ ДВЕРЬ

1Артикул: 6704328, REAR DOOR
2Артикул: 85D5, NUT 5
3Артикул: 6563681, HANDLE
Подробнее >
СИДЕНИЕ С ПОДВЕСКОЙ (MILSCO)

СИДЕНИЕ С ПОДВЕСКОЙ (MILSCO)

1Артикул: SEAT, SEAT NLA - Ref. 2-28 - Order 6674019 - Was 6647432 - A
2Артикул: 6650226, SEAT CUSHION W/Ref. 3
3Артикул: 6650231, CLIP
Подробнее >
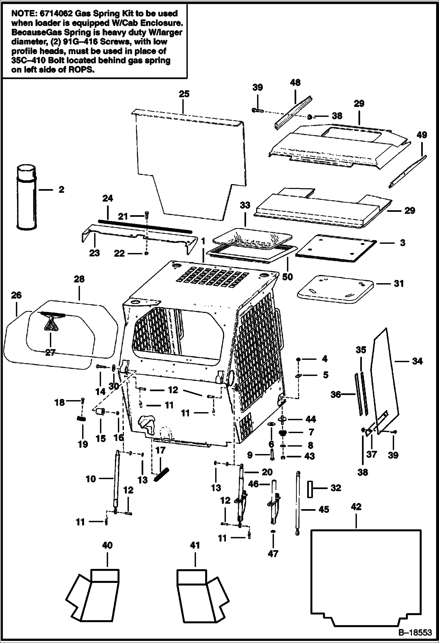
КАБИНА ОПЕРАТОРА

КАБИНА ОПЕРАТОРА

1Артикул: 6569249, OPERATOR CAB See BTI245 Includes Decals
2Артикул: 6632469, ADHESIVE insulation - 24 oz. spray can
3Артикул: 6577273, INSULATION under seat pan
Подробнее >