+7 (701) 588 50 05 Телефон для связи
RU

WhatsApp

Позвонить

РАМА в Алматы

ПЕРЕДНЕЕ ШАССИ

ПЕРЕДНЕЕ ШАССИ

1Артикул: 6451001001, FRONT CHASSIS
2Артикул: 6337502011, COVER
3Артикул: 1945707009, NUT
Подробнее >
ПРАВАЯ ДВЕРЦА КАБИНЫ

ПРАВАЯ ДВЕРЦА КАБИНЫ

1Артикул: 5388665139, SEAL
2Артикул: 5388665140, SEAL
3Артикул: 5388665443, DOOR HANDLE
Подробнее >
ЗАДНЕЕ ШАССИ, БРЫЗГОВИК

ЗАДНЕЕ ШАССИ, БРЫЗГОВИК

1Артикул: 6451005001, REAR CHASSIS CPL.
2Артикул: 0454006026, TRAILER COUPLING
3Артикул: 1008707136, BOLT
Подробнее >
ИНСТРУМЕНТЫ

ИНСТРУМЕНТЫ

1Артикул: 6461438000, TOOLS Ref. 2-4
2Артикул: 1858000050, GREASE GUN
3Артикул: 1858000051, GREASE CARTRIDGE
Подробнее >
ЛЕВАЯ ДВЕРЦА КАБИНЫ

ЛЕВАЯ ДВЕРЦА КАБИНЫ

1Артикул: 5388662163, CLIP
2Артикул: 5388665142, LEVER
3Артикул: 5388665440, NUT
Подробнее >
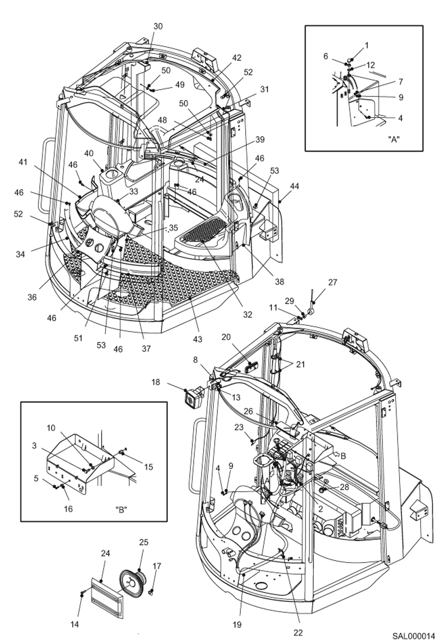
ОБОРУДОВАНИЕ КАБИНЫ 1

ОБОРУДОВАНИЕ КАБИНЫ 1

1Артикул: 5388665460, MIRROR
2Артикул: 5388665324, SAFETY-WALK
3Артикул: 5388665461, COVER
Подробнее >
ТОПЛИВНЫЙ БАК

ТОПЛИВНЫЙ БАК

1Артикул: 5267010034, FUEL TANK
2Артикул: 0157514025, PLUG
3Артикул: 5430583070, BLEEDING VALVE
Подробнее >
СИДЕНЬЕ С ПОДВЕСКОЙ - MSG 95

СИДЕНЬЕ С ПОДВЕСКОЙ - MSG 95

1Артикул: 5305670045, LEVEL CONTROL Includes Ref. 2 + 3 + 15 + 20 + 25 + 45 + 51 + 57
2Артикул: - -, NAME PLATE
3Артикул: - -, NAME PLATE
Подробнее >
ОБОРУДОВАНИЕ КАБИНЫ 2

ОБОРУДОВАНИЕ КАБИНЫ 2

1Артикул: 5388665500, NUT
2Артикул: 5388662850, SEAL
3Артикул: 5388665173, BOLT
Подробнее >
КОНДИЦИОНЕР

КОНДИЦИОНЕР

1Артикул: AIR, AIR CONDITIONER NLA - Order 5388665602 air conditioner - Was 5388665399 - A
2Артикул: 5388665542, HOSE
3Артикул: 5388665543, HOSE
Подробнее >
ШАРНИРНОЕ СОЕДИНЕНИЕ

ШАРНИРНОЕ СОЕДИНЕНИЕ

1Артикул: 0336006202, PIN
2Артикул: 1045707425, BOLT
3Артикул: 1212251013, NUT
Подробнее >
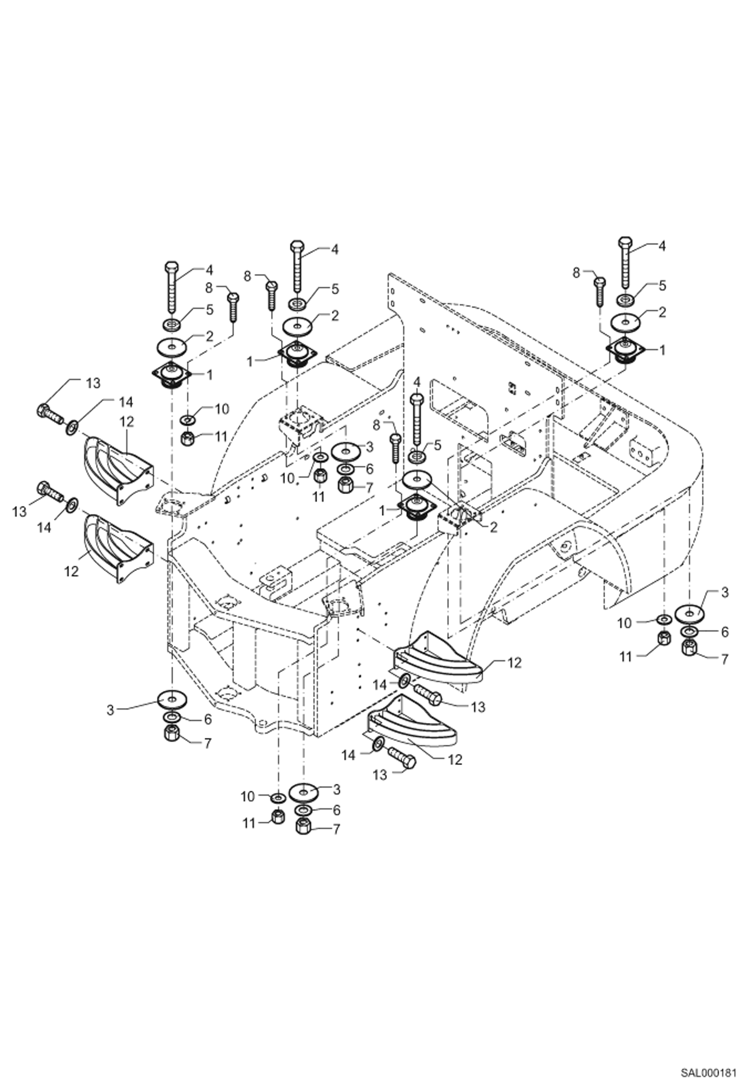
ПОДНОЖКИ, КРЫШКА, АМОРТИЗИРУЮЩАЯ ОПОРА РАМЫ ПОЛА

ПОДНОЖКИ, КРЫШКА, АМОРТИЗИРУЮЩАЯ ОПОРА РАМЫ ПОЛА

1Артикул: 5153656320, RUBBER BASE
2Артикул: 5153656311, SHIM
3Артикул: 5153656312, SHIM
Подробнее >
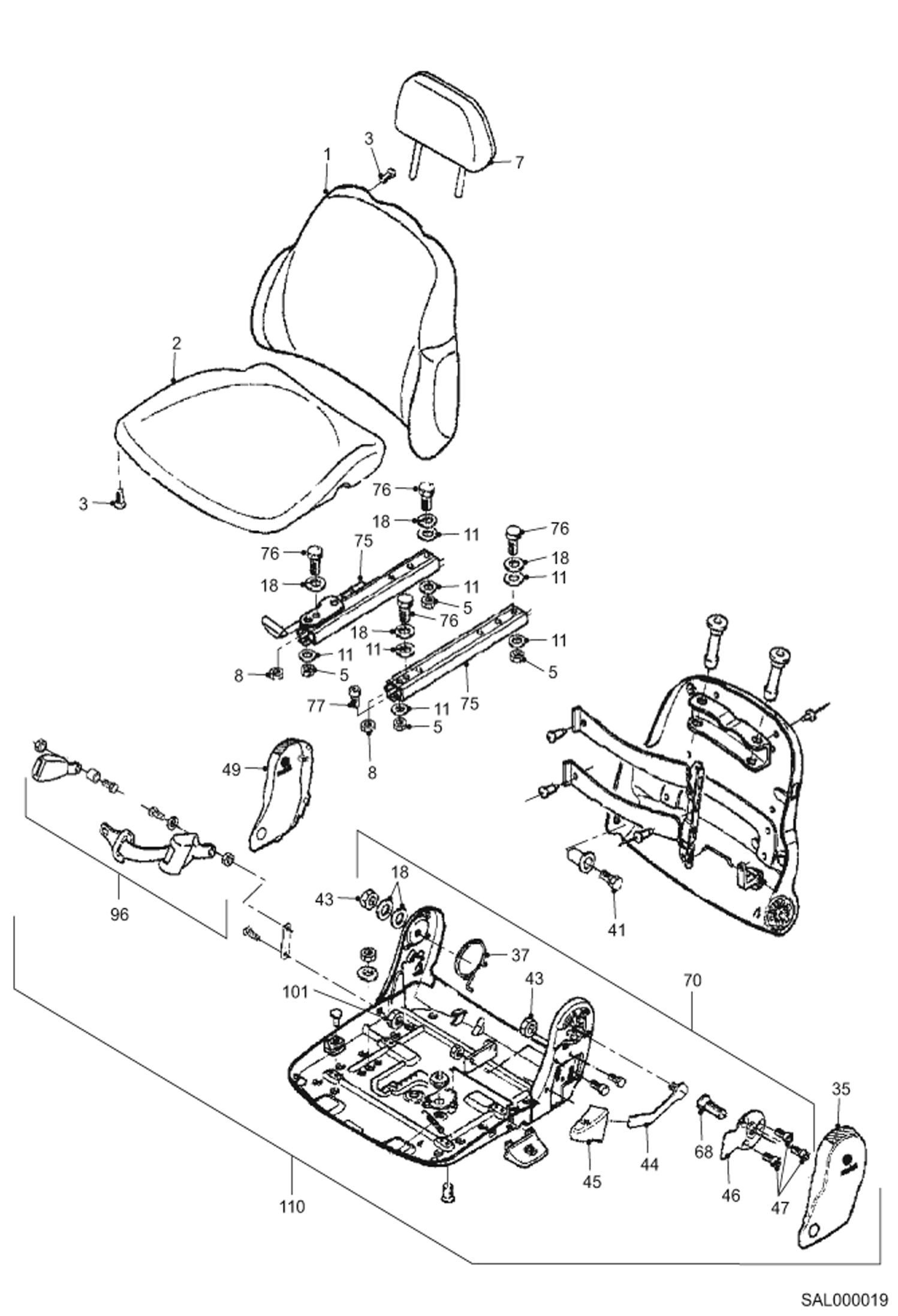
СИДЕНЬЕ С ПОЯСНИЧНЫМ ПОДПОРОМ - MSG 95

СИДЕНЬЕ С ПОЯСНИЧНЫМ ПОДПОРОМ - MSG 95

1Артикул: 5305661764, OPERATOR-S SEAT See Illustration SEAT SUSPENSION - MSG 95/ SAL000022 Includes Ref. 2 to 128
2Артикул: 5305670236, CUSHION, SEAT
3Артикул: 1008707909, BOLT
Подробнее >
СИДЕНИЕ

СИДЕНИЕ

1Артикул: 5305670235, CUSHION, BACK OF SEAT
2Артикул: 5305670236, CUSHION, SEAT
3Артикул: 5305670026, BOLT
Подробнее >
КАБИНА-ОБОГРЕВ

КАБИНА-ОБОГРЕВ

1Артикул: 5388665471, CABLE BINDER
2Артикул: 5388665786, HEATER Was 5388665554 - A
3Артикул: 5388665473, NOZZLE
Подробнее >
ПОГРУЗОЧНОЕ ОБОРУДОВАНИЕ

ПОГРУЗОЧНОЕ ОБОРУДОВАНИЕ

1Артикул: 6336021004, PIN
2Артикул: 0156029033, SPACER
3Артикул: 1343707061, WASHER
Подробнее >
СИДЕНЬЕ - ПОДВЕСКА

СИДЕНЬЕ - ПОДВЕСКА

1Артикул: 5305670115, COVER
2Артикул: 5305670196, SEAT PAN Includes Ref. 5 + 12 + 13
3Артикул: 5305670197, BELLOW
Подробнее >
НАКЛЕЙКИ

НАКЛЕЙКИ

1Артикул: - - -, NAME PLATE
2Артикул: 1940000739, RIVET
14Артикул: 5358660001, MARKING PLATE
Подробнее >
КРЫШКА ДВИГАТЕЛЯ

КРЫШКА ДВИГАТЕЛЯ

1Артикул: 5529020088, ENGINE COVER
2Артикул: 0463519259, BRACKET
3Артикул: 1069907019, BOLT
Подробнее >
БЛОК РУЛЕВОГО УПРАВЛЕНИЯ С УСИЛЕНИЕМ В СБОРЕ

БЛОК РУЛЕВОГО УПРАВЛЕНИЯ С УСИЛЕНИЕМ В СБОРЕ

1Артикул: 5551700010, STEERING WHEEL
2Артикул: 5551700012, STEERING WHEEL KNOB
3Артикул: 5551700011, COVER
Подробнее >
СТЕКЛА КАБИНЫ

СТЕКЛА КАБИНЫ

1Артикул: 5388665506, DISTANCE SLEEVE
2Артикул: 5388665507, DISTANCE SLEEVE
3Артикул: 5388665003, PANE
Подробнее >
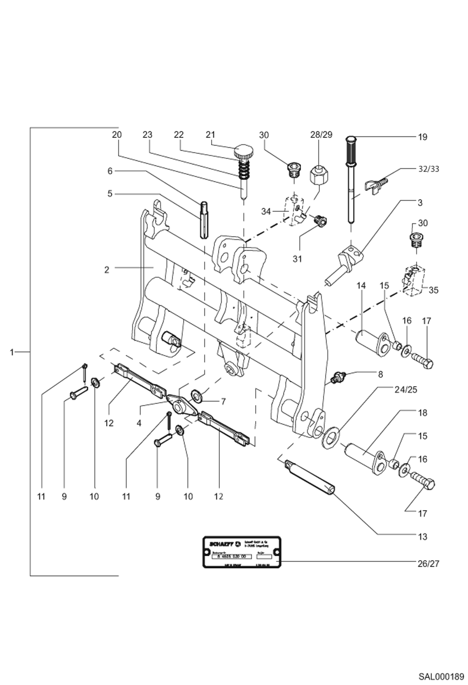
МЕХАНИЧЕСКАЯ БЫСТРОУСТАНАВЛИВАЕМАЯ СЦЕПКА

МЕХАНИЧЕСКАЯ БЫСТРОУСТАНАВЛИВАЕМАЯ СЦЕПКА

1Артикул: 6460603000, QUICK FIT DEVICE Includes Ref. 1 to 27
2Артикул: 6460603003, QUICK MOUNT HIT.FRAME
3Артикул: 6460603033, CONTROL LEVER
Подробнее >