+7 (701) 588 50 05 Телефон для связи
RU

WhatsApp

Позвонить

РАМА в Алматы

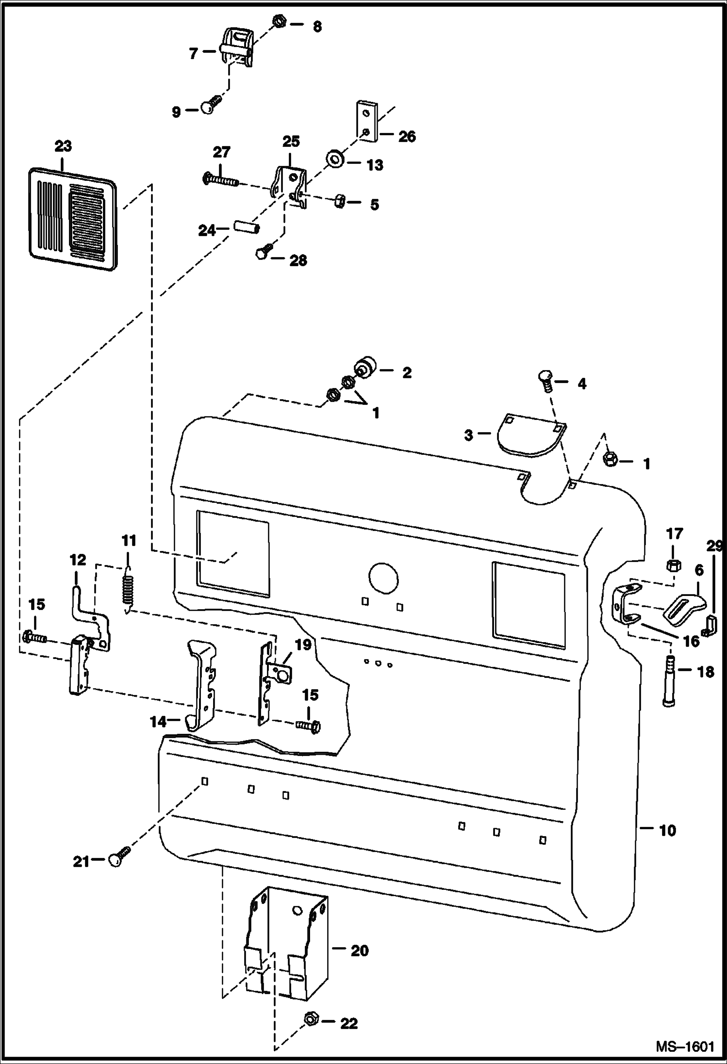
ЗАДНЯЯ ДВЕРЬ (СЕРИЙНЫЙ НОМЕР 514140001 ЧЕРЕЗ, 514240001 ЧЕРЕЗ, 5179 11001 ЧЕРЕЗ)

ЗАДНЯЯ ДВЕРЬ (СЕРИЙНЫЙ НОМЕР 514140001 ЧЕРЕЗ, 514240001 ЧЕРЕЗ, 5179 11001 ЧЕРЕЗ)

1Артикул: 61D5, NUT
2Артикул: 6655399, BUMPER Was 6714454 - B,D
3Артикул: 6714509, COVER exhaust
Подробнее >
ПОДЪЕМНЫЕ РУКОЯТИ И BOBTACH

ПОДЪЕМНЫЕ РУКОЯТИ И BOBTACH

1Артикул: FRAME, FRAME LINK NLA - H-Frame - Order 6727742 , also Order 6727748 (2) pin & 6728970 (4) spacer - Was 6718378 - A
2Артикул: 6727742, H-FRAME H-Frame
3Артикул: 10H25, FITTING, GREASE 5
Подробнее >
ТОПЛИВНАЯ СИСТЕМА

ТОПЛИВНАЯ СИСТЕМА

1Артикул: 6661114, CAP, DIESEL 1 PSI green fuel fill
2Артикул: 6661696, CAP, FUEL LOCKING locking - W/Ref. 2 - Code PK510
3Артикул: 6587458, KEY Code PK510
Подробнее >
СИДЕНИЕ И ОПОРА СИДЕНЬЯ

СИДЕНИЕ И ОПОРА СИДЕНЬЯ

1Артикул: SEAT, SEAT See Illustration SEAT/ B16411 See Illustration SEAT/ B14720
2Артикул: 6691714, SENSOR, SEATBAR BICS Was 6680429 - A
3Артикул: 6674894, NUT
Подробнее >
ПАНЕЛИ

ПАНЕЛИ

1Артикул: 6718187, PANEL
2Артикул: 6718188, PANEL
3Артикул: 6719132, PANEL
Подробнее >
СИДЕНИЕ (МИЧИГАН)

СИДЕНИЕ (МИЧИГАН)

1Артикул: 6669135, SEAT, OPERATOR VINYL See Illustration SEAT COVERS/ NA10386 W/Ref. 2-7
2Артикул: 6670160, CUSHION W/edging, clip & (2) grommets
3Артикул: EDGING, EDGING NSS
Подробнее >
КАБИНА ОПЕРАТОРА

КАБИНА ОПЕРАТОРА

1Артикул: OPERATOR, OPERATOR CAB NLA - Does not include cab decals - Order 6715844 cab, 7122338 cover, 6630207 rivet & (1) ft. of 6654139 moulding - Was 6719672 - B
2Артикул: 6675033, INSERT
3Артикул: SEAT, SEAT BAR See Illustration SEAT & SEAT BAR/ PE1969
Подробнее >
BOB-TACH

BOB-TACH

1Артикул: 6703666, BOB-TACH See Illustration DECALS/ B14391 - Ref. 2-22 - Also Order 6561383 decal
2Артикул: 17C660, BOLT in kit
3Артикул: FRAME, FRAME NLA
Подробнее >
ЗАДНЯЯ ДВЕРЬ (СЕРИЙНЫЙ НОМЕР 5141 И ВЫШЕ, 5142 И ВЫШЕ, 5179 И ВЫШЕ)

ЗАДНЯЯ ДВЕРЬ (СЕРИЙНЫЙ НОМЕР 5141 И ВЫШЕ, 5142 И ВЫШЕ, 5179 И ВЫШЕ)

1Артикул: 61D5, NUT
2Артикул: 6655399, BUMPER flat - Use W/Ref. 10 (NLA/rear door) - Was 6714454 - B,D
3Артикул: 6714509, COVER exhaust
Подробнее >