+7 (701) 588 50 05 Телефон для связи
RU

WhatsApp

Позвонить

РАМА в Алматы

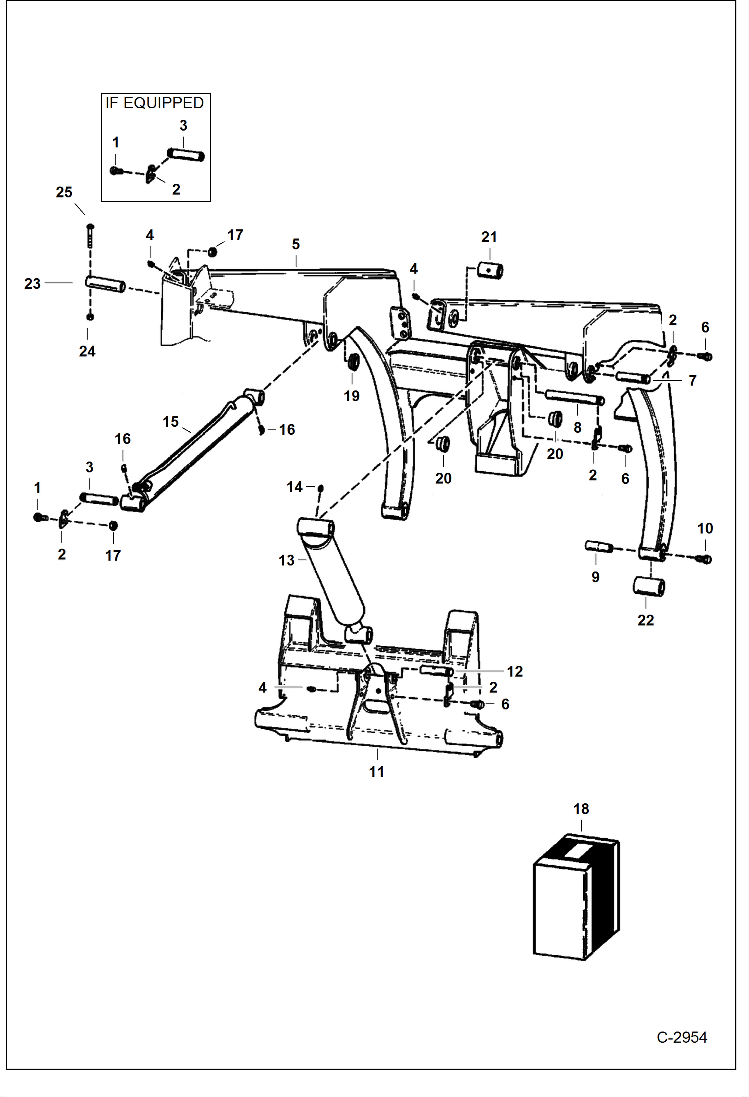
ПОДЪЕМНАЯ РУКОЯТЬ И BOB-TACH

ПОДЪЕМНАЯ РУКОЯТЬ И BOB-TACH

1Артикул: 10C512, BOLT Was 6553808 - A
2Артикул: 7252630, PIN, RETAINING Was 6586307 - A
3Артикул: PIN,, PIN, PIVOT NLA - 2 side grooves - Was 7251588 - A
Подробнее >
СИДЕНЬЕ И ОПОРА СИДЕНЬЯ (СЕРИЙНЫЙ НОМЕР 11949 И НИЖЕ)

СИДЕНЬЕ И ОПОРА СИДЕНЬЯ (СЕРИЙНЫЙ НОМЕР 11949 И НИЖЕ)

1Артикул: 6591598, SEAT
2Артикул: SEAT, SEAT BELT See Illustration SEAT & SEAT BAR/ B18011 NLA - WAS 6564774 - A
3Артикул: 6630207, RIVET 5 Was 6512797 - B
Подробнее >
BOB-TACH

BOB-TACH

1Артикул: 6529478, BOB-TACH See Illustration DECALS/ B18038 WAS SALES - ALSO ORDER 6565367 DECAL
2Артикул: FRAME, FRAME NLA
3Артикул: 38C810, BOLT Was 661846B - B
Подробнее >
СИДЕНЬЕ И ОПОРА СИДЕНЬЯ (СЕРИЙНЫЙ НОМЕР 11950 И ВЫШЕ)

СИДЕНЬЕ И ОПОРА СИДЕНЬЯ (СЕРИЙНЫЙ НОМЕР 11950 И ВЫШЕ)

1Артикул: 6591598, SEAT Milsco
2Артикул: SEAT, SEAT BELT NLA - Order 6725403 - Was 6564774 - A
3Артикул: SEAT, SEAT BELT NLA - Order 6725403 seat belt - Was 6667875 - A
Подробнее >
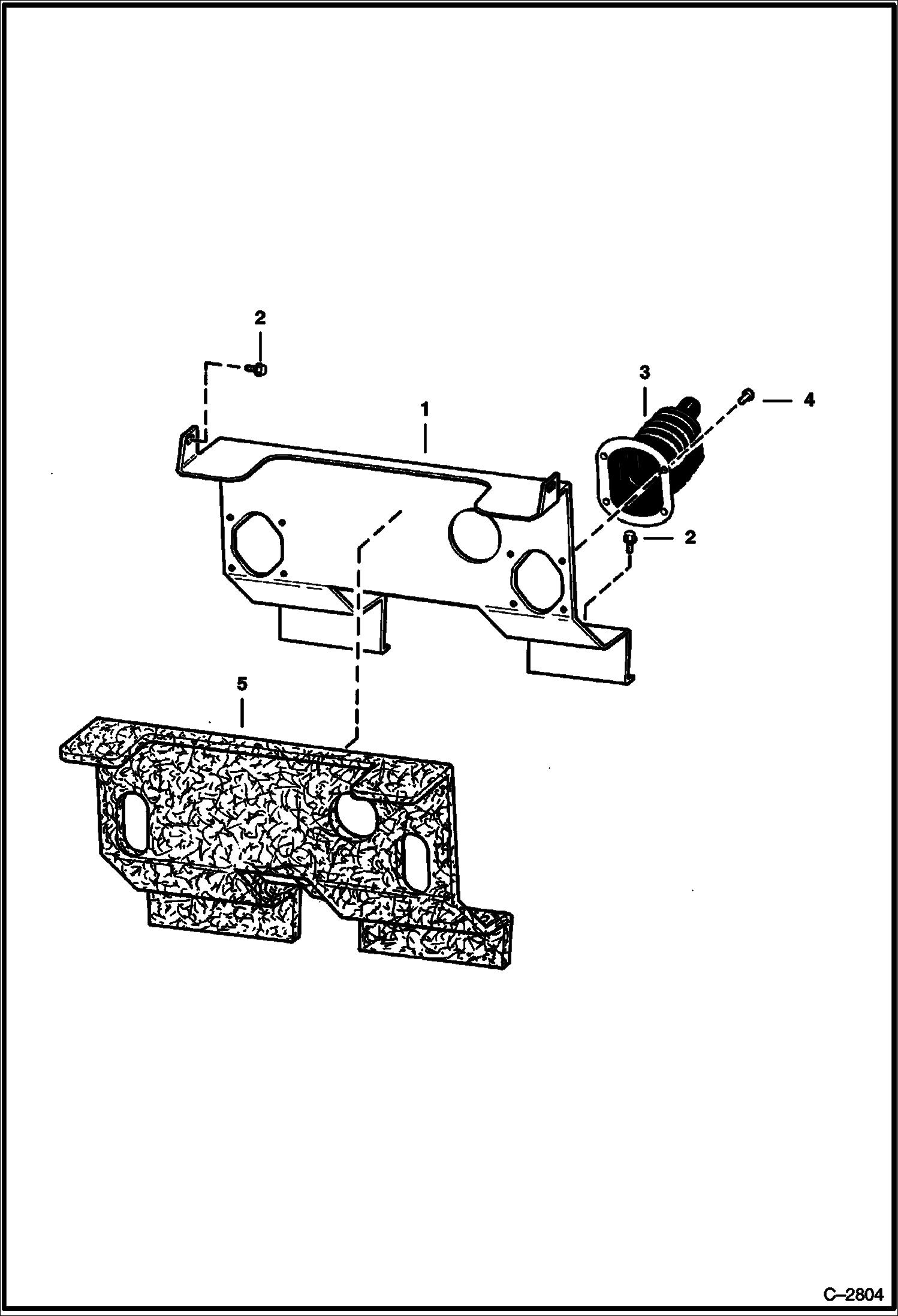
ПАНЕЛИ

ПАНЕЛИ

1Артикул: 6565328, SHIELD Was 6564879 - A
2Артикул: 84G3712, BOLT 5
3Артикул: 6532127, BOOT Was 6563540 - A
Подробнее >
ЗАДНЯЯ ДВЕРЬ

ЗАДНЯЯ ДВЕРЬ

1Артикул: 6564192, PIN
2Артикул: DOOR, DOOR NLA - Order 1- Ref. 2 - Ref. 12, 8-Ref. 8 & 13 - Was 6564865 - A
3Артикул: 6707894, DOOR
Подробнее >
КАБИНА ОПЕРАТОРА

КАБИНА ОПЕРАТОРА

1Артикул: CAB, CAB See BTI296 NLA
2Артикул: 6565199, INSULATION
3Артикул: 6563156, SLEEVE
Подробнее >
ТОПЛИВНАЯ СИСТЕМА

ТОПЛИВНАЯ СИСТЕМА

1Артикул: 6733225, TANK Was 6708327 - A
2Артикул: 6564038, MOUNT
3Артикул: 25K60204, O RING 10
Подробнее >