+7 (701) 588 50 05 Телефон для связи
RU

WhatsApp

Позвонить

РАМА в Алматы

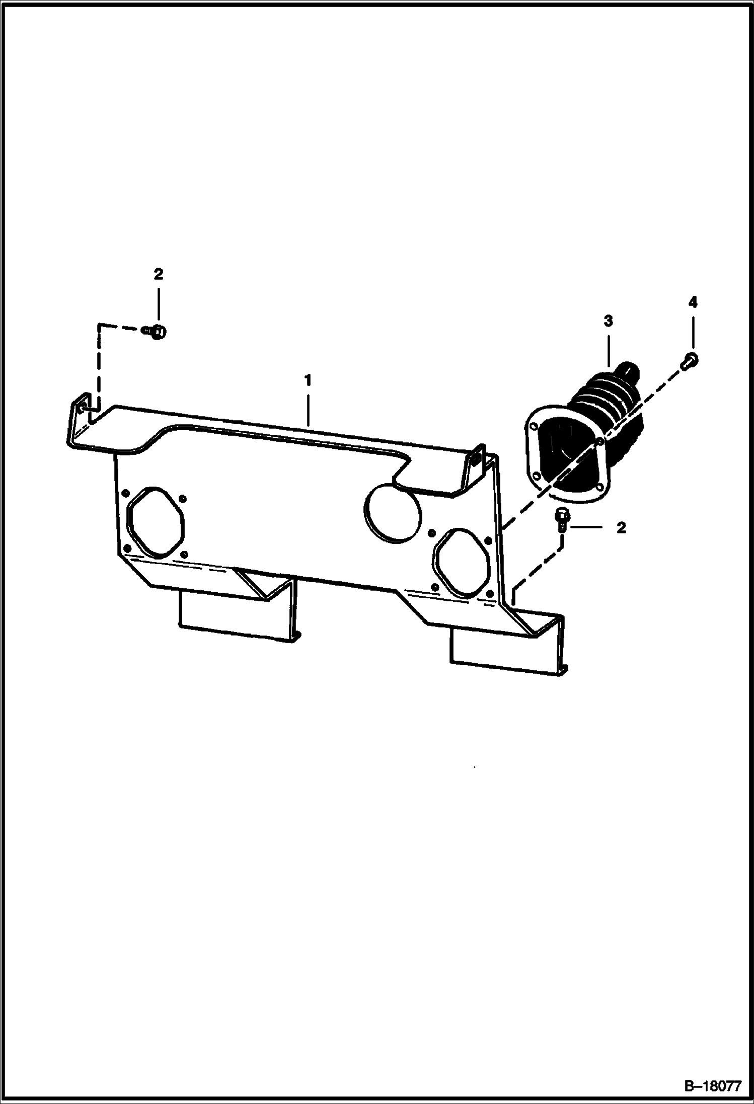
ПАНЕЛИ

ПАНЕЛИ

1Артикул: 6565328, SHIELD
2Артикул: 84G3712, BOLT 5
3Артикул: 6532127, BOOT
Подробнее >
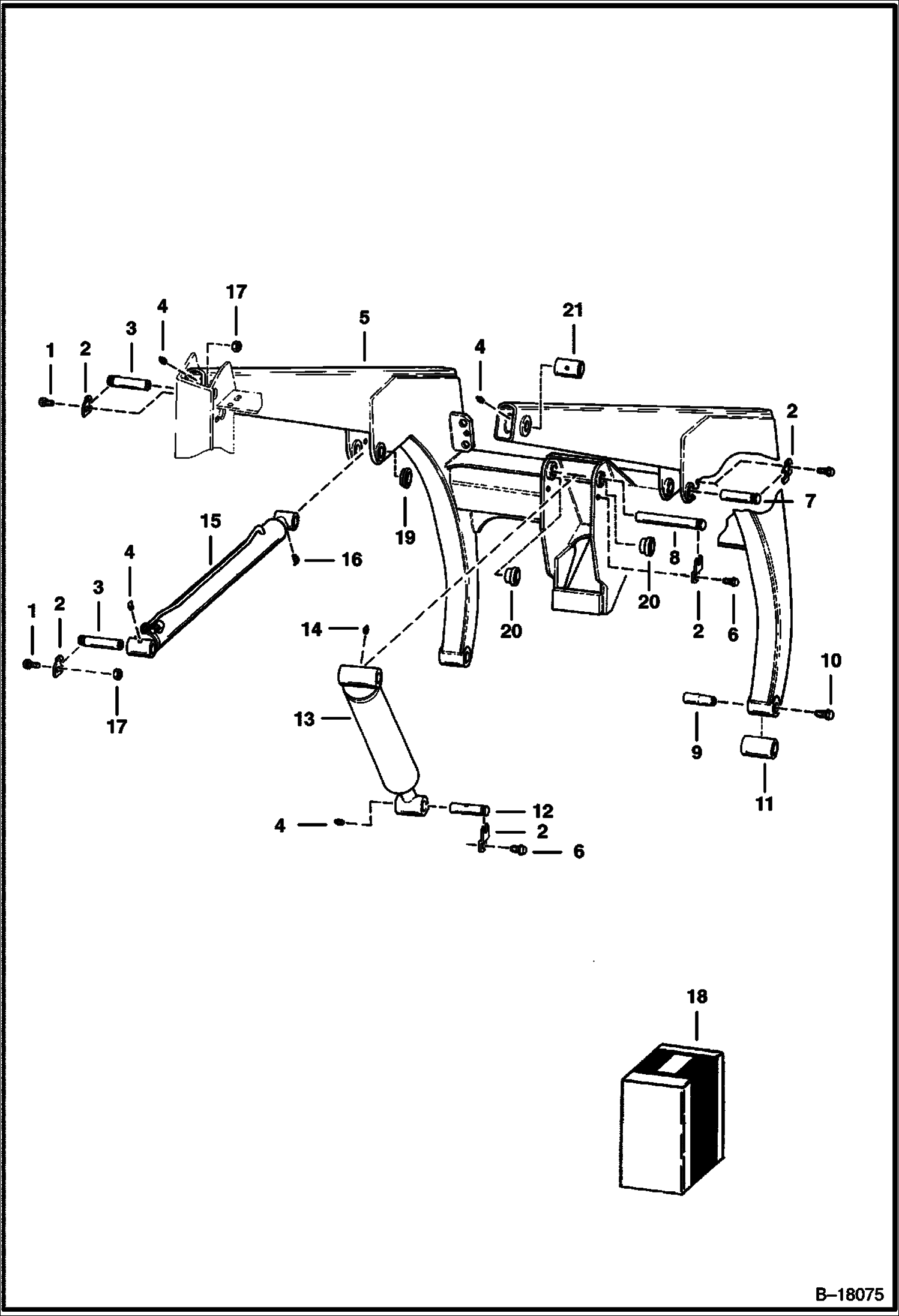
ПОДЪЕМНЫЕ РУКОЯТИ

ПОДЪЕМНЫЕ РУКОЯТИ

1Артикул: 10C512, BOLT Was 6553808 - A
2Артикул: 7252630, PIN, RETAINING Was 6586307 - A
3Артикул: PIN,, PIN, PIVOT NLA - 2 side grooves - Was 7251588 - A
Подробнее >
СИДЕНИЕ И ОПОРА СИДЕНЬЯ

СИДЕНИЕ И ОПОРА СИДЕНЬЯ

1Артикул: 6591598, SEAT Milsco
2Артикул: 6643253, SEAT, OPERATOR VINYL Michigan Seat Co.
3Артикул: SEAT, SEAT BELT NLA - Order Ref. 33 - Was 6564774 - A
Подробнее >
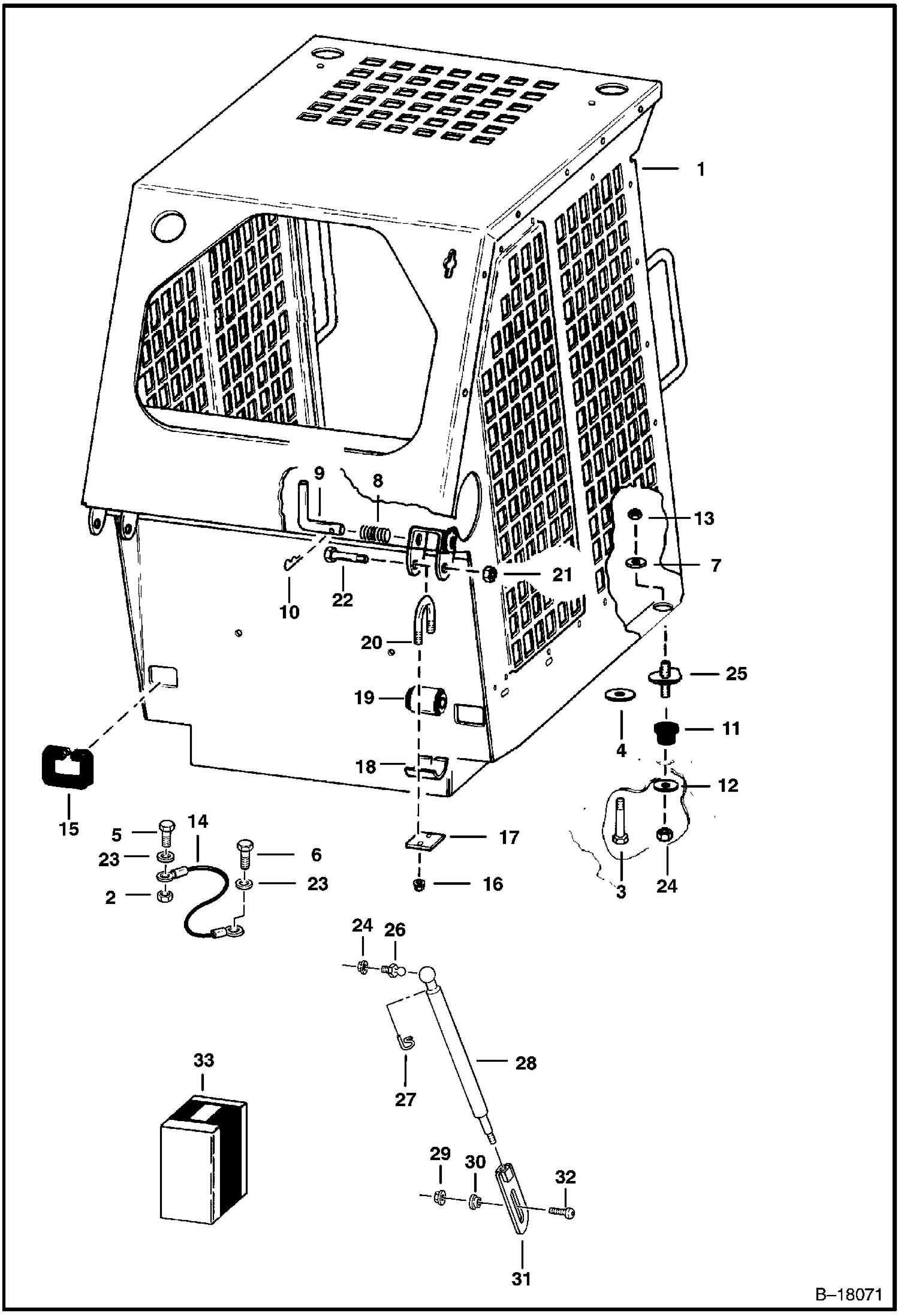
КАБИНА ОПЕРАТОРА

КАБИНА ОПЕРАТОРА

1Артикул: CAB, CAB See BTI296 NLA
2Артикул: 61D5, NUT
3Артикул: 17C840, BOLT hex cap screw - grade 8
Подробнее >
ТОПЛИВНАЯ СИСТЕМА

ТОПЛИВНАЯ СИСТЕМА

1Артикул: 6733225, TANK Was 6708327 - A
2Артикул: 6564038, MOUNT
3Артикул: 25K60204, O RING 10
Подробнее >
ЗАДНЯЯ ДВЕРЬ

ЗАДНЯЯ ДВЕРЬ

1Артикул: 6564192, PIN
2Артикул: DOOR, DOOR NLA - Order 6707894 Door, (2) Of Ref. 13 (6707884 Covers), (8) Of Ref. 14 (25G000514B Bolts) and (8) Of Ref. 15 (83D000005B Nuts) - Was 6564865 - A
3Артикул: 6565813, EXHAUST PIPE long
Подробнее >