+7 (701) 588 50 05 Телефон для связи
RU

WhatsApp

Позвонить

РАМА в Алматы

BOB-TACH (СЕРИЙНЫЙ НОМЕР A0W111001 - A0W112971)

BOB-TACH (СЕРИЙНЫЙ НОМЕР A0W111001 - A0W112971)

1Артикул: BOB-TACH, BOB-TACH See Illustration BOB-TACH/ NA6212 - NLA - Ref. 2-22 - Was 6811301 - A
2Артикул: 6737191, WEDGE
3Артикул: PIVOT,, PIVOT, WEDGE 99,1 mm (3.90-- ) long - Use W/ 6728473 bolt - Was 6704248 - B
Подробнее >
СТЕКЛООЧИСТИТЕЛЬ В СБОРЕ

СТЕКЛООЧИСТИТЕЛЬ В СБОРЕ

1Артикул: 6681912, COVER nut
2Артикул: 6681910, NUT
3Артикул: 6681574, WIPER ARM ASSY
Подробнее >
ЯЩИК В СБОРЕ (ОСНОВНОЙ)

ЯЩИК В СБОРЕ (ОСНОВНОЙ)

1Артикул: BASE-THREE, BASE-THREE STAKE HOLES NLA - Order 7152130 base - Was 7111115 - A
2Артикул: 7152130, BASE-TWO STAKE HOLES Also Order Ref. 2
3Артикул: BRACKET, BRACKET NLA - wiper - Use W/Ref. 1 (NLA/7111115 base) - Order 7116400 bracket - Was 7152128 - A
Подробнее >
ПОДЪЕМНАЯ РУКОЯТЬ

ПОДЪЕМНАЯ РУКОЯТЬ

1Артикул: 7105598, BOOM
2Артикул: 7157871, LINK, FRAME BOOM Was 7105560 - A
3Артикул: 7105145, LINK BUCKET
Подробнее >
ЯЩИК В СБОРЕ (БОКОВОЙ И ЗАДНИЙ ОТКИДНОЙ БОРТ)

ЯЩИК В СБОРЕ (БОКОВОЙ И ЗАДНИЙ ОТКИДНОЙ БОРТ)

1Артикул: SIDE-, SIDE- THREE STAKE HOLES NLA - three stake pockets - Order 7148185 side - Was 7116398 - A
2Артикул: SIDE-TWO, SIDE-TWO STAKE HOLES See BTI406 NLA - Was 7148185 - A
3Артикул: 7190020, SIDE, BOX W/O stake pockets
Подробнее >
ОРГАНЫ УПРАВЛЕНИЯ ВОДИТЕЛЯ

ОРГАНЫ УПРАВЛЕНИЯ ВОДИТЕЛЯ

1Артикул: 6680985, COVER
2Артикул: 7106229, NUT 14MM
3Артикул: 25E25, WASHER 10
Подробнее >
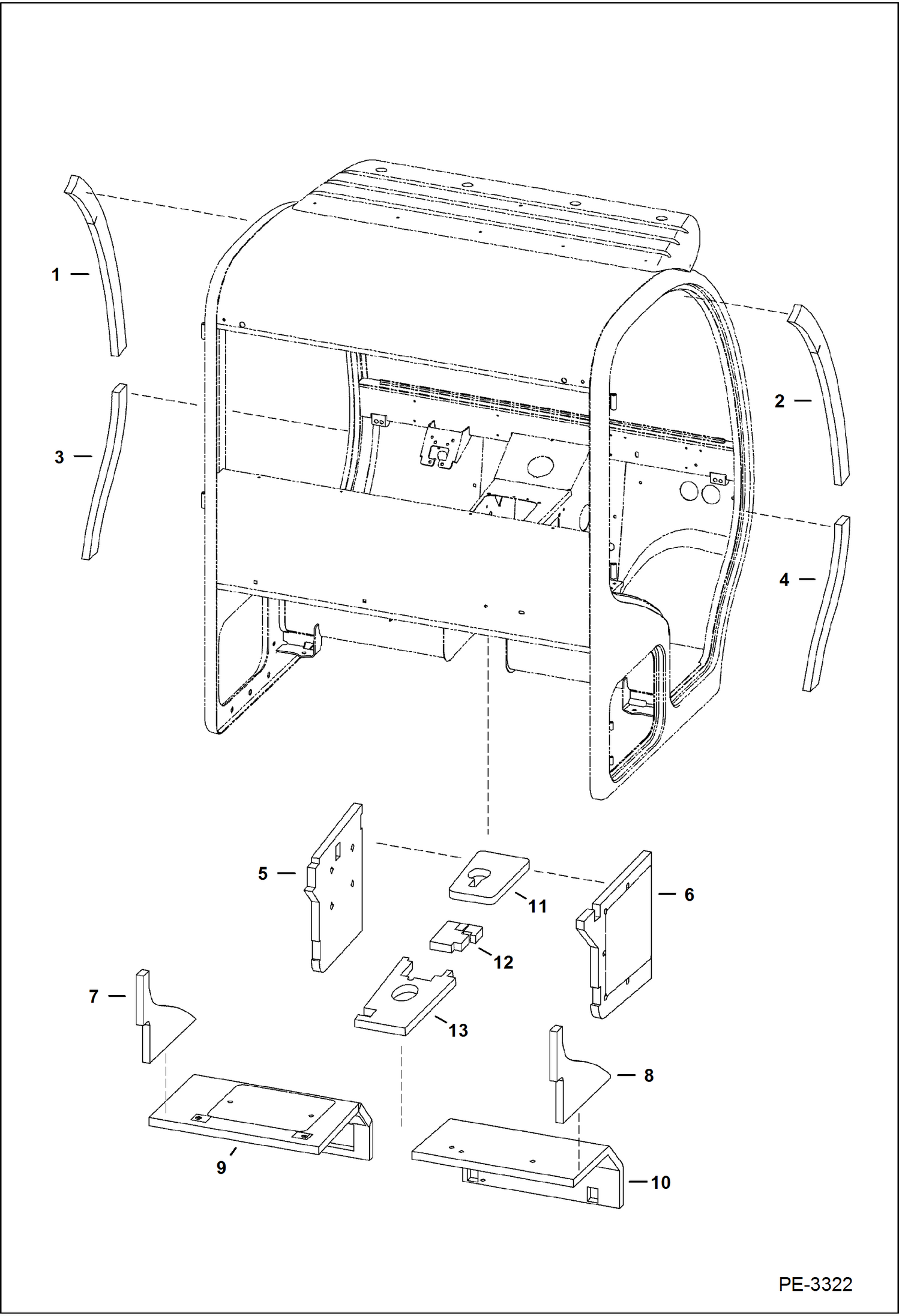
КАБИНА ВОДИТЕЛЯ (КОРПУС)

КАБИНА ВОДИТЕЛЯ (КОРПУС)

1Артикул: DOOR, DOOR ASSY See Illustration CAB DOORS/ PE1751
2Артикул: HVAC, HVAC DUCT See Illustration HEATER & A/C/ PE3323
3Артикул: 7121376, HEADLINER L.H.
Подробнее >
КАБИНА ВОДИТЕЛЯ (ИЗОЛЯЦИЯ)

КАБИНА ВОДИТЕЛЯ (ИЗОЛЯЦИЯ)

1Артикул: 7127067, INSULATION front - LH
2Артикул: 7138759, INSULATION front - RH
3Артикул: 6817384, INSULATION lower - LH
Подробнее >
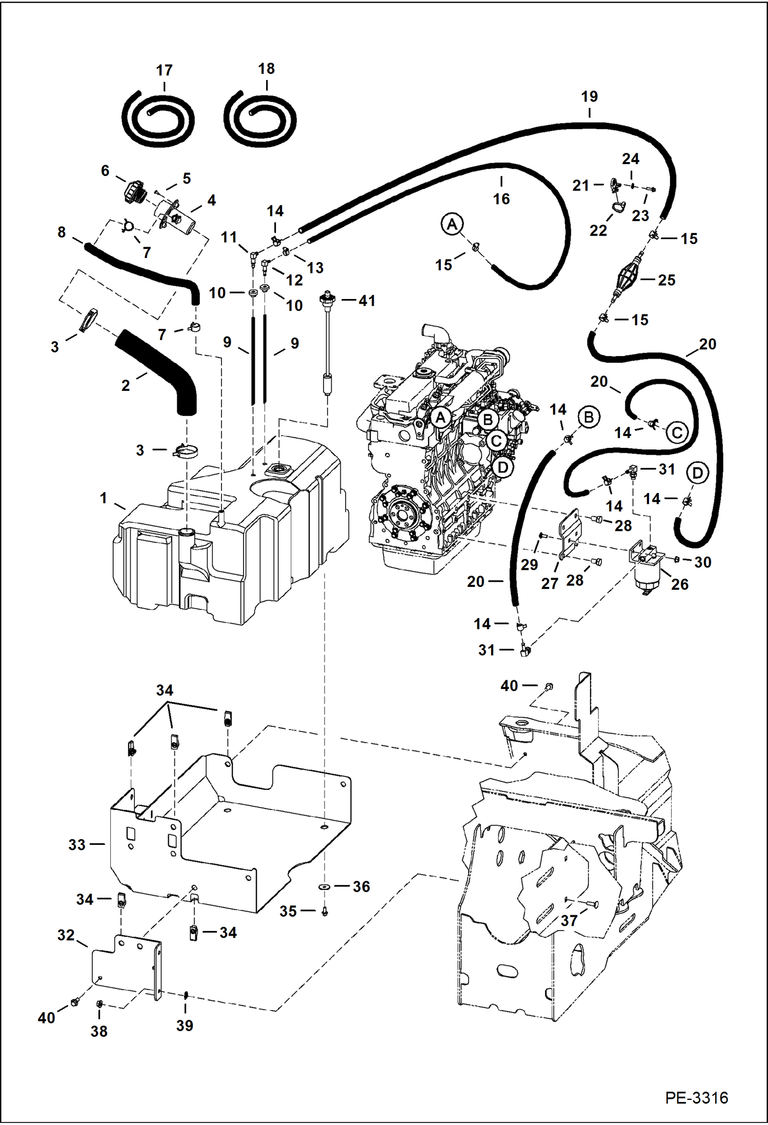
ТОПЛИВНАЯ СИСТЕМА

ТОПЛИВНАЯ СИСТЕМА

1Артикул: 7116527, TANK fuel
2Артикул: 7126217, HOSE filler
3Артикул: 5HM58, CLAMP
Подробнее >
BOB-TACH (СЕРИЙНЫЙ НОМЕР A0W112972 И ВЫШЕ)

BOB-TACH (СЕРИЙНЫЙ НОМЕР A0W112972 И ВЫШЕ)

1Артикул: BOB-TACH, BOB-TACH See Illustration BOB-TACH/ NA6891 -NLA - Ref. 2-22 - Was 7145525 - A
2Артикул: 6737191, WEDGE
3Артикул: PIVOT,, PIVOT, WEDGE 99,1 mm (3.90-- ) long - Use W/ 6728473 bolt - Was 6704248 - B
Подробнее >
BOB-TACH

BOB-TACH

1Артикул: 200558SUB, BOB-TACH Ref. 2-18
2Артикул: 6737191, WEDGE
3Артикул: PIVOT,, PIVOT, WEDGE 99,1 mm (3.90-- ) long - Use W/ 6728473 bolt - Was 6704248 - B
Подробнее >