+7 (701) 588 50 05 Телефон для связи
RU

WhatsApp

Позвонить

РАМА в Алматы

ЭЛЕКТРОДВИГАТЕЛЬ УСТРОЙСТВА ПОДЪЕМА КАБИНЫ И НАСОС (PRESTOLITE - СЕРИЙНЫЙ НОМЕР 11286 И НИЖЕ)

ЭЛЕКТРОДВИГАТЕЛЬ УСТРОЙСТВА ПОДЪЕМА КАБИНЫ И НАСОС (PRESTOLITE - СЕРИЙНЫЙ НОМЕР 11286 И НИЖЕ)

1Артикул: PUMP, PUMP See BTI286 NLA - Order 6669673 - Was 6640606 - A
2Артикул: O-RING, O-RING NSS - Order Ref. 19
3Артикул: FRAME, FRAME NSS - Was 6647655 - A
Подробнее >
ЭЛЕКТРОДВИГАТЕЛЬ УСТРОЙСТВА ПОДЪЕМА КАБИНЫ И НАСОС (СЕРИЙНЫЙ НОМЕР 11287 И ВЫШЕ)

ЭЛЕКТРОДВИГАТЕЛЬ УСТРОЙСТВА ПОДЪЕМА КАБИНЫ И НАСОС (СЕРИЙНЫЙ НОМЕР 11287 И ВЫШЕ)

1Артикул: PUMP, PUMP See BTI286 NLA - Holloway - Order 6669673 - Was 6664586 - A
2Артикул: PUMP, PUMP NLA - Oildyne - Was 6669673 - A
Подробнее >
СИДЕНИЕ С ПОДВЕСКОЙ

СИДЕНИЕ С ПОДВЕСКОЙ

1Артикул: SEAT, SEAT NLA - Less Arm Rests - Grammer - Was 6632388 - A
2Артикул: 3737010, CUSHION, SEAT seat - Grammer
3Артикул: 3737081, CUSHION, SEAT BACK VINYL back - Grammer
Подробнее >
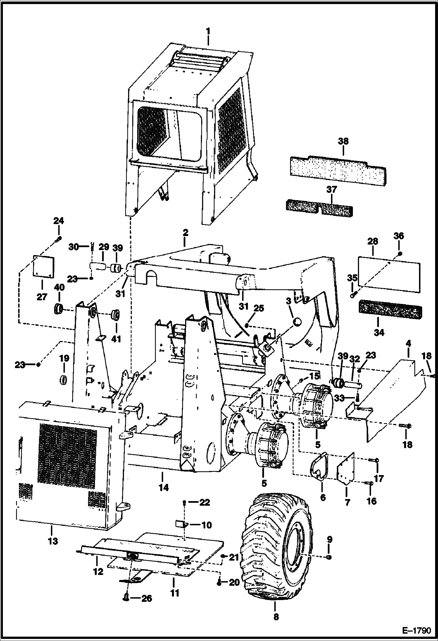
РАМА ШАССИ И НАВЕСНОЕ ОБОРУДОВАНИЕ ЗАПАСНЫЕ ЧАСТИ

РАМА ШАССИ И НАВЕСНОЕ ОБОРУДОВАНИЕ ЗАПАСНЫЕ ЧАСТИ

1Артикул: OPERATOR, OPERATOR CAB See Illustration OPERATOR CAB/ E1675 See Illustration OPERATOR CAB/ E1568
2Артикул: LIFT, LIFT ARM NLA - Was 6529723 - A
3Артикул: 6515566, CAP fuel
Подробнее >
ОПОРА СИДЕНЬЯ

ОПОРА СИДЕНЬЯ

1Артикул: 6562127, WASHER friction
2Артикул: 6592432, BRACKET mounting - L.H.
3Артикул: 6544654, BUSHING
Подробнее >
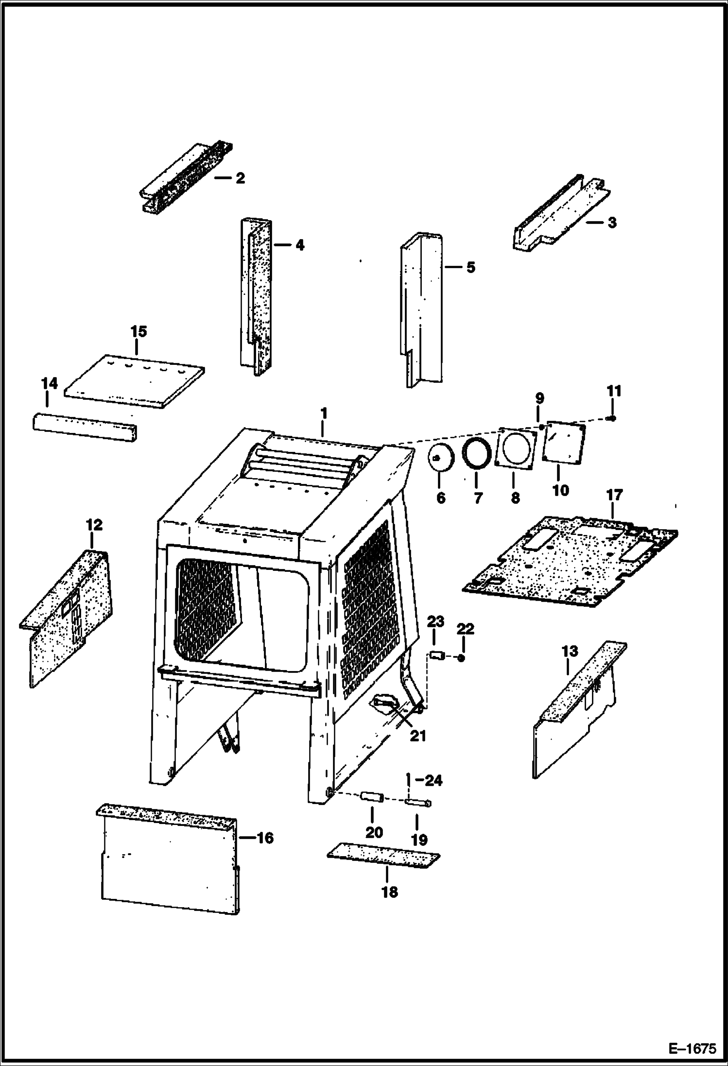
КАБИНА ОПЕРАТОРА

КАБИНА ОПЕРАТОРА

1Артикул: 6592525, CAB Was SALES
2Артикул: INSULATION, INSULATION NLA - LH top - Was 6593594 - A
3Артикул: INSULATION, INSULATION NLA - RH top - Was 6593595 - A
Подробнее >
ГИДРОЦИЛИНДР ПОДЪЕМА КАБИНЫ (С 1.00-- СТЕРЖЕНЬ И 2 УГЛОВЫХ ПАТРУБОКА)

ГИДРОЦИЛИНДР ПОДЪЕМА КАБИНЫ (С 1.00-- СТЕРЖЕНЬ И 2 УГЛОВЫХ ПАТРУБОКА)

1Артикул: 6591234, CYLINDER Ref. 2-12 - Was 6593343 - A
2Артикул: 6530565, CASE Was 6592028 - A
3Артикул: 92D12, NUT Was 86D000012B - B
Подробнее >
СИДЕНИЕ С ПОДВЕСКОЙ (MILSCO)

СИДЕНИЕ С ПОДВЕСКОЙ (MILSCO)

1Артикул: 6674019, SEAT Ref. 2-28 - Was 6647432 - A
2Артикул: 6650226, SEAT CUSHION W/Ref. 3
3Артикул: 6650231, CLIP
Подробнее >
ГИДРОЦИЛИНДР ПОДЪЕМА КАБИНЫ

ГИДРОЦИЛИНДР ПОДЪЕМА КАБИНЫ

1Артикул: CYLINDER, CYLINDER NLA - Ref. 2-12 - Order 6591234 Cylinder & 2-6591237 Hoses - Was 6593343 - A
2Артикул: 6592028, CASE
3Артикул: 92D12, NUT Was 86D12 - B
Подробнее >
ТОПЛИВНАЯ СИСТЕМА

ТОПЛИВНАЯ СИСТЕМА

1Артикул: 6590127, TUBE
2Артикул: 42HS04, CLAMP, HOSE Was 6515575 - A
3Артикул: HOSE, HOSE NLA - 13.5-- (343 mm) long - Order Ref. 32
Подробнее >
ОТКИДНАЯ КАБИНА И УСТАНОВКА СИДЕНЬЯ

ОТКИДНАЯ КАБИНА И УСТАНОВКА СИДЕНЬЯ

1Артикул: SEAT, SEAT See Illustration SUSPENSION SEAT/ D1897 See Illustration SUSPENSION SEAT/ B20284
2Артикул: SEAT, SEAT BELT NLA - Order 6675074 seat belt & (2) of 6725373 spring plate - Was 6563214 - A
3Артикул: 17C816, BOLT
Подробнее >
ЗАДНЯЯ ДВЕРЬ И КРЫШКА ДВИГАТЕЛЯ

ЗАДНЯЯ ДВЕРЬ И КРЫШКА ДВИГАТЕЛЯ

1Артикул: 6593619, SHIELD
2Артикул: 85D5, NUT 5
3Артикул: 37C512, BOLT Was 7C512 - A
Подробнее >