+7 (701) 588 50 05 Телефон для связи
RU

WhatsApp

Позвонить

РАМА в Алматы

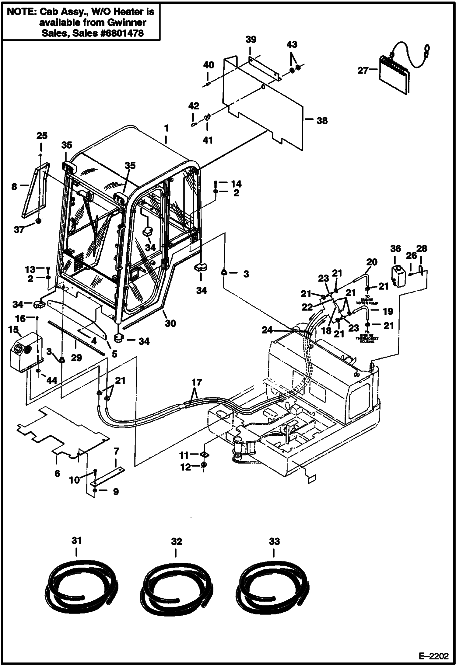
КАБИНА ОПЕРАТОРА

КАБИНА ОПЕРАТОРА

1Артикул: DOOR, DOOR ASSY NLA - Ref. 2 - 14 - Order components - Was 6805226 - A
2Артикул: DOOR, DOOR NLA - Ref. 2 - 14 - Order components - Was 6807782 - A
3Артикул: 6805469, DOOR
Подробнее >
КАБИНА ВОДИТЕЛЯ (ЛОБОВОЕ СТЕКЛО) (СЕРИЙНЫЙ НОМЕР 511821062 И ВЫШЕ)

КАБИНА ВОДИТЕЛЯ (ЛОБОВОЕ СТЕКЛО) (СЕРИЙНЫЙ НОМЕР 511821062 И ВЫШЕ)

1Артикул: WINDOW, WINDOW ASSY NLA - Ref. 2-6, 10-17, 19-23, 25, 27-29 & 35 - Was 6628874 - A
2Артикул: 6667155, WINDOW ASSY Ref. 2-15, 19, 20, 23-23 & 36
3Артикул: 6628875, FRAME Was 6667194 - A
Подробнее >
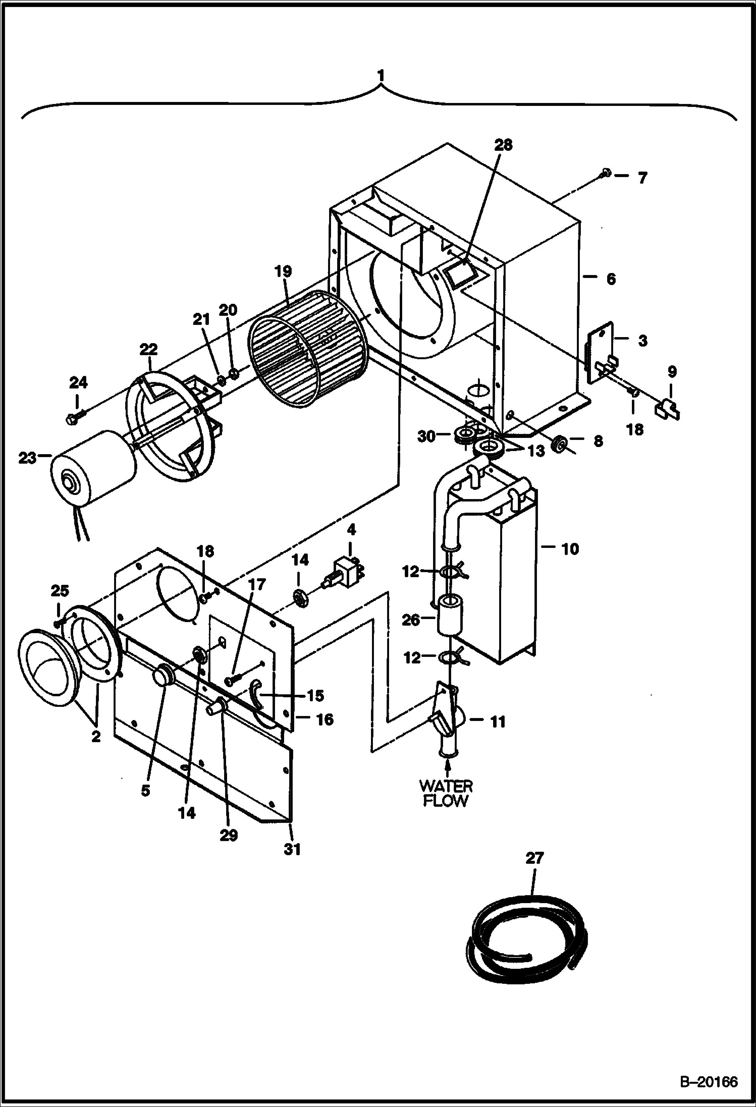
ОБОГРЕВАТЕЛЬ (С МОТОРОМ, ГДЕ 3 ВЕНТИЛЯТОРА) (СЕРИЙНЫЙ НОМЕР 511820001 - 511820393)

ОБОГРЕВАТЕЛЬ (С МОТОРОМ, ГДЕ 3 ВЕНТИЛЯТОРА) (СЕРИЙНЫЙ НОМЕР 511820001 - 511820393)

1Артикул: 6663968, HEATER W/Ref. 2-26 & 28-31
2Артикул: 6664342, LOUVER
3Артикул: 6632584, RESISTOR
Подробнее >
КАБИНА ВОДИТЕЛЯ (ЛОБОВОЕ СТЕКЛО) (СЕРИЙНЫЙ НОМЕР 511820001 - 5115821061)

КАБИНА ВОДИТЕЛЯ (ЛОБОВОЕ СТЕКЛО) (СЕРИЙНЫЙ НОМЕР 511820001 - 5115821061)

1Артикул: WINDOW, WINDOW See BTIE-042 - NLA - Assy. front - W/Ref. 2-29 - Order 6667155 - Was 6664152 - A
2Артикул: GLASS, GLASS See Illustration OPERATOR CAB/ D2320 See BTIE-042 - NLA - Front - Order 6667155 - Was 6664174 - A
3Артикул: 6664158, LATCH Window
Подробнее >
ОБОГРЕВАТЕЛЬ (С МОТОРОМ, ГДЕ 3 ВЕНТИЛЯТОРА И С ФИЛЬТРОМ) (СЕРИЙНЫЙ НОМЕР 511820394 И ВЫШЕ)

ОБОГРЕВАТЕЛЬ (С МОТОРОМ, ГДЕ 3 ВЕНТИЛЯТОРА И С ФИЛЬТРОМ) (СЕРИЙНЫЙ НОМЕР 511820394 И ВЫШЕ)

1Артикул: 6665242, HEATER W/Ref. 2-26 & 28-31
2Артикул: 6664342, LOUVER
3Артикул: 6632584, RESISTOR
Подробнее >
КАБИНА ВОДИТЕЛЯ (ПРАВОСТОРОННЕЕ ОКНО) (3 ОДИНАРНОЕ ОСТЕКЛЕНИЕ)

КАБИНА ВОДИТЕЛЯ (ПРАВОСТОРОННЕЕ ОКНО) (3 ОДИНАРНОЕ ОСТЕКЛЕНИЕ)

1Артикул: 6667616, WINDOW ASSY RH - W/Ref. 2-24
2Артикул: 6667593, LATCH
3Артикул: 6667594, LATCH
Подробнее >
КОРПУС КУЗОВА И КРЫШКА ДВИГАТЕЛЯ

КОРПУС КУЗОВА И КРЫШКА ДВИГАТЕЛЯ

1Артикул: 6589821, COVER Front Engine - Was 6588592 - A
2Артикул: 6588599, COVER Engine
3Артикул: 6588534, TOOL BOX
Подробнее >
КАБИНА ВОДИТЕЛЯ (ПРАВОСТОРОННЕЕ ОКНО) (2 ОДИНАРНОЕ ОСТЕКЛЕНИЕ)

КАБИНА ВОДИТЕЛЯ (ПРАВОСТОРОННЕЕ ОКНО) (2 ОДИНАРНОЕ ОСТЕКЛЕНИЕ)

1Артикул: WINDOW, WINDOW ASSY. NLA - Sliding - W/Ref. 2 & 18 - Order 6667616 - Was 6664173 - A
2Артикул: 6664865, FRAME Top
3Артикул: 6664866, FRAME Bottom
Подробнее >
МОНТАЖ КАБИНЫ

МОНТАЖ КАБИНЫ

1Артикул: See, See Illustration HEATER/ C3340 - SALES - SEE NOTE
2Артикул: 6805244, WASHER Was 6597241 - A
3Артикул: 6560633, DAMPENER
Подробнее >
КАБИНА ВОДИТЕЛЯ (ЛОБОВОЕ СТЕКЛО) (ИСПОЛЬЗУЕТСЯ С ЗАПАСНОЙ КАБИНОЙ 6801478 ТОЛЬКО)

КАБИНА ВОДИТЕЛЯ (ЛОБОВОЕ СТЕКЛО) (ИСПОЛЬЗУЕТСЯ С ЗАПАСНОЙ КАБИНОЙ 6801478 ТОЛЬКО)

1Артикул: 6800880, WINDOW ASSY. Ref. 1-6, 10-17, 19-23, 25, 27-29 & 35
2Артикул: 6800876, FRAME
3Артикул: 6801502, LATCH RH
Подробнее >
БОКОВЫЕ ПАНЕЛИ И БАКИ

БОКОВЫЕ ПАНЕЛИ И БАКИ

1Артикул: 515069, GROMMET
2Артикул: 6536802, WASHER
3Артикул: PLATE, PLATE NLA - Order 6587544 (1) & Ref. 29 (2) - Was 6587543 - A
Подробнее >
КАБИНА ОПЕРАТОРА (ДВЕРЦА)

КАБИНА ОПЕРАТОРА (ДВЕРЦА)

1Артикул: DOOR, DOOR ASSY. See Illustration OPERATOR CAB/ PE1005 See BTIE-058 NLA - W/Ref. 2-21 - Was 6628863 - A
2Артикул: DOOR, DOOR See BTIE-058 NLA - Weldment - Was 6628864 - A
3Артикул: 6661631, LATCH Outside
Подробнее >
КРЫША НАД СИДЕНЬЕМ ВОДИТЕЛЯ И КРОНШТЕЙН

КРЫША НАД СИДЕНЬЕМ ВОДИТЕЛЯ И КРОНШТЕЙН

1Артикул: CANOPY, CANOPY NLA - See Note - order 6800748 - Was SALES - A
2Артикул: 6800748, CANOPY weldment only
3Артикул: 7CM1240, SCREW
Подробнее >
СИДЕНИЕ

СИДЕНИЕ

1Артикул: 6632388, SEAT W/Ref. 2-5 & 17
2Артикул: 3737081, CUSHION, SEAT BACK VINYL Backrest
3Артикул: 3737010, CUSHION, SEAT Seat
Подробнее >