+7 (701) 588 50 05 Телефон для связи
RU

WhatsApp

Позвонить

РАМА в Алматы

КАБИНА ВОДИТЕЛЯ (ПРАВОСТОРОННЕЕ ОКНО) (2 ОДИНАРНОЕ ОСТЕКЛЕНИЕ)

КАБИНА ВОДИТЕЛЯ (ПРАВОСТОРОННЕЕ ОКНО) (2 ОДИНАРНОЕ ОСТЕКЛЕНИЕ)

1Артикул: WINDOW, WINDOW ASSY. NLA - Sliding - W/Ref. 2-18 - Order 6667616 - Was 6664173 - A
2Артикул: 6664865, FRAME Top
3Артикул: 6664866, FRAME Bottom
Подробнее >
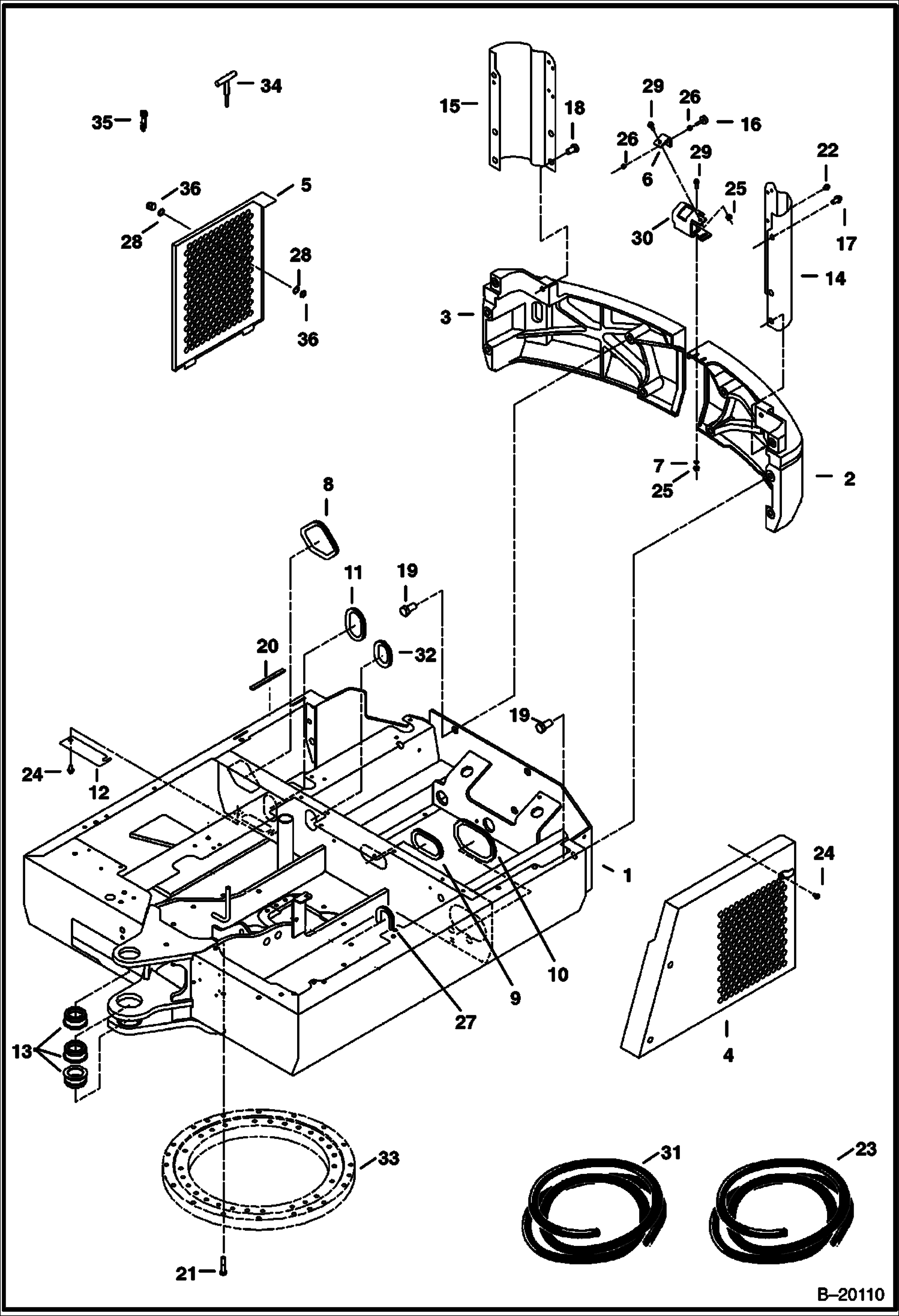
КАБИНА И КРОНШТЕЙН

КАБИНА И КРОНШТЕЙН

1Артикул: CAB, CAB ASSY SALES - Order Cab Assy W/O heater - Sales # 6801478 - See Ill. B20112, B20113, B20114, C3343, D2314, E2379, B20115 & C3340
2Артикул: 6805244, WASHER
3Артикул: 6560633, DAMPENER
Подробнее >
КАБИНА ВОДИТЕЛЯ (ЛОБОВОЕ СТЕКЛО) (ЗАМЕНА В ПРОЦЕССЕ ОБСЛУЖИВАНИЯ)

КАБИНА ВОДИТЕЛЯ (ЛОБОВОЕ СТЕКЛО) (ЗАМЕНА В ПРОЦЕССЕ ОБСЛУЖИВАНИЯ)

1Артикул: 6800880, WINDOW ASSY. Ref. 1-6, 10-17, 19-23, 25, 27-29 & 35
2Артикул: 6800876, FRAME
3Артикул: 6801502, LATCH RH
Подробнее >
КОРПУС КУЗОВА И КРЫШКА ДВИГАТЕЛЯ

КОРПУС КУЗОВА И КРЫШКА ДВИГАТЕЛЯ

1Артикул: 6596092, FRAME Upperstructure
2Артикул: 6588239, COUNTERWEIGHT L.H.
3Артикул: 6588241, COUNTERWEIGHT R.H.
Подробнее >
СИДЕНИЕ

СИДЕНИЕ

1Артикул: 6632388, SEAT W/Ref. 2-5 & 17
2Артикул: 3737081, CUSHION, SEAT BACK VINYL Backrest
3Артикул: 3737010, CUSHION, SEAT Seat
Подробнее >
КРЫШКА ДВИГАТЕЛЯ

КРЫШКА ДВИГАТЕЛЯ

1Артикул: 6596087, COVER Engine
2Артикул: 6596232, COVER Front Engine
3Артикул: TOOL, TOOL BOX NLA - Was 6596086 - A
Подробнее >
БОКОВЫЕ ПАНЕЛИ И БАКИ

БОКОВЫЕ ПАНЕЛИ И БАКИ

1Артикул: 515069, GROMMET
2Артикул: 6536802, WASHER
3Артикул: 6587544, PLATE
Подробнее >
ОБОГРЕВАТЕЛЬ (С 3 ВЕНТИЛЯТОРАМИ МОТОРА И ФИЛЬТР)

ОБОГРЕВАТЕЛЬ (С 3 ВЕНТИЛЯТОРАМИ МОТОРА И ФИЛЬТР)

1Артикул: 6665242, HEATER W/Ref. 2-26 & 28-31
2Артикул: 6664342, LOUVER
3Артикул: 6632584, RESISTOR
Подробнее >
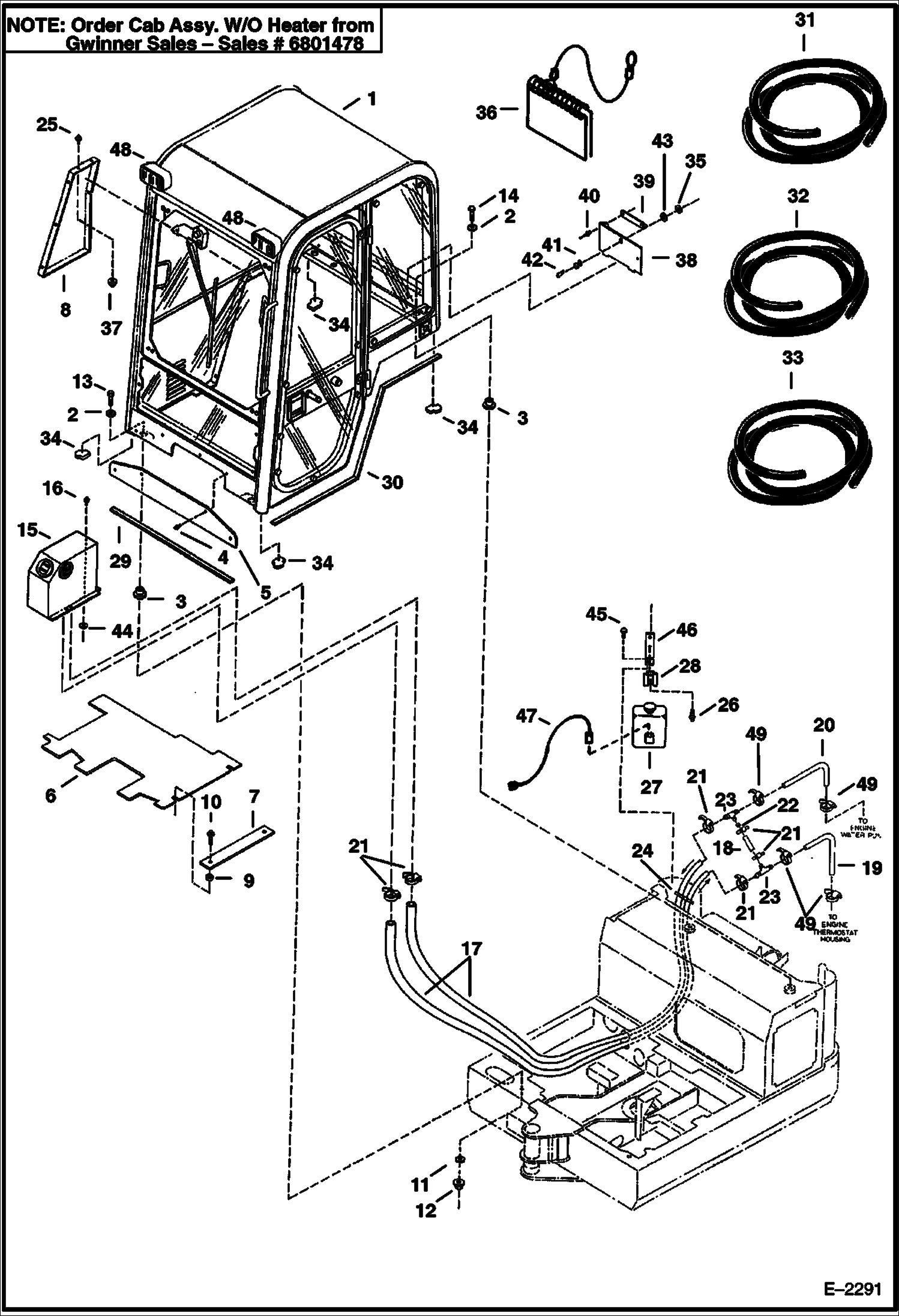
КАБИНА ОПЕРАТОРА

КАБИНА ОПЕРАТОРА

1Артикул: CAB, CAB ASSY. NLA - W/Ref. 2-48 and All Items on Ills. B20113, B20114, C3343, D2314 & E2379 - See Note
2Артикул: CAB, CAB NLA - Weldment - Order 6801477 - Was 6628839 - A
3Артикул: 6801477, CAB Weldment only
Подробнее >
КРЫША НАД СИДЕНЬЕМ ВОДИТЕЛЯ И КРОНШТЕЙН

КРЫША НАД СИДЕНЬЕМ ВОДИТЕЛЯ И КРОНШТЕЙН

1Артикул: CANOPY, CANOPY NLA - Includes Ref. 6, 8, 9, 10 & 17 - Order 6800748 - Was SALES - A
2Артикул: 6800748, CANOPY weldment only
3Артикул: 7CM1240, SCREW
Подробнее >
КАБИНА ВОДИТЕЛЯ (ПРАВОСТОРОННЕЕ ОКНО) (3 ОДИНАРНОЕ ОСТЕКЛЕНИЕ)

КАБИНА ВОДИТЕЛЯ (ПРАВОСТОРОННЕЕ ОКНО) (3 ОДИНАРНОЕ ОСТЕКЛЕНИЕ)

1Артикул: 6667616, WINDOW ASSY RH - W/Ref. 2-24
2Артикул: 6667593, LATCH
3Артикул: 6667594, LATCH
Подробнее >
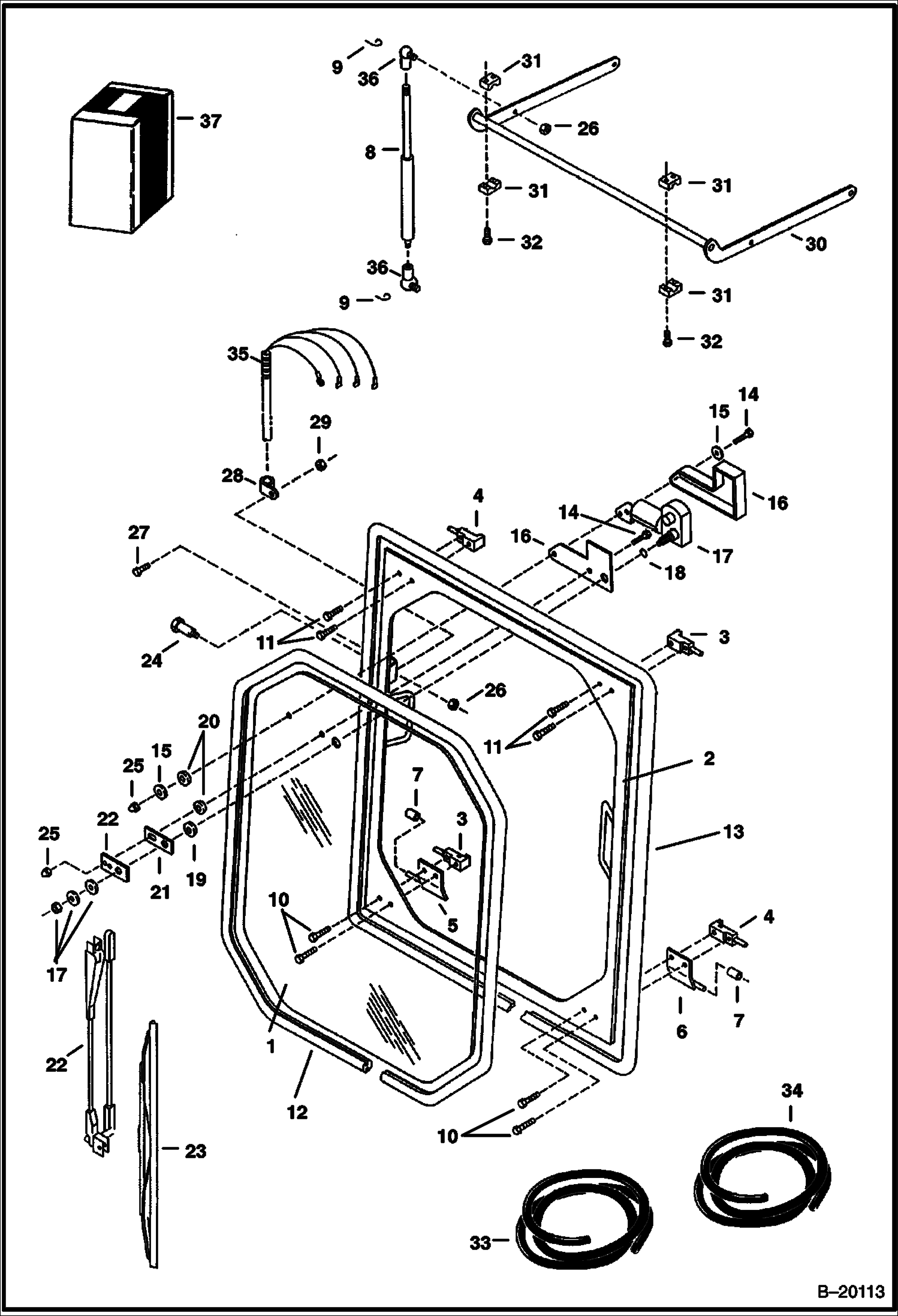
КАБИНА ОПЕРАТОРА (ДВЕРЦА)

КАБИНА ОПЕРАТОРА (ДВЕРЦА)

1Артикул: DOOR, DOOR ASSY NLA - Ref. 2 - 14 - Order components - Was 6805226 - A
2Артикул: DOOR, DOOR NLA - Ref. 2 - 14 - Order components - Was 6807782 - A
3Артикул: 6805469, DOOR
Подробнее >
ИЗОЛЯЦИЯ (КАБИНА)

ИЗОЛЯЦИЯ (КАБИНА)

1Артикул: 6802959, INSULATION Was 6588796 - A
2Артикул: 6800884, INSULATION Was 6595394 - A
3Артикул: 6588798, INSULATION
Подробнее >
КАБИНА ОПЕРАТОРА (ЛОБОВОЕ СТЕКЛО)

КАБИНА ОПЕРАТОРА (ЛОБОВОЕ СТЕКЛО)

1Артикул: WINDOW, WINDOW ASSY NLA - Ref. 1-6, 10-17, 19-23, 25, 27-29 & 35 - Order 6667155 - Was 6628874 - A
2Артикул: 6667155, WINDOW ASSY Ref. 2-15,19, 20, 23-29 & 37
3Артикул: 6628875, FRAME Was 6667194 - A
Подробнее >