+7 (701) 588 50 05 Телефон для связи
RU

WhatsApp

Позвонить

РАМА в Алматы

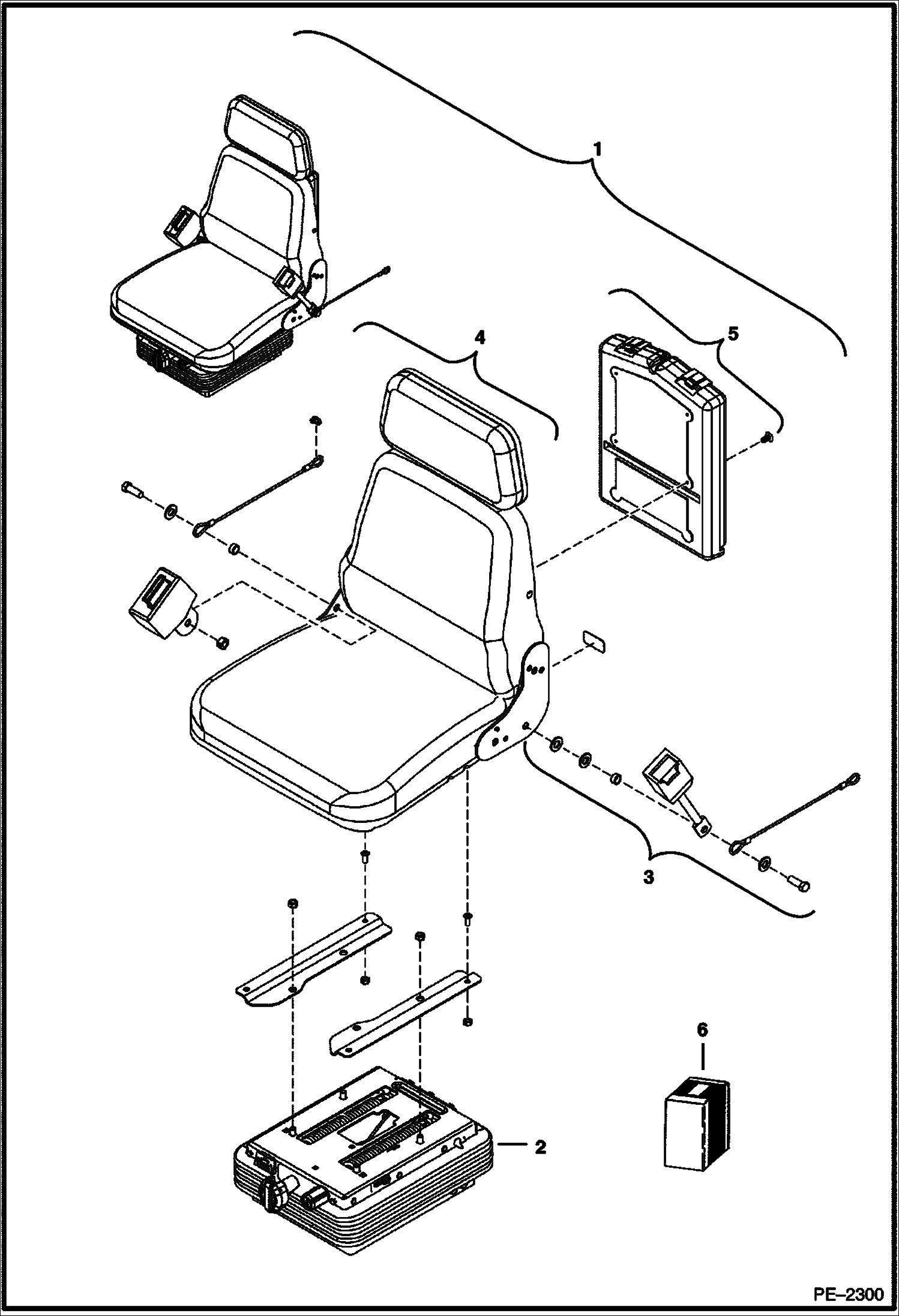
СИДЕНЬЕ С ПОДВЕСКОЙ (ВИНИЛ)

СИДЕНЬЕ С ПОДВЕСКОЙ (ВИНИЛ)

1Артикул: SEAT, SEAT NLA - assy - order 6685657
2Артикул: 6685657, SEAT, OPERATOR VINYL - EXCAVATOR assy
3Артикул: 7010205, BASE, SEAT SUSPENSION assy - Was 6686151 - A
Подробнее >
ПРОТИВОВЕС

ПРОТИВОВЕС

1Артикул: 6816714, COUNTERWEIGHT W/A
2Артикул: 1CM1665, SCREW
3Артикул: 25E26, WASHER
Подробнее >
КАБИНА ВОДИТЕЛЯ (ДВЕРНОЕ СТЕКЛО - 1 ШТ.) (СЕРИЙНЫЙ НОМЕР 563112070 И НИЖЕ)

КАБИНА ВОДИТЕЛЯ (ДВЕРНОЕ СТЕКЛО - 1 ШТ.) (СЕРИЙНЫЙ НОМЕР 563112070 И НИЖЕ)

1Артикул: DOOR, DOOR See BTIE-078 NLA - assy - Includes Ref. 2-11 - Was 6810944 - A
2Артикул: HANDLE,, HANDLE, DOOR CAB See BTIE-089 - Was 6679885 - A
3Артикул: KEY, KEY NLA - includes two keys W/ring - Order 6693241 - Was 6709527 - A
Подробнее >
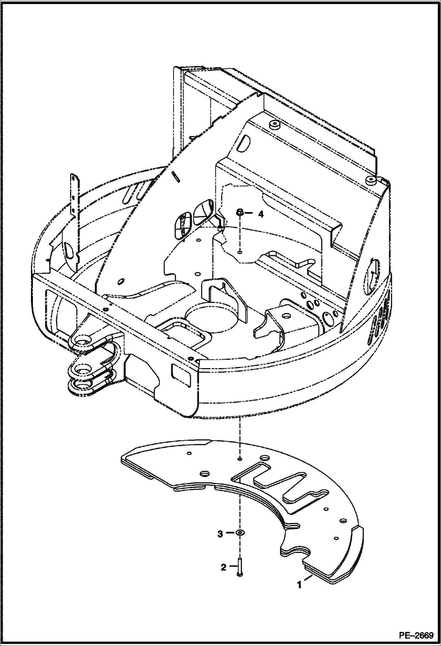
КОРПУС КУЗОВА (СЕРИЙНЫЙ НОМЕР 563111001 - 563113999, 563114007 - 563114999)

КОРПУС КУЗОВА (СЕРИЙНЫЙ НОМЕР 563111001 - 563113999, 563114007 - 563114999)

1Артикул: 6515603, GROMMET
2Артикул: 6560899, WASHER flat
3Артикул: 6628101, BUSHING
Подробнее >
ПРАВОСТОРОННЯЯ КРЫША (УЛУЧШЕННЫЙ ДИЗАЙН)

ПРАВОСТОРОННЯЯ КРЫША (УЛУЧШЕННЫЙ ДИЗАЙН)

1Артикул: 6655399, BUMPER
2Артикул: 6669224, BOLT
3Артикул: 6674264, RETAINER NUT
Подробнее >
КАБИНА ОПЕРАТОРА (ПРАВОЕ ОКНО)

КАБИНА ОПЕРАТОРА (ПРАВОЕ ОКНО)

1Артикул: 7100571, WINDOW assy - W/Ref. 2-9
2Артикул: WINDOW, WINDOW NSS - top - Order Ref. 3
3Артикул: 6685774, FRAME Includes Ref. 2
Подробнее >
ЗАДНЯЯ ДВЕРЬ

ЗАДНЯЯ ДВЕРЬ

1Артикул: 6564452, GRIP
2Артикул: 6733667, LATCH, REAR DOOR
3Артикул: 6809845, BOLT
Подробнее >
РАБОЧЕЕ МЕСТО ВОДИТЕЛЯ И СИДЕНЬЕ

РАБОЧЕЕ МЕСТО ВОДИТЕЛЯ И СИДЕНЬЕ

1Артикул: 6685657, SEAT, OPERATOR VINYL - EXCAVATOR See Illustration SEAT SUSPENSION/ PE2300 - no seat belt or hardware
2Артикул: 6675722, NUT
3Артикул: 6802539, SPACER
Подробнее >
КАБИНА ОПЕРАТОРА (КРОНШТЕЙН, ЛОБОВОЕ ОКНО И ДВЕРЦА) (УСТАНОВЛЕННОЕ РАДИО)

КАБИНА ОПЕРАТОРА (КРОНШТЕЙН, ЛОБОВОЕ ОКНО И ДВЕРЦА) (УСТАНОВЛЕННОЕ РАДИО)

1Артикул: 6664554, PUMP, WIPER WASHER
2Артикул: 6666766, GROMMET
3Артикул: 6674993, CAP
Подробнее >
НАВЕС НАД СИДЕНЬЕМ ВОДИТЕЛЯ

НАВЕС НАД СИДЕНЬЕМ ВОДИТЕЛЯ

1Артикул: 6589347, STRAP
2Артикул: 6808478, DECAL hvac cover
3Артикул: 6680293, TREAD
Подробнее >
КАБИНА ОПЕРАТОРА (ЛОБОВОЕ СТЕКЛО)

КАБИНА ОПЕРАТОРА (ЛОБОВОЕ СТЕКЛО)

1Артикул: WINDOW,, WINDOW, FRONT ASMBLY NLA - Order components - Was 6812705 - A
2Артикул: 6610082, SPRING
3Артикул: 6664085, BUSHING
Подробнее >
КАБИНА ОПЕРАТОРА (ОКНА И УПЛОТНЕНИЯ)

КАБИНА ОПЕРАТОРА (ОКНА И УПЛОТНЕНИЯ)

1Артикул: CAB, CAB W/A See Illustration CAB KIT/ PE3335 - NLA - Was 7134857 - A
2Артикул: 6817530, WINDOW top - Use 6808882 adhesive, 7102268 primer, & 7110861 cleaner
3Артикул: 6816125, WINDOW rear - Use 6808882 adhesive, 7102268 primer, & 7110861 cleaner
Подробнее >
ИЗОЛЯЦИЯ (СЕРИЙНЫЙ НОМЕР 563114000 - 563114006, 563115000 И ВЫШЕ)

ИЗОЛЯЦИЯ (СЕРИЙНЫЙ НОМЕР 563114000 - 563114006, 563115000 И ВЫШЕ)

1Артикул: 6812193, INSULATION seat
2Артикул: 6812377, INSULATION radiator
3Артикул: 6814371, INSULATION RH cover
Подробнее >
КАБИНА ВОДИТЕЛЯ (ДВЕРНОЕ СТЕКЛО - 2 ШТ.) (СЕРИЙНЫЙ НОМЕР 563112071 И ВЫШЕ)

КАБИНА ВОДИТЕЛЯ (ДВЕРНОЕ СТЕКЛО - 2 ШТ.) (СЕРИЙНЫЙ НОМЕР 563112071 И ВЫШЕ)

1Артикул: 7117231, DOOR, CAB ASSY Ref. 2-16
2Артикул: 6688997, DOOR HANDLE door
3Артикул: KEY, KEY NLA - two keys W/ring - Order 6693241 - Was 6709527 - A
Подробнее >
КАБИНА ОПЕРАТОРА (ПРАВАЯ СТОРОНА ОКОН И ИЗОЛЯЦИЯ)

КАБИНА ОПЕРАТОРА (ПРАВАЯ СТОРОНА ОКОН И ИЗОЛЯЦИЯ)

1Артикул: 6536802, WASHER
2Артикул: 6589347, STRAP
3Артикул: 6589675, SCREW
Подробнее >
ПРАВОСТОРОННЯЯ КРЫША (ОРИГИНАЛЬНЫЙ ПРОЕКТ)

ПРАВОСТОРОННЯЯ КРЫША (ОРИГИНАЛЬНЫЙ ПРОЕКТ)

1Артикул: 6655399, BUMPER
2Артикул: 6669224, BOLT
3Артикул: 6674264, RETAINER NUT
Подробнее >
КОРПУС КУЗОВА (СЕРИЙНЫЙ НОМЕР 563114000 - 563114006, 563115000 И ВЫШЕ)

КОРПУС КУЗОВА (СЕРИЙНЫЙ НОМЕР 563114000 - 563114006, 563115000 И ВЫШЕ)

1Артикул: 6515603, GROMMET
2Артикул: 6560899, WASHER
3Артикул: 6628101, BUSHING
Подробнее >
ИЗОЛЯЦИЯ (СЕРИЙНЫЙ НОМЕР 563111001 - 563113999, 563114007 - 563114999)

ИЗОЛЯЦИЯ (СЕРИЙНЫЙ НОМЕР 563111001 - 563113999, 563114007 - 563114999)

1Артикул: 6808577, SEAL cab
2Артикул: INSULATION, INSULATION NLA - tailgate - Order Ref. 18 & 19 - Was 6811891 - A
3Артикул: 7103022, INSULATION engine - Was 6811892 - A
Подробнее >